+7 (701) 588 50 05 Телефон для связи
RU

WhatsApp

Позвонить

ТРАНСМИССИЯ в Алматы

ЗАДНИЙ МОСТ

ЗАДНИЙ МОСТ

1Артикул: 6537740, AXLE See BTI256 - Was NLA - D
2Артикул: 6646245, NUT Metric
3Артикул: 6564669, NUT, 10 SAE - Bobcat
Подробнее >
КОРОБКА ПЕРЕДАЧ

КОРОБКА ПЕРЕДАЧ

1Артикул: GEAR, GEAR BOX NLA - Ref. 2-36 - Order Components - Was 6532353 - A
2Артикул: 20JM1025, DOWEL PIN
3Артикул: 1DM14, NUT Was 10M-14 - D
Подробнее >
ХОДОВАЯ СИСТЕМА

ХОДОВАЯ СИСТЕМА

1Артикул: 6587212, SUPPORT L.H. - Was 6585800 - A
2Артикул: 6586125, SCREW
3Артикул: 7CM1440, BOLT
Подробнее >
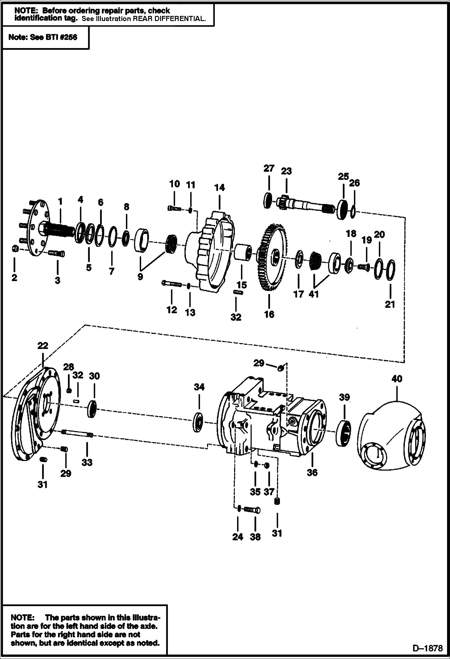
ДИФФЕРЕНЦИАЛ ЗАДНЕГО МОСТА

ДИФФЕРЕНЦИАЛ ЗАДНЕГО МОСТА

1Артикул: DRIVE, DRIVE SHAFT See Illustration DRIVE SHAFT/ B13492 See Illustration DRIVE SHAFT/ C3071
2Артикул: 6646300, NUT
3Артикул: 6646224, O-RING
Подробнее >
Ведущий вал

Ведущий вал

1Артикул: 6651519, DRIVE SHAFT Ref. 2 - 9
2Артикул: 6660207, SLIP YOKE
3Артикул: 10H35, FITTING, GREASE 10
Подробнее >
ПЕРЕДНИЙ ДИФФЕРЕНЦИАЛ

ПЕРЕДНИЙ ДИФФЕРЕНЦИАЛ

1Артикул: COVER, COVER NLA - Order 6532800 - Was 6532675 - A
2Артикул: 6532800, COVER Was NLA - D
3Артикул: 6646302, PLUG fill - Metric Threads
Подробнее >
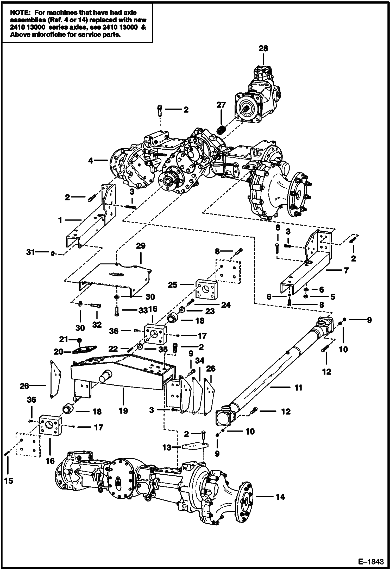
ПЕРЕДНИЙ МОСТ

ПЕРЕДНИЙ МОСТ

1Артикул: 6537740, AXLE See BTI256 - Was NLA - D
2Артикул: 6646245, NUT Metric
3Артикул: 6564669, NUT, 10 SAE
Подробнее >
ТОРМОЗНОЙ МЕХАНИЗМ

ТОРМОЗНОЙ МЕХАНИЗМ

1Артикул: PAD, PAD NLA - Was 1618250B - A
2Артикул: 6583767, PEDAL
3Артикул: 6647642, CAP
Подробнее >
КОМПЛЕКТЫ ОСЕЙ

КОМПЛЕКТЫ ОСЕЙ

1Артикул: 6722595, AXLE KIT RH Rear or LH Front W/Ref. 2 - 24
2Артикул: 6722596, AXLE KIT LH Rear or RH Front W/Ref. 2 - 24
3Артикул: 6587640, HUB W/Ref. 3
Подробнее >