+7 (701) 588 50 05 Телефон для связи
RU

WhatsApp

Позвонить

ТРАНСМИССИЯ в Алматы

ТОРМОЗНОЙ МЕХАНИЗМ

ТОРМОЗНОЙ МЕХАНИЗМ

1Артикул: PAD, PAD NLA - Was 1618250B - A
2Артикул: 6583767, PEDAL
3Артикул: 6647642, CAP
Подробнее >
ХОДОВАЯ СИСТЕМА

ХОДОВАЯ СИСТЕМА

1Артикул: 6587212, SUPPORT L.H. - Was 6534990 - A
2Артикул: 6586125, SCREW
3Артикул: 7CM1440, BOLT
Подробнее >
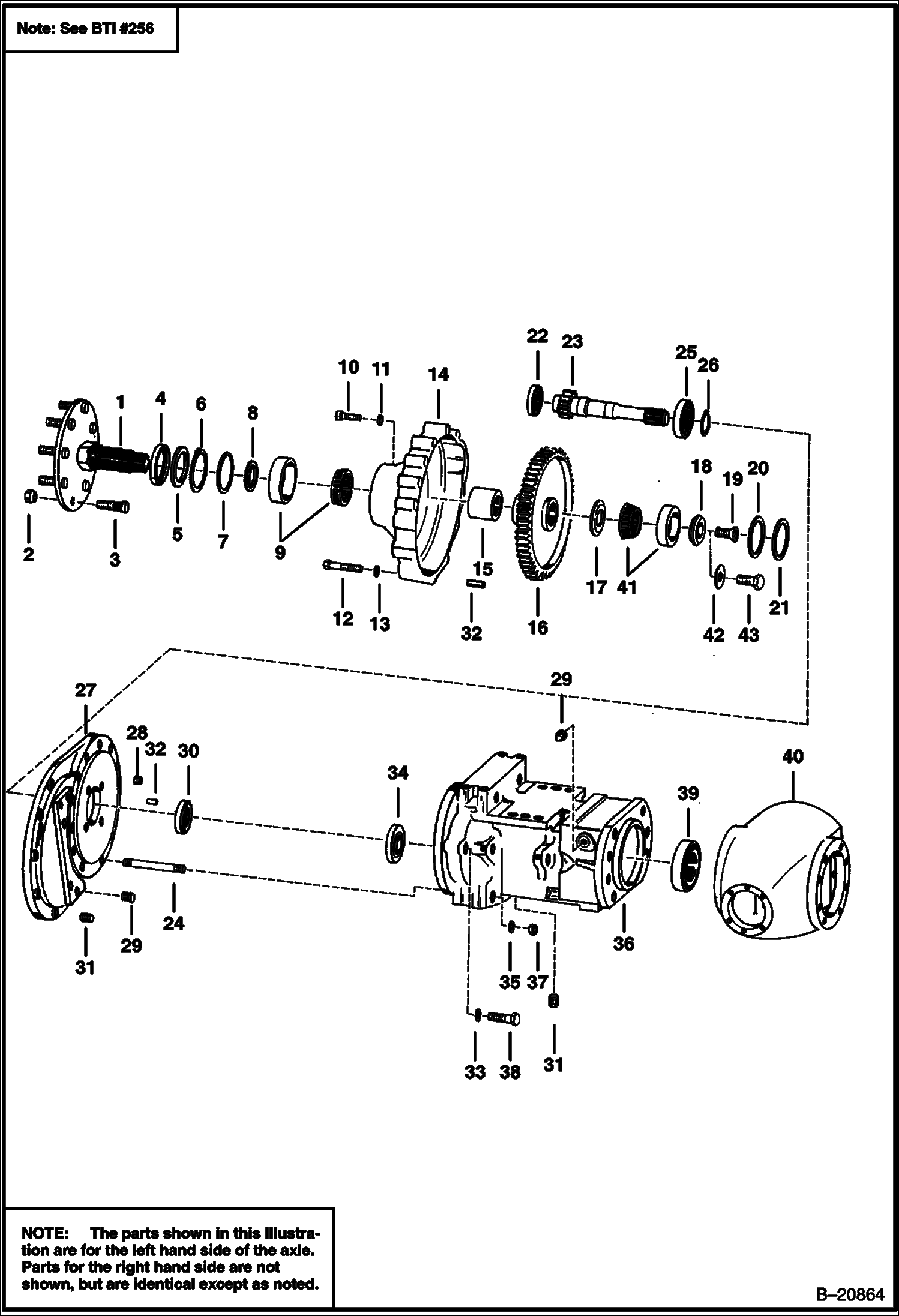
ЗАДНИЙ МОСТ

ЗАДНИЙ МОСТ

1Артикул: AXLE, AXLE See BTI256 NLA - Metric Threads in end of axle - Was 6536351 - A
2Артикул: 6537740, AXLE See BTI256 .625 Fine threads in end of axle
3Артикул: 6564669, NUT, 10
Подробнее >
ПЕРЕДНИЙ МОСТ

ПЕРЕДНИЙ МОСТ

1Артикул: AXLE, AXLE See BTI256 NLA - Metric Threads in end of axle - Was 6536351 - A
2Артикул: 6537740, AXLE See BTI256 .625 Fine threads in end of axle
3Артикул: 6564669, NUT, 10
Подробнее >
ДИФФЕРЕНЦИАЛ ЗАДНЕГО МОСТА

ДИФФЕРЕНЦИАЛ ЗАДНЕГО МОСТА

1Артикул: DRIVE, DRIVE SHAFT See Illustration DRIVE SHAFT/ B13492
2Артикул: 6646300, NUT
3Артикул: 6646224, O-RING
Подробнее >
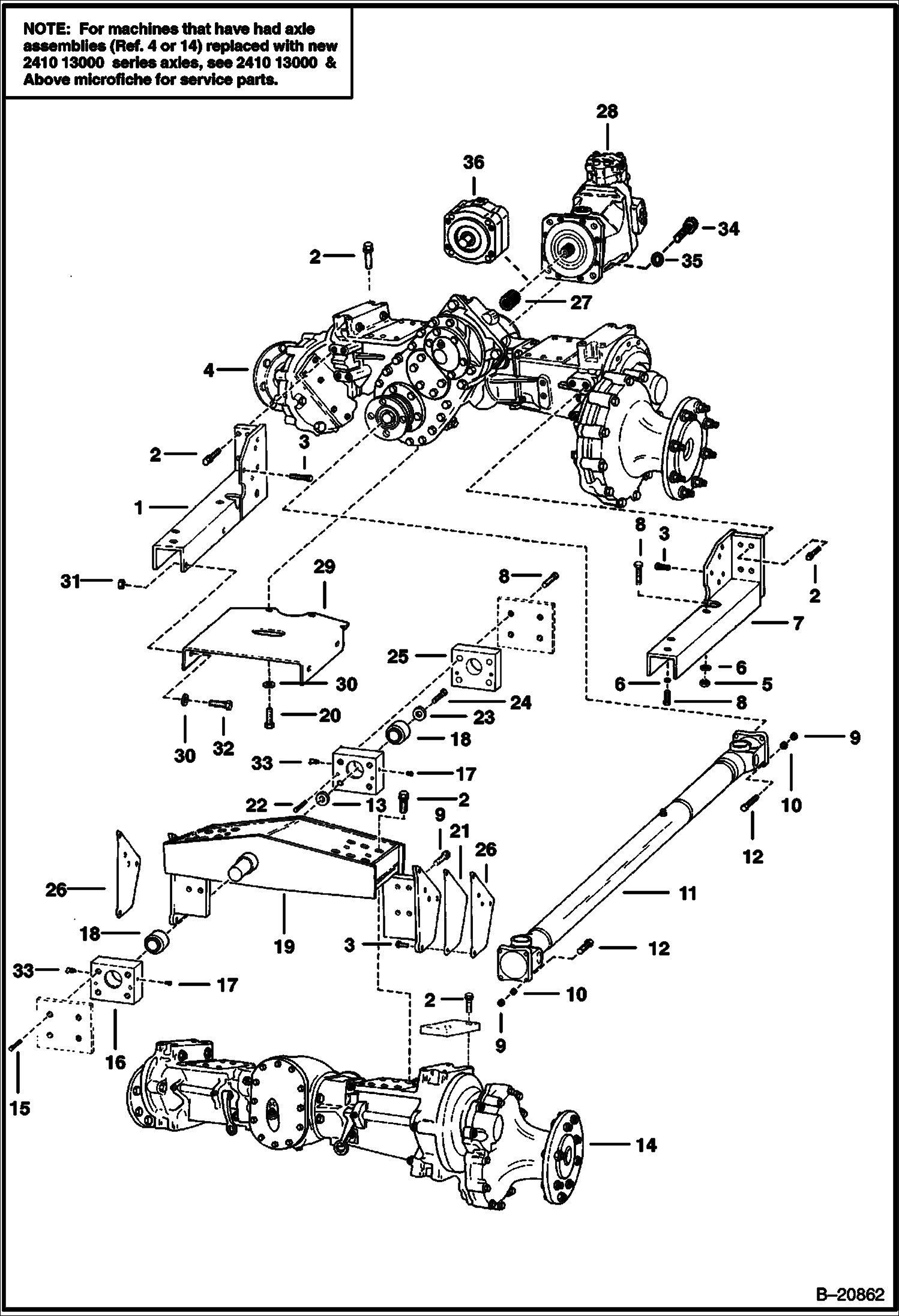
КОРОБКА ПЕРЕДАЧ

КОРОБКА ПЕРЕДАЧ

1Артикул: 6532353, GEAR BOX Ref. 2 - 36
2Артикул: 20JM1025, DOWEL PIN
3Артикул: 1DM14, NUT
Подробнее >
Ведущий вал

Ведущий вал

1Артикул: 6651519, DRIVE SHAFT Ref. 2 - 9
2Артикул: 6660207, SLIP YOKE
3Артикул: 10H35, FITTING, GREASE 10
Подробнее >
ПЕРЕДНИЙ ДИФФЕРЕНЦИАЛ

ПЕРЕДНИЙ ДИФФЕРЕНЦИАЛ

1Артикул: 6532800, COVER
2Артикул: 6646302, PLUG fill - Metric Threads
3Артикул: 16F8, PLUG fill - SAE Threads - Was 11F000008B - A
Подробнее >
КОМПЛЕКТЫ ОСЕЙ

КОМПЛЕКТЫ ОСЕЙ

1Артикул: 6722595, AXLE KIT RH Rear or LH Front W/Ref. 2 - 24 - Was 6722422 - A
2Артикул: 6722596, AXLE KIT LH Rear or RH Front W/Ref. 2 - 24 - Was 6722423 - A
3Артикул: 6587640, HUB W/Ref. 3
Подробнее >