+7 (701) 588 50 05 Телефон для связи
RU

WhatsApp

Позвонить

ТРАНСМИССИЯ в Алматы

ПРИВОДНОЙ МЕХАНИЗМ, ДОПОЛНИТЕЛЬНОЕ СЦЕПЛЕНИЕ

ПРИВОДНОЙ МЕХАНИЗМ, ДОПОЛНИТЕЛЬНОЕ СЦЕПЛЕНИЕ

1Артикул: 7018600, BELT, DRIVE
2Артикул: 7016236, BUSHING, 7/8 X 3/8 X 16 GA, Y 3 max
3Артикул: 7016032, CLUTCH, DRIVENBLACK, 40 DEG W/Ref. 7-17
Подробнее >
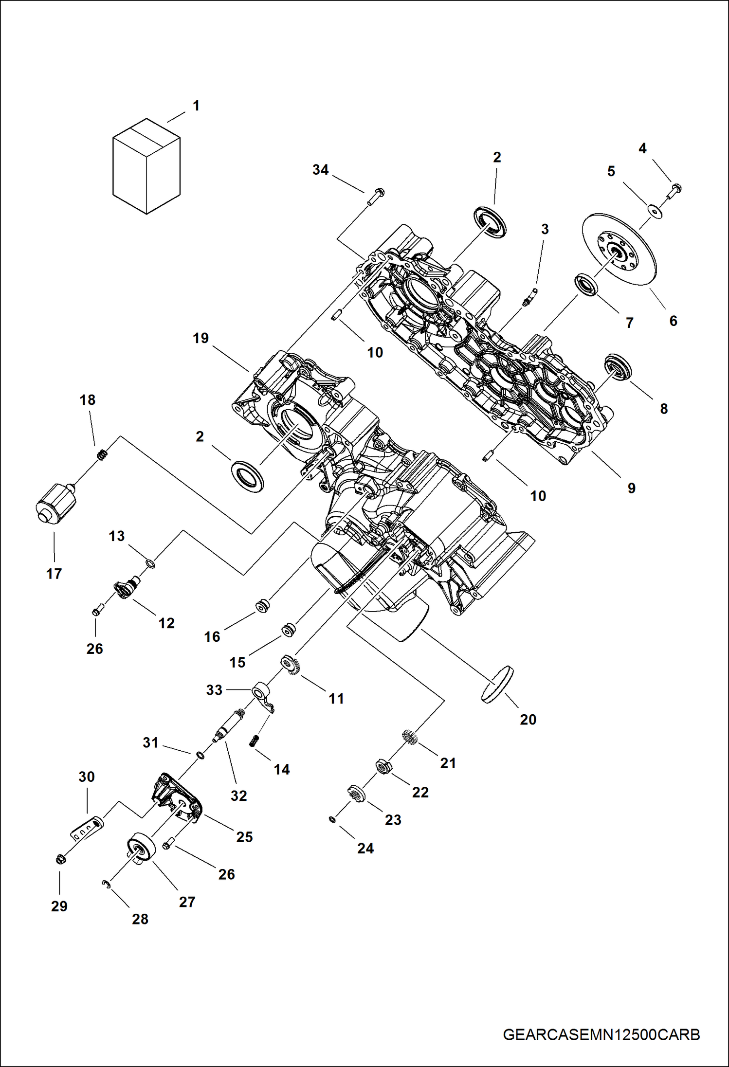
ПРИВОДНОЙ МЕХАНИЗМ, ГЛАВНЫЙ КАРТЕР КОРОБКИ ПЕРЕДАЧ (СЕРИЙНЫЙ НОМЕР AJNS20001 И ВЫШЕ)

ПРИВОДНОЙ МЕХАНИЗМ, ГЛАВНЫЙ КАРТЕР КОРОБКИ ПЕРЕДАЧ (СЕРИЙНЫЙ НОМЕР AJNS20001 И ВЫШЕ)

1Артикул: 7023346, TRANSMISSION, GEARCASE ASSY Ref. 2-34
2Артикул: 7017691, SEAL, TRIPLE LIP 40X70X7
3Артикул: 7017745, TUBE, VENT
Подробнее >
ПРИВОДНОЙ МЕХАНИЗМ, ВНУТРЕННИЕ КОМПОНЕНТЫ КАРТЕРА КОРОБКИ ПЕРЕДАЧ (СЕРИЙНЫЙ НОМЕР AJNS20001 И ВЫШЕ)

ПРИВОДНОЙ МЕХАНИЗМ, ВНУТРЕННИЕ КОМПОНЕНТЫ КАРТЕРА КОРОБКИ ПЕРЕДАЧ (СЕРИЙНЫЙ НОМЕР AJNS20001 И ВЫШЕ)

1Артикул: 7023346, TRANSMISSION, GEARCASE ASSY Ref. 2-57
2Артикул: 7017677, SCREW
3Артикул: 7017412, CARRIER, SUB ASSY
Подробнее >
ПРИВОДНОЙ МЕХАНИЗМ, ПЕРЕКЛЮЧАТЕЛЬ ПЕРЕДАЧ

ПРИВОДНОЙ МЕХАНИЗМ, ПЕРЕКЛЮЧАТЕЛЬ ПЕРЕДАЧ

1Артикул: 7016335, COVER, SHIFTER
2Артикул: 7016613, SCREW
3Артикул: 7018880, KNOB, SHIFTER
Подробнее >
ПРИВОДНОЙ МЕХАНИЗМ, ЗАДНИЙ ПРИВОДНОЙ ВАЛ

ПРИВОДНОЙ МЕХАНИЗМ, ЗАДНИЙ ПРИВОДНОЙ ВАЛ

1Артикул: SHAFT,, SHAFT, DRIVE REAR NLA - Ref. 2-7 - Order 7248179 - Was 7018669 - A
2Артикул: 7248179, SHAFT, DRIVE REAR Ref. 2-7
3Артикул: 7018904, RING, SPRING
Подробнее >
ПРИВОДНОЙ МЕХАНИЗМ, ГЛАВНЫЙ КАРТЕР КОРОБКИ ПЕРЕДАЧ (СЕРИЙНЫЙ НОМЕР AJNS11001 - 19999)

ПРИВОДНОЙ МЕХАНИЗМ, ГЛАВНЫЙ КАРТЕР КОРОБКИ ПЕРЕДАЧ (СЕРИЙНЫЙ НОМЕР AJNS11001 - 19999)

1Артикул: 7016051, TRANSMISSION, GEARCASE ASSY Ref. 2-34
2Артикул: 7017686, SCREW
3Артикул: 7017691, SEAL, TRIPLE LIP 40X70X7
Подробнее >
ПРИВОДНОЙ МЕХАНИЗМ, КРЕПЕЖ КАРТЕРА КОРОБКИ ПЕРЕДАЧИ

ПРИВОДНОЙ МЕХАНИЗМ, КРЕПЕЖ КАРТЕРА КОРОБКИ ПЕРЕДАЧИ

1Артикул: 7016607, SCREW
2Артикул: 7016153, BOLT
3Артикул: 7016515, NUT
Подробнее >
ПРИВОДНОЙ МЕХАНИЗМ, ПЕРВИЧНАЯ МУФТА

ПРИВОДНОЙ МЕХАНИЗМ, ПЕРВИЧНАЯ МУФТА

1Артикул: 7016022, CLUTCH, BASIC, NARROW Ref. 2-15 - Also Order Ref. 16 & 17
2Артикул: SHEAVE,, SHEAVE, FIXED NSS - Order Ref. 1
3Артикул: SHEAVE,, SHEAVE, MOVEABLE NSS - Order Ref. 1
Подробнее >
ПРИВОДНОЙ МЕХАНИЗМ, ВНУТРЕННИЕ КОМПОНЕНТЫ КАРТЕРА КОРОБКИ ПЕРЕДАЧ (СЕРИЙНЫЙ НОМЕР AJNS11001 - 19999)

ПРИВОДНОЙ МЕХАНИЗМ, ВНУТРЕННИЕ КОМПОНЕНТЫ КАРТЕРА КОРОБКИ ПЕРЕДАЧ (СЕРИЙНЫЙ НОМЕР AJNS11001 - 19999)

1Артикул: 7016051, TRANSMISSION, GEARCASE ASSY Ref. 2-57
2Артикул: 7017448, BEARING, BALL 50 X 80 X 10
3Артикул: 7017677, SCREW
Подробнее >
ПРИВОДНОЙ МЕХАНИЗМ, КРЫШКА ФРИКЦИОНА

ПРИВОДНОЙ МЕХАНИЗМ, КРЫШКА ФРИКЦИОНА

1Артикул: 7016021, COVER, CLUTCH INNER W/Ref. 11 & 14
2Артикул: 7015999, BOLT Ref. 3 & 4
3Артикул: 7016747, WASHER
Подробнее >