ТРАНСМИССИЯ в Алматы
МОСТ
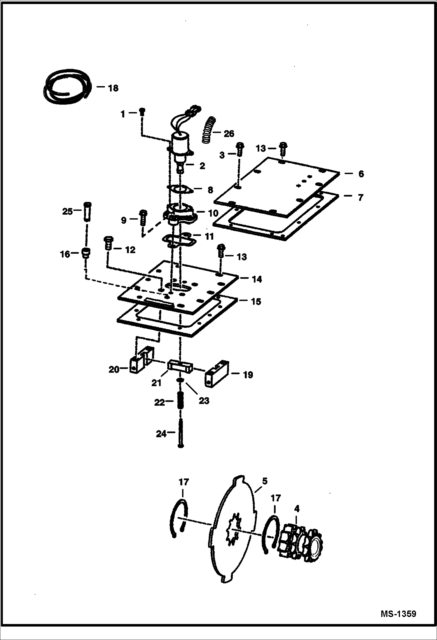
1Артикул: 48C1228, BOLT Was 6679247 - B
2Артикул: 6552871, WASHER
3Артикул: 6548891, SPROCKET
ТОРМОЗНОЙ ДИСК
1Артикул: 17C412, BOLT 5
2Артикул: 6681512, SOLENOID W/Ref. 26 - Was 6667992 - A
3Артикул: 84G3712, BOLT 5