+7 (701) 588 50 05 Телефон для связи
RU

WhatsApp

Позвонить

ТРАНСМИССИЯ в Алматы

МОСТ

МОСТ

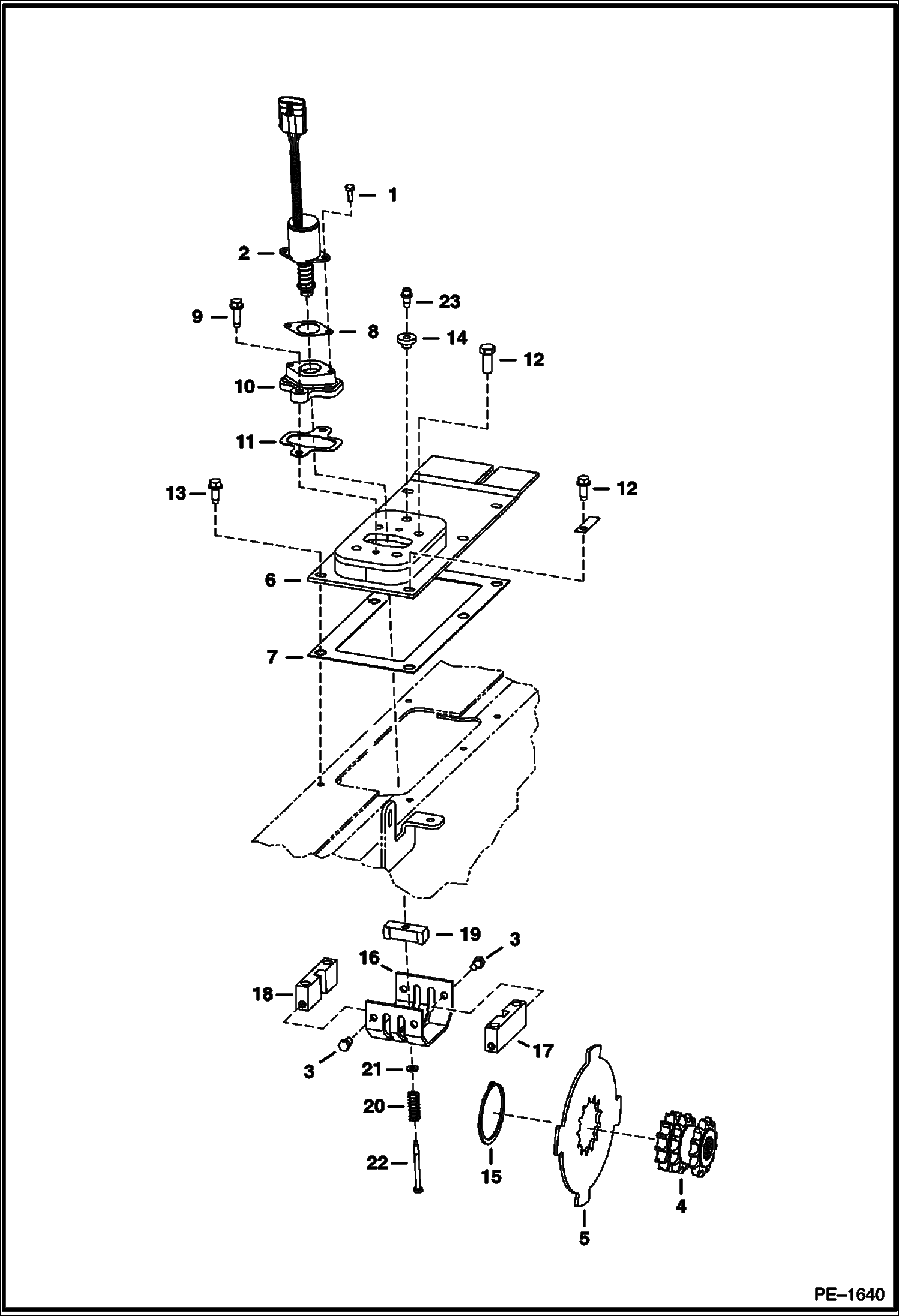
1Артикул: 48C1024, BOLT pre-applied loctite
2Артикул: 6563795, WASHER
3Артикул: 7134079, SPROCKET, AXLE Was 6563798 - A
Подробнее >
ТОРМОЗА

ТОРМОЗА

1Артикул: 17C412, BOLT 5
2Артикул: 6681512, SOLENOID
3Артикул: 43C610, BOLT pre-applied thread locker
Подробнее >