ТРАНСМИССИЯ в Алматы
МОСТ
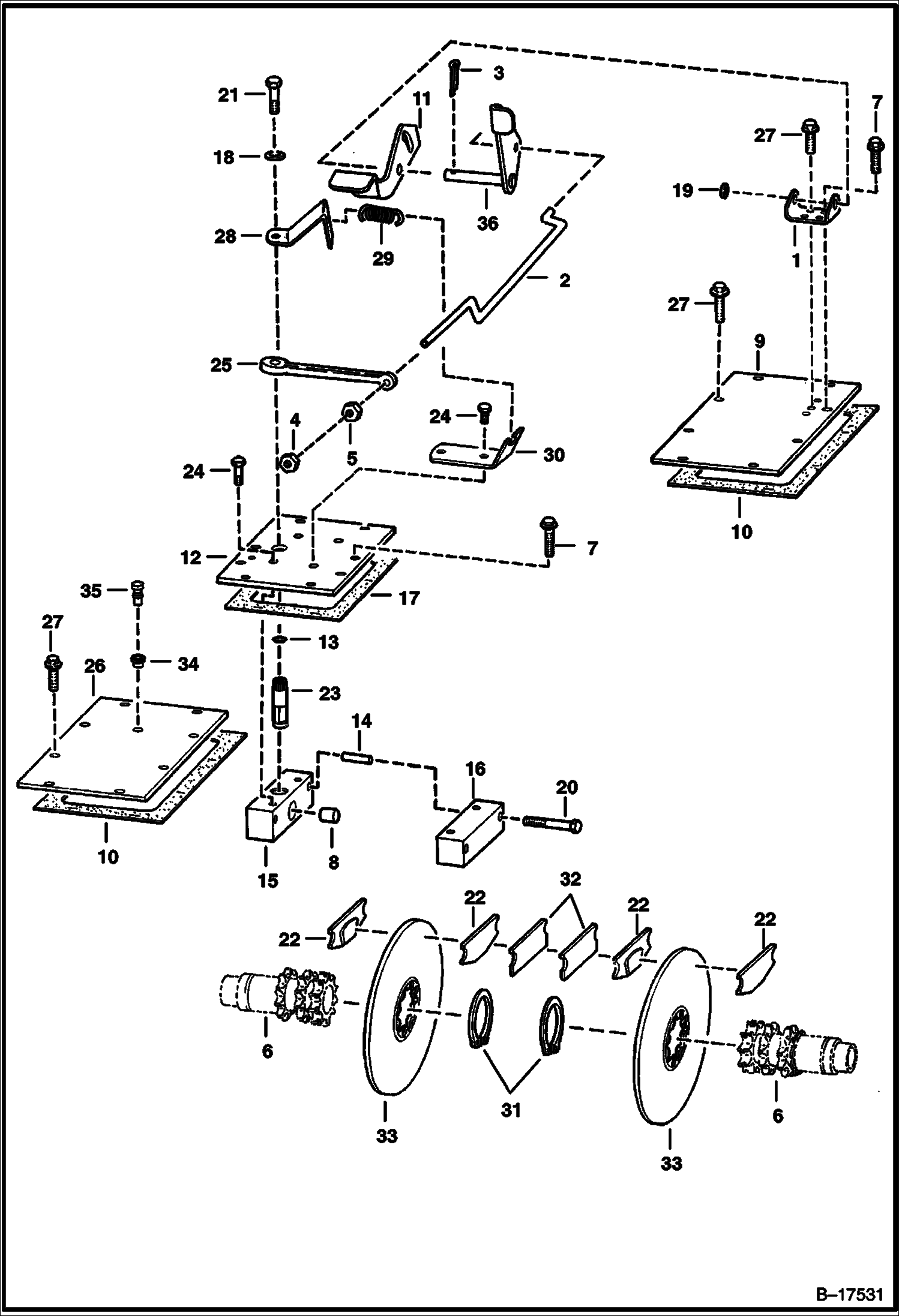
1Артикул: 18C1224, BOLT
2Артикул: 6552871, WASHER
3Артикул: 7134137, SPROCKET Was 6577204 - A
ТОРМОЗНОЙ ДИСК
1Артикул: 6700073, PEDAL MOUNT
2Артикул: 6704809, ROD
3Артикул: 1318565, COTTER PIN
АВТОТРАНСПОРТЕР (УСТАНОВКА ПРИВОДНОГО ДВИГАТЕЛЯ В СБОРЕ)
1Артикул: MOUNT, MOUNT ASSY NLA - drive motor - Ref. 2-7 - Order components - Was 6705288 - A
2Артикул: 6705065, SHAFT, TRANS W/snap ring groove
3Артикул: 6632218, CONE, BEARING