+7 (701) 588 50 05 Телефон для связи
RU

WhatsApp

Позвонить

ТРАНСМИССИЯ в Алматы

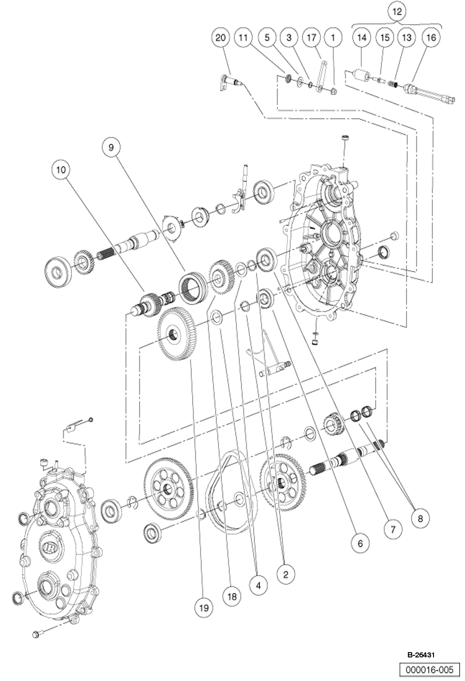
КОРОБКА ПЕРЕДАЧ ДЛЯ ДИЗЕЛЬНЫХ ДВИГАТЕЛЕЙ (ПЕРВОНАЧАЛЬНАЯ КОНСТРУКЦИЯ)

КОРОБКА ПЕРЕДАЧ ДЛЯ ДИЗЕЛЬНЫХ ДВИГАТЕЛЕЙ (ПЕРВОНАЧАЛЬНАЯ КОНСТРУКЦИЯ)

1Артикул: 102696001CC, NUT LOCK
2Артикул: 102696201CC, RING RETAINING EXT
3Артикул: 102696401CC, RING RETAINING EXT
Подробнее >
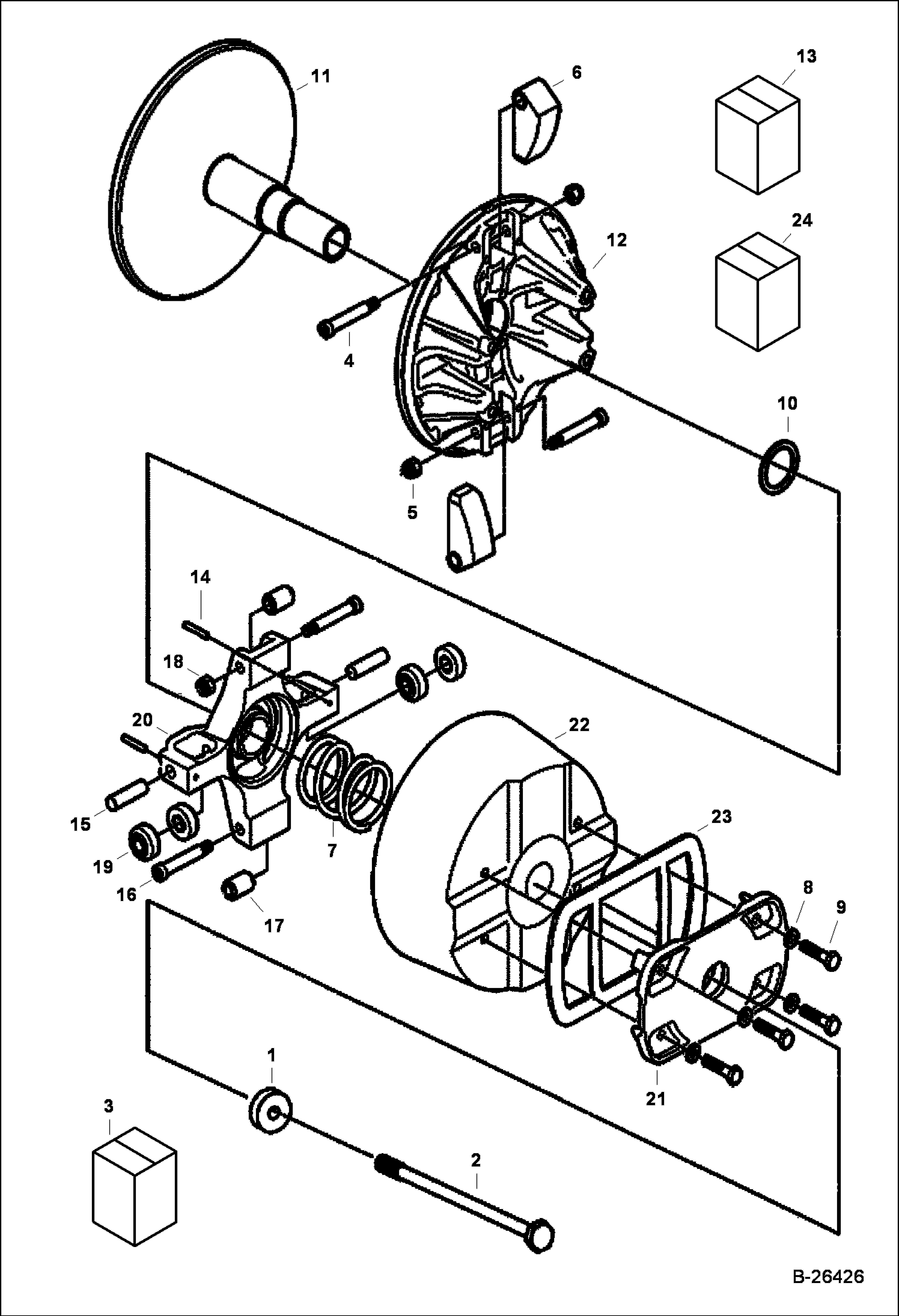
ОПЛОМБИРОВАННАЯ КРЫШКА ФРИКЦИОНА

ОПЛОМБИРОВАННАЯ КРЫШКА ФРИКЦИОНА

1Артикул: 102616003CC, SEALED CVT COVER W/Ref. 2-11
2Артикул: 101856102CC, SCREW Was 101856101CC - A
3Артикул: 102296716CC, SCREW
Подробнее >
ПРИВОДИМАЯ В ДВИЖЕНИЕ МУФТА

ПРИВОДИМАЯ В ДВИЖЕНИЕ МУФТА

1Артикул: CVT, CVT SECONDARY NLA - Ref. 2-8 - use in combination with 2-weight drive clutch - Order 103828201CC secondary clutch and replace compression spring with 102695701CC compression spring - Was102369901CC
2Артикул: 103828201CC, CVT, SECONDARY Ref. 2-8 - use in combination with 3-weight drive clutch
3Артикул: 102695401CC, WASHER THRUST
Подробнее >
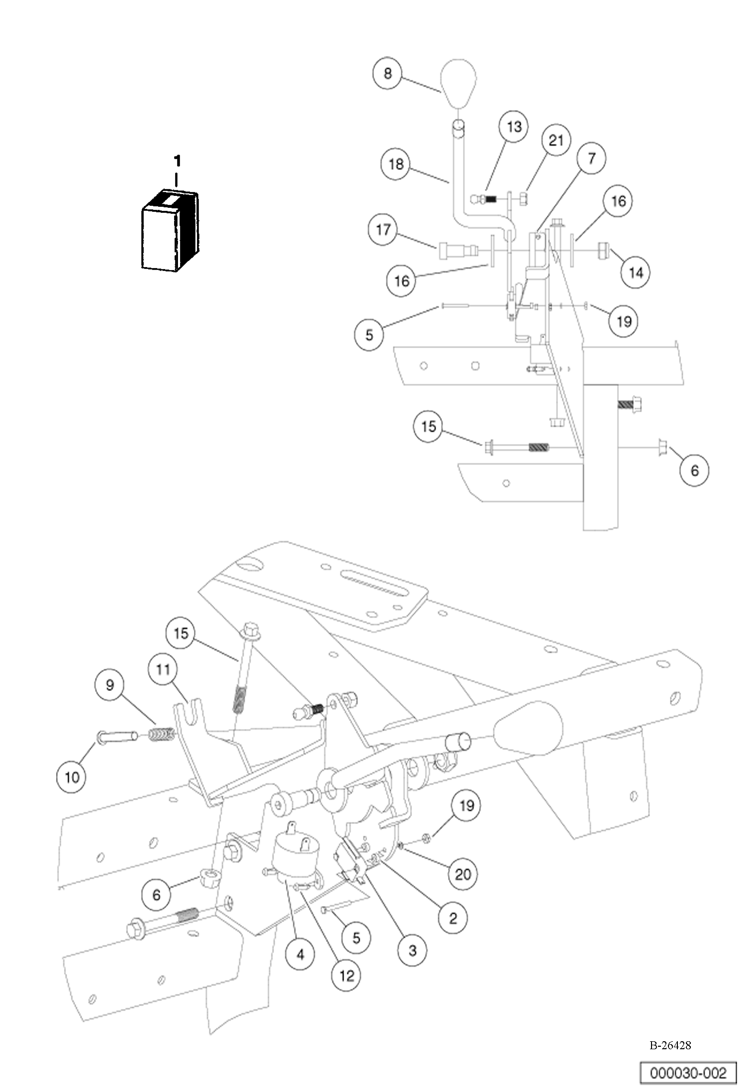
РЫЧАГ ПЕРЕКЛЮЧЕНИЯ ПЕРЕДАЧИ В СБОРЕ

РЫЧАГ ПЕРЕКЛЮЧЕНИЯ ПЕРЕДАЧИ В СБОРЕ

1Артикул: 102868201CC, SHIFTER W/Ref. 2-21
2Артикул: 1014727CC, WASHER
3Артикул: 1014808CC, SWITCH, LIMIT
Подробнее >
СТАНДАРТНАЯ КРЫШКА ФРИКЦИОНА

СТАНДАРТНАЯ КРЫШКА ФРИКЦИОНА

1Артикул: 102296716CC, SCREW Was 102494901CC - A
2Артикул: 102411210CC, CLAMP
3Артикул: 102414501CC, COVER CVT OUTER
Подробнее >
МУФТА ПРИВОДА (3-ВЕС)

МУФТА ПРИВОДА (3-ВЕС)

1Артикул: 103828101CC, CVT, PRIMARY DIESEL 3-weight - Ref. 2-16
2Артикул: 103848001CC, CVT, PRIMARY GAS 3-weight - Ref. 2-16
3Артикул: SHEAVE,, SHEAVE, FIXED NSS - Order Ref. 1
Подробнее >
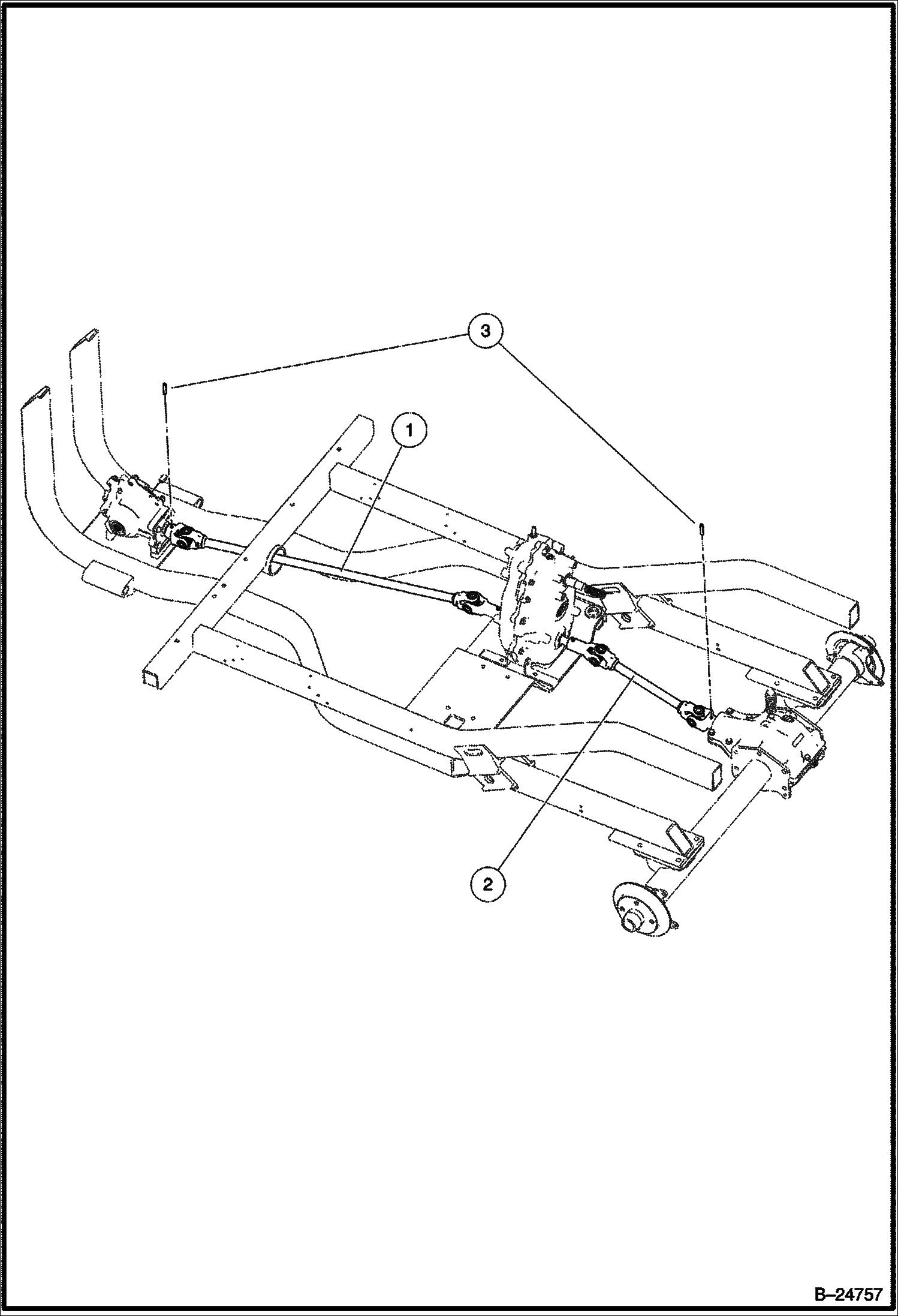
СТЕРЖЕНЬ КРЕПЛЕНИЯ

СТЕРЖЕНЬ КРЕПЛЕНИЯ

1Артикул: 7301567, SHAFT, DRIVE Was 102767701cc - A
2Артикул: 7277973, SHAFT, PROP REAR includes the universal joints - Was 102372101CC - A
3Артикул: PIN, PIN NLA - Order 7030193 bolt & 102298401CC nut - Was 95293643CC - A
Подробнее >
КОМЛЕКТ МУФТ ПРИВОДА (3-ВЕС)

КОМЛЕКТ МУФТ ПРИВОДА (3-ВЕС)

1Артикул: 103857801CC, KIT, SERVICE CVT GAS Ref. 2-4 & 6-8
2Артикул: 103857901CC, KIT, SERVICE CVT DIESEL Ref. 2-5 & 8
3Артикул: 103828101CC, CVT, PRIMARY DIESEL See Illustration DRIVE CLUTCH/ NA6270 - 3-weight
Подробнее >
ТРАНСМИССИЯ (ОБНОВЛЕННЫЙ ДИЗАЙН)

ТРАНСМИССИЯ (ОБНОВЛЕННЫЙ ДИЗАЙН)

1Артикул: 102943201CC, TRANSMISSION Diesel - W/Ref. 2- 59 - this is an updated transmission, parts will fit early design
2Артикул: 103178401CC, TRANSMISSION Gasoline - W/Ref. 2- 59 - this an updated transmission, parts will fit early design
3Артикул: 102764201CC, REAR GEARCASE ASSY W/Ref. 3-9
Подробнее >
МУФТА ПРИВОДА (2-ВЕС)

МУФТА ПРИВОДА (2-ВЕС)

1Артикул: 102385601CC, WASHER
2Артикул: 102490001CC, BOLT m10x1.25x200 - W/threadlocker - Honda
3Артикул: 103201501CC, BOLT m8x1.25x200 mm long W/threadlock - Kawasaki
Подробнее >
КОРОБКА ПЕРЕДАЧ ДЛЯ БЕНЗИНОВЫХ ДВИГАТЕЛЕЙ (ПЕРВОНАЧАЛЬНАЯ КОНСТРУКЦИЯ)

КОРОБКА ПЕРЕДАЧ ДЛЯ БЕНЗИНОВЫХ ДВИГАТЕЛЕЙ (ПЕРВОНАЧАЛЬНАЯ КОНСТРУКЦИЯ)

1Артикул: 102696001CC, NUT LOCK
2Артикул: 102696201CC, RING RETAINING EXT
3Артикул: 102696401CC, RING RETAINING EXT
Подробнее >