+7 (701) 588 50 05 Телефон для связи
RU

WhatsApp

Позвонить

ТРАНСМИССИЯ в Алматы

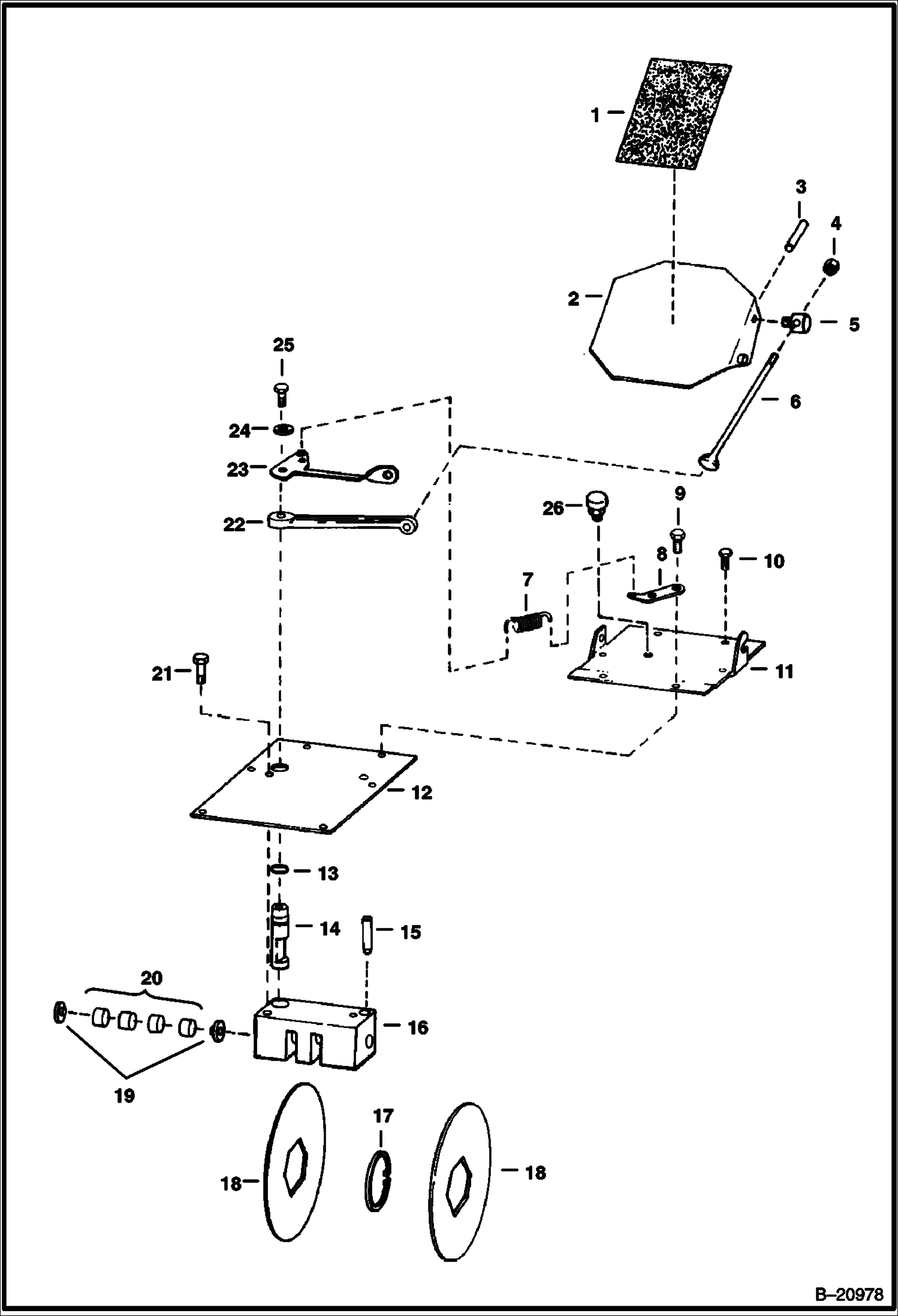
ДИСК ТОРМОЗА

ДИСК ТОРМОЗА

1Артикул: 6553976, SAFETY TREAD 127 x 203 mm (5 x 8--)
2Артикул: 6563187, PEDAL
3Артикул: 14J2516, PIN
Подробнее >
БОРТОВАЯ ПЕРЕДАЧА В СБОРЕ (ЗАДНИЙ)

БОРТОВАЯ ПЕРЕДАЧА В СБОРЕ (ЗАДНИЙ)

1Артикул: 18C1628, SCREW
2Артикул: 6558694, WASHER
3Артикул: 6568918, SPROCKET, AXLE
Подробнее >
БОРТОВАЯ ПЕРЕДАЧА В СБОРЕ (ФРОНТАЛЬНЫЕ)

БОРТОВАЯ ПЕРЕДАЧА В СБОРЕ (ФРОНТАЛЬНЫЕ)

1Артикул: 18C1628, SCREW
2Артикул: 6558694, WASHER
3Артикул: 6568918, SPROCKET, AXLE
Подробнее >
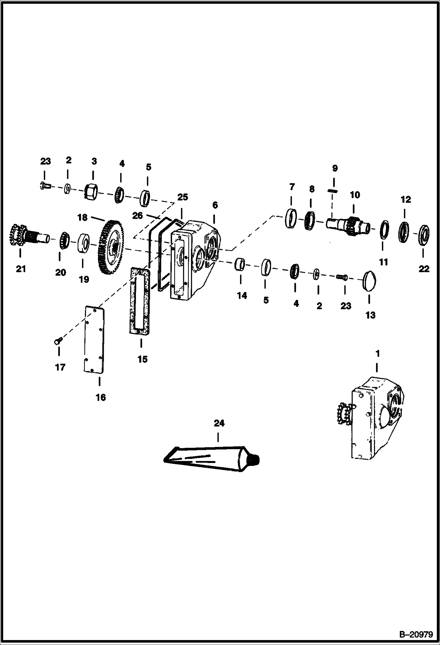
РЕДУКТОР

РЕДУКТОР

1Артикул: 6578781, GEARCASE Ref. 2 - 23 - Was 6558308 - A
2Артикул: 6558234, WASHER
3Артикул: 6703055, HUB Was 6558209 - A
Подробнее >