+7 (701) 588 50 05 Телефон для связи
RU

WhatsApp

Позвонить

УСТРОЙСТВА УПРАВЛЕНИЯ в Алматы

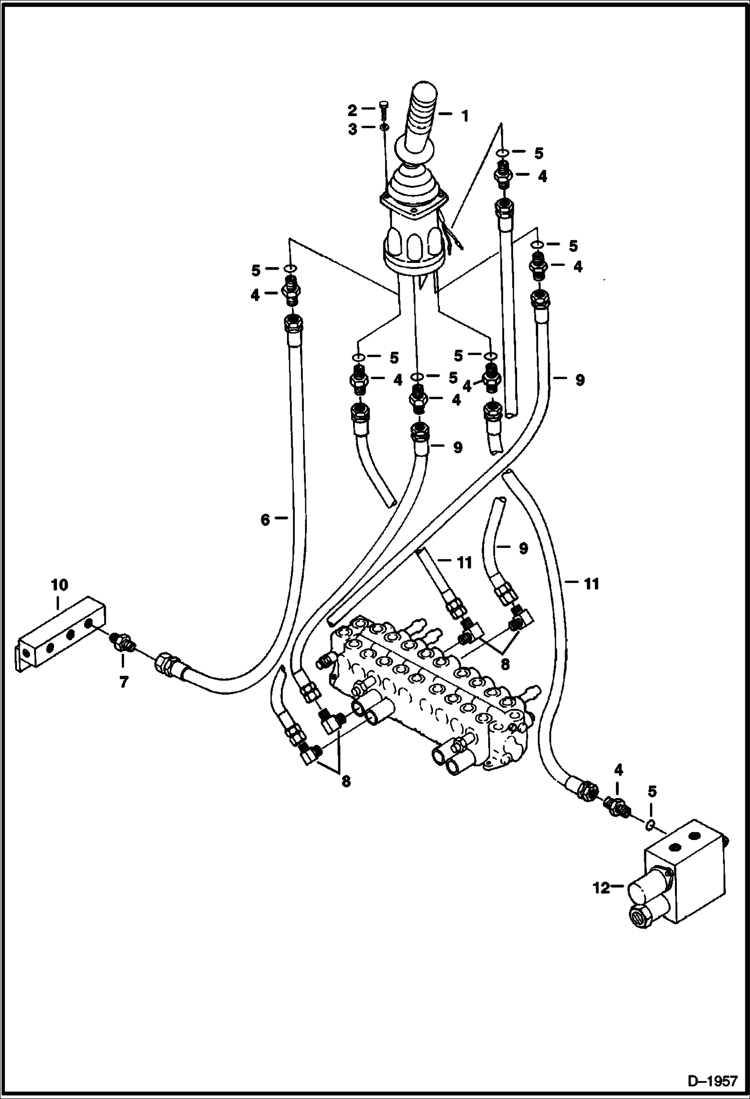
ЛЕВОСТОРОННИЙ ДЖОЙСТИК УПРАВЛЕНИЯ (РУКОЯТЬ И ПОВОРОТ) (ISO КОНФИГУРАЦИЯ УПРАВЛЕНИЯ)

ЛЕВОСТОРОННИЙ ДЖОЙСТИК УПРАВЛЕНИЯ (РУКОЯТЬ И ПОВОРОТ) (ISO КОНФИГУРАЦИЯ УПРАВЛЕНИЯ)

1Артикул: 6654119, JOYSTICK ASSY. See Illustration L.H. JOYSTICK CONTROLS/ D1973 -L.H. - Was 6654119 - A
2Артикул: 1CM625, BOLT
3Артикул: 6EM60, WASHER, SPRING
Подробнее >
ПРАВОСТОРОННИЙ ДЖОЙСТИК УПРАВЛЕНИЯ (КОВШ И СТРЕЛА) (ISO КОНФИГУРАЦИЯ УПРАВЛЕНИЯ)

ПРАВОСТОРОННИЙ ДЖОЙСТИК УПРАВЛЕНИЯ (КОВШ И СТРЕЛА) (ISO КОНФИГУРАЦИЯ УПРАВЛЕНИЯ)

1Артикул: 6654120, JOYSTICK ASSY. See Illustration R.H. JOYSTICK CONTROLS/ D1972 NLA - RH - Was 6654120 - A
2Артикул: 1CM625, BOLT
3Артикул: 6EM60, WASHER, SPRING
Подробнее >
ХОД И ВСПОМОГАТЕЛЬНЫЕ УСТРОЙСТВА УПРАВЛЕНИЯ

ХОД И ВСПОМОГАТЕЛЬНЫЕ УСТРОЙСТВА УПРАВЛЕНИЯ

1Артикул: 6535374, PLATE NLA - Was 6535374 - A
2Артикул: 6535348, LEVER W/Ref. 3 NLA - Was 6535348 - A
3Артикул: BUSH, BUSH NLA - Was 6535309 - A
Подробнее >
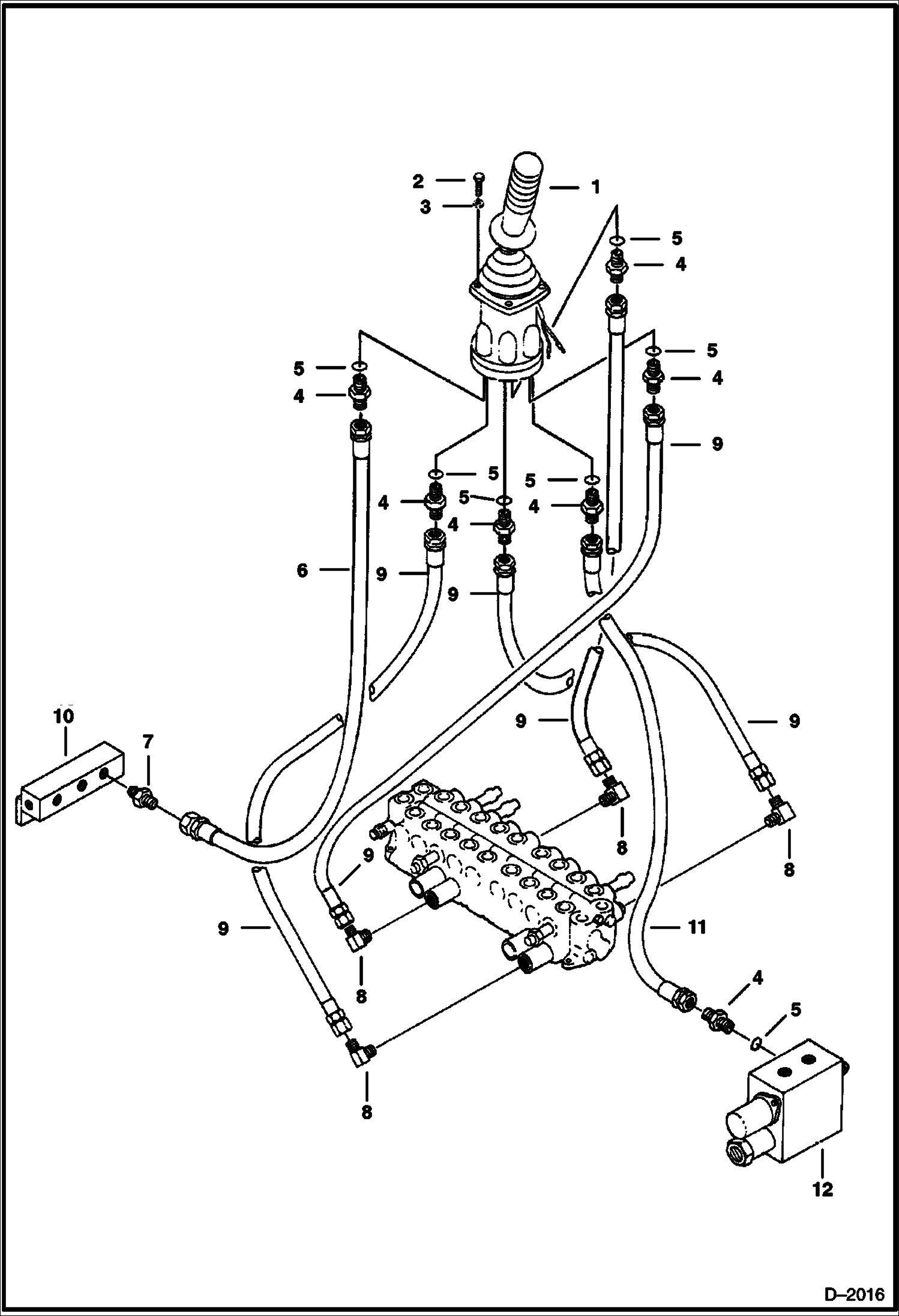
ПРАВОСТОРОННИЙ ДЖОЙСТИК УПРАВЛЕНИЯ (КОВШ И РУКОЯТЬ) (U.S. КОНФИГУРАЦИЯ УПРАВЛЕНИЯ)

ПРАВОСТОРОННИЙ ДЖОЙСТИК УПРАВЛЕНИЯ (КОВШ И РУКОЯТЬ) (U.S. КОНФИГУРАЦИЯ УПРАВЛЕНИЯ)

1Артикул: 6654120, JOYSTICK ASSY. See Illustration R.H. JOYSTICK CONTROLS/ D1972 NLA - RH - Was 6654120 - A
2Артикул: 1CM625, BOLT
3Артикул: 6EM60, WASHER, SPRING
Подробнее >
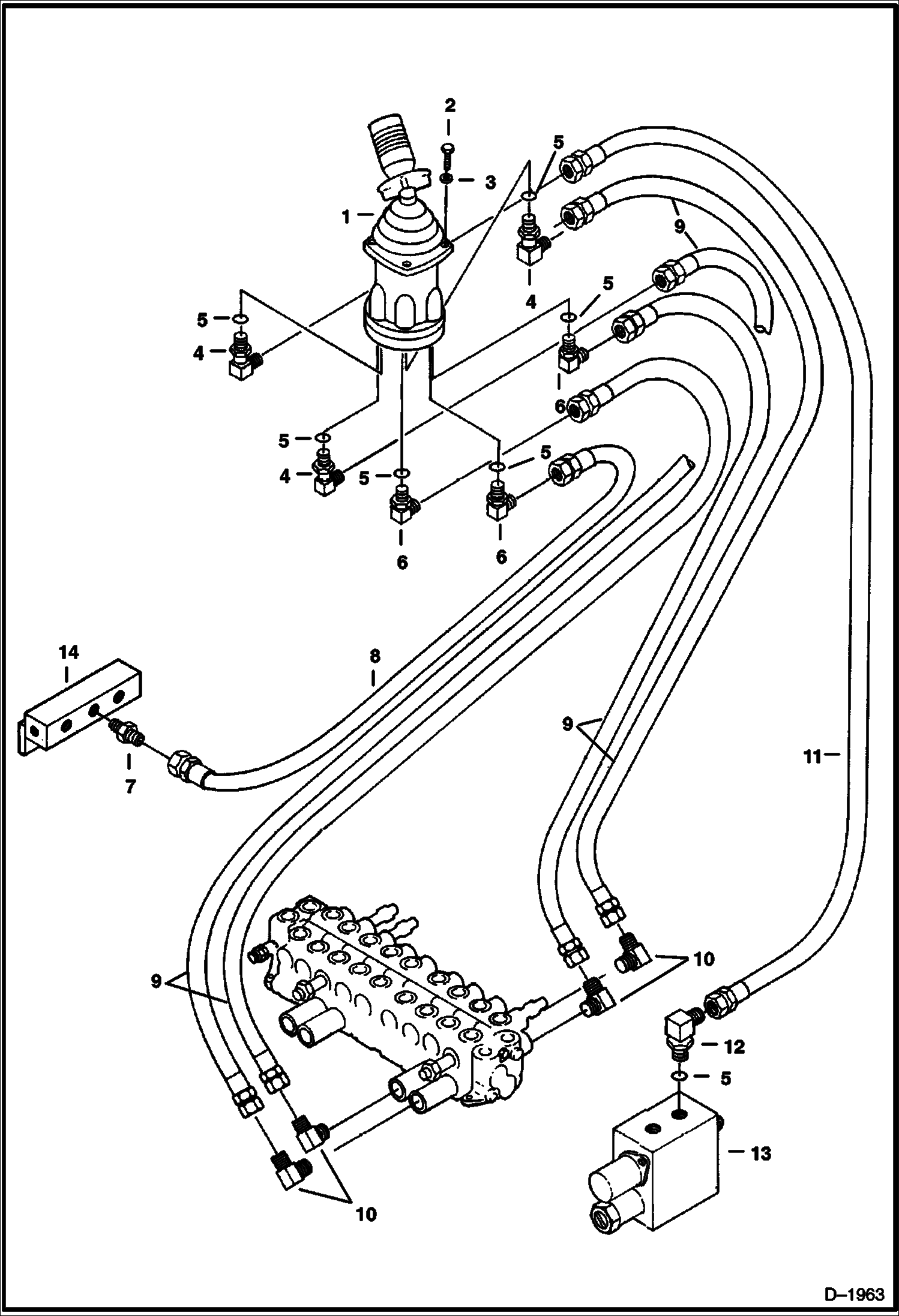
ЛЕВОСТОРОННИЙ ДЖОЙСТИК УПРАВЛЕНИЯ (СТРЕЛА И ПОВОРОТ) (U.S. КОНФИГУРАЦИЯ УПРАВЛЕНИЯ)

ЛЕВОСТОРОННИЙ ДЖОЙСТИК УПРАВЛЕНИЯ (СТРЕЛА И ПОВОРОТ) (U.S. КОНФИГУРАЦИЯ УПРАВЛЕНИЯ)

1Артикул: 6654119, JOYSTICK ASSY. See Illustration L.H. JOYSTICK CONTROLS/ D1973 -L.H. - Was 6654119 - A
2Артикул: 1CM625, BOLT
3Артикул: 6EM60, WASHER, SPRING
Подробнее >
РАСПРЕДЕЛИТЕЛЬ ОТВАЛОВ

РАСПРЕДЕЛИТЕЛЬ ОТВАЛОВ

1Артикул: 6535379, PLATE NLA - Was 6535379 - A
2Артикул: 6535351, LEVER NLA - W/Ref. 3 - Was 6535351 - A
3Артикул: BUSH, BUSH NLA - Was 6535309 - A
Подробнее >
КОНСОЛЬ УПРАВЛЕНИЯ (ЛЕВОСТОРОННИЙ) (СЕРИЙНЫЙ НОМЕР 508311001 - 508311050)

КОНСОЛЬ УПРАВЛЕНИЯ (ЛЕВОСТОРОННИЙ) (СЕРИЙНЫЙ НОМЕР 508311001 - 508311050)

1Артикул: CONSOLE, CONSOLE NLA - L.H. - Was 6535392 - A
2Артикул: 6655965, CYLINDER Was 6655063 - A
3Артикул: 15EM80, WASHER
Подробнее >
КОНСОЛЬ УПРАВЛЕНИЯ (ЛЕВОСТОРОННИЙ) (СЕРИЙНЫЙ НОМЕР 508311051 И ВЫШЕ)

КОНСОЛЬ УПРАВЛЕНИЯ (ЛЕВОСТОРОННИЙ) (СЕРИЙНЫЙ НОМЕР 508311051 И ВЫШЕ)

1Артикул: 6535534, CONSOLE NLA - L.H. - Was 6535524 - A
2Артикул: 6655965, CYLINDER Was 6655063 - A
3Артикул: 15EM80, WASHER
Подробнее >
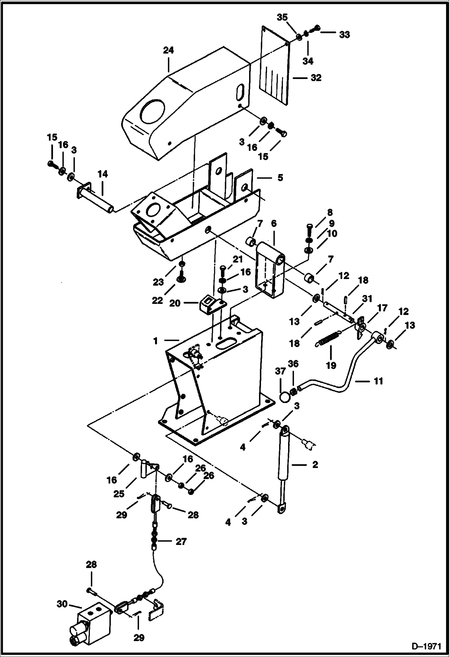
КОНСОЛЬ УПРАВЛЕНИЯ И ДОСКИ ПОЛА

КОНСОЛЬ УПРАВЛЕНИЯ И ДОСКИ ПОЛА

1Артикул: 6535394, CONSOLE R.H. NLA - R.H. - Was 6535394 - A
2Артикул: 1CM1020, BOLT
3Артикул: 6EM100, WASHER
Подробнее >
ПЕДАЛЬ УПРАВЛЕНИЯ (ПОВОРОТ СТРЕЛЫ)

ПЕДАЛЬ УПРАВЛЕНИЯ (ПОВОРОТ СТРЕЛЫ)

1Артикул: 6535374, PLATE NLA - Was 6535374 - A
2Артикул: 6535356, LEVER NLA - W/Ref. 3 - Was 6535356 - A
3Артикул: BUSH, BUSH NLA - Was 6535309 - A
Подробнее >