+7 (701) 588 50 05 Телефон для связи
RU

WhatsApp

Позвонить

УСТРОЙСТВА УПРАВЛЕНИЯ в Алматы

УСТРОЙСТВО УПРАВЛЕНИЯ РУЛЬ

УСТРОЙСТВО УПРАВЛЕНИЯ РУЛЬ

1Артикул: 6961451, STEERING WHEEL Ref. 2-9
2Артикул: COVER, COVER NSS - Order Ref. 1 - Was 6969459
3Артикул: BOLT, BOLT NSS - Order Ref. 1 - Was 6969460
Подробнее >
УСТРОЙСТВА УПРАВЛЕНИЯ РУЛЕВОЕ УПРАВЛЕНИЕ

УСТРОЙСТВА УПРАВЛЕНИЯ РУЛЕВОЕ УПРАВЛЕНИЕ

1Артикул: 6960688, BOLT
2Артикул: 6961449, COVER
3Артикул: 6961451, STEERING WHEEL
Подробнее >
РАБОЧИЙ ТОРМОЗ ПЕДАЛЬ

РАБОЧИЙ ТОРМОЗ ПЕДАЛЬ

1Артикул: 6961508, PEDAL Ref. 2-26
2Артикул: 1GM825, BOLT
3Артикул: 1EM80, WASHER Was 2EM8 - A
Подробнее >
РЫЧАГ ДРОССЕЛЬНАЯ ЗАСЛОНКА

РЫЧАГ ДРОССЕЛЬНАЯ ЗАСЛОНКА

1Артикул: 6960685, LEVER Ref. 2-6
2Артикул: LEVER, LEVER NLA - Order (1) PN 6960685 - A
3Артикул: 32DM60, NUT
Подробнее >
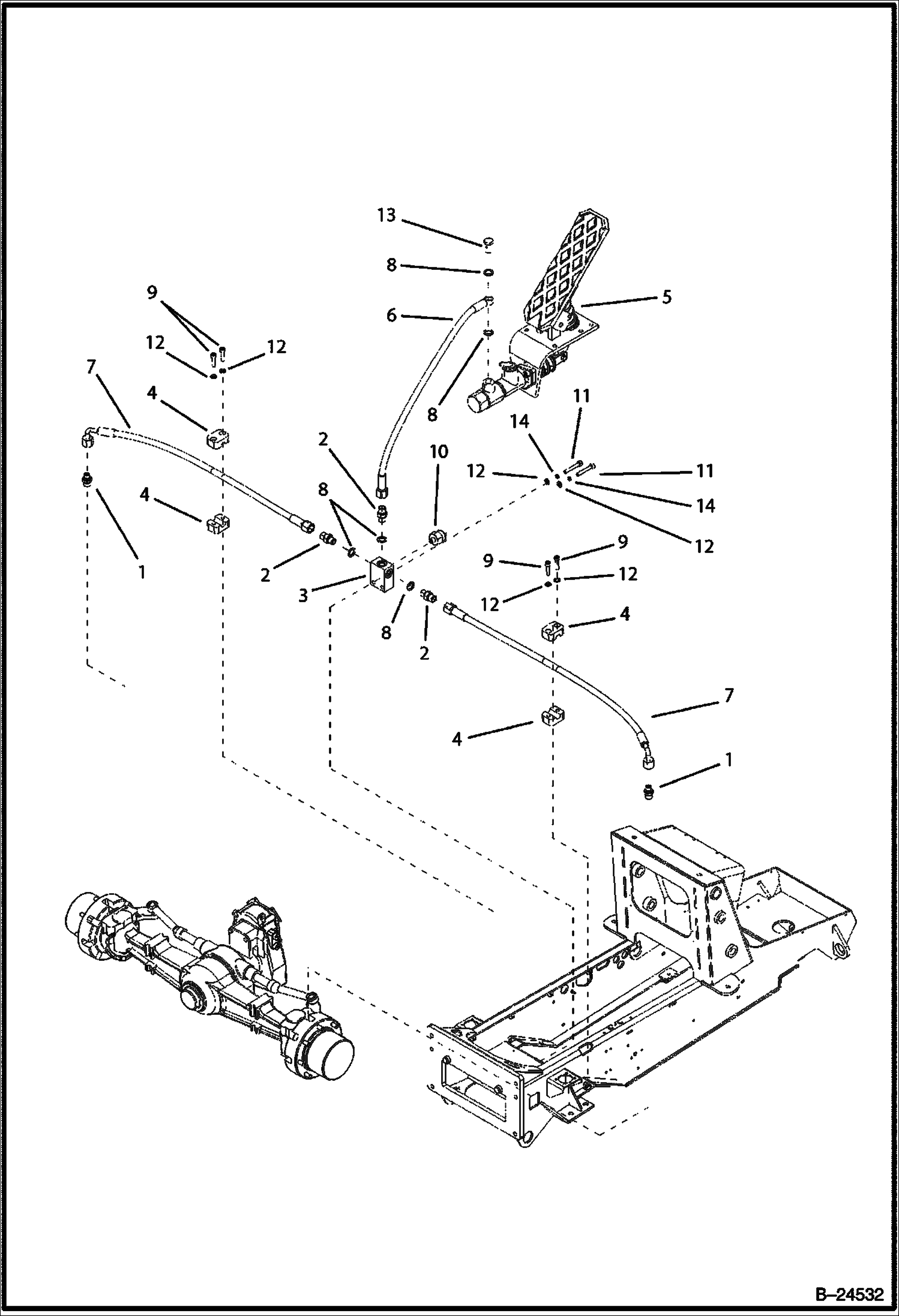
РАБОЧИЙ ТОРМОЗ

РАБОЧИЙ ТОРМОЗ

1Артикул: 6968159, FITTING
2Артикул: 6966072, FITTING
3Артикул: 6961506, HOUSING
Подробнее >
УСТРОЙСТВА УПРАВЛЕНИЯ ДРОССЕЛЬНАЯ ЗАСЛОНКА

УСТРОЙСТВА УПРАВЛЕНИЯ ДРОССЕЛЬНАЯ ЗАСЛОНКА

1Артикул: 6961455, COVER
2Артикул: 6966694, LEVER
3Артикул: 6966716, COVER
Подробнее >