+7 (701) 588 50 05 Телефон для связи
RU

WhatsApp

Позвонить

УСТРОЙСТВА УПРАВЛЕНИЯ в Алматы

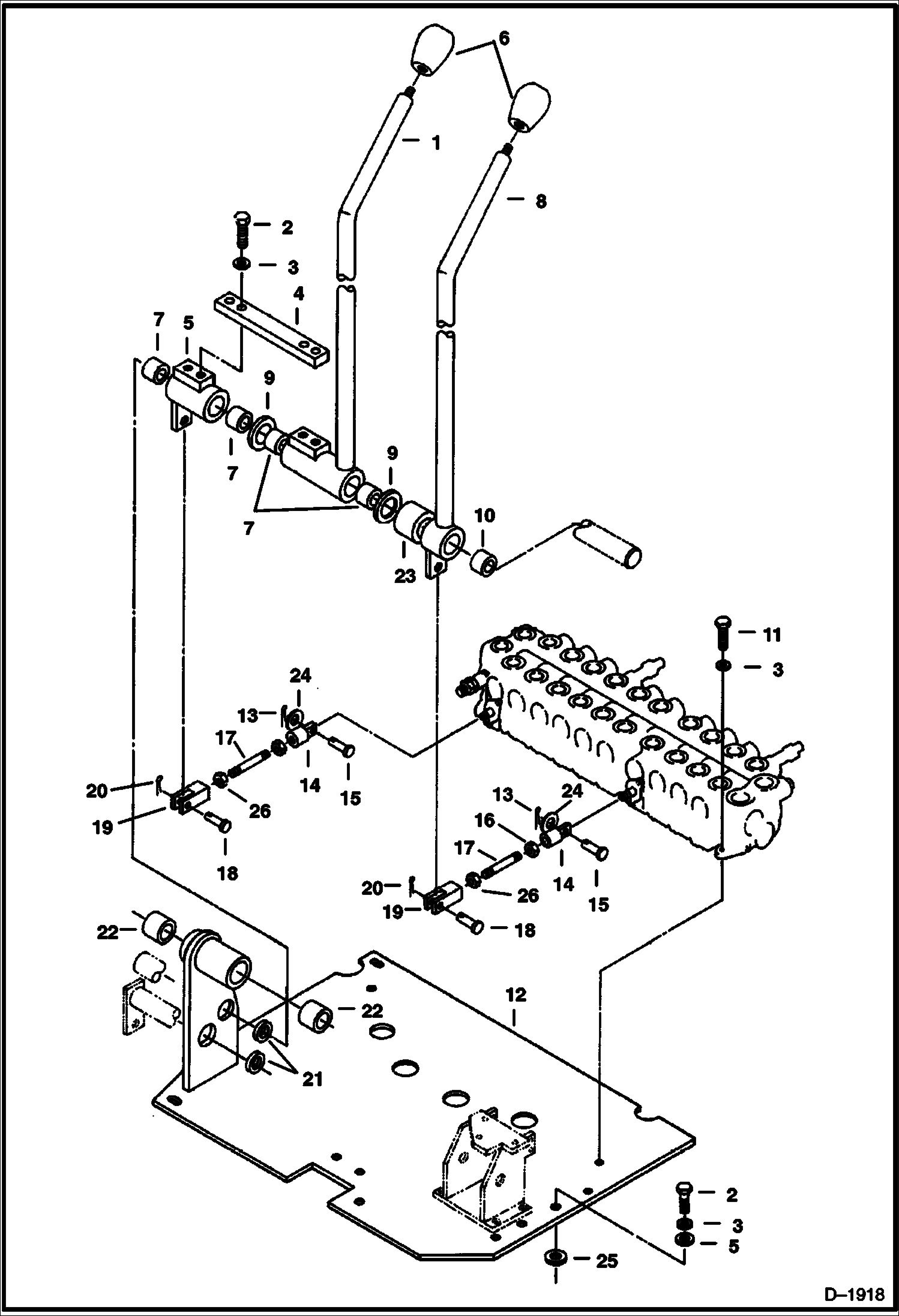
ПОВОРОТ СТРЕЛЫ И РАСПРЕДЕЛИТЕЛЬ ОТВАЛА (СЕРИЙНЫЙ НОМЕР 508211309 И ВЫШЕ)

ПОВОРОТ СТРЕЛЫ И РАСПРЕДЕЛИТЕЛЬ ОТВАЛА (СЕРИЙНЫЙ НОМЕР 508211309 И ВЫШЕ)

1Артикул: 6533725, LEVER NLA - W/Ref. 2 - Was 6533725 - A
2Артикул: KNOB, KNOB See Illustration ELECTRICAL SYSTEM/ C3134 NLA - W/horn switch & wire - Was 6535009 - A
3Артикул: BUSHING, BUSHING NLA - Was 6651905 - A
Подробнее >
ПЕДАЛЬ УПРАВЛЕНИЯ (ВСПОМОГАТЕЛЬНЫЕ ГИДРАВЛИЧЕСКИЕ МЕХАНИЗМЫ) (СЕРИЙНЫЙ НОМЕР 508211309 И ВЫШЕ)

ПЕДАЛЬ УПРАВЛЕНИЯ (ВСПОМОГАТЕЛЬНЫЕ ГИДРАВЛИЧЕСКИЕ МЕХАНИЗМЫ) (СЕРИЙНЫЙ НОМЕР 508211309 И ВЫШЕ)

1Артикул: 6533730, PEDAL NLA - Was 6533730 - A
2Артикул: 6652555, BUSHING NLA - Was 6652555 - A
3Артикул: JOINT, JOINT NLA - 8 mm thread - R.H. - Was 6535026 - A
Подробнее >
ПЕДАЛЬ УПРАВЛЕНИЯ (ВСПОМОГАТЕЛЬНЫЕ ГИДРАВЛИЧЕСКИЕ МЕХАНИЗМЫ) (СЕРИЙНЫЙ НОМЕР 508211001 - 508211308)

ПЕДАЛЬ УПРАВЛЕНИЯ (ВСПОМОГАТЕЛЬНЫЕ ГИДРАВЛИЧЕСКИЕ МЕХАНИЗМЫ) (СЕРИЙНЫЙ НОМЕР 508211001 - 508211308)

1Артикул: 6533730, PEDAL NLA - Was 6533730 - A
2Артикул: 1DM8, NUT
3Артикул: 6EM80, WASHER, SPRING
Подробнее >
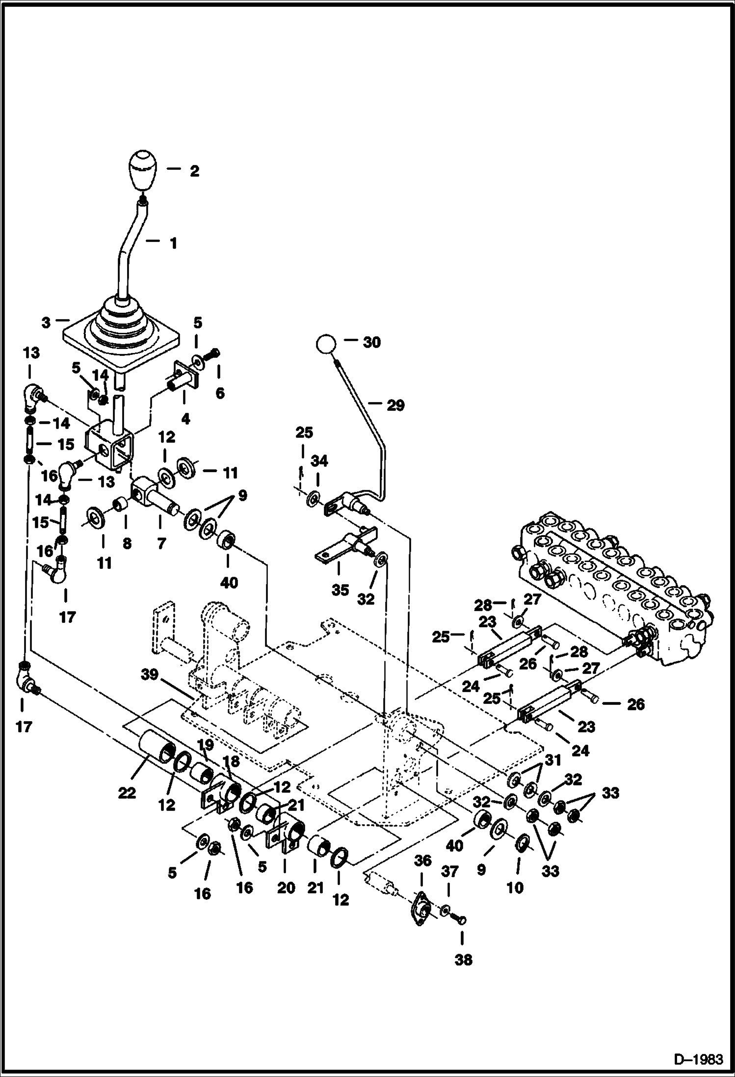
ПОВОРОТНЫЙ МЕХАНИЗМ И УСТРОЙСТВО УПРАВЛЕНИЯ РУКОЯТЬЮ (СЕРИЙНЫЙ НОМЕР 508211001 - 508211308)

ПОВОРОТНЫЙ МЕХАНИЗМ И УСТРОЙСТВО УПРАВЛЕНИЯ РУКОЯТЬЮ (СЕРИЙНЫЙ НОМЕР 508211001 - 508211308)

1Артикул: CAB, CAB See BTIE-011 NLA - assy - Same as 12000 Series - Ref. 2-10 - Also includes all items on Ill. D1916, D1976 & D1961
2Артикул: KNOB, KNOB NLA - Was 6535015 - A
3Артикул: 6533705, LEVER NLA - Was 6533705 - A
Подробнее >
ГЕНЕРАТОР ПОД ТОКОМ (СЕРИЙНЫЙ НОМЕР 508211309 И ВЫШЕ)

ГЕНЕРАТОР ПОД ТОКОМ (СЕРИЙНЫЙ НОМЕР 508211309 И ВЫШЕ)

1Артикул: 6533990, LEVER NLA - W/Ref. 2 - Was 6533990 - A
2Артикул: BUSHING, BUSHING NLA - Was 6652556 - A
3Артикул: 6533717, LEVER NLA - W/Ref. 4 - Was 6533717 - A
Подробнее >
СТРЕЛА И МЕХАНИЗМ УПРАВЛЕНИЯ КОВШОМ (СЕРИЙНЫЙ НОМЕР 508211001 - 508211308)

СТРЕЛА И МЕХАНИЗМ УПРАВЛЕНИЯ КОВШОМ (СЕРИЙНЫЙ НОМЕР 508211001 - 508211308)

1Артикул: 6533713, LEVER NLA - Was 6533713 - A
2Артикул: KNOB, KNOB See Illustration ELECTRICAL SYSTEM/ C3134 NLA - W/horn switch & wire - Was 6535009 - A
3Артикул: PIN, PIN NLA - Was 6533776 - A
Подробнее >
ПОВОРОТНЫЙ МЕХАНИЗМ И УСТРОЙСТВО УПРАВЛЕНИЯ РУКОЯТЬЮ (СЕРИЙНЫЙ НОМЕР 508211309 И ВЫШЕ)

ПОВОРОТНЫЙ МЕХАНИЗМ И УСТРОЙСТВО УПРАВЛЕНИЯ РУКОЯТЬЮ (СЕРИЙНЫЙ НОМЕР 508211309 И ВЫШЕ)

1Артикул: 6534831, LEVER NLA - Was 6534831 - A
2Артикул: KNOB, KNOB NLA - Was 6535015 - A
3Артикул: BOOT, BOOT NLA - Was 6535012 - A
Подробнее >
ГЕНЕРАТОР ПОД ТОКОМ (СЕРИЙНЫЙ НОМЕР 508211001 - 508211308)

ГЕНЕРАТОР ПОД ТОКОМ (СЕРИЙНЫЙ НОМЕР 508211001 - 508211308)

1Артикул: 6533990, LEVER NLA - Was 6533990 - A
2Артикул: 1CM1020, BOLT
3Артикул: 6EM100, WASHER
Подробнее >
ПОВОРОТ СТРЕЛЫ И РАСПРЕДЕЛИТЕЛЬ ОТВАЛОВ (СЕРИЙНЫЙ НОМЕР 508211001 - 508211308)

ПОВОРОТ СТРЕЛЫ И РАСПРЕДЕЛИТЕЛЬ ОТВАЛОВ (СЕРИЙНЫЙ НОМЕР 508211001 - 508211308)

1Артикул: 6533725, LEVER NLA - Blade - W/Ref. 17 - Was 6533725 - A
2Артикул: KNOB, KNOB NLA - Was 6535015 - A
3Артикул: 6533729, LEVER NLA - Boom swing - W/Ref. 17 - Was 6533729 - A
Подробнее >
СТРЕЛА И МЕХАНИЗМ УПРАВЛЕНИЯ КОВШОМ (СЕРИЙНЫЙ НОМЕР 508211309 И ВЫШЕ)

СТРЕЛА И МЕХАНИЗМ УПРАВЛЕНИЯ КОВШОМ (СЕРИЙНЫЙ НОМЕР 508211309 И ВЫШЕ)

1Артикул: 6533713, LEVER NLA - Was 6533713 - A
2Артикул: KNOB, KNOB NLA - Was 6535015 - A
3Артикул: BOOT, BOOT NLA - Was 6535012 - A
Подробнее >