+7 (701) 588 50 05 Телефон для связи
RU

WhatsApp

Позвонить

УСТРОЙСТВА УПРАВЛЕНИЯ в Алматы

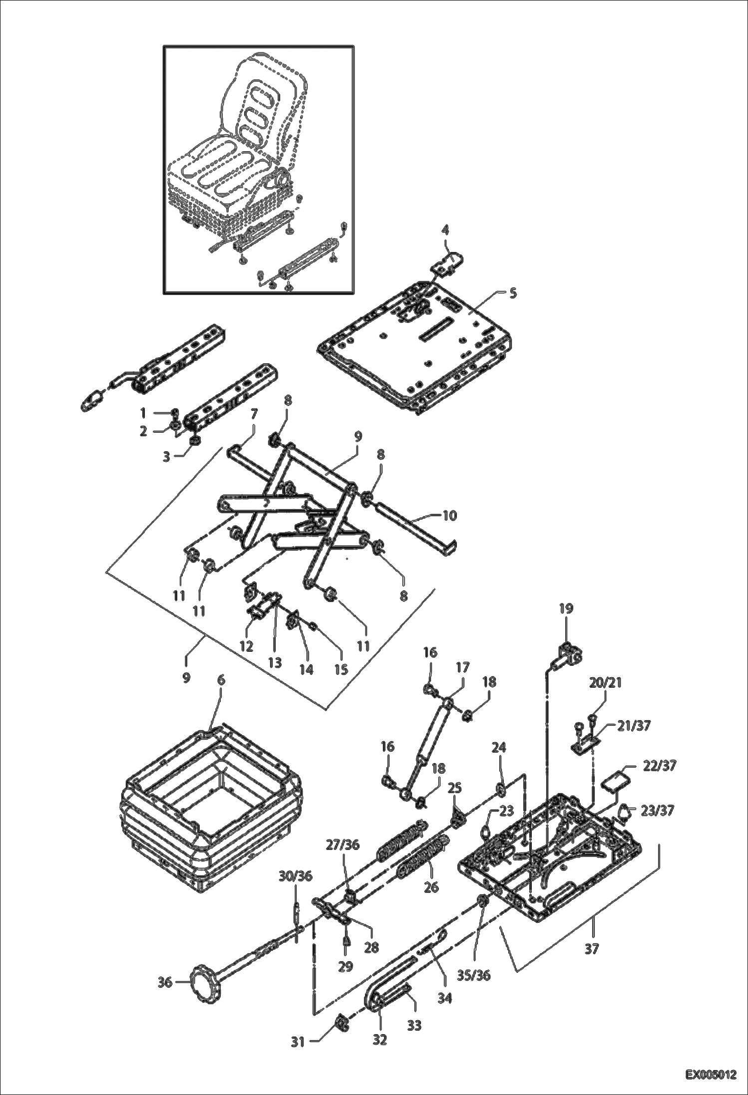
СИДЕНИЕ С ПОДВЕСКОЙ MSG 85

СИДЕНИЕ С ПОДВЕСКОЙ MSG 85

1Артикул: 1045707018, BOLT
2Артикул: 5305670200, WASHER
3Артикул: 5305670106, NUT
Подробнее >
РАМА ПОЛА (СЕРИЙНЫЙ НОМЕР ADBT11077 - ВЫШЕ)

РАМА ПОЛА (СЕРИЙНЫЙ НОМЕР ADBT11077 - ВЫШЕ)

1Артикул: 6207526102, FLOOR FRAME
2Артикул: 6207526030, COVER, CONSOLE
3Артикул: 1069707909, BOLT M 5X16
Подробнее >
СИДЕНИЕ С ПОДВЕСКОЙ MSG 95-08 (НОВАЯ ВЕРСИЯ)

СИДЕНИЕ С ПОДВЕСКОЙ MSG 95-08 (НОВАЯ ВЕРСИЯ)

1Артикул: 5305670469, COVER
2Артикул: 5305670470, CONTROL, LEVEL
3Артикул: 5305670471, SUSPENSION, UPPER PARTS W/Ref. 21
Подробнее >
РАМА ПОЛА (СЕРИЙНЫЙ НОМЕР ADBT11001 - 11076)

РАМА ПОЛА (СЕРИЙНЫЙ НОМЕР ADBT11001 - 11076)

1Артикул: 6207526002, FRAME, FLOOR
2Артикул: 6207526030, COVER, CONSOLE
3Артикул: 1125907909, BOLT
Подробнее >
СИДЕНЬЕ ВОДИТЕЛЯ MSG 85

СИДЕНЬЕ ВОДИТЕЛЯ MSG 85

1Артикул: 5305661655, ASSY, SEAT CLOTH See Illustration SEAT SUSPENSION MSG 85/ EX005012
2Артикул: 5305670188, CUSHION, SEAT BACK CLOTH W/Ref. 4
3Артикул: 5305670189, CUSHION SEAT W/Ref. 4
Подробнее >
ПОДЛОКОТНИК СИДЕНЬЯ MSG85

ПОДЛОКОТНИК СИДЕНЬЯ MSG85

1Артикул: 6190116005, SEAT CONSOLE
2Артикул: 1008707318, BOLT
3Артикул: 1212251011, NUT
Подробнее >
СИДЕНЬЕ ВОДИТЕЛЯ MSG 20

СИДЕНЬЕ ВОДИТЕЛЯ MSG 20

1Артикул: 5305661700, ASSY, SEAT CLOTH MSG 20 - W/Ref. 2-24
2Артикул: 5305670022, PAD W/Ref. 4
3Артикул: 5305670023, PAD W/Ref. 5
Подробнее >
ПОДЛОКОТНИК СИДЕНЬЯ MSG95

ПОДЛОКОТНИК СИДЕНЬЯ MSG95

1Артикул: 6190116005, SEAT CONSOLE
2Артикул: 1008707318, BOLT
3Артикул: 1343707057, WASHER
Подробнее >
СИДЕНЬЕ ВОДИТЕЛЯ С ОБОГРЕВОМ MSG 95-08 (НОВАЯ ВЕРСИЯ)

СИДЕНЬЕ ВОДИТЕЛЯ С ОБОГРЕВОМ MSG 95-08 (НОВАЯ ВЕРСИЯ)

1Артикул: 5305661790, SEAT, OPERATOR See Illustration SEAT SUSPENSION MSG 95-08/ EM7408 W/Ref. 2-37
2Артикул: 5305670202, PAD, SEAT W/Ref. 28
3Артикул: 5305670451, BACKREST, EXTENSION W/Ref. 4
Подробнее >
СИДЕНЬЕ ВОДИТЕЛЯ С ОБОГРЕВОМ MSG 95 (ПРЕДЫДУЩАЯ ВЕРСИЯ)

СИДЕНЬЕ ВОДИТЕЛЯ С ОБОГРЕВОМ MSG 95 (ПРЕДЫДУЩАЯ ВЕРСИЯ)

1Артикул: 5305661755, SEAT CPL See Illustration SEAT SUSPENSION MSG 95/ EX005014 W/Ref. 2-67
2Артикул: 5305670202, PAD, SEAT W/Ref. 3
3Артикул: 5305670315, BOLT
Подробнее >
СИДЕНИЕ С ПОДВЕСКОЙ MSG 95 (ПРЕДЫДУЩАЯ ВЕРСИЯ)

СИДЕНИЕ С ПОДВЕСКОЙ MSG 95 (ПРЕДЫДУЩАЯ ВЕРСИЯ)

1Артикул: 5305670225, SUSPENSION
2Артикул: 5305670046, COVER
3Артикул: 5305670228, WASHER
Подробнее >
ПОДЛОКОТНИК СИДЕНЬЯ MSG20

ПОДЛОКОТНИК СИДЕНЬЯ MSG20

1Артикул: 6188827095, SEAT CONSOLE
2Артикул: 6190116005, SEAT CONSOLE
3Артикул: 1008707318, BOLT
Подробнее >