+7 (701) 588 50 05 Телефон для связи
RU

WhatsApp

Позвонить

ВНЕДОРОЖНИК в Алматы

ОТВАЛ СНЕГООЧИСТИТЕЛЯ (ШЛАНГ (ОПЦИЯ)) (69-- AZGJ)

ОТВАЛ СНЕГООЧИСТИТЕЛЯ (ШЛАНГ (ОПЦИЯ)) (69-- AZGJ)

1Артикул: KIT,, KIT, HOSE NLA - Ref. 2-8 - Order components - Was 7226318 - A
2Артикул: 6624289, STRAP, TIE
3Артикул: 7246786, COUPLER, FF FEMALE See BTI433att - Was 6667803 - A
Подробнее >
ОТВАЛ СНЕГООЧИСТИТЕЛЯ (РАМА ШАССИ) (ПЕРЕДНЕЕ КРЕПЛЕНИЕ) (69-- AZGJ)

ОТВАЛ СНЕГООЧИСТИТЕЛЯ (РАМА ШАССИ) (ПЕРЕДНЕЕ КРЕПЛЕНИЕ) (69-- AZGJ)

1Артикул: SNOW, SNOW BLADE SALES #7219794 - 69-- - Ref. 2-30
2Артикул: 6594284, SPRING if equipped
3Артикул: 6673607, SPRING
Подробнее >
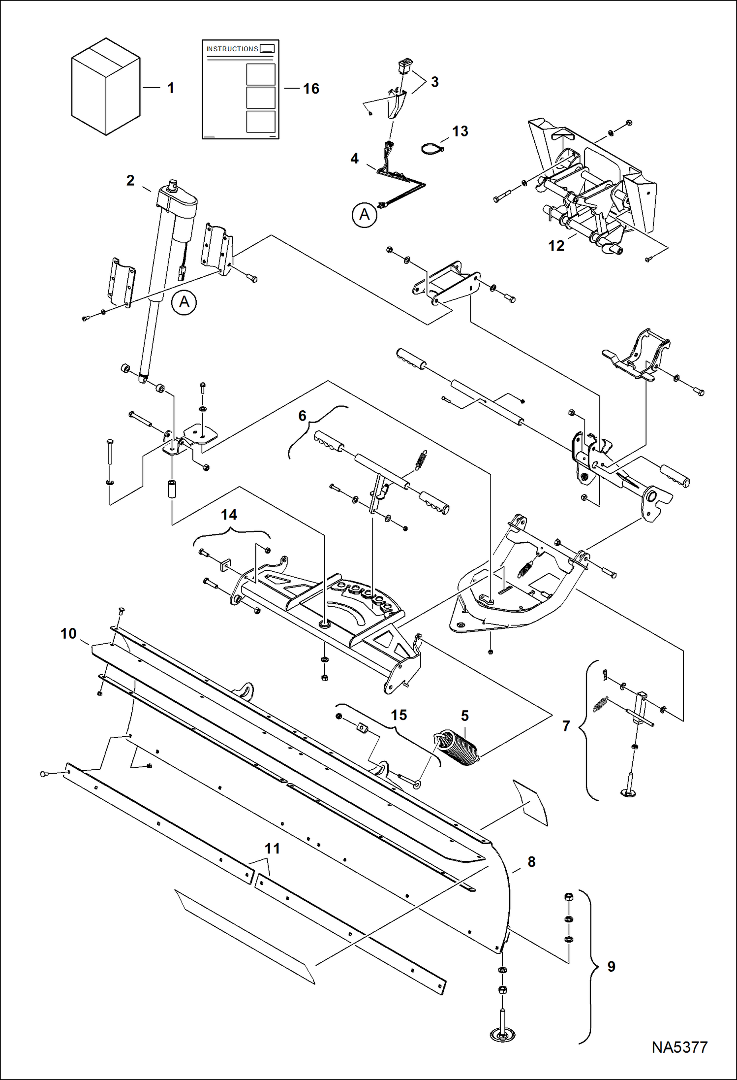
ОТВАЛ СНЕГООЧИСТИТЕЛЯ (72-- КОМПЛЕКТ ОТВАЛЬНОГО СНЕГООЧИСТИТЕЛЯ)

ОТВАЛ СНЕГООЧИСТИТЕЛЯ (72-- КОМПЛЕКТ ОТВАЛЬНОГО СНЕГООЧИСТИТЕЛЯ)

1Артикул: 7194787, KIT, SNOW PLOW 72-- Ref. 2-16 - Also Order 7193880 terminal kit if not already equipped
2Артикул: 7022049, ACTUATOR
3Артикул: 7022050, SWITCH, LIFT W/MOUNT
Подробнее >
ОТВАЛ СНЕГООЧИСТИТЕЛЯ (ЦИЛИНДР) (69-- AZGJ)

ОТВАЛ СНЕГООЧИСТИТЕЛЯ (ЦИЛИНДР) (69-- AZGJ)

1Артикул: 7199231, CYLINDER, BLADE Ref. 2-14
2Артикул: 6519328, SEAL
3Артикул: 6665208, SEAL
Подробнее >
ОТВАЛ СНЕГООЧИСТИТЕЛЯ (КОМПЛЕКТ ГИДРАВЛИЧЕСКИХ УГЛОВЫХ КРОНШТЕЙНОВ) (68-- A3H6) (2300 ВНЕДОРОЖНИК)

ОТВАЛ СНЕГООЧИСТИТЕЛЯ (КОМПЛЕКТ ГИДРАВЛИЧЕСКИХ УГЛОВЫХ КРОНШТЕЙНОВ) (68-- A3H6) (2300 ВНЕДОРОЖНИК)

1Артикул: KIT, KIT SALES #7129850 - Hydraulic Angle - Ref. 2-7 - Can be installed on Snow Blade or Whisker Broom
2Артикул: 7246790, COUPLER, FF FEMALE See BTI433att - straight - Was 6672960 - A
3Артикул: 7246777, COUPLER, FF MALE See BTI433att - straight - Was 6674688 - A
Подробнее >
ОТВАЛ СНЕГООЧИСТИТЕЛЯ (ЦИЛИНДР) (КОМПЛЕКТ ГИДРАВЛИЧЕСКИХ УГЛОВЫХ КРОНШТЕЙНОВ) (68-- A3H6) (2300 ВНЕДОРОЖНИК)

ОТВАЛ СНЕГООЧИСТИТЕЛЯ (ЦИЛИНДР) (КОМПЛЕКТ ГИДРАВЛИЧЕСКИХ УГЛОВЫХ КРОНШТЕЙНОВ) (68-- A3H6) (2300 ВНЕДОРОЖНИК)

1Артикул: 6815562, CYLINDER Ref. 2-15
2Артикул: 6815568, CASE
3Артикул: 6815563, SHAFT
Подробнее >
ОТВАЛ СНЕГООЧИСТИТЕЛЯ (КОМПЛЕКТ ЛЕЗВИЙ) (КАУЧУК И ПОЛИКОРБАНАТ) (69-- AZGJ)

ОТВАЛ СНЕГООЧИСТИТЕЛЯ (КОМПЛЕКТ ЛЕЗВИЙ) (КАУЧУК И ПОЛИКОРБАНАТ) (69-- AZGJ)

1Артикул: 7199967, KIT, EDGE RUBBER 69-- rubber - Ref. 2-6
2Артикул: 7199970, KIT, EDGE POLY 69-- polyether - Ref. 2-6
3Артикул: 7199864, EDGE, CUTTING RUBBER 69-- rubber
Подробнее >
ОТВАЛ СНЕГООЧИСТИТЕЛЯ (РАМА ШАССИ) (68-- A3H6) (2300 ВНЕДОРОЖНИК)

ОТВАЛ СНЕГООЧИСТИТЕЛЯ (РАМА ШАССИ) (68-- A3H6) (2300 ВНЕДОРОЖНИК)

1Артикул: SNOW, SNOW BLADE SALES #7127341 - Ref. 2-23
2Артикул: 7109349, MOUNT
3Артикул: 7109359, PIN
Подробнее >
ОТВАЛ СНЕГООЧИСТИТЕЛЯ (62-- КОМПЛЕКТ ОТВАЛЬНОГО СНЕГООЧИСТИТЕЛЯ) (2100 И 2200 ВНЕДОРОЖНИК)

ОТВАЛ СНЕГООЧИСТИТЕЛЯ (62-- КОМПЛЕКТ ОТВАЛЬНОГО СНЕГООЧИСТИТЕЛЯ) (2100 И 2200 ВНЕДОРОЖНИК)

1Артикул: AM10895CC, KIT, SNOW PLOW 62-- Includes snow plow, mounting kit, and switch plate kit
2Артикул: AM10889CC, PLOW
3Артикул: PLATE, PLATE NLA - pivot - Was AM10998CC - A
Подробнее >
ОТВАЛЬНЫЙ СНЕГООЧИСТИТЕЛЬ (72-- КОМПЛЕКТ ОТВАЛЬНОГО СНЕГООЧИСТИТЕЛЯ) (НАЛЕДЬ II)

ОТВАЛЬНЫЙ СНЕГООЧИСТИТЕЛЬ (72-- КОМПЛЕКТ ОТВАЛЬНОГО СНЕГООЧИСТИТЕЛЯ) (НАЛЕДЬ II)

1Артикул: 7233193, KIT, SNOW PLOW 72-- Ref. 2-7
2Артикул: 7028235, BLADE, SNOW PLOW kit - Ref. 32-38
3Артикул: 7028236, MOUNT, SNOW PLOW kit - Ref. 11, 39, 60 & 61
Подробнее >
ОТВАЛ СНЕГООЧИСТИТЕЛЯ (ПРЕДУПРЕЖДАЮЩИЕ ТАБЛИЧКИ) (БЕЗ ТЕКСТА) (69-- AZGJ)

ОТВАЛ СНЕГООЧИСТИТЕЛЯ (ПРЕДУПРЕЖДАЮЩИЕ ТАБЛИЧКИ) (БЕЗ ТЕКСТА) (69-- AZGJ)

1Артикул: 6583862, DECAL, WARNING
2Артикул: 7199690, DECAL, WARNING stand
3Артикул: 6700191, DECAL, LOGO BOBCAT HEAD
Подробнее >