+7 (701) 588 50 05 Телефон для связи
RU

WhatsApp

Позвонить

ЗАПЧАСТИ ДВИГАТЕЛЯ в Алматы

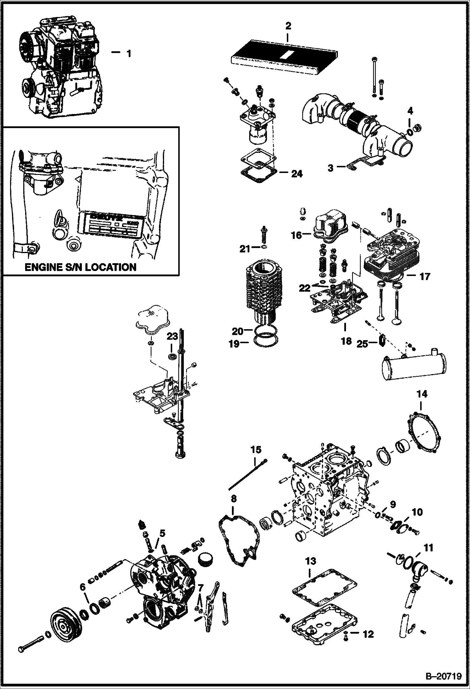
ДВИГАТЕЛЬ И КРЕПЕЖНЫЕ ДЕТАЛИ (DEUTZ 511 - СЕРИЙНЫЙ НОМЕР 14001 И ВЫШЕ)

ДВИГАТЕЛЬ И КРЕПЕЖНЫЕ ДЕТАЛИ (DEUTZ 511 - СЕРИЙНЫЙ НОМЕР 14001 И ВЫШЕ)

1Артикул: 1CM820, BOLT Was 4CM820 - A
2Артикул: 6565167, SHIELD
3Артикул: 1CM830, BOLT
Подробнее >
ДВИГАТЕЛЬ И КОМПЛЕКТ ПРОКЛАДОК (DEUTZ 411)

ДВИГАТЕЛЬ И КОМПЛЕКТ ПРОКЛАДОК (DEUTZ 411)

1Артикул: ENGINE, ENGINE NLA - Deutz 411 - Complete Engine Not Available - Order replacement parts as required
2Артикул: 6512685, GASKET KIT Overhaul - Also Order (1) 6516000 Crankshaft Seal
3Артикул: 6512621, GASKET See Illustration MANIFOLDS/ B20748
Подробнее >
ЗАЩИТНЫЙ КОЖУХ ДВИГАТЕЛЯ (DEUTZ 511 - СЕРИЙНЫЙ НОМЕР 14001 И ВЫШЕ)

ЗАЩИТНЫЙ КОЖУХ ДВИГАТЕЛЯ (DEUTZ 511 - СЕРИЙНЫЙ НОМЕР 14001 И ВЫШЕ)

1Артикул: 6563451, MOULDING
2Артикул: 6561698, SHIELD
3Артикул: 84G3716, SCREW 5
Подробнее >
РАСПРЕДЕЛИТЕЛЬНЫЙ ВАЛ И КУЛАЧОК ПОДЪЕМА КЛАПАНА (DEUTZ 411)

РАСПРЕДЕЛИТЕЛЬНЫЙ ВАЛ И КУЛАЧОК ПОДЪЕМА КЛАПАНА (DEUTZ 411)

1Артикул: 6516053, COVER
2Артикул: 6EM100, WASHER
3Артикул: 6516059, O-RING
Подробнее >
ВОЗДУХОДУВКА (DEUTZ 411)

ВОЗДУХОДУВКА (DEUTZ 411)

1Артикул: PULLEY, PULLEY NLA - Was 6516136 - A
2Артикул: 6512625, RING
3Артикул: 6516127, BEARING
Подробнее >
РАСПРЕДЕЛИТЕЛЬНЫЙ ВАЛ, КЛАПАН И ПОДЪЕМНОЕ УСТРОЙСТВО (DEUTZ 511)

РАСПРЕДЕЛИТЕЛЬНЫЙ ВАЛ, КЛАПАН И ПОДЪЕМНОЕ УСТРОЙСТВО (DEUTZ 511)

1Артикул: 6513874, SUPPORT
2Артикул: 6513859, STUD
3Артикул: PIN, PIN NSS
Подробнее >
ВОЗДУХООЧИСТИТЕЛЬ (DEUTZ 411)

ВОЗДУХООЧИСТИТЕЛЬ (DEUTZ 411)

1Артикул: 6555271, AIR CLEANER Ref. 2 - 8
2Артикул: 6554912, AIR CLEANER See BTI134 NLA - Ref. 2 - 8 - Was 6554912 - A
3Артикул: TANK, TANK NLA
Подробнее >
ВОЗДУШНЫЙ КОЖУХ (DEUTZ 411)

ВОЗДУШНЫЙ КОЖУХ (DEUTZ 411)

1Артикул: 1CM612, BOLT Was 4CM612 - A
2Артикул: 13GM6010, SCREW
3Артикул: 6517840, SHIELD
Подробнее >
ДВИГАТЕЛЬ И КРЕПЕЖНЫЕ ДЕТАЛИ (DEUTZ 411)

ДВИГАТЕЛЬ И КРЕПЕЖНЫЕ ДЕТАЛИ (DEUTZ 411)

1Артикул: AIR, AIR CLEANER See Illustration AIR CLEANER/ B17728
2Артикул: 6512894, NUT
3Артикул: 17C512, BOLT 5
Подробнее >
ВОЗДУХОДУВКА (DEUTZ 511)

ВОЗДУХОДУВКА (DEUTZ 511)

1Артикул: PULLEY, PULLEY W/Shaft NLA - Was 6513792 - A
2Артикул: 6630285, PULLEY
3Артикул: 6516137, BEARING
Подробнее >
БЛОК ЦИЛИНДРОВ (DEUTZ 411)

БЛОК ЦИЛИНДРОВ (DEUTZ 411)

1Артикул: 6515954, GASKET
2Артикул: 6515955, BEARING main - Std. - One Bearing
3Артикул: 6515956, BEARING main - .020 - One Bearing
Подробнее >
ДРОССЕЛЬНАЯ ЗАСЛОНКА (DEUTZ 511)

ДРОССЕЛЬНАЯ ЗАСЛОНКА (DEUTZ 511)

1Артикул: 81D6, NUT hex
2Артикул: 61D6, NUT 5 hex
3Артикул: 6505623, WASHER
Подробнее >
МАСЛОНАСОС ДВИГАТЕЛЯ (DEUTZ 411)

МАСЛОНАСОС ДВИГАТЕЛЯ (DEUTZ 411)

1Артикул: OIL, OIL PUMP NLA - Was 6511353 - A
2Артикул: 6516074, SLEEVE
3Артикул: 6516073, NUT
Подробнее >
КОЛЕНЧАТЫЙ ВАЛ, ПОРШЕНЬ И МАХОВИК (DEUTZ 511)

КОЛЕНЧАТЫЙ ВАЛ, ПОРШЕНЬ И МАХОВИК (DEUTZ 511)

1Артикул: 6513839, BEARING rod (52 mm Std.) - one bearing
2Артикул: 6513842, BEARING rod (51.5 mm) - one bearing
3Артикул: 6513870, BEARING rod (51.0 mm) - one bearing
Подробнее >
ДВИГАТЕЛЬ И КОМПЛЕКТ ПРОКЛАДОК (DEUTZ F2L-511)

ДВИГАТЕЛЬ И КОМПЛЕКТ ПРОКЛАДОК (DEUTZ F2L-511)

1Артикул: ENGINE, ENGINE See BTI168 NLA - Deutz 511
2Артикул: ENGINE, ENGINE NLA - Includes intake manifold, exhaust manifold, oil filter & fuel lift pump - Does Not Include muffler, air cleaner, fuel filters, alternator, belts, flywheel & starter - Order Reman 6561719 REM - Was 6561719 - A
3Артикул: ENGINE,, ENGINE, DEUTZ F2L511 NLA - Was 6561719REM - A
Подробнее >
РЫЧАГ ДРОССЕЛЬНОЙ ЗАСЛОНКИ И РЕГУЛЯТОРА ОБОРОТОВ (DEUTZ 411)

РЫЧАГ ДРОССЕЛЬНОЙ ЗАСЛОНКИ И РЕГУЛЯТОРА ОБОРОТОВ (DEUTZ 411)

1Артикул: 4CM850, BOLT
2Артикул: 1DM8, NUT
3Артикул: 4CM650, HEX BOLT
Подробнее >
БЛОК ЦИЛИНДРОВ (DEUTZ 511)

БЛОК ЦИЛИНДРОВ (DEUTZ 511)

1Артикул: 6513751, BEARING 64 mm (Std.) - One Bearing
2Артикул: 6513758, BEARING 63.5 mm - One Bearing
3Артикул: 6513759, BEARING 63 mm - One Bearing
Подробнее >
ПЕРЕДНЯЯ КРЫШКА (DEUTZ 511)

ПЕРЕДНЯЯ КРЫШКА (DEUTZ 511)

1Артикул: 6511935, CAP rack adjustment
2Артикул: NUT, NUT NLA - Was 33DM00080B - A
3Артикул: 1FM80115, WASHER
Подробнее >
ПЕРЕДНЯЯ КРЫШКА (DEUTZ 411)

ПЕРЕДНЯЯ КРЫШКА (DEUTZ 411)

1Артикул: 6511935, CAP rack adjustment
2Артикул: 1FM80115, WASHER
3Артикул: 32DM80, NUT
Подробнее >
ВОЗДУХООЧИСТИТЕЛЬ (DEUTZ 511 - ДВА ЭЛЕМЕНТА)

ВОЗДУХООЧИСТИТЕЛЬ (DEUTZ 511 - ДВА ЭЛЕМЕНТА)

1Артикул: 6598373, AIR CLEANER Ref. 2 - 8
2Артикул: TANK, TANK NLA
3Артикул: 6598491, CARTRIDGE See BTI170
Подробнее >
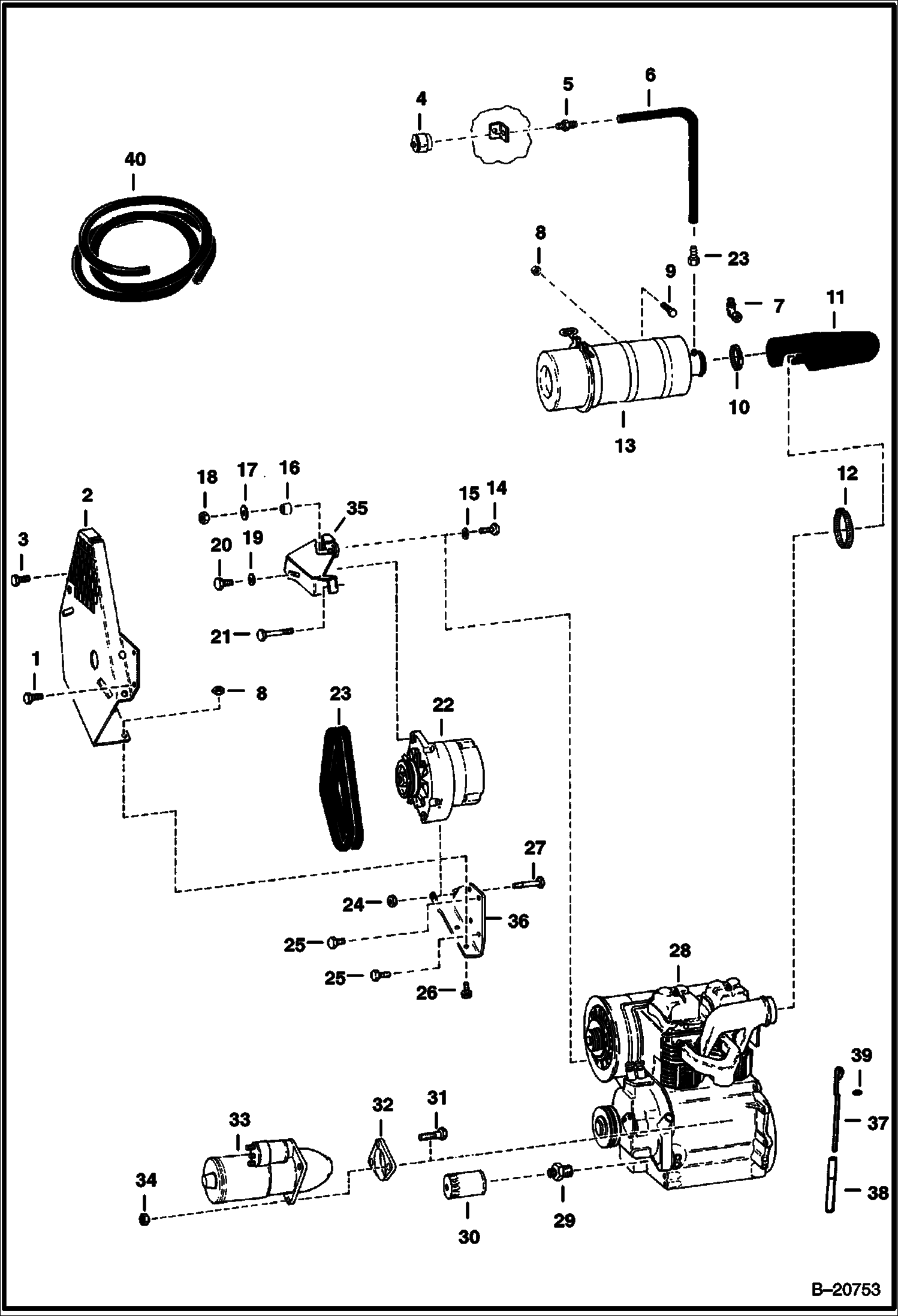
ФИЛЬТР ДЛЯ ТОПЛИВА

ФИЛЬТР ДЛЯ ТОПЛИВА

1Артикул: 6560348, FITLER, FUEL ASSY Ref. 2-11
2Артикул: 1C432, SCREW Was 6598227 - A
3Артикул: 6598226, WASHER
Подробнее >
МАСЛОНАСОС ДВИГАТЕЛЯ (DEUTZ 511)

МАСЛОНАСОС ДВИГАТЕЛЯ (DEUTZ 511)

1Артикул: 6513810, OIL PUMP
2Артикул: 6516074, SLEEVE
3Артикул: 6516073, NUT
Подробнее >
ВОЗДУХОЗАБОРНЫЙ КОЛЛЕКТОР (DEUTZ 511)

ВОЗДУХОЗАБОРНЫЙ КОЛЛЕКТОР (DEUTZ 511)

1Артикул: 1KM10, PLUG
2Артикул: 2FM10135, SEAL RING
3Артикул: 1KM22, PLUG
Подробнее >
ДВИГАТЕЛЬ И КРЕПЕЖНЫЕ ДЕТАЛИ (DEUTZ 511 - СЕРИЙНЫЙ НОМЕР 13999 И НИЖЕ)

ДВИГАТЕЛЬ И КРЕПЕЖНЫЕ ДЕТАЛИ (DEUTZ 511 - СЕРИЙНЫЙ НОМЕР 13999 И НИЖЕ)

1Артикул: AIR, AIR CLEANER See Illustration AIR CLEANER/ B20771 See Illustration AIR CLEANER/ B17728A
2Артикул: 6512894, NUT
3Артикул: 17C512, BOLT 5
Подробнее >
КОЛЕНЧАТЫЙ ВАЛ, ПОРШЕНЬ И МАХОВИК (DEUTZ 411)

КОЛЕНЧАТЫЙ ВАЛ, ПОРШЕНЬ И МАХОВИК (DEUTZ 411)

1Артикул: ROD, ROD NLA -connecting - W/Ref. 2, 18 & 19 - Was 6511610 - A
2Артикул: 6516096, BUSHING
3Артикул: 6511342, RING SET Std. - For One Piston
Подробнее >
ВОЗДУШНЫЙ КОЖУХ (DEUTZ 511)

ВОЗДУШНЫЙ КОЖУХ (DEUTZ 511)

1Артикул: 6513903, SHIELD
2Артикул: 1DM8, NUT
3Артикул: 9EM80, WSHR PLTE
Подробнее >
КАРДАННЫЙ ШАРНИР (DEUTZ 511)

КАРДАННЫЙ ШАРНИР (DEUTZ 511)

1Артикул: 6598347, U-JOINT W/Ref. 2-4, 9 & 12
2Артикул: 6598303, SPIDER rear
3Артикул: 5202123, COUPLING
Подробнее >
ДРОССЕЛЬНАЯ ЗАСЛОНКА (DEUTZ 411)

ДРОССЕЛЬНАЯ ЗАСЛОНКА (DEUTZ 411)

1Артикул: 81D6, NUT
2Артикул: 61D6, NUT 5
3Артикул: 6505623, WASHER
Подробнее >
СИСТЕМА ПОДАЧИ ТОПЛИВА (DEUTZ 411)

СИСТЕМА ПОДАЧИ ТОПЛИВА (DEUTZ 411)

1Артикул: 3GM1050, SCREW Was 4GM01050B - A
2Артикул: 6515969, WASHER
3Артикул: CAP, CAP NLA - Was 6511840 - A
Подробнее >
БЛОК ЦИЛИНДРОВ И ГОЛОВКИ (DEUTZ 411)

БЛОК ЦИЛИНДРОВ И ГОЛОВКИ (DEUTZ 411)

1Артикул: HEAD, HEAD NLA - Complete - Was 6511345 - A
2Артикул: 36DM8, CAP NUT acorn
3Артикул: 1FM80115, WASHER
Подробнее >
КОЛЛЕКТОРЫ (DEUTZ 411)

КОЛЛЕКТОРЫ (DEUTZ 411)

1Артикул: 6512618, MANIFOLD intake
2Артикул: 42H56, CLAMP
3Артикул: 3GM8130, BOLT Was 1GM08130B - A
Подробнее >
ЗАЩИТНЫЙ КОЖУХ ДВИГАТЕЛЯ (DEUTZ 411)

ЗАЩИТНЫЙ КОЖУХ ДВИГАТЕЛЯ (DEUTZ 411)

1Артикул: MOULDING, MOULDING NLA - 9.3 in. (23,4 mm) Long - Order Ref. 13 - Was 6558316 - A
2Артикул: 6558200, SHIELD
3Артикул: 84G3712, BOLT 5
Подробнее >
ВОЗДУХООЧИСТИТЕЛЬ (DEUTZ 511 - ЕДИНЫЙ ЭЛЕМЕНТ)

ВОЗДУХООЧИСТИТЕЛЬ (DEUTZ 511 - ЕДИНЫЙ ЭЛЕМЕНТ)

1Артикул: AIR, AIR CLEANER NLA - Ref. 2 - 8 - Was 6554912 - A
2Артикул: TANK, TANK NLA
3Артикул: 6598491, CARTRIDGE See BTI170
Подробнее >
СИСТЕМА ПОДАЧИ ТОПЛИВА (DEUTZ 511)

СИСТЕМА ПОДАЧИ ТОПЛИВА (DEUTZ 511)

1Артикул: 6513802, CAP
2Артикул: 6513803, INJECTOR W/Ref. 3
3Артикул: 6513804, NOZZLE
Подробнее >
ЗАЩИТНЫЙ КОЖУХ ДВИГАТЕЛЯ (DEUTZ 511 - СЕРИЙНЫЙ НОМЕР 13999 И НИЖЕ)

ЗАЩИТНЫЙ КОЖУХ ДВИГАТЕЛЯ (DEUTZ 511 - СЕРИЙНЫЙ НОМЕР 13999 И НИЖЕ)

1Артикул: 6558316, MOULDING
2Артикул: 6559743, SHIELD
3Артикул: 84G3712, BOLT 5
Подробнее >
ЦИЛИНДР И ГОЛОВКИ (DEUTZ 511)

ЦИЛИНДР И ГОЛОВКИ (DEUTZ 511)

1Артикул: 6513812, HEAD complete
2Артикул: 3725137, GASKET
3Артикул: 6513866, COVER
Подробнее >
РЫЧАГ ДРОССЕЛЬНОЙ ЗАСЛОНКИ И РЕГУЛЯТОРА ОБОРОТОВ (DEUTZ 511)

РЫЧАГ ДРОССЕЛЬНОЙ ЗАСЛОНКИ И РЕГУЛЯТОРА ОБОРОТОВ (DEUTZ 511)

1Артикул: 6511829, PLUG
2Артикул: 4CM870, BOLT
3Артикул: 1DM8, NUT
Подробнее >
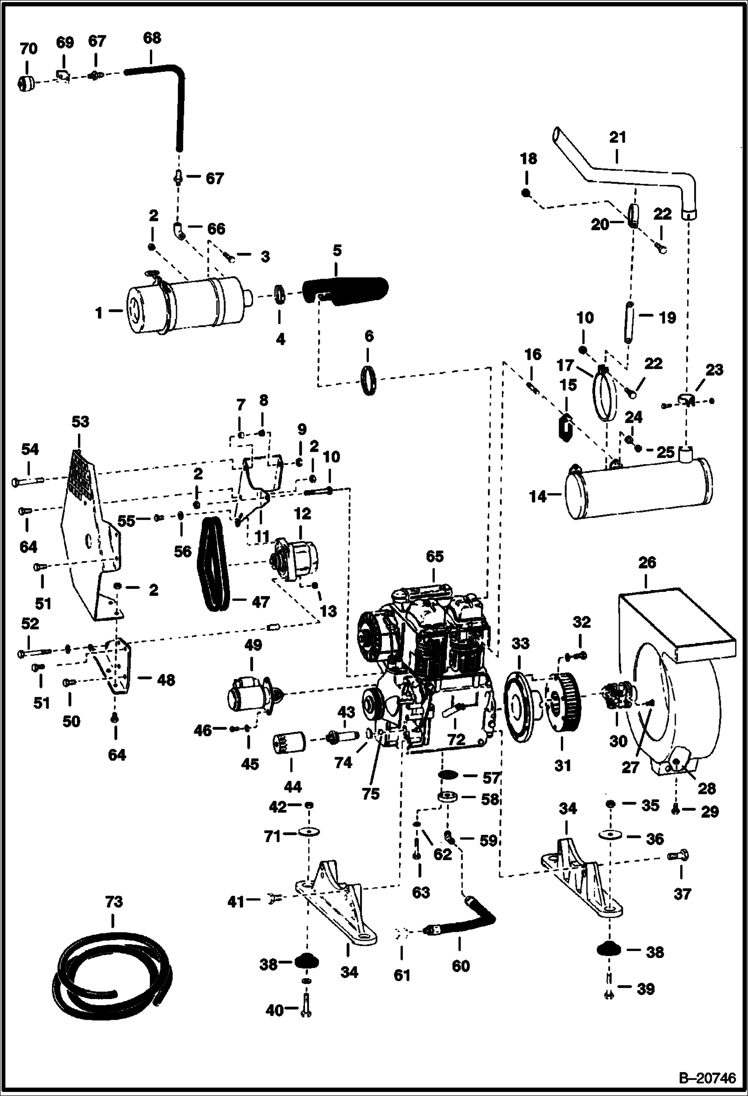
ВЫХЛОПНОЙ ТРУБОПРОВОД ДВИГАТЕЛЯ (DEUTZ 511)

ВЫХЛОПНОЙ ТРУБОПРОВОД ДВИГАТЕЛЯ (DEUTZ 511)

1Артикул: MANIFOLD, MANIFOLD NLA - exhaust - Was 6513901 - A
2Артикул: 4103270, GASKET
3Артикул: 6517837, STUD
Подробнее >
КАРДАННЫЙ ШАРНИР (DEUTZ 411)

КАРДАННЫЙ ШАРНИР (DEUTZ 411)

1Артикул: 6598347, U-JOINT W/Ref. 2-4, 9 & 12
2Артикул: 6598303, SPIDER rear
3Артикул: 5202123, COUPLING
Подробнее >
ОХЛАДИТЕЛЬ СМАЗОЧНОГО МАСЛА (DEUTZ 511)

ОХЛАДИТЕЛЬ СМАЗОЧНОГО МАСЛА (DEUTZ 511)

1Артикул: 1CM616, SCREW Was 4CM616 - A
2Артикул: 9EM60, WASHER
3Артикул: 6513768, BRACKET
Подробнее >