ЗАПЧАСТИ ДВИГАТЕЛЯ в Алматы
ДЕРЖАТЕЛЬ ФОРСУНКИ В СБОРЕ
1Артикул: 7000227, HOLDER, NOZZLE
2Артикул: 6694765, SHIELD HEAT
3Артикул: 6694764, GASKET
ТАБЛИЧКА РЕГУЛЯТОРА СКОРОСТИ В СБОРЕ
1Артикул: 7002039, BOLT, ADJUSTING
2Артикул: 6696251, NUT
3Артикул: 6695953, GASKET
ПОДДОН КАРТЕРА В СБОРЕ
1Артикул: 7002815, PAN, OIL W/Ref. 5 & 6 - Was 7002965
2Артикул: 7002813, GASKET, PAN OIL ENG
3Артикул: 6697072, BOLT FLANGE
ПОРШЕНЬ И ВАЛ КРИВОШИПА В СБОРЕ
1Артикул: PISTON,, PISTON, ENG NLA - Order Ref. 2 & 3 - Was 7002151 - A
2Артикул: 7002150, PISTON, ENG
3Артикул: 7000236, PIN, PISTON
ВОДЯНОЙ ШЛАНГ В СБОРЕ
1Артикул: 6697226, FLANGE WATER
2Артикул: 6697242, GASKET
3Артикул: 6695569, BOLT FLANGE Was 6697055 - B
ВОДЯНОЙ НАСОС
1Артикул: 7002448, PUMP, WATER assy - Ref. 2-6
2Артикул: HOUSING,, HOUSING, PUMP WATER NLA - Order Ref. 1
3Артикул: 6695453, BEARING, PUMP WATER
ПЛЕЧО КОРОМЫСЛА КЛАПАНА В СБОРЕ
1Артикул: 6696154, VALVE, INTAKE
2Артикул: 6695896, VALVE EXHAUST
3Артикул: 6696888, SPRING VALVE
КАРТЕР КОРОБКИ ПЕРЕДАЧ
1Артикул: 7002198, HOUSING, GEAR ASSY Ref. 2, 3, 7-10, 12-19 & 26-31
2Артикул: 7002201, HOUSING, GEARCASE
3Артикул: 6694756, PLUG
ДРОССЕЛЬНАЯ ЗАСЛОНКА В СБОРЕ
1Артикул: 7002426, LEVER, THROTTLE
2Артикул: 6696206, DISC, FRICTION
3Артикул: 6694081, WASHER PLAIN
БЛОК ЦИЛИНДРОВ В СБОРЕ
1Артикул: 7010308, ENGINE, DAEDONG 4B243LWH
2Артикул: 6694757, PLUG
3Артикул: 6694758, PLUG
ГЕНЕРАТОР ПЕРЕМЕННОГО ТОКА В СБОРЕ
1Артикул: 6695295, ALTERNATOR
2Артикул: 6696698, SPACER
3Артикул: 6693994, BOLT
ГЛУШИТЕЛЬ В СБОРЕ
1Артикул: 7002922, MUFFLER, EXHAUST
2Артикул: 6697250, GASKET
3Артикул: 4CM822, BOLT Was 6697055 - A
ГОЛОВКА ЦИЛИНДРА В СБОРЕ
1Артикул: 7002975, HEAD, CYL ENG W/Ref. 2-7
2Артикул: 6695695, CAP SEALING
3Артикул: 6694304, CAP SEALING
РЕГУЛЯТОР ОБОРОТОВ
1Артикул: 6695329, LEVER GOVERNOR
2Артикул: 7002971, LEVER, GOVERNOR ASSY
3Артикул: 6693966, BOLT
РЫЧАГ ОСТАНОВА ДВИГАТЕЛЯ В СБОРЕ
1Артикул: 6696733, SPRING
2Артикул: 6696623, SHAFT, IDLE ADJUST
3Артикул: 6697120, BUSHING
ВОЗДУХООЧИСТИТЕЛЬ В СБОРЕ
1Артикул: 7001980, FILTER, AIR CLEANER ASSY Ref. 2-5
2Артикул: 6695356, HOUSING, AIR CLEANER
3Артикул: 6666334, FILTER, AIR INNER Was 6697220 - A
ФРИКЦИОН В СБОРЕ
1Артикул: 7002181, DISC, FRICTION
2Артикул: 6694172, PIN STRAIGHT
3Артикул: 6697053, BOLT
КОМПЛЕКТ ОСНОВНОГО КОРПУСА ПОДШИПНИКА
1Артикул: 7002269, HOUSING, MAIN BRG W/Ref. 2 & 13
2Артикул: 6695568, BOLT BEARING CASE 1
3Артикул: 6695957, GASKET BEARING CASE
РАСПРЕДЕЛИТЕЛЬНЫЙ ВАЛ В СБОРЕ
1Артикул: 6696828, TAPPET
2Артикул: 7002327, ROD, PUSH
3Артикул: 7002830, CAMSHAFT, VALVE Was 7002974 - A
МАХОВИК В СБОРЕ
1Артикул: 7002837, FLYWHEEL, ENG ASSY W/Ref. 2
2Артикул: 7002847, GEAR, RING STARTER
3Артикул: 7002177, BOLT, FLYWHEEL
КОЛЛЕКТОР В СБОРЕ
1Артикул: 7002818, MANIFOLD, INTAKE
2Артикул: 6697147, CONNECTOR, AIR BREATHER
3Артикул: 7002819, GASKET, MANIFOLD INTAKE
ТОПЛИВНЫЙ РАСПРЕДЕЛИТЕЛЬНЫЙ ВАЛ В СБОРЕ
1Артикул: 7002968, CAMSHAFT, FUEL
2Артикул: 7002055, BEARING, BALL
3Артикул: 6696168, KEY
КРЫШКА, ГОЛОВКА ЦИЛИНДРА
1Артикул: 7002844, COVER, HEAD CYL ENG Ref. 2-8
2Артикул: 7002845, COVER, HEAD CYL ENG
3Артикул: 7002839, GASKET, COVER HEAD CYL
РАДИАТОР В СБОРЕ
1Артикул: 7013126, EXCHANGER, WATER RADIATOR W/Ref. 47 - Was 7002450 - A
2Артикул: 7002963, SHROUD, FAN
3Артикул: 7002622, PLATE
МАХОВИК В СБОРЕ
1Артикул: 7002837, FLYWHEEL, ENG ASSY W/Ref. 2
2Артикул: 7002847, GEAR, RING STARTER
3Артикул: 7002177, BOLT, FLYWHEEL
ВОДЯНОЙ НАСОС
1Артикул: 7002448, PUMP, WATER assy - Ref. 2-6
2Артикул: HOUSING,, HOUSING, PUMP WATER NLA - Order Ref. 1
3Артикул: 6695453, BEARING, PUMP WATER
РАДИАТОР В СБОРЕ
1Артикул: 7013126, EXCHANGER, WATER RADIATOR W/Ref. 49 - Was 7002450 - A
2Артикул: 7002963, SHROUD, FAN
3Артикул: 7003087, PLATE
РЫЧАГ ОСТАНОВА ДВИГАТЕЛЯ В СБОРЕ
1Артикул: 6696733, SPRING
2Артикул: 6696623, SHAFT, IDLE ADJUST
3Артикул: 6697120, BUSHING
ПОРШЕНЬ И ВАЛ КРИВОШИПА В СБОРЕ
1Артикул: PISTON,, PISTON, ENG NLA - Order Ref. 2 & 3 - Was 7002151 - A
2Артикул: 7002150, PISTON, ENG
3Артикул: 7000236, PIN, PISTON
ПОДДОН КАРТЕРА В СБОРЕ
1Артикул: 7002815, PAN, OIL W/Ref. 5 & 6 - Was 7002965
2Артикул: 7002813, GASKET, PAN OIL ENG
3Артикул: 6697072, BOLT FLANGE
ВОЗДУХООЧИСТИТЕЛЬ В СБОРЕ
1Артикул: 7001980, FILTER, AIR CLEANER ASSY Ref. 2-5
2Артикул: 6666334, FILTER, AIR INNER
3Артикул: 6666333, FILTER, AIR OUTER
ГЕНЕРАТОР ПЕРЕМЕННОГО ТОКА В СБОРЕ
1Артикул: 6695295, ALTERNATOR
2Артикул: 6696698, SPACER
3Артикул: 6693994, BOLT
ДРОССЕЛЬНАЯ ЗАСЛОНКА В СБОРЕ
1Артикул: 7002426, LEVER, THROTTLE
2Артикул: 6696206, DISC, FRICTION
3Артикул: 6694081, WASHER PLAIN
КОНДИЦИОНЕР КРОНШТЕЙНА В СБОРЕ
1Артикул: 7003439, BRACKET, COMPRESSOR
2Артикул: 6697056, BOLT
3Артикул: 6697053, BOLT
КРЫШКА ГОЛОВКИ ЦИЛИНДРА В СБОРЕ
1Артикул: 7002844, COVER, HEAD CYL ENG Ref. 2-8
2Артикул: 7002845, COVER, HEAD CYL ENG
3Артикул: 7002839, GASKET, COVER HEAD CYL
ФРИКЦИОН В СБОРЕ
1Артикул: 7002181, DISC, FRICTION
2Артикул: 6694172, PIN STRAIGHT
3Артикул: 6697053, BOLT
ТАБЛИЧКА РЕГУЛЯТОРА СКОРОСТИ В СБОРЕ
1Артикул: 7002039, BOLT, ADJUSTING
2Артикул: 6696251, NUT
3Артикул: 6695953, GASKET
ПОДШИПНИК КОЛЕНЧАТОГО ВАЛА
1Артикул: 7002269, HOUSING, MAIN BRG W/Ref. 2 & 13
2Артикул: 6695568, BOLT BEARING CASE 1
3Артикул: 6695957, GASKET BEARING CASE
ГЛУШИТЕЛЬ В СБОРЕ
1Артикул: 7002922, MUFFLER, EXHAUST
2Артикул: 6697250, GASKET
3Артикул: 4CM822, BOLT Was 6697055 - A
КАРТЕР КОРОБКИ ПЕРЕДАЧ
1Артикул: 7002198, HOUSING, GEAR ASSY Ref. 2, 3, 7-10, 12-19 & 26-31
2Артикул: 7002201, HOUSING, GEARCASE
3Артикул: 6694756, PLUG
ПЛЕЧО КОРОМЫСЛА КЛАПАНА В СБОРЕ
1Артикул: 6696154, VALVE, INTAKE
2Артикул: 6695896, VALVE EXHAUST
3Артикул: 6696888, SPRING VALVE
РАСПРЕДЕЛИТЕЛЬНЫЙ ВАЛ В СБОРЕ
1Артикул: 6696828, TAPPET
2Артикул: 7002327, ROD, PUSH
3Артикул: 7002830, CAMSHAFT, VALVE
РЕГУЛЯТОР ОБОРОТОВ
1Артикул: 6695329, LEVER GOVERNOR
2Артикул: 7002971, LEVER, GOVERNOR ASSY
3Артикул: 6693966, BOLT
БЛОК ЦИЛИНДРОВ В СБОРЕ
1Артикул: 7010309, ENGINE, DAEDONG 4B243LWH-K
2Артикул: 6694757, PLUG
3Артикул: 6694758, PLUG
КОЛЛЕКТОР В СБОРЕ
1Артикул: 7002818, MANIFOLD, INTAKE
2Артикул: 6697147, CONNECTOR, AIR BREATHER
3Артикул: 7002819, GASKET, MANIFOLD INTAKE
ГОЛОВКА ЦИЛИНДРА В СБОРЕ
1Артикул: 7002975, HEAD, CYL ENG W/Ref. 2-7
2Артикул: 6695695, CAP SEALING
3Артикул: 6694304, CAP SEALING
ДЕРЖАТЕЛЬ ФОРСУНКИ В СБОРЕ
1Артикул: 7000227, HOLDER, NOZZLE
2Артикул: 6694765, SHIELD HEAT
3Артикул: 6694764, GASKET
ТОПЛИВНЫЙ РАСПРЕДЕЛИТЕЛЬНЫЙ ВАЛ В СБОРЕ
1Артикул: 7002968, CAMSHAFT, FUEL
2Артикул: 7002055, BEARING, BALL
3Артикул: 6696168, KEY
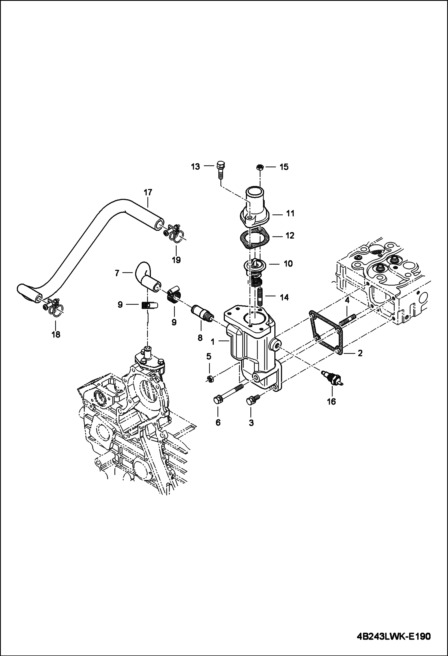
ВОДЯНОЙ ШЛАНГ В СБОРЕ
1Артикул: 7010303, FLANGE, WATER
2Артикул: 6697242, GASKET
3Артикул: 6695569, BOLT FLANGE Was 6697055 - B