+7 (701) 588 50 05 Телефон для связи
RU

WhatsApp

Позвонить

ЗАПЧАСТИ ДВИГАТЕЛЯ в Алматы

КРЕПЕЖНЫЕ ДЕТАЛИ (ВОЗДУХООЧИСТИТЕЛЬ, ГЛУШИТЕЛЬ, КРЕПЛЕНИЕ ДВИГАТЕЛЯ)

КРЕПЕЖНЫЕ ДЕТАЛИ (ВОЗДУХООЧИСТИТЕЛЬ, ГЛУШИТЕЛЬ, КРЕПЛЕНИЕ ДВИГАТЕЛЯ)

1Артикул: 6692567, ENGINE, V1505-E3B-BC-2
2Артикул: 6515007, GAUGE
3Артикул: 6670757, COUPLER
Подробнее >
ВОДЯНОЙ ФЛАНЕЦ И ТЕРМОСТАТ

ВОДЯНОЙ ФЛАНЕЦ И ТЕРМОСТАТ

1Артикул: 6672482, FLANGE W/Ref. 2
2Артикул: 6670785, PIPE
3Артикул: 6657583, GASKET
Подробнее >
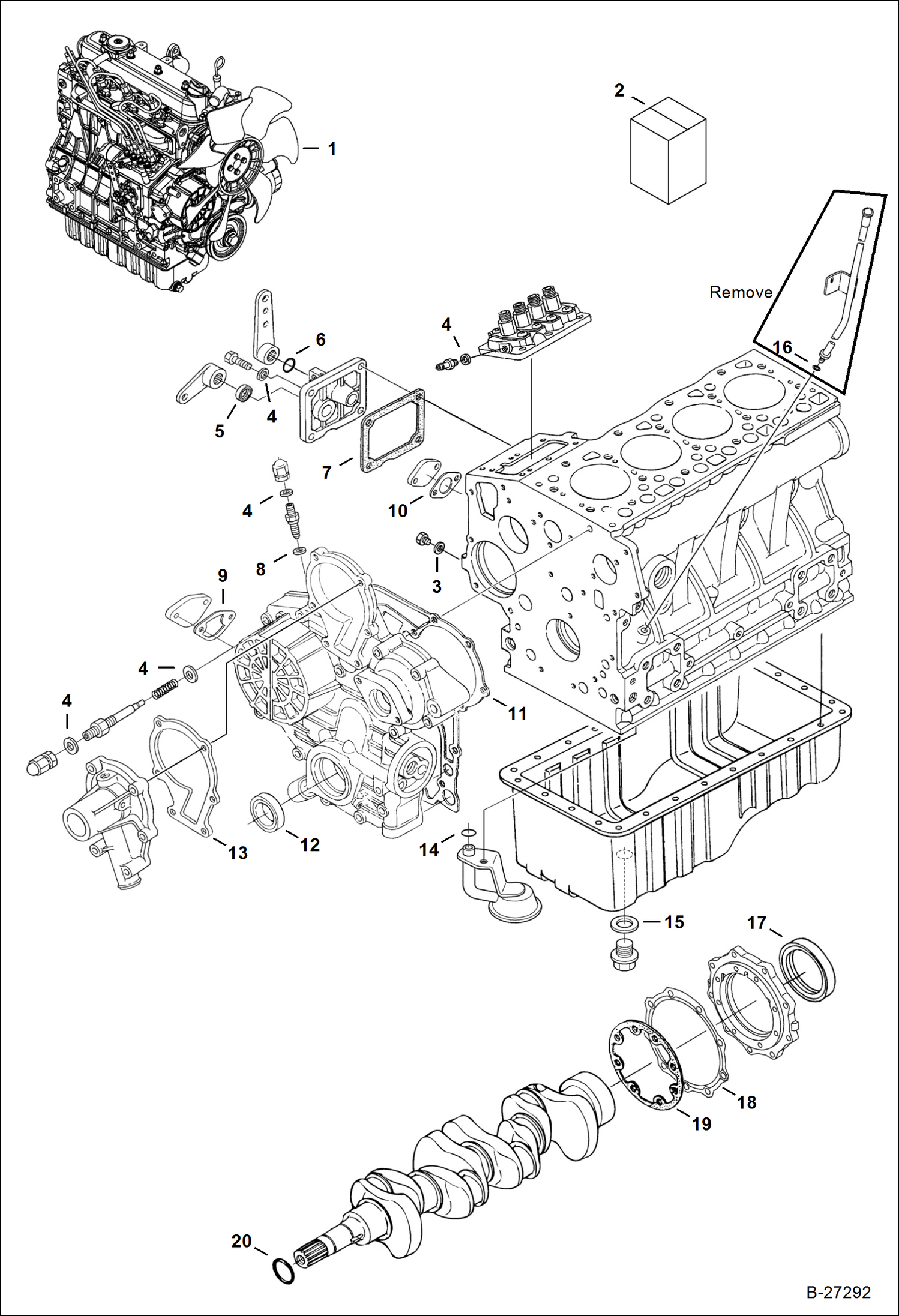
КАРТЕР ДВИГАТЕЛЯ

КАРТЕР ДВИГАТЕЛЯ

1Артикул: 6691292, BLOCK ENGINE W/Ref. 2-20
2Артикул: 6657431, CAP
3Артикул: 3974433, PLUG
Подробнее >
ДВИГАТЕЛЬ И КОМПЛЕКТ ДЕТАЛЕЙ ВЕРХНЕГО УПЛОТНИТЕЛЬНОГО КОЛЬЦА

ДВИГАТЕЛЬ И КОМПЛЕКТ ДЕТАЛЕЙ ВЕРХНЕГО УПЛОТНИТЕЛЬНОГО КОЛЬЦА

1Артикул: 6692567, ENGINE, V1505-E3B-BC-2
2Артикул: 6698619, KIT, GASKET ENG UPPER Ref. 3-14
3Артикул: 6657514, GASKET See Illustration ROCKER ARM COVER/ B26330 - valve cover
Подробнее >
ХОЛОСТОЙ ХОД АППАРАТА И СОЛЕНОИД ОСТАНОВА

ХОЛОСТОЙ ХОД АППАРАТА И СОЛЕНОИД ОСТАНОВА

1Артикул: 6691311, APPARATUS W/Ref. 2-6
2Артикул: 6691312, BOLT W/Ref. 3, 12-13
3Артикул: 6657459, NUT
Подробнее >
РАСПРЕДВАЛ

РАСПРЕДВАЛ

1Артикул: 6691307, TAPPET
2Артикул: 6657515, PUSH ROD
3Артикул: 6691308, CAMSHAFT W/Ref. 4-9
Подробнее >
ВОЗДУШНЫЙ ФИЛЬТР

ВОЗДУШНЫЙ ФИЛЬТР

1Артикул: 6670851, AIR CLEANER W/Ref. 2-7
2Артикул: TANK, TANK NLA - Order Ref. 1
3Артикул: 6672467, FILTER, AIR OUTER outer
Подробнее >
ТОПЛИВНАЯ СИСТЕМА

ТОПЛИВНАЯ СИСТЕМА

1Артикул: HOSE, HOSE NLA - 60-- (1524 mm) long - Order Ref. 49
2Артикул: 6610510, TIE
3Артикул: 6624289, STRAP, TIE
Подробнее >
КРЫШКА КОРОМЫСЛА КЛАПАНА

КРЫШКА КОРОМЫСЛА КЛАПАНА

1Артикул: 6698620, COVER, HEAD CYL ENG W/Ref. 2-7
2Артикул: SHIELD, SHIELD NSS - Order Ref. 1
3Артикул: 6657514, GASKET
Подробнее >
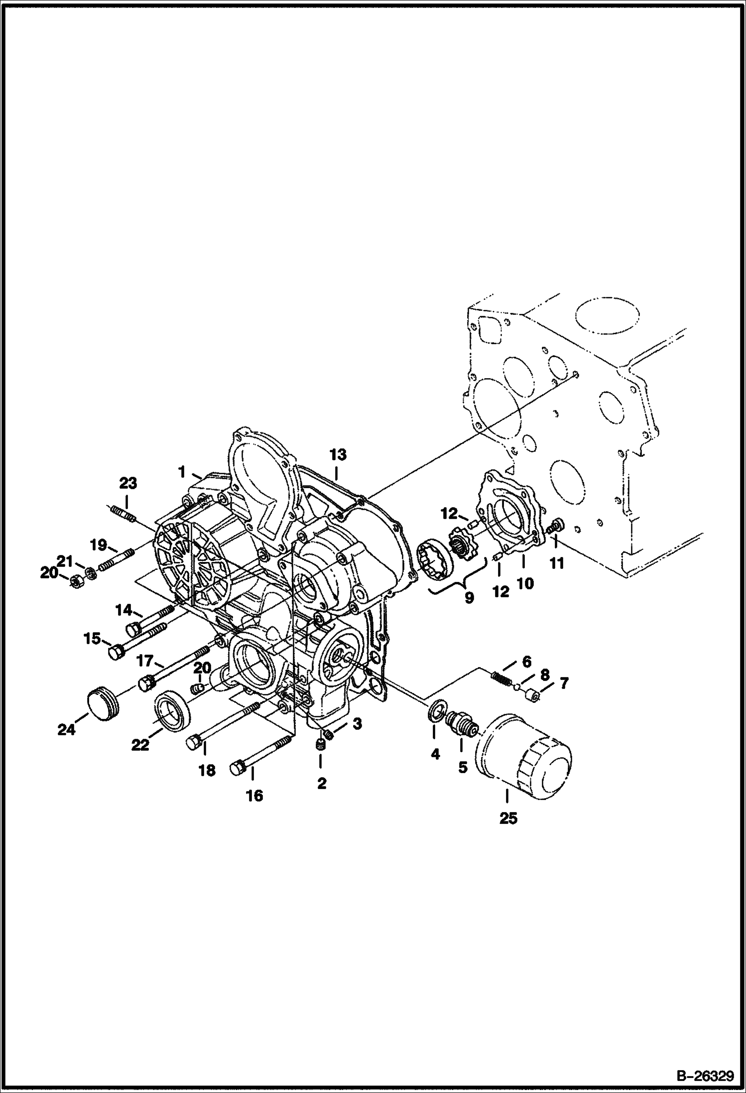
КАРТЕР КОРОБКИ ПЕРЕДАЧ И МАСЛЯНЫЙ ФИЛЬТР

КАРТЕР КОРОБКИ ПЕРЕДАЧ И МАСЛЯНЫЙ ФИЛЬТР

1Артикул: 6691298, CASE W/Ref. 2-12
2Артикул: 6672360, PLUG
3Артикул: 6652574, PLUG
Подробнее >
МАСЛЯНЫЙ ПОДДОН

МАСЛЯНЫЙ ПОДДОН

1Артикул: 6691293, OIL PAN ASSY W/Ref. 3 & 4
2Артикул: 1CM614, SCREW Was 4CM614 - A
3Артикул: 6691294, PLUG
Подробнее >
ПОРШНИ И КОЛЕНВАЛ

ПОРШНИ И КОЛЕНВАЛ

1Артикул: 6698613, PISTON, ENG std (16060-2111)
2Артикул: 7022775, PISTON, ENG OS +0,50 mm (16292-2112 OS50) - Was 6680620 - A
3Артикул: 6680494, RING ASSY std
Подробнее >
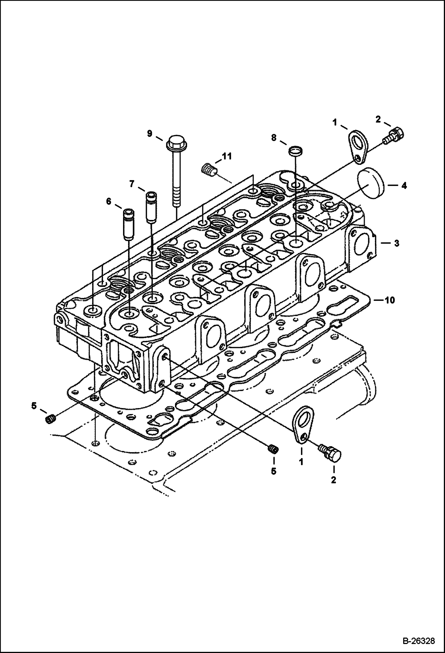
ГОЛОВКА БЛОКА ЦИЛИНДРОВ

ГОЛОВКА БЛОКА ЦИЛИНДРОВ

1Артикул: 3974882, HOOK
2Артикул: 6667420, BOLT
3Артикул: 6698621, HEAD, CYL ENG assy - W/Ref. 4-8
Подробнее >
ТОПЛИВНЫЙ РАСПРЕДЕЛИТЕЛЬНЫЙ ВАЛ И ВАЛ РЕГУЛЯТОРА ОБОРОТОВ

ТОПЛИВНЫЙ РАСПРЕДЕЛИТЕЛЬНЫЙ ВАЛ И ВАЛ РЕГУЛЯТОРА ОБОРОТОВ

1Артикул: 6691309, CAMSHAFT
2Артикул: 6686175, BEARING
3Артикул: 6686176, BEARING
Подробнее >
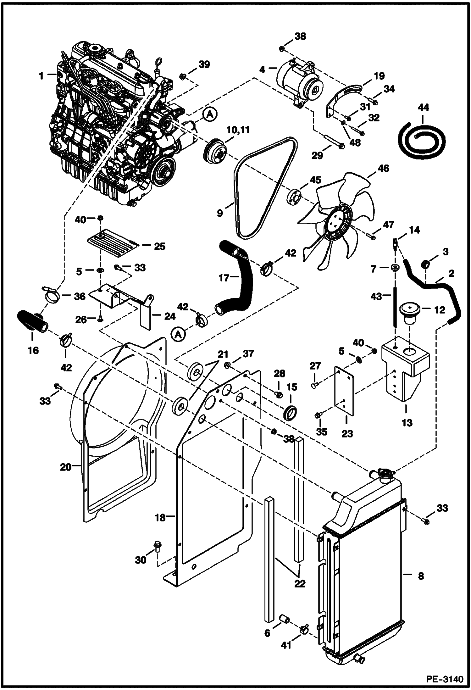
ДВИГАТЕЛЬ И КРЕПЕЖНЫЕ ДЕТАЛИ (ТЕПЛООБМЕННИК РАДИАТОРА)

ДВИГАТЕЛЬ И КРЕПЕЖНЫЕ ДЕТАЛИ (ТЕПЛООБМЕННИК РАДИАТОРА)

1Артикул: 6692567, ENGINE, V1505-E3B-BC-2
2Артикул: HOSE, HOSE NLA - 16.5-- (420 mm) long - Order Ref. 45
3Артикул: 6587887, GROMMET
Подробнее >
РЕГУЛЯТОР ОБОРОТОВ

РЕГУЛЯТОР ОБОРОТОВ

1Артикул: 6691318, SPRING
2Артикул: 6691319, SPRING
3Артикул: 6691320, LEVER, ASSY W/Ref. 4-12 & 18-22
Подробнее >
ТАБЛИЧКА РЕГУЛЯТОРА СКОРОСТИ

ТАБЛИЧКА РЕГУЛЯТОРА СКОРОСТИ

1Артикул: 6680501, PLATE ASSY W/Ref. 2-12, 20-22 - A
2Артикул: 6657655, LEVER
3Артикул: 6657577, LEVER
Подробнее >
КЛАПАН И ПЛЕЧО КОРОМЫСЛА

КЛАПАН И ПЛЕЧО КОРОМЫСЛА

1Артикул: 6657495, VALVE intake
2Артикул: 6657496, VALVE exhaust
3Артикул: 6657630, SPRING
Подробнее >
ДЕРЖАТЕЛЬ ФОРСУНКИ И ЗАПАЛЬНАЯ СВЕЧА

ДЕРЖАТЕЛЬ ФОРСУНКИ И ЗАПАЛЬНАЯ СВЕЧА

1Артикул: 6657636, ASSY PIPE
2Артикул: 6657446, SCREW
3Артикул: 3974972, GASKET
Подробнее >
ТОПЛИВНЫЙ НАСОС

ТОПЛИВНЫЙ НАСОС

1Артикул: 6691314, PUMP W/Ref. 2-5
2Артикул: 6657466, GASKET
3Артикул: 6672395, BOLT
Подробнее >
ВОДЯНАЯ ПОМПА

ВОДЯНАЯ ПОМПА

1Артикул: 6680278, WATER PUMP assy - Ref. 2-7
2Артикул: HOUSING, HOUSING NSS - Order Ref. 1
3Артикул: 6657612, BEARING
Подробнее >
ДЕРЖАТЕЛЬ ФОРСУНКИ

ДЕРЖАТЕЛЬ ФОРСУНКИ

1Артикул: 6698623, INJECTOR, FUEL ASSY W/Ref. 2-13
2Артикул: 6672408, NUT
3Артикул: 6672409, WASHER
Подробнее >
КОЛЛЕКТОР

КОЛЛЕКТОР

1Артикул: 6691327, MANIFOLD W/Ref. 2 & 3
2Артикул: 6680689, ADAPTER
3Артикул: 6657493, GASKET
Подробнее >
КОМПЛЕКТ НИЖНИХ ПРОКЛАДОК

КОМПЛЕКТ НИЖНИХ ПРОКЛАДОК

1Артикул: 6692567, ENGINE, V1505-E3B-BC-2
2Артикул: 6698637, KIT, GASKET ENG LOWER
3Артикул: 3974095, GASKET, METAL See Illustration CRANKCASE/ B26326
Подробнее >