+7 (701) 588 50 05 Телефон для связи
RU

WhatsApp

Позвонить

ЗАПЧАСТИ ДВИГАТЕЛЯ в Алматы

КОРОМЫСЛО КЛАПАНА И КЛАПАНЫ

КОРОМЫСЛО КЛАПАНА И КЛАПАНЫ

1Артикул: 6653828, VALVE inlet - Was 3974512B - A
2Артикул: 6653829, VALVE exhaust - Was 3974513B - A
3Артикул: 3974514, SPRING 5
Подробнее >
ВОДЯНОЙ ФЛАНЕЦ И ТЕРМОСТАТ

ВОДЯНОЙ ФЛАНЕЦ И ТЕРМОСТАТ

1Артикул: 6653937, FLANGE W/Ref. 2 - Was 6655923 - A
2Артикул: 6655880, PIPE
3Артикул: 6666802, GASKET See Illustration UPPER GASKET KIT/ C3255 INCLUDED W/UPPER GASKET KIT - WAS 3974987B - A
Подробнее >
ТОПЛИВНЫЙ РАСПРЕДЕЛИТЕЛЬНЫЙ ВАЛ

ТОПЛИВНЫЙ РАСПРЕДЕЛИТЕЛЬНЫЙ ВАЛ

1Артикул: 6656269, CAMSHAFT Assy. - Ref. 2-14
2Артикул: 6598140, CAMSHAFT
3Артикул: 851242, BEARING
Подробнее >
КОЛЛЕКТОР

КОЛЛЕКТОР

1Артикул: 6655485, MANIFOLD inlet
2Артикул: 6666801, GASKET See Illustration UPPER GASKET KIT/ C3255 INCLUDED W/UPPER GASKET KIT - WAS 6655486 - D
3Артикул: 4CM822, BOLT
Подробнее >
ВОДЯНАЯ ПОМПА

ВОДЯНАЯ ПОМПА

1Артикул: 3974989, WATER PUMP W/Ref. 2-5
2Артикул: 3974991, BEARING
3Артикул: 6653577, IMPELLER
Подробнее >
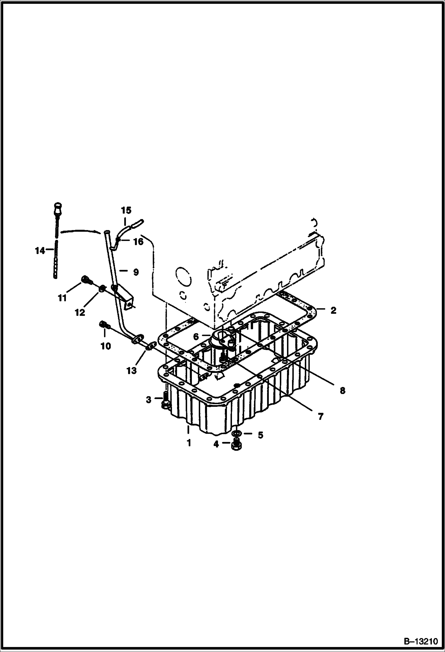
КОМПЛЕКТ НИЖНИХ ПРОКЛАДОК

КОМПЛЕКТ НИЖНИХ ПРОКЛАДОК

1Артикул: 6657400, GASKET KIT Lower - W/Ref. 2-22
2Артикул: 6666805, GASKET Oil Pan - Was 6655474 - A
3Артикул: 3966515, O RING
Подробнее >
РАСПРЕДВАЛ

РАСПРЕДВАЛ

1Артикул: 3974540, TAPPET
2Артикул: 3974541, PUSH ROD
3Артикул: 6656268, CAMSHAFT Assy. - Ref. 4-8
Подробнее >
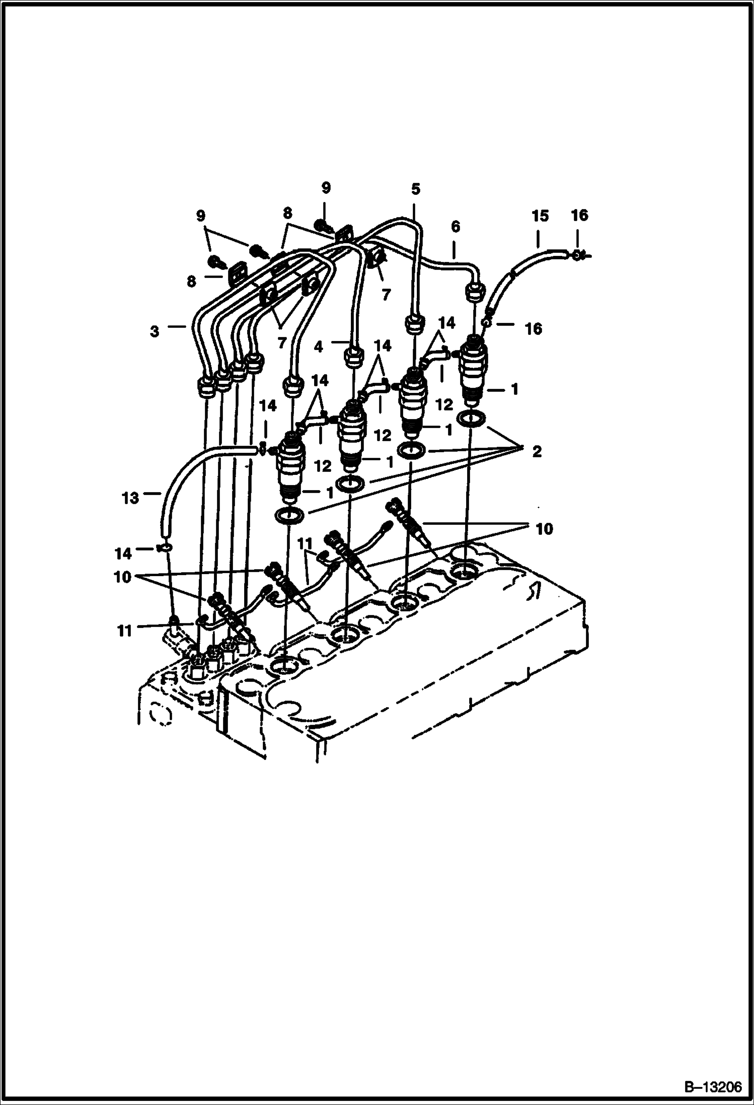
ФОРСУНКИ

ФОРСУНКИ

1Артикул: 3974254, INJECTOR, FUEL ASSY
2Артикул: 3974255, WASHER See Illustration INJECTOR NOZZLES/ B13206 INCLUDED W/UPPER GASKET KIT
3Артикул: 3974604, PIPE
Подробнее >
РЕГУЛЯТОР ОБОРОТОВ

РЕГУЛЯТОР ОБОРОТОВ

1Артикул: 6598174, LEVER
2Артикул: 6655531, LEVER ASSY. Ref. 3-9
3Артикул: 6655532, LEVER
Подробнее >
МАХОВИК

МАХОВИК

1Артикул: 6655505, FLYWHEEL W/Ref. 2
2Артикул: 6633274, GEAR
3Артикул: 6680747, BOLT, FLYWHEEL Was 6653872 - A
Подробнее >
МОНТАЖ ДВИГАТЕЛЯ

МОНТАЖ ДВИГАТЕЛЯ

1Артикул: ENGINE, ENGINE ASSY. See BTIE-016 NLA - Was 6655099 - A
2Артикул: SHORT, SHORT BLOCK NLA
3Артикул: 6657399, GASKET KIT See Illustration UPPER GASKET KIT/ C3255 Upper - Head Gasket
Подробнее >
ГОЛОВКА БЛОКА ЦИЛИНДРОВ

ГОЛОВКА БЛОКА ЦИЛИНДРОВ

1Артикул: 6655475, HEAD W/Ref. 2-7
2Артикул: HEAD,, HEAD, KUBOTA V1902 NLA - Was 6655475REM - A
3Артикул: 3974432, PLUG
Подробнее >
ОСНОВНОЙ КОРПУС ПОДШИПНИКА

ОСНОВНОЙ КОРПУС ПОДШИПНИКА

1Артикул: BEARING,, BEARING, MAIN main bearing - Was 7282492 - A
2Артикул: 6653813, BOLT Was 6653585
3Артикул: 3974471, GASKET See Illustration LOWER GASKET KIT/ C3254 INCLUDED W/LOWER GASKET KIT
Подробнее >
ПОРШНИ И КОЛЕНЧАТЫЙ ВАЛ

ПОРШНИ И КОЛЕНЧАТЫЙ ВАЛ

1Артикул: 6630185, PISTON Front & rear
2Артикул: 6631945, PISTON Front & rear (.0197 - 0,5 mm)
3Артикул: 6634309, PISTON Center
Подробнее >
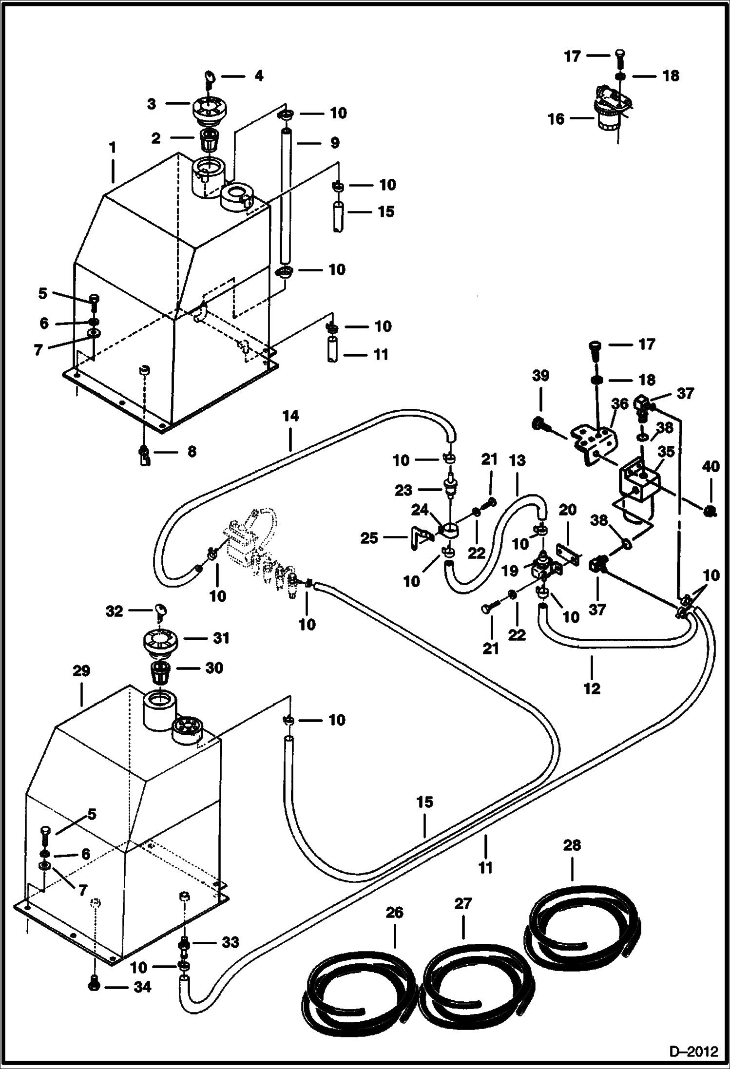
ФИЛЬТР ДЛЯ ТОПЛИВА

ФИЛЬТР ДЛЯ ТОПЛИВА

1Артикул: FILTER, FILTER See Illustration FUEL SYSTEM/ D2012 See BTIE-024 - NLA - Ref. 2-14- Was 6653959 - A
2Артикул: 6653960, HEAD Was 6655919 - A
3Артикул: 6653961, FILTER
Подробнее >
ГЛУШИТЕЛЬ И МЕХАНИЗМ ОТБОРА МОЩНОСТИ

ГЛУШИТЕЛЬ И МЕХАНИЗМ ОТБОРА МОЩНОСТИ

1Артикул: 6653955, MUFFLER
2Артикул: 6664005, PURIFIER Exhaust
3Артикул: 6655405, PIPE Flange - Was 665512 - A
Подробнее >
МАСЛЯНЫЙ ПОДДОН

МАСЛЯНЫЙ ПОДДОН

1Артикул: 6655473, OIL PAN
2Артикул: 6666805, GASKET See Illustration LOWER GASKET KIT/ C3254 included W/lower gasket kit - Was 6655474 - A
3Артикул: 5CM1030, BOLT
Подробнее >
РЕДУКТОР

РЕДУКТОР

1Артикул: CASE, CASE ASSY. NLA - W/Ref. 2-7 - Order 6688640 & Ref. 3-7 - Was 6655479 - A
2Артикул: 6688640, HOUSING GEAR W/Ref. 2
3Артикул: 6630196, PLUG
Подробнее >
СТОПОРНАЯ РУКОЯТКА

СТОПОРНАЯ РУКОЯТКА

1Артикул: 6598149, IDLE ASSY. W/Ref. 2 - 4
2Артикул: 6598150, BOLT W/Spring
3Артикул: 6598157, NUT
Подробнее >
ВОЗДУШНЫЙ ФИЛЬТР

ВОЗДУШНЫЙ ФИЛЬТР

1Артикул: AIR, AIR CLEAN NLA - Assy. - W/Ref. 2-8 - Was 6655136 - A
2Артикул: BODY, BODY NSS
3Артикул: 6598492, ELEMENT Was 6598749 - A
Подробнее >
ДЕРЖАТЕЛЬ ФОРСУНКИ

ДЕРЖАТЕЛЬ ФОРСУНКИ

1Артикул: 3974254, INJECTOR, FUEL ASSY W/Ref. 2-11
2Артикул: 3974322, NUT
3Артикул: 3974324, FITTING
Подробнее >
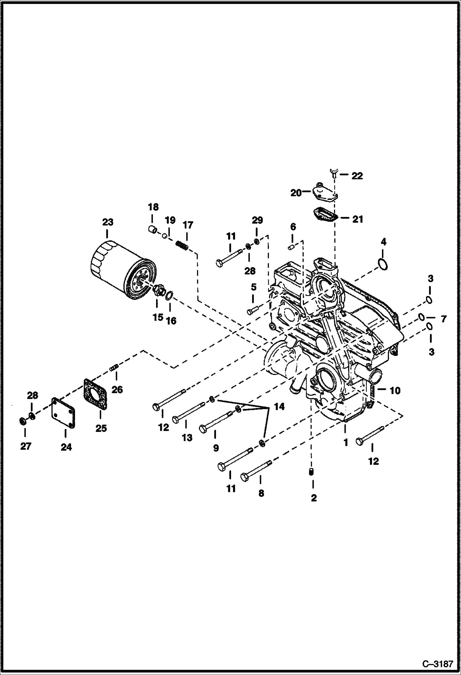
КАРТЕР ДВИГАТЕЛЯ

КАРТЕР ДВИГАТЕЛЯ

1Артикул: CRANKCASE, CRANKCASE NLA - W/Ref. 2-12 & 14 - Was 6655471 - A
2Артикул: 6652574, PLUG
3Артикул: 6652575, PLUG
Подробнее >
КОМПЛЕКТ ПРОКЛАДОК ВЕРХНЕЙ ЧАСТИ

КОМПЛЕКТ ПРОКЛАДОК ВЕРХНЕЙ ЧАСТИ

1Артикул: 6657399, GASKET KIT Upper - W/Ref. 2-14
2Артикул: 3974038, RING,O
3Артикул: 6666806, GASKET Head - Was 6655477 - A
Подробнее >
ТОПЛИВНАЯ СИСТЕМА

ТОПЛИВНАЯ СИСТЕМА

1Артикул: TANK, TANK NLA - Fuel - Order Ref. 29-31 & 33 - Was 6536037 - A
2Артикул: STRAINER, STRAINER NLA - Was 6535215
3Артикул: CAP, CAP NLA - Was 6535212 - A
Подробнее >
ТАБЛИЧКА РЕГУЛЯТОРА СКОРОСТИ

ТАБЛИЧКА РЕГУЛЯТОРА СКОРОСТИ

1Артикул: 3974970, BOLT
2Артикул: 3974971, NUT
3Артикул: 3974972, GASKET
Подробнее >
ТОПЛИВНЫЙ НАСОС

ТОПЛИВНЫЙ НАСОС

1Артикул: 6598131, PUMP injection - Ref. 2-23
2Артикул: 6655209, PLATE adjust - Was 3974365B - A
3Артикул: 3974366, BOLT
Подробнее >
ЭЛЕКТРОМАГНИТ ОСТАНОВКИ ПОДАЧИ ТОПЛИВА

ЭЛЕКТРОМАГНИТ ОСТАНОВКИ ПОДАЧИ ТОПЛИВА

1Артикул: 6655547, LEVER
2Артикул: 6655548, LEVER
3Артикул: 15EM60, WASHER
Подробнее >
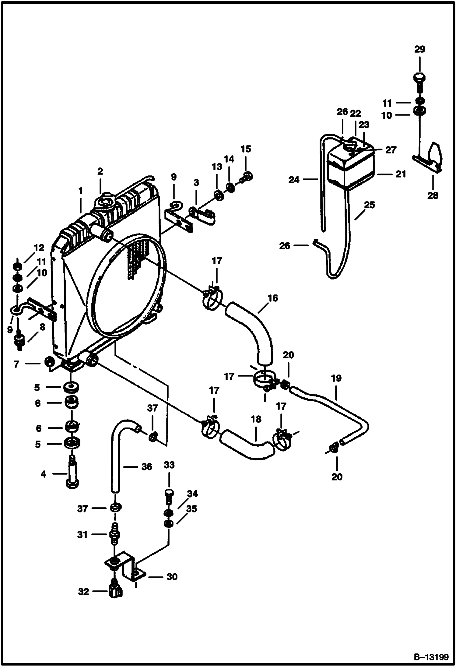
РАДИАТОР

РАДИАТОР

1Артикул: 6655129, RADIATOR
2Артикул: 3974310, CAP
3Артикул: 6651921, CLAMP
Подробнее >
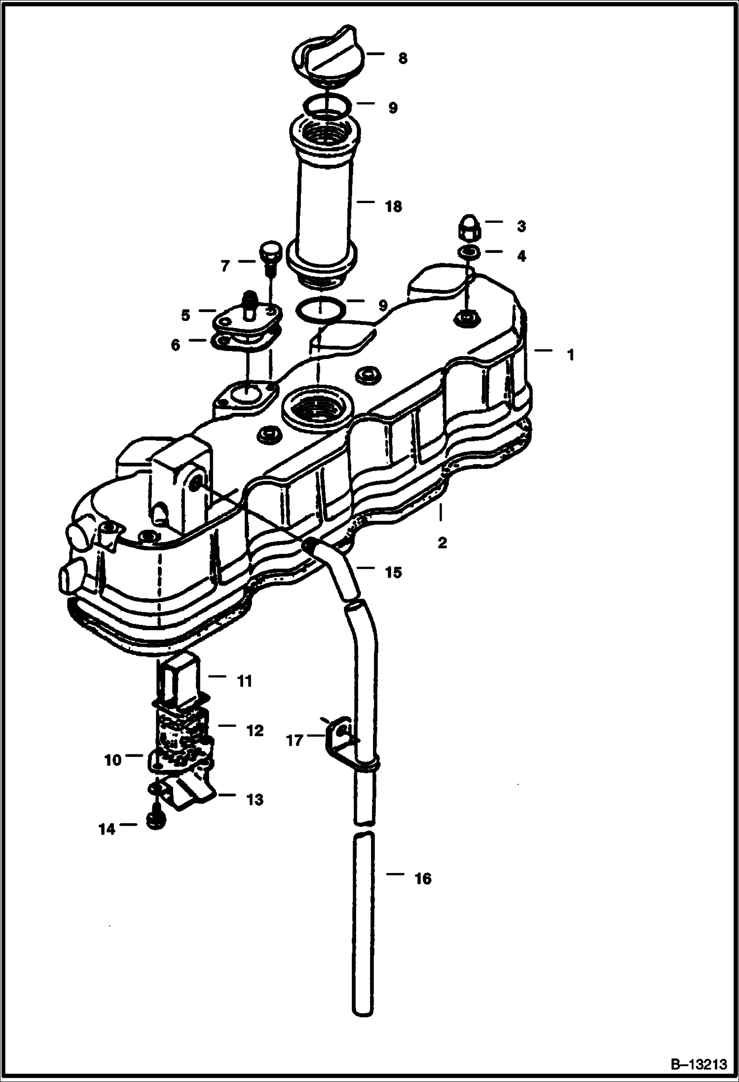
КРЫШКА КОРОМЫСЛА КЛАПАНА

КРЫШКА КОРОМЫСЛА КЛАПАНА

1Артикул: NLA, NLA - Was 6655493 - A
2Артикул: 6598136, GASKET, COVER VALVE See Illustration UPPER GASKET KIT/ C3255 INCLUDED W/UPPER GASKET KIT
3Артикул: 3974923, NUT
Подробнее >
РЫЧАГ УПРАВЛЕНИЯ ПОДАЧЕЙ ТОПЛИВА

РЫЧАГ УПРАВЛЕНИЯ ПОДАЧЕЙ ТОПЛИВА

1Артикул: 6535379, PLATE NLA - Was 6535379 - A
2Артикул: 6535350, LEVER NLA - W/Ref. 3 - Was 6535350 - A
3Артикул: BUSH, BUSH NLA - Was 6535309 - A
Подробнее >
ВЕНТИЛЯТОР И ГЕНЕРАТОР ПЕРЕМЕННОГО ТОКА

ВЕНТИЛЯТОР И ГЕНЕРАТОР ПЕРЕМЕННОГО ТОКА

1Артикул: ALTERNATOR, ALTERNATOR See Illustration ALTERNATOR/ B18655 WAS 6633277 - A
2Артикул: 6655545, BOLT
3Артикул: 3974983, WASHER
Подробнее >