ЗАПЧАСТИ ДВИГАТЕЛЯ в Алматы
ГОЛОВКА БЛОКА ЦИЛИНДРОВ
1Артикул: 6655152, HOOK engine
2Артикул: 3974882, HOOK
3Артикул: 1CM816, BOLT Was 4CM816 - A
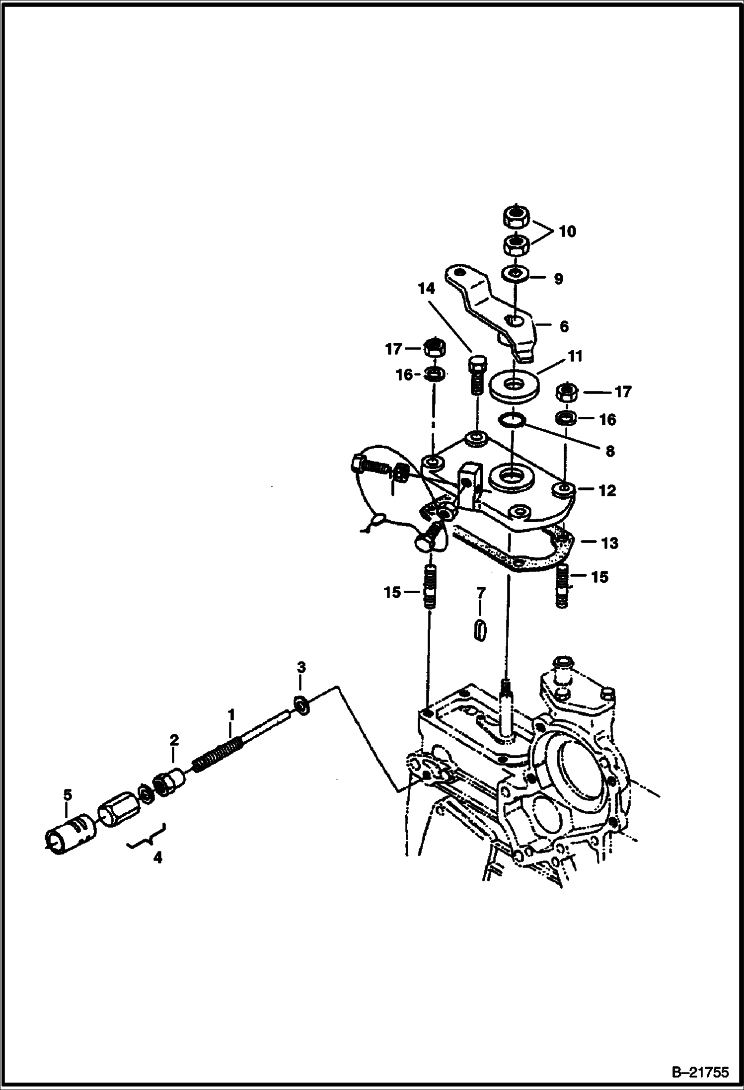
РЫЧАГ ОСТАНОВА ДВИГАТЕЛЯ KUBOTA - V2003T
1Артикул: 3974975, IDLER assy., idle
2Артикул: 6653906, BOLT ASSY. adjusting
3Артикул: 2DM8, NUT adjusting
ВОДЯНОЙ ПАТРУБОК
1Артикул: 6682530, PIPE, WATER
2Артикул: 6675651, PIPE, WATER
3Артикул: 6675653, PIPE, OIL COVER
ОСНОВНОЙ КОРПУС ПОДШИПНИКА
1Артикул: 6682504, BEARING
2Артикул: 6655164, BOLT
3Артикул: 6684788, GASKET Was 6655165 - A
ГЕНЕРАТОР
1Артикул: 6682525, ALTERNATOR
2Артикул: 6683192, FRAME ASSY
3Артикул: 6681724, PLATE, RETAINER
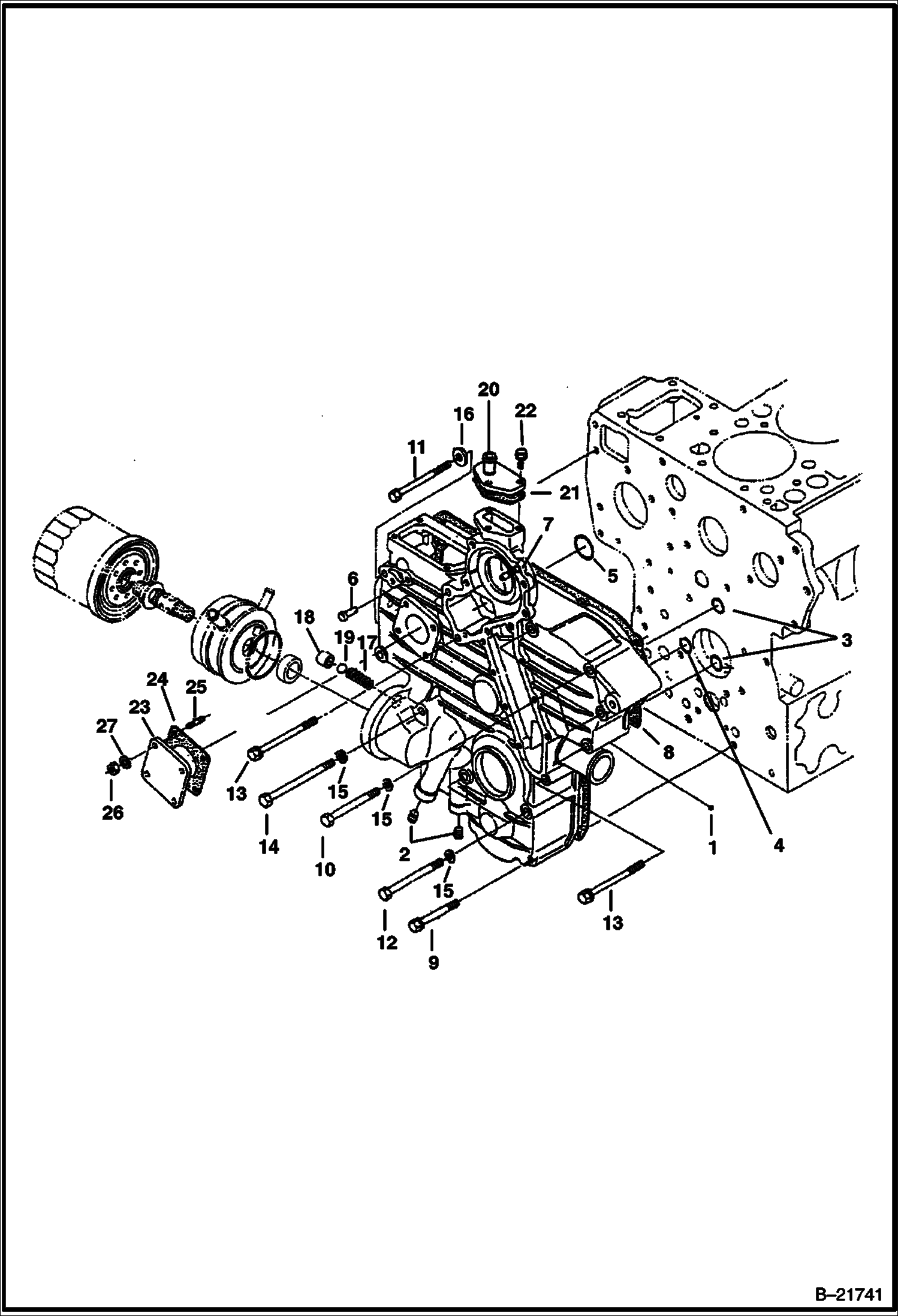
РАСПРЕДВАЛ
1Артикул: 7015269, TAPPET Was 6667428 - A
2Артикул: 6655176, PUSHROD
3Артикул: 6675645, CAMSHAFT assy.
МАСЛЯНЫЙ ФИЛЬТР ДВИГАТЕЛЯ
1Артикул: 6675517, FILTER, OIL ENG 12 oil filter - 12 Pack - Was 3974896 - A
2Артикул: 6682502, CONNECTOR
3Артикул: 6675671, COLLAR
КРУПНОГАБАРИТНЫЕ ПРЕДМЕТЫ СМ. В ПРИМЕЧАНИИ
1Артикул: 6902228, PAINT, ORANGE SPRAY CAN 6 original shade
2Артикул: 7305844, PAINT ORANGE SPRAY CAN 6 updated shade
3Артикул: 7251690, PAINT, ORANGE SPRAY CAN 6 original shade - EMEA
НАКЛЕЙКИ
1Артикул: PLATE, PLATE serial number
2Артикул: PLATE, PLATE rops/fops
3Артикул: 6961184, DECAL instructional
ТОПЛИВНЫЙ НАСОС
1Артикул: 6675656, PUMP Ref. 2 - 18
2Артикул: 6682516, ELEMENT
3Артикул: 6682517, VALVE delivery
ВОЗДУШНЫЙ ФИЛЬТР
1Артикул: 6961285, HOLDER filter
2Артикул: 6961674, ADAPTER
3Артикул: 6961982, BRACKET air
ВЕНТИЛЯТОР
1Артикул: 6680155, FAN, PLASTIC
2Артикул: 29CM612, BOLT, FLANGED Was 6652762 - A
3Артикул: 6674169, PULLEY water pump
КРИВОШИПНАЯ КОРОБКА KUBOTA - V2003T
1Артикул: CRANKCASE, CRANKCASE
2Артикул: 6598187, PLUG
3Артикул: 6652574, PLUG
ТАБЛИЧКА РЕГУЛЯТОРА СКОРОСТИ KUBOTA - V2003T
1Артикул: 3974970, BOLT adjusting
2Артикул: 3974971, NUT
3Артикул: 3974972, GASKET
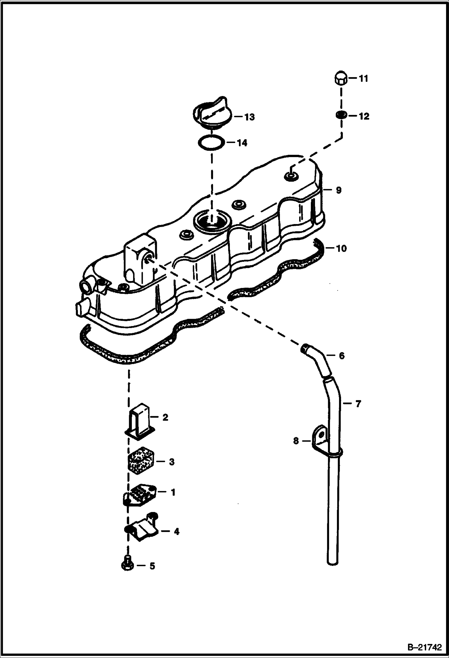
КРЫШКА ГОЛОВКИ
1Артикул: 3974924, PLATE
2Артикул: 3974925, PLATE
3Артикул: 3974926, BREATHER
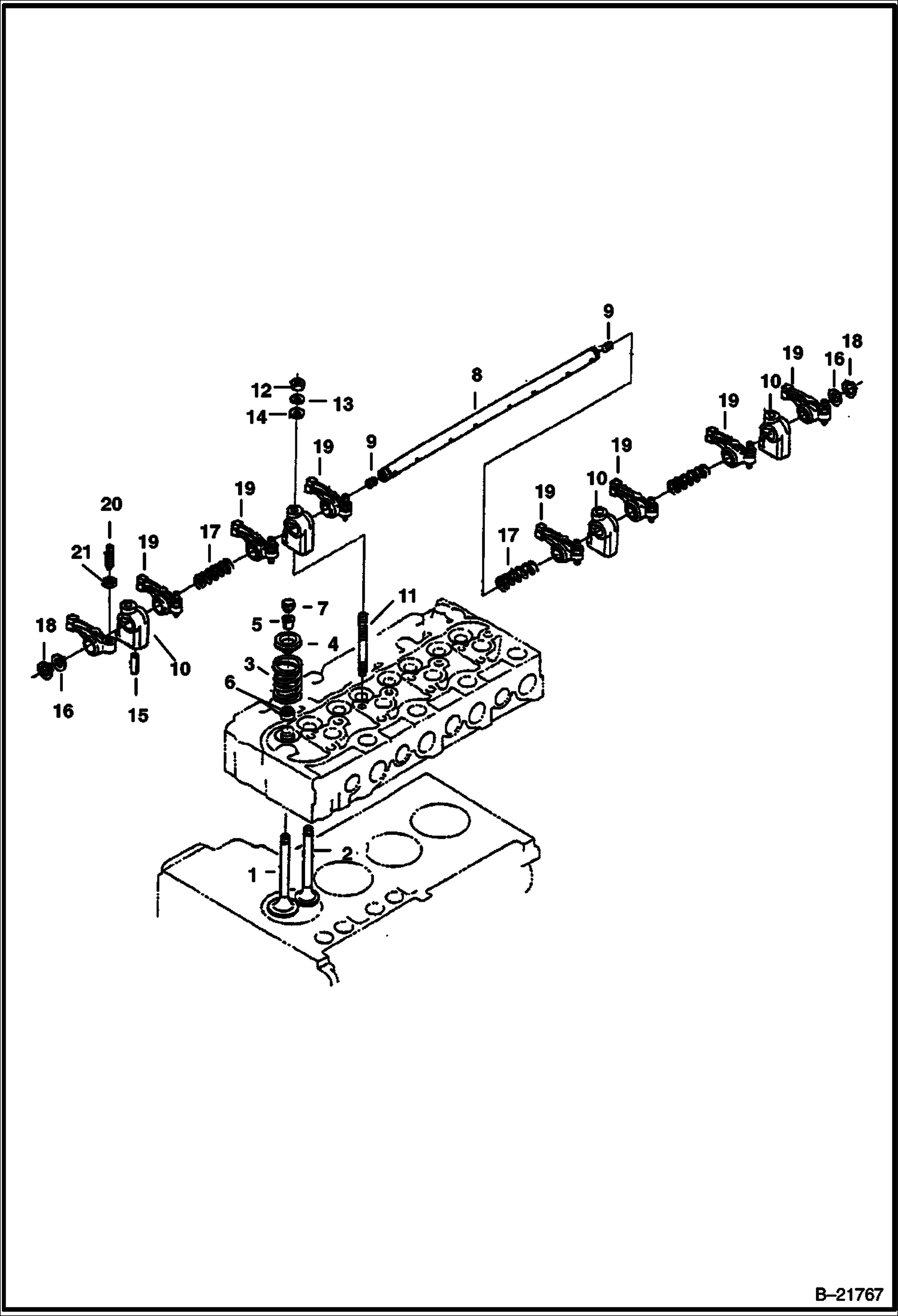
КЛАПАН И ПЛЕЧО КОРОМЫСЛА
1Артикул: 6655173, VALVE inlet
2Артикул: 7254420, VALVE, EXHAUST Was 6675629 - A
3Артикул: 3974514, SPRING 5 valve
ВОДЯНАЯ ПОМПА KUBOTA - V2003T
1Артикул: PUMP, PUMP NLA - Order 6681879 water pump & 6685643 hose - Was 6675652 - A
2Артикул: 3974991, BEARING
3Артикул: 6667460, IMPELLER
ГЕНЕРАТОР ПЕРЕМЕННОГО ТОКА И ШКИВ
1Артикул: 6682525, ALTERNATOR
2Артикул: 6682526, STAY
3Артикул: 6682527, BOLT
ТОПЛИВНЫЙ НАСОС
1Артикул: 6682524, PUMP fuel-Ref. 2 - 6
2Артикул: 6667458, DIAPHRAGM
3Артикул: 3974502, GASKET fuel - Was 6667459 - A
МАСЛЯНЫЙ ПОДДОН
1Артикул: 6682499, OIL PAN
2Артикул: 6666817, GASKET oil pan
3Артикул: 6653798, BOLT
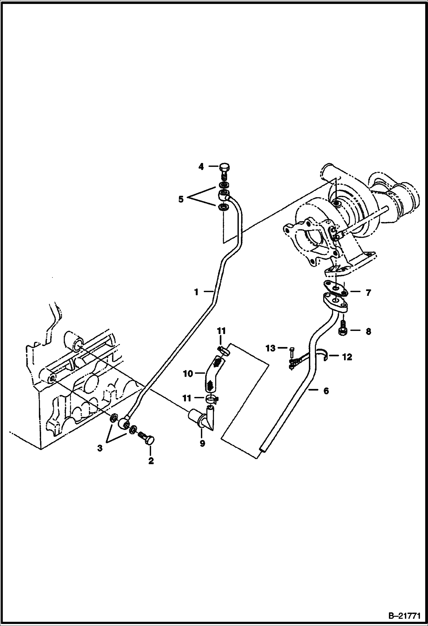
ТУРБОНАГНЕТАТЕЛЬ
1Артикул: 6682534, TURBO CHARGER
2Артикул: 6675636, GASKET
3Артикул: 6680564, STUD
ПОРШНИ И КОЛЕНВАЛ
1Артикул: 6682508, PISTON NLA - (1E013-2111) - Order 6689939 (4) Piston, also order 6686997 (4) Cir-Clip & 6675655 (4) Ring - Was 6682508 - A
2Артикул: 6682509, RING piston
3Артикул: 6655179, PIN, PISTON ENG
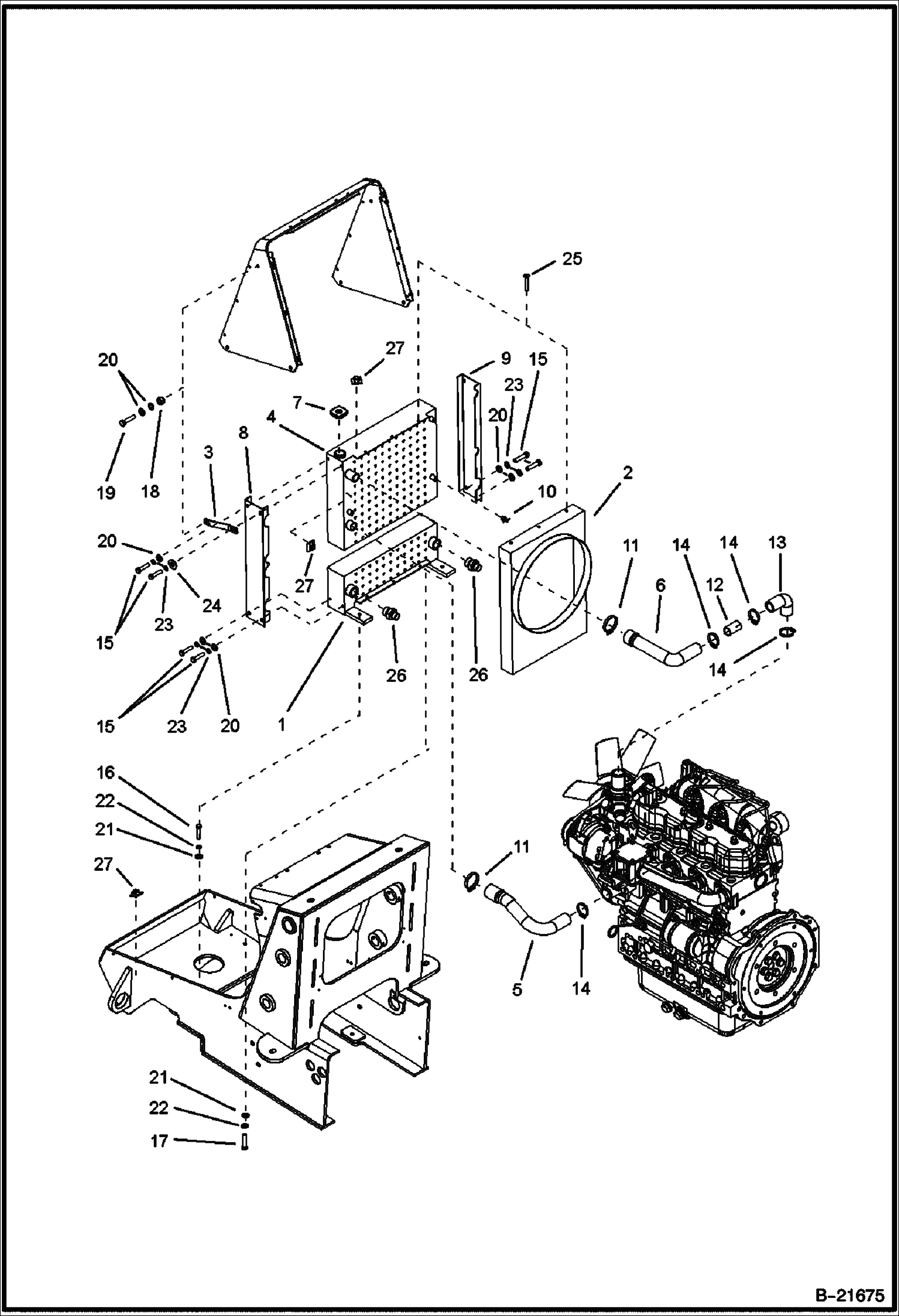
ДВИГАТЕЛЬ И КРЕПЕЖНЫЕ ДЕТАЛИ ОХЛАЖДЕНИЕ
1Артикул: 6961288, COOLER oil
2Артикул: 6961289, SHROUD
3Артикул: 6961290, HOLDER
РЕГУЛЯТОРА ОБОРОТОВ KUBOTA - V2003T
1Артикул: 6598174, LEVER governor
2Артикул: 6675672, LEVER fork
3Артикул: 6675672, LEVER fork - Was 6675657 - A
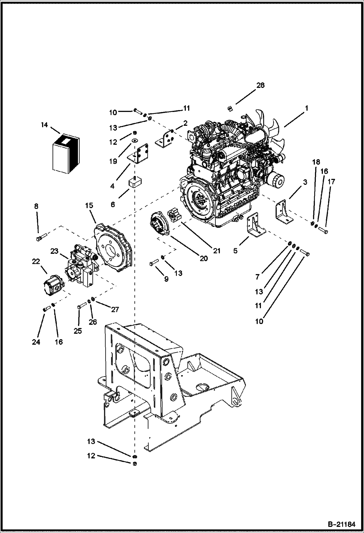
ДВИГАТЕЛЬ И КОМПЛЕКТ ПРОКЛАДОК (KUBOTA - V2003T)
1Артикул: 6961498, ENGINE Does not include starter, alternator, flywheel, & flywheel housing
2Артикул: SHORT, SHORT BLOCK NLA
3Артикул: 6676059, GASKET KIT Upper - Ref. 6-16 & 36-37
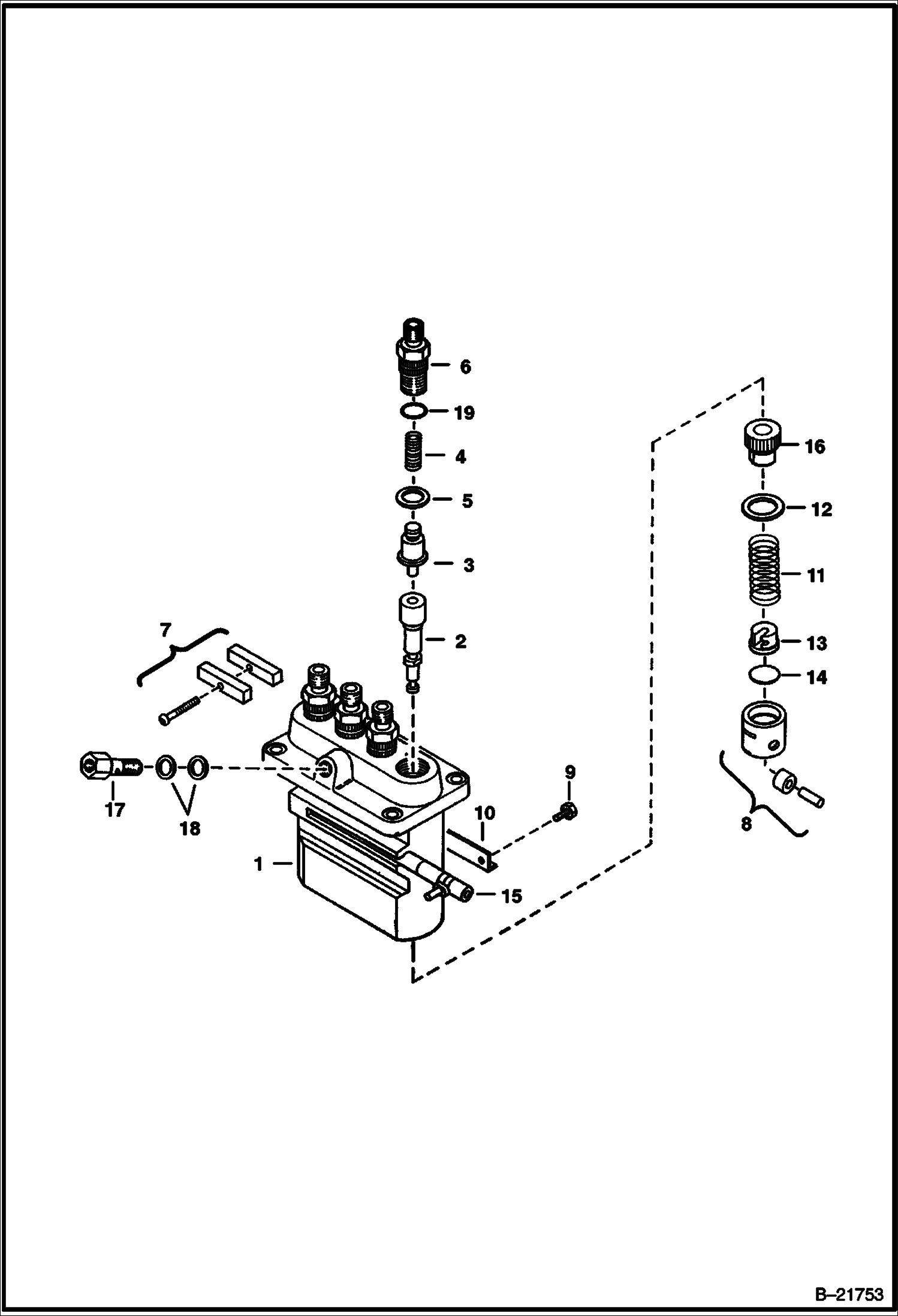
СОЛЕНОИД ОСТАНОВА
1Артикул: 6655120, SOLENOID stop
2Артикул: 1CM816, BOLT Was 4CM816 - A
3Артикул: 1EM80, WASHER Was 2EM8 - A
ДВИГАТЕЛЬ И КРЕПЕЖНЫЕ ДЕТАЛИ ВОЗДУХООЧИСТИТЕЛЬ
1Артикул: 6961674, ADAPTER
2Артикул: 6961984, HOSE
3Артикул: 6961982, BRACKET
РЕДУКТОР
1Артикул: 6682501, CASE ASSY. NLA - Order 6685466 o-ring, 6686981 o-ring, 6685468 o-ring, 3974395 pin, 6652592 pin & 7018622 housing gear case - Was 6682501 - A
2Артикул: 6667425, PLUG
3Артикул: 3966515, O RING
СТАРТЕР
1Артикул: 6988700, STARTER assy - W/Ref. 2-20 - Was 6662323 - A
2Артикул: 6662324, YOKE
3Артикул: 6662325, ARMATURE
МАСЛЯНАЯ ТРУБКА
1Артикул: 6682538, PIPE
2Артикул: 7022765, BOLT, EYE Was 7022765 - A
3Артикул: 3974095, GASKET, METAL
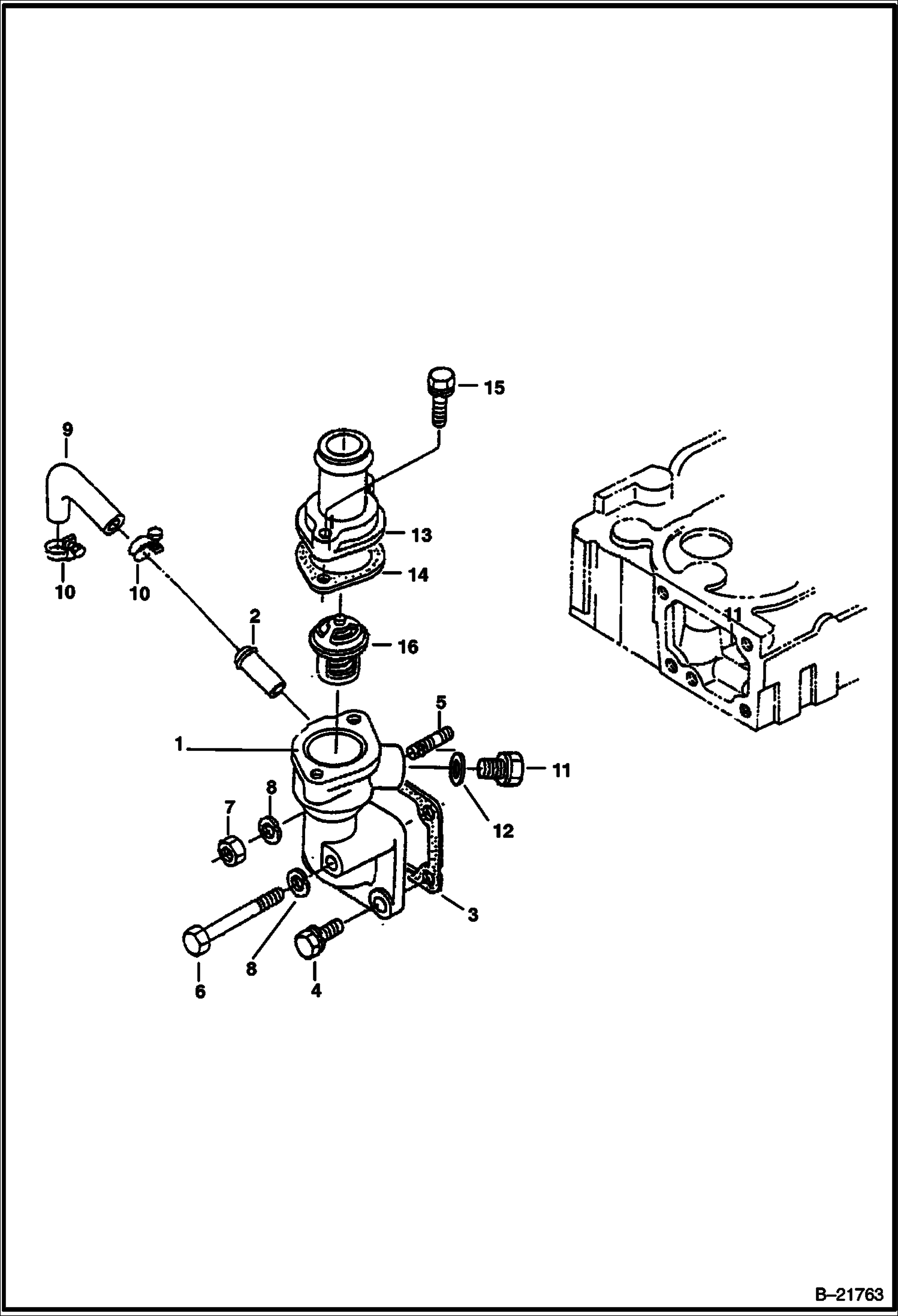
ВОДЯНОЙ ФЛАНЕЦ И ТЕРМОСТАТ KUBOTA - V2003T
1Артикул: 6674167, FLANGE W/Ref. 2
2Артикул: 6655880, PIPE water return
3Артикул: 6666802, GASKET water flange
ДВИГАТЕЛЬ И КРЕПЕЖНЫЕ ДЕТАЛИ ВЫХЛОПНОЙ КОЛЛЕКТОР
1Артикул: EXHAUST, EXHAUST PIPE NLA - Was 6961429 - A
2Артикул: 6962667, MUFFLER
3Артикул: PIPE,, PIPE, EXHAUST Was 6961669 - A
ПЕРЕКЛЮЧАТЕЛЬ ДАВЛЕНИЯ МАСЛА
1Артикул: 6969775, SWITCH, OIL PRESSURE oil - Was 6652576 - A
2Артикул: 6682529, THERMOSWITCH
ТОПЛИВНАЯ СИСТЕМА
1Артикул: 6961516, HOLDER
2Артикул: 6960818, HOSE
3Артикул: 6963456, HOSE
УСТАНОВЛЕННЫЕ СМЕННЫЕ КОВШИ ОТЛИВКА
1Артикул: BUCKET, BUCKET SALES - 13-- (330mm) - uses 3 teeth - SALES #6735414
2Артикул: BUCKET, BUCKET SALES - 16-- (406mm) - uses 4 teeth - SALES #6735418
3Артикул: BUCKET, BUCKET SALES - 18--(457mm) - uses 4 teeth - SALES #6735422
МАСЛЯНЫЙ РАДИАТОР
1Артикул: 6682537, OIL COOLER oil
2Артикул: 6698244, ORING Was 6657422 - B,D
3Артикул: 6675670, HOSE
ДВИГАТЕЛЬ И КРЕПЕЖНЫЕ ДЕТАЛИ НАСОС
1Артикул: 6964746, ENGINE
2Артикул: 6961494, HOLDER
3Артикул: 6961495, HOLDER
ВЫХЛОПНОЙ ТРУБОПРОВОД ДВИГАТЕЛЯ
1Артикул: 6682531, EXHAUST
2Артикул: 6666791, GASKET
3Артикул: 6666781, GASKET
ТОПЛИВНЫЙ РАСПРЕДЕЛИТЕЛЬНЫЙ ВАЛ
1Артикул: 6655211, CAMSHAFT assy.
2Артикул: CAMSHAFT, CAMSHAFT NLA - fuel - Order Ref. 1 - Was 6655875 - A
3Артикул: 851242, BEARING
ДЕРЖАТЕЛЬ ФОРСУНКИ И ЗАПАЛЬНАЯ СВЕЧА
1Артикул: 6682521, PIPE
2Артикул: 6598146, PIPE fuel over flow
3Артикул: 6654718, CLAMP pipe - Was 6680795 - A