+7 (701) 588 50 05 Телефон для связи
RU

WhatsApp

Позвонить

ЗАПЧАСТИ ДВИГАТЕЛЯ в Алматы

ГРУППА ТОПЛИВНОГО РАСПРЕДЕЛИТЕЛЬНОГО ВАЛА (СЕРИЙНЫЙ НОМЕР ABFJ11001 И ВЫШЕ)

ГРУППА ТОПЛИВНОГО РАСПРЕДЕЛИТЕЛЬНОГО ВАЛА (СЕРИЙНЫЙ НОМЕР ABFJ11001 И ВЫШЕ)

1Артикул: 6696619, SHAFT FUEL CAM
2Артикул: 6695465, BEARING BALL
3Артикул: 6695325, GEAR INJECTION PUMP
Подробнее >
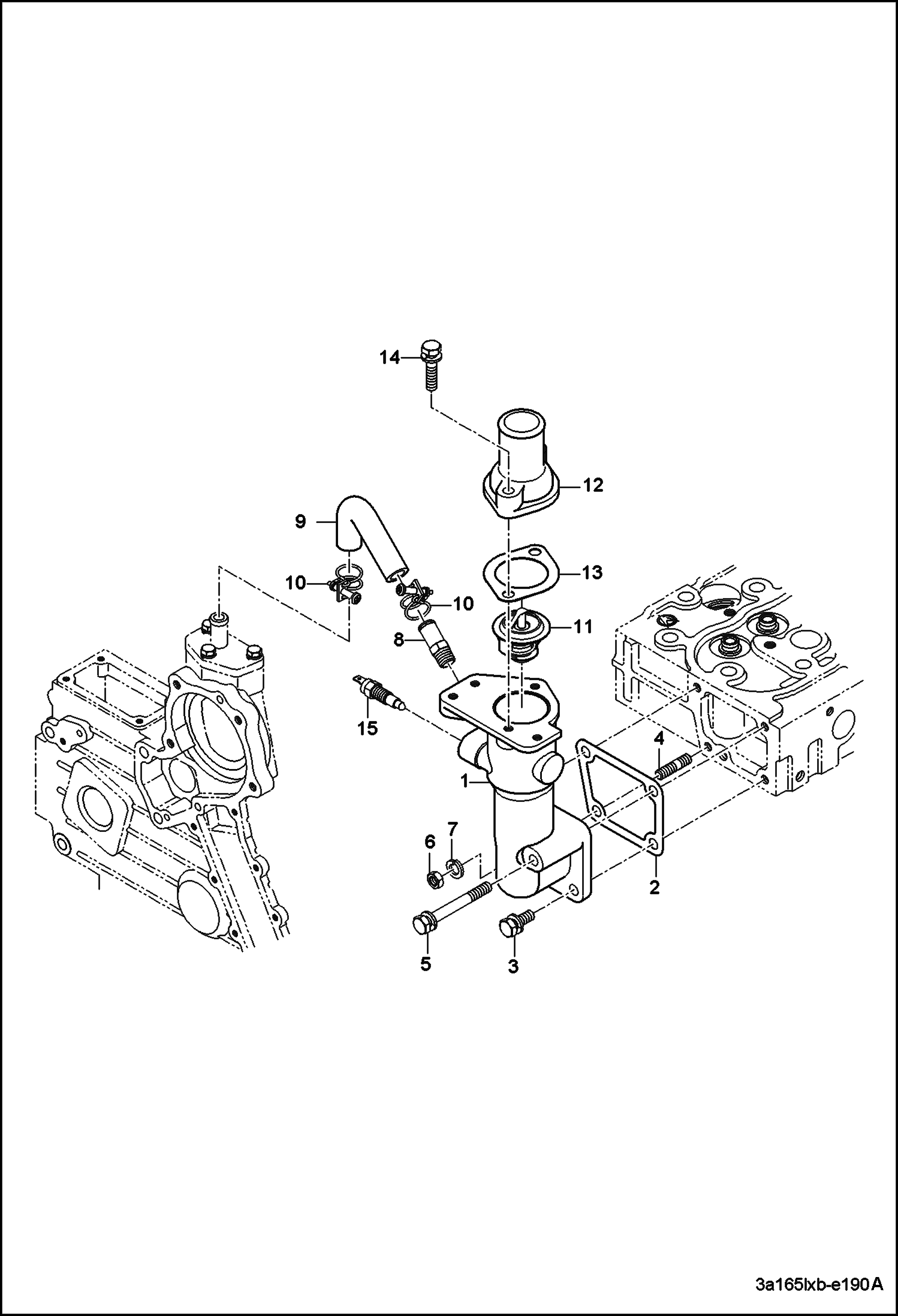
ТРУБОПРОВОД, СИСТЕМА ОХЛАЖДЕНИЯ (СЕРИЙНЫЙ НОМЕР ABFJ11001 И ВЫШЕ)

ТРУБОПРОВОД, СИСТЕМА ОХЛАЖДЕНИЯ (СЕРИЙНЫЙ НОМЕР ABFJ11001 И ВЫШЕ)

1Артикул: 6697226, FLANGE WATER
2Артикул: 6697242, GASKET
3Артикул: 4CM822, BOLT Was 6697055 - A
Подробнее >
ВОДЯНОЙ НАСОС (СЕРИЙНЫЙ НОМЕР A59B11001 И ВЫШЕ)

ВОДЯНОЙ НАСОС (СЕРИЙНЫЙ НОМЕР A59B11001 И ВЫШЕ)

1Артикул: 6697555, PUMP WATER
2Артикул: HOUSING, HOUSING WATER PUMP NLA - Order Ref. 1
3Артикул: BEARING, BEARING WATER PUMP NLA - Order Ref. 1
Подробнее >
ТАБЛИЧКА РЕГУЛЯТОРА СКОРОСТИ В СБОРЕ (СЕРИЙНЫЙ НОМЕР ABFJ11001 И ВЫШЕ)

ТАБЛИЧКА РЕГУЛЯТОРА СКОРОСТИ В СБОРЕ (СЕРИЙНЫЙ НОМЕР ABFJ11001 И ВЫШЕ)

1Артикул: 6697071, BOLT ADJUSTING
2Артикул: 6696251, NUT
3Артикул: 6695953, GASKET
Подробнее >
КОЛЛЕКТОР В СБОРЕ (СЕРИЙНЫЙ НОМЕР A59B11001 И ВЫШЕ)

КОЛЛЕКТОР В СБОРЕ (СЕРИЙНЫЙ НОМЕР A59B11001 И ВЫШЕ)

1Артикул: 6696224, MANIFOLD INTAKE
2Артикул: 6697147, CONNECTOR, AIR BREATHER
3Артикул: 6697240, GASKET
Подробнее >
ПЛЕЧО КОРОМЫСЛА КЛАПАНА В СБОРЕ (СЕРИЙНЫЙ НОМЕР A59B11001 И ВЫШЕ)

ПЛЕЧО КОРОМЫСЛА КЛАПАНА В СБОРЕ (СЕРИЙНЫЙ НОМЕР A59B11001 И ВЫШЕ)

1Артикул: 6696160, VALVE INTAKE
2Артикул: 6695898, VALVE EXHAUST
3Артикул: 6696888, SPRING VALVE
Подробнее >
ГРУППА МАХОВИКОВ (СЕРИЙНЫЙ НОМЕР A59B11001 И ВЫШЕ)

ГРУППА МАХОВИКОВ (СЕРИЙНЫЙ НОМЕР A59B11001 И ВЫШЕ)

1Артикул: 6697227, FLYWHEEL
2Артикул: 6696485, GEAR, RING
3Артикул: 6695926, BOLT FLYWHEEL
Подробнее >
РАДИАТОР В СБОРЕ (СЕРИЙНЫЙ НОМЕР A59B11001 И ВЫШЕ)

РАДИАТОР В СБОРЕ (СЕРИЙНЫЙ НОМЕР A59B11001 И ВЫШЕ)

1Артикул: 6695389, EXCHANGER RADIATOR copper - W/Ref. 2 & 3
2Артикул: 6697200, CAP, PRESSURE Was 7002330 - B,D
3Артикул: 6696677, SHROUD
Подробнее >
КРЫШКА,ГОЛОВКА ЦИЛИНДРА (СЕРИЙНЫЙ НОМЕР A59B11001 И ВЫШЕ)

КРЫШКА,ГОЛОВКА ЦИЛИНДРА (СЕРИЙНЫЙ НОМЕР A59B11001 И ВЫШЕ)

1Артикул: 6697179, COVER, HEAD CYL ENG assy - Ref. 2-8
2Артикул: 6697188, COVER, ROCKER ARM
3Артикул: 6696082, GASKET ROCKER ARM
Подробнее >
ДРОССЕЛЬНАЯ ЗАСЛОНКА В СБОРЕ

ДРОССЕЛЬНАЯ ЗАСЛОНКА В СБОРЕ

1Артикул: 6697400, LEVER ACCEL
2Артикул: 6696205, LINING
3Артикул: 6697514, PLATE, FRICTION
Подробнее >
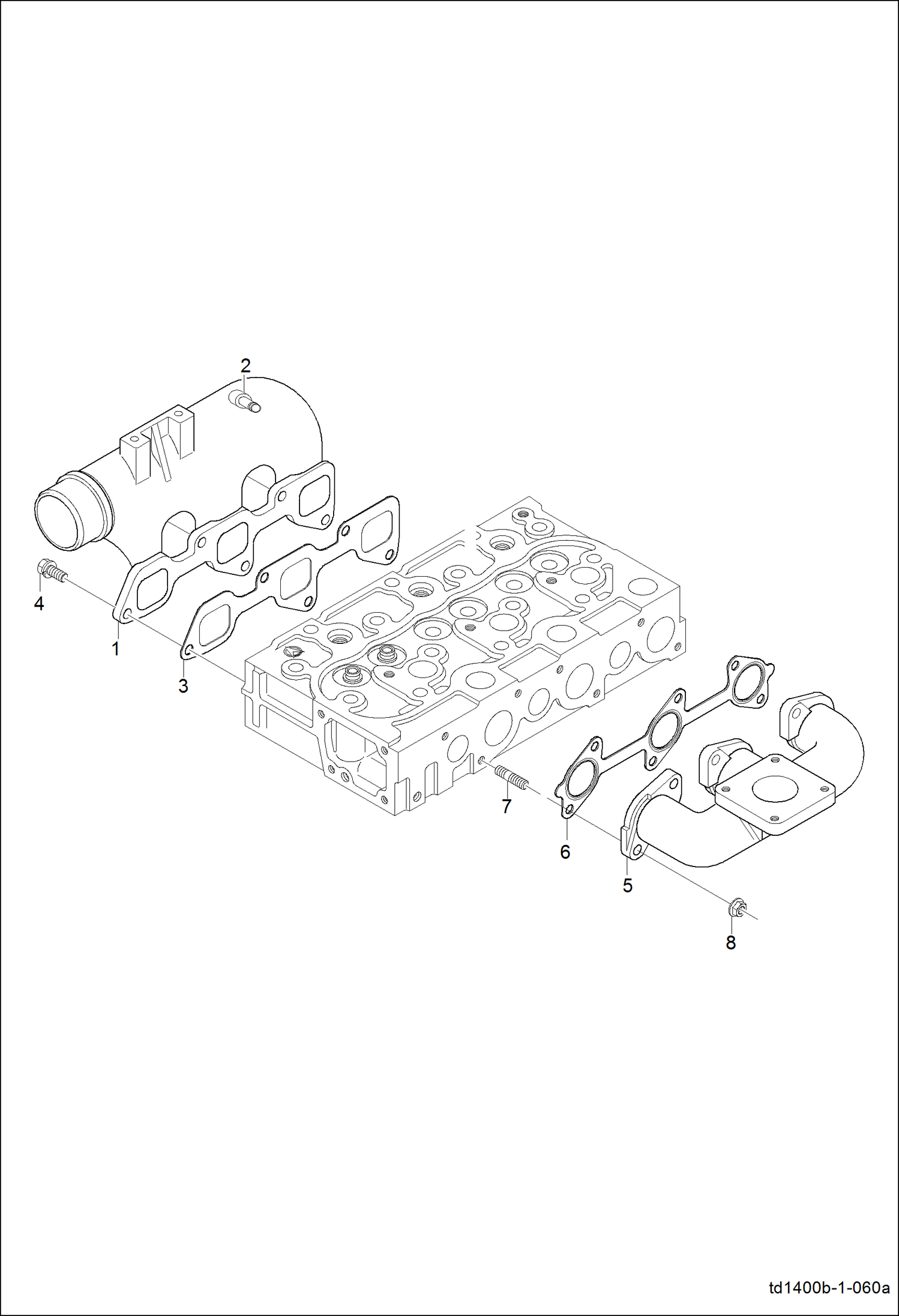
КОЛЛЕКТОР В СБОРЕ (СЕРИЙНЫЙ НОМЕР ABFJ11001 И ВЫШЕ)

КОЛЛЕКТОР В СБОРЕ (СЕРИЙНЫЙ НОМЕР ABFJ11001 И ВЫШЕ)

1Артикул: 6696159, MANIFOLD INTAKE
2Артикул: 6697147, CONNECTOR, AIR BREATHER
3Артикул: 6697260, GASKET INTAKE MANIFOLD
Подробнее >
РЫЧАГ ОСТАНОВА ДВИГАТЕЛЯ В СБОРЕ (СЕРИЙНЫЙ НОМЕР ABFJ11001 И ВЫШЕ)

РЫЧАГ ОСТАНОВА ДВИГАТЕЛЯ В СБОРЕ (СЕРИЙНЫЙ НОМЕР ABFJ11001 И ВЫШЕ)

1Артикул: 6696733, SPRING
2Артикул: 6696623, SHAFT, IDLE ADJUST
3Артикул: 6697120, BUSHING
Подробнее >
ГРУППА МАХОВИКОВ (СЕРИЙНЫЙ НОМЕР ABFJ11001 И ВЫШЕ)

ГРУППА МАХОВИКОВ (СЕРИЙНЫЙ НОМЕР ABFJ11001 И ВЫШЕ)

1Артикул: 6696997, FLYWHEEL
2Артикул: 6696485, GEAR, RING
3Артикул: 6695926, BOLT FLYWHEEL
Подробнее >
КОМПЛЕКТ ОСНОВНОГО КОРПУСА ПОДШИПНИКА (СЕРИЙНЫЙ НОМЕР ABFJ11001 И ВЫШЕ)

КОМПЛЕКТ ОСНОВНОГО КОРПУСА ПОДШИПНИКА (СЕРИЙНЫЙ НОМЕР ABFJ11001 И ВЫШЕ)

1Артикул: 6695384, HOUSING MAIN BEARING W/Ref. 2 & 12
2Артикул: 6695568, BOLT BEARING CASE 1
3Артикул: 6695957, GASKET BEARING CASE
Подробнее >
РЫЧАГ ОСТАНОВА ДВИГАТЕЛЯ В СБОРЕ (СЕРИЙНЫЙ НОМЕР A59B11001 И ВЫШЕ)

РЫЧАГ ОСТАНОВА ДВИГАТЕЛЯ В СБОРЕ (СЕРИЙНЫЙ НОМЕР A59B11001 И ВЫШЕ)

1Артикул: 6696733, SPRING
2Артикул: 6696623, SHAFT, IDLE ADJUST
3Артикул: 6697120, BUSHING
Подробнее >
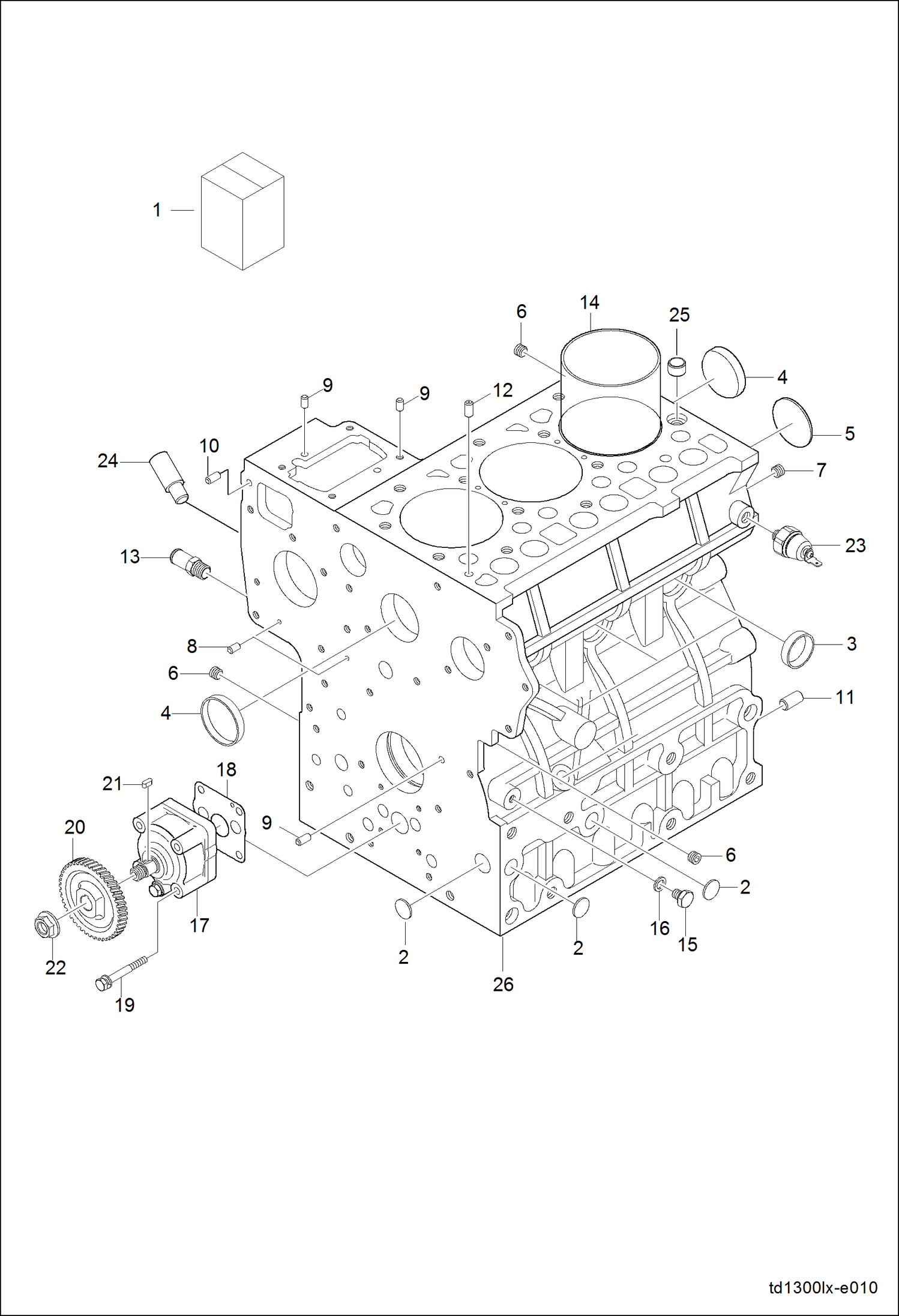
БЛОК ЦИЛИНДРОВ В СБОРЕ (СЕРИЙНЫЙ НОМЕР A59B11001 И ВЫШЕ)

БЛОК ЦИЛИНДРОВ В СБОРЕ (СЕРИЙНЫЙ НОМЕР A59B11001 И ВЫШЕ)

1Артикул: ENGINE,, ENGINE, DAEDONG TD1300LXBC NLA - Tier II - S/N located on the block near the fuel injection pump - Order iTIV engine 7001125 - Fuel cam output shaft used to drive gear pump is shorter requires discarding 6695738 Bushing, 6696036 Gear & 6694110 Snap Ring, order 6696023 Gear & 6696496 Snap Ring - Was 7001124 - A
2Артикул: 6697533, PLUG
3Артикул: 6695696, CAP SEALING
Подробнее >
ТАБЛИЧКА РЕГУЛЯТОРА СКОРОСТИ В СБОРЕ (СЕРИЙНЫЙ НОМЕР A59B11001 И ВЫШЕ)

ТАБЛИЧКА РЕГУЛЯТОРА СКОРОСТИ В СБОРЕ (СЕРИЙНЫЙ НОМЕР A59B11001 И ВЫШЕ)

1Артикул: 6697071, BOLT ADJUSTING
2Артикул: 6696251, NUT
3Артикул: 6695953, GASKET
Подробнее >
ТРУБОПРОВОД, СИСТЕМА ОХЛАЖДЕНИЯ (СЕРИЙНЫЙ НОМЕР A59B11001 И ВЫШЕ)

ТРУБОПРОВОД, СИСТЕМА ОХЛАЖДЕНИЯ (СЕРИЙНЫЙ НОМЕР A59B11001 И ВЫШЕ)

1Артикул: 6697226, FLANGE WATER
2Артикул: 6697242, GASKET
3Артикул: 4CM822, BOLT Was 6697055 - A
Подробнее >
КРЫШКА ГОЛОВКИ ЦИЛИНДРА GROUP (СЕРИЙНЫЙ НОМЕР ABFJ11001 И ВЫШЕ)

КРЫШКА ГОЛОВКИ ЦИЛИНДРА GROUP (СЕРИЙНЫЙ НОМЕР ABFJ11001 И ВЫШЕ)

1Артикул: 6697179, COVER, HEAD CYL ENG assy - Ref. 2-8
2Артикул: 6697188, COVER, ROCKER ARM
3Артикул: 6696082, GASKET ROCKER ARM
Подробнее >
РАСПРЕДЕЛИТЕЛЬНЫЙ ВАЛ В СБОРЕ (СЕРИЙНЫЙ НОМЕР A59B11001 И ВЫШЕ)

РАСПРЕДЕЛИТЕЛЬНЫЙ ВАЛ В СБОРЕ (СЕРИЙНЫЙ НОМЕР A59B11001 И ВЫШЕ)

1Артикул: 6696828, TAPPET
2Артикул: 6696529, ROD PUSH
3Артикул: 6695399, CAMSHAFT
Подробнее >
ГЕНЕРАТОР ПЕРЕМЕННОГО ТОКА В СБОРЕ (СЕРИЙНЫЙ НОМЕР ABFJ11001 И ВЫШЕ)

ГЕНЕРАТОР ПЕРЕМЕННОГО ТОКА В СБОРЕ (СЕРИЙНЫЙ НОМЕР ABFJ11001 И ВЫШЕ)

1Артикул: 6695295, ALTERNATOR
2Артикул: 6696698, SPACER
3Артикул: 6693994, BOLT
Подробнее >
ГЛУШИТЕЛЬ В СБОРЕ

ГЛУШИТЕЛЬ В СБОРЕ

1Артикул: 7121041, MUFFLER
2Артикул: 6697250, GASKET
3Артикул: 6697056, BOLT
Подробнее >
ГЕНЕРАТОР ПЕРЕМЕННОГО ТОКА В СБОРЕ (СЕРИЙНЫЙ НОМЕР A59B11001 И ВЫШЕ)

ГЕНЕРАТОР ПЕРЕМЕННОГО ТОКА В СБОРЕ (СЕРИЙНЫЙ НОМЕР A59B11001 И ВЫШЕ)

1Артикул: 6695295, ALTERNATOR
2Артикул: 6696698, SPACER
3Артикул: 6693994, BOLT
Подробнее >
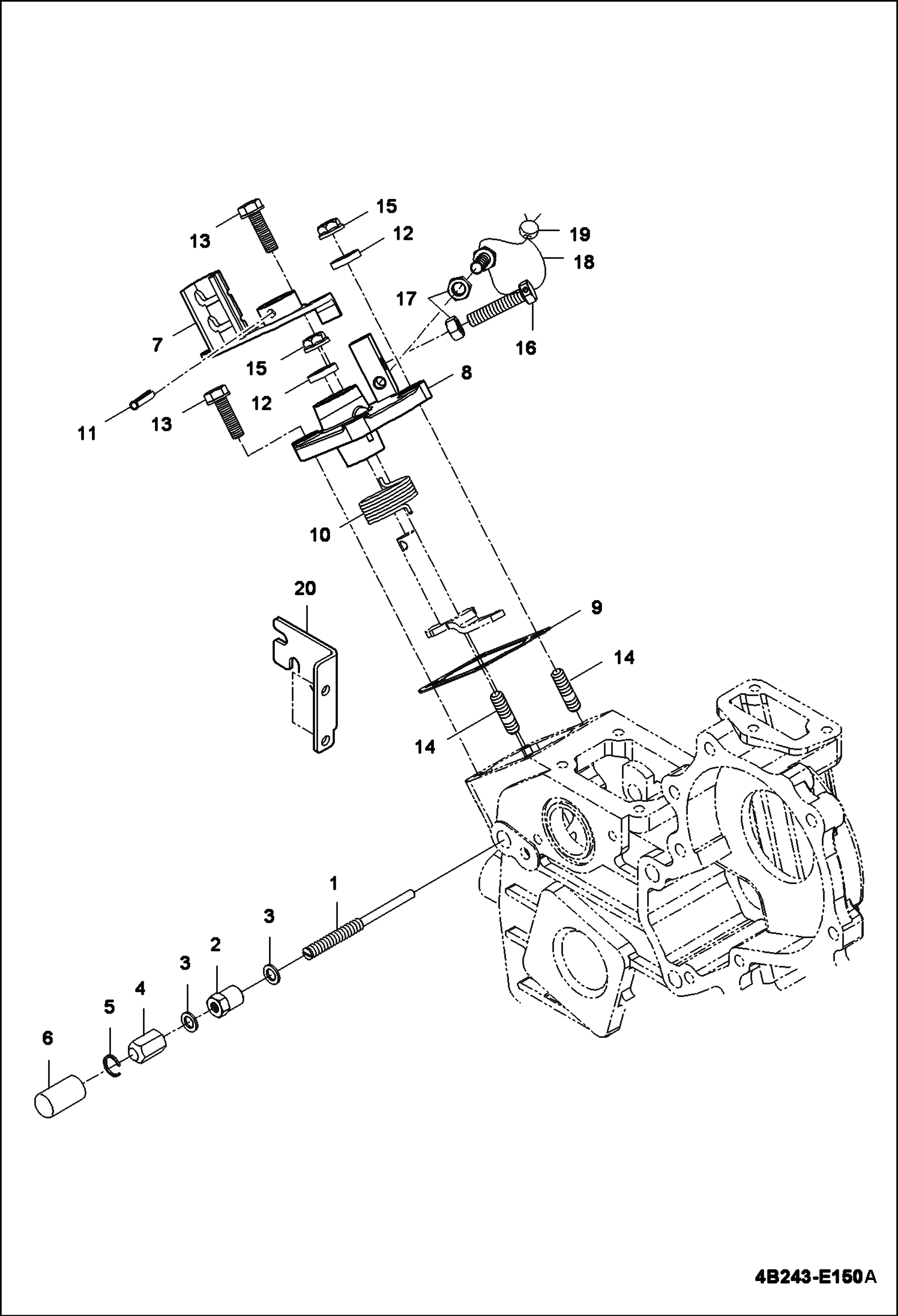
РЕГУЛЯТОР ОБОРОТОВ (СЕРИЙНЫЙ НОМЕР A59B11001 И ВЫШЕ)

РЕГУЛЯТОР ОБОРОТОВ (СЕРИЙНЫЙ НОМЕР A59B11001 И ВЫШЕ)

1Артикул: 6695329, LEVER GOVERNOR
2Артикул: 6695930, LEVER, FORK ASSY
3Артикул: 6680706, BOLT Was 7002481 - A
Подробнее >
ПОРШЕНЬ КОЛЕНЧАТАЯ ОСЬ (СЕРИЙНЫЙ НОМЕР A59B11001 И ВЫШЕ)

ПОРШЕНЬ КОЛЕНЧАТАЯ ОСЬ (СЕРИЙНЫЙ НОМЕР A59B11001 И ВЫШЕ)

1Артикул: 6695423, PISTON, ASSY W PIN
2Артикул: PISTON, PISTON ASSY W PIN NLA - Order Ref. 1
3Артикул: 6696369, PIN, PISTON ENG
Подробнее >
КАРТЕР КОРОБКИ ПЕРЕДАЧ В СБОРЕ (СЕРИЙНЫЙ НОМЕР A59B11001 И ВЫШЕ)

КАРТЕР КОРОБКИ ПЕРЕДАЧ В СБОРЕ (СЕРИЙНЫЙ НОМЕР A59B11001 И ВЫШЕ)

1Артикул: 7000221, GEAR, CASE ASSY Ref. 2, 3, 7-18 & 28-32 - Was 6697289 - A
2Артикул: 7000220, HOUSING, GEAR Was 6697367 - A
3Артикул: 6694756, PLUG
Подробнее >
ВОЗДУХООЧИСТИТЕЛЬ В СБОРЕ (СЕРИЙНЫЙ НОМЕР ABFJ11001 И ВЫШЕ)

ВОЗДУХООЧИСТИТЕЛЬ В СБОРЕ (СЕРИЙНЫЙ НОМЕР ABFJ11001 И ВЫШЕ)

1Артикул: 7001980, FILTER, AIR CLEANER ASSY Was 6697221 - A
2Артикул: 6695356, HOUSING, AIR CLEANER
3Артикул: 6666334, FILTER, AIR INNER
Подробнее >
ВОЗДУХООЧИСТИТЕЛЬ В СБОРЕ (СЕРИЙНЫЙ НОМЕР A59B11001 И ВЫШЕ)

ВОЗДУХООЧИСТИТЕЛЬ В СБОРЕ (СЕРИЙНЫЙ НОМЕР A59B11001 И ВЫШЕ)

1Артикул: 7001980, FILTER, AIR CLEANER ASSY Was 6697221 - A
2Артикул: 6695356, HOUSING, AIR CLEANER
3Артикул: 6666334, FILTER, AIR INNER
Подробнее >
РАСПРЕДЕЛИТЕЛЬНЫЙ ВАЛ В СБОРЕ (СЕРИЙНЫЙ НОМЕР ABFJ11001 И ВЫШЕ)

РАСПРЕДЕЛИТЕЛЬНЫЙ ВАЛ В СБОРЕ (СЕРИЙНЫЙ НОМЕР ABFJ11001 И ВЫШЕ)

1Артикул: 6696828, TAPPET
2Артикул: 6696530, ROD PUSH
3Артикул: 6695400, CAMSHAFT
Подробнее >
КАРТЕР КОРОБКИ ПЕРЕДАЧ В СБОРЕ (СЕРИЙНЫЙ НОМЕР ABFJ11001 И ВЫШЕ)

КАРТЕР КОРОБКИ ПЕРЕДАЧ В СБОРЕ (СЕРИЙНЫЙ НОМЕР ABFJ11001 И ВЫШЕ)

1Артикул: 7000221, GEAR, CASE ASSY Ref. 2, 3, 7-18 & 28-32
2Артикул: 7000220, HOUSING, GEAR
3Артикул: 6694756, PLUG
Подробнее >
ГОЛОВКА ЦИЛИНДРА В СБОРЕ (СЕРИЙНЫЙ НОМЕР A59B11001 И ВЫШЕ)

ГОЛОВКА ЦИЛИНДРА В СБОРЕ (СЕРИЙНЫЙ НОМЕР A59B11001 И ВЫШЕ)

1Артикул: 6697333, HEAD CYLINDER
2Артикул: 6695695, CAP SEALING
3Артикул: 6694304, CAP SEALING
Подробнее >
РАДИАТОР В СБОРЕ (СЕРИЙНЫЙ НОМЕР ABFJ11001 И ВЫШЕ)

РАДИАТОР В СБОРЕ (СЕРИЙНЫЙ НОМЕР ABFJ11001 И ВЫШЕ)

1Артикул: 7000258, RADIATOR aluminum
2Артикул: 7002330, CAP, RADIATOR
3Артикул: 7000247, SPONGE
Подробнее >
ДЕРЖАТЕЛЬ ФОРСУНКИ В СБОРЕ (СЕРИЙНЫЙ НОМЕР A59B11001 И ВЫШЕ)

ДЕРЖАТЕЛЬ ФОРСУНКИ В СБОРЕ (СЕРИЙНЫЙ НОМЕР A59B11001 И ВЫШЕ)

1Артикул: 7000227, HOLDER, NOZZLE Was 6695387 - A
2Артикул: 6694764, GASKET
3Артикул: 6696842, TUBE INJECTION
Подробнее >
ФРИКЦИОН В СБОРЕ

ФРИКЦИОН В СБОРЕ

1Артикул: 6697511, PLATE CLUTCH
2Артикул: 6695332, PLATE, CLUTCH PRESSURE
3Артикул: 6695596, BOLT, REAMER
Подробнее >
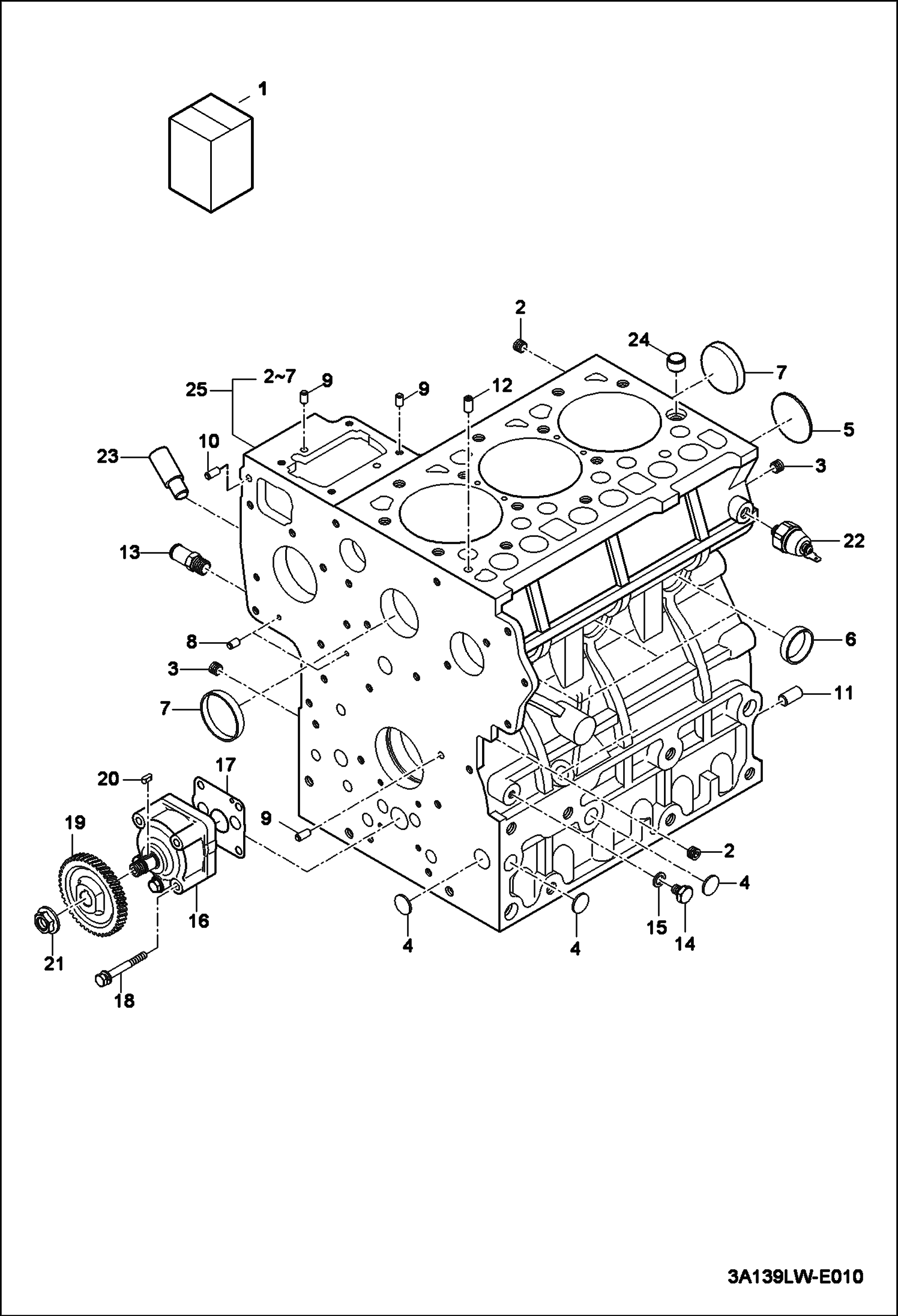
БЛОК ЦИЛИНДРОВ В СБОРЕ (СЕРИЙНЫЙ НОМЕР ABFJ11001 И ВЫШЕ)

БЛОК ЦИЛИНДРОВ В СБОРЕ (СЕРИЙНЫЙ НОМЕР ABFJ11001 И ВЫШЕ)

1Артикул: 7001125, ENGINE, DAEDONG 3A139LWBC S/N located on the block near the fuel injection pump
2Артикул: 6694757, PLUG
3Артикул: 6694758, PLUG
Подробнее >
ПОДДОН КАРТЕРА В СБОРЕ (СЕРИЙНЫЙ НОМЕР A59B11001 И ВЫШЕ)

ПОДДОН КАРТЕРА В СБОРЕ (СЕРИЙНЫЙ НОМЕР A59B11001 И ВЫШЕ)

1Артикул: 6696292, PAN OIL requires 18 of Ref. 3 and 2 of Ref. 4 for mounting
2Артикул: 7012670, PAN, OIL requires 20 of Ref. 3 for mounting - Was 7002287
3Артикул: 6697270, GASKET, PAN OIL ENG
Подробнее >
ГРУППА ПОРШЕНЕЙ КОЛЕНЧАТОГО ВАЛА (СЕРИЙНЫЙ НОМЕР ABFJ11001 И ВЫШЕ)

ГРУППА ПОРШЕНЕЙ КОЛЕНЧАТОГО ВАЛА (СЕРИЙНЫЙ НОМЕР ABFJ11001 И ВЫШЕ)

1Артикул: 7012669, PISTON, ENG W/Ref. 3
2Артикул: PISTON, PISTON ASSY W PIN NLA - Order Ref. 1
3Артикул: 6696403, PISTON, PIN
Подробнее >
ДЕРЖАТЕЛЬ ФОРСУНКИ В СБОРЕ (СЕРИЙНЫЙ НОМЕР ABFJ11001 И ВЫШЕ)

ДЕРЖАТЕЛЬ ФОРСУНКИ В СБОРЕ (СЕРИЙНЫЙ НОМЕР ABFJ11001 И ВЫШЕ)

1Артикул: 7000227, HOLDER, NOZZLE
2Артикул: 6694765, SHIELD HEAT
3Артикул: 6694764, GASKET
Подробнее >
ВОДЯНОЙ НАСОС (СЕРИЙНЫЙ НОМЕР ABFJ11001 И ВЫШЕ)

ВОДЯНОЙ НАСОС (СЕРИЙНЫЙ НОМЕР ABFJ11001 И ВЫШЕ)

1Артикул: 6697555, PUMP WATER
2Артикул: HOUSING, HOUSING WATER PUMP NLA - Order Ref. 1
3Артикул: BEARING, BEARING WATER PUMP NLA - Order Ref. 1
Подробнее >
ПОДДОН КАРТЕРА В СБОРЕ (СЕРИЙНЫЙ НОМЕР ABFJ11001 И ВЫШЕ)

ПОДДОН КАРТЕРА В СБОРЕ (СЕРИЙНЫЙ НОМЕР ABFJ11001 И ВЫШЕ)

1Артикул: 7012670, PAN, OIL
2Артикул: 6697270, GASKET, PAN OIL ENG
3Артикул: 6697072, BOLT FLANGE
Подробнее >
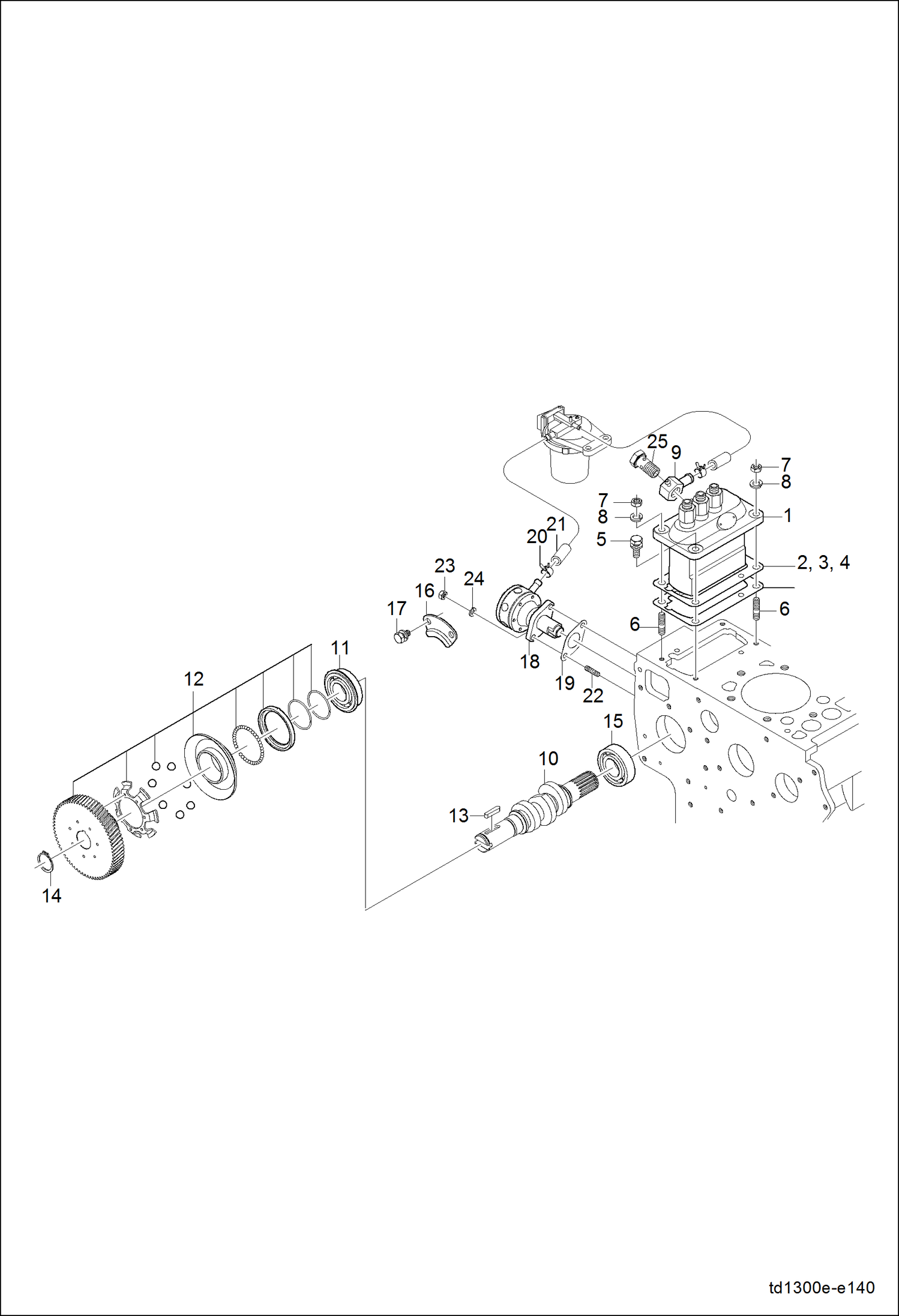
ГРУППА ТОПЛИВНОГО РАСПРЕДЕЛИТЕЛЬНОГО ВАЛА (СЕРИЙНЫЙ НОМЕР A59B11001 И ВЫШЕ)

ГРУППА ТОПЛИВНОГО РАСПРЕДЕЛИТЕЛЬНОГО ВАЛА (СЕРИЙНЫЙ НОМЕР A59B11001 И ВЫШЕ)

1Артикул: 7010240, PUMP, FUEL INJ Was 6697553 - A
2Артикул: 6694603, SHIM, PUMP INJ 0.15 mm thick
3Артикул: 6694604, SHIM 0.30 mm thick
Подробнее >
ГОЛОВКА ЦИЛИНДРА В СБОРЕ (СЕРИЙНЫЙ НОМЕР ABFJ11001 И ВЫШЕ)

ГОЛОВКА ЦИЛИНДРА В СБОРЕ (СЕРИЙНЫЙ НОМЕР ABFJ11001 И ВЫШЕ)

1Артикул: 7000294, HEAD, CYL ENG
2Артикул: 6695695, CAP SEALING
3Артикул: 6694304, CAP SEALING
Подробнее >
КЛАПАН И КЛАПАННОЕ КОРОМЫСЛО (СЕРИЙНЫЙ НОМЕР ABFJ11001 И ВЫШЕ)

КЛАПАН И КЛАПАННОЕ КОРОМЫСЛО (СЕРИЙНЫЙ НОМЕР ABFJ11001 И ВЫШЕ)

1Артикул: 6696154, VALVE, INTAKE
2Артикул: 6695896, VALVE EXHAUST
3Артикул: 6696888, SPRING VALVE
Подробнее >
КОМПЛЕКТ ОСНОВНОГО КОРПУСА ПОДШИПНИКА (СЕРИЙНЫЙ НОМЕР A59B11001 И ВЫШЕ)

КОМПЛЕКТ ОСНОВНОГО КОРПУСА ПОДШИПНИКА (СЕРИЙНЫЙ НОМЕР A59B11001 И ВЫШЕ)

1Артикул: 6695419, HOUSING, MAIN BEARING
2Артикул: 6695581, BOLT BEARING CASE1
3Артикул: 6694339, WASHER PLAIN
Подробнее >
РЕГУЛЯТОР ОБОРОТОВ (СЕРИЙНЫЙ НОМЕР ABFJ11001 И ВЫШЕ)

РЕГУЛЯТОР ОБОРОТОВ (СЕРИЙНЫЙ НОМЕР ABFJ11001 И ВЫШЕ)

1Артикул: 6695329, LEVER GOVERNOR
2Артикул: 6695931, LEVER FORK ASSY
3Артикул: 6680706, BOLT Was 7002481 - A
Подробнее >