+7 (701) 588 50 05 Телефон для связи
RU

WhatsApp

Позвонить

ЗАПЧАСТИ ДВИГАТЕЛЯ в Алматы

ВОДЯНОЙ ФЛАНЕЦ И ТЕРМОСТАТ

ВОДЯНОЙ ФЛАНЕЦ И ТЕРМОСТАТ

1Артикул: 3974677, PIPE water return - Was 6653791 - A
2Артикул: 3974988, PIPE water return
3Артикул: 3974679, BAND pipe
Подробнее >
РЕДУКТОР

РЕДУКТОР

1Артикул: CASE, CASE ASSY. NLA - gear - W/Ref. 3-7 - Order 6688640 Gearcase, (2) 6685466 O-ring, 6686981 Pin, 6685468 O-ring, (2) 3974395 Pin & 6652592 O-ring - Was 3974886B - A
2Артикул: 6675517, FILTER, OIL ENG 12 Was 3974896B - A
3Артикул: 3966515, O RING
Подробнее >
РЕГУЛЯТОР ОБОРОТОВ

РЕГУЛЯТОР ОБОРОТОВ

1Артикул: 6598174, LEVER governor
2Артикул: 6598153, LEVER assembly - Ref. 3 - 7, 9 - 14
3Артикул: 6598152, LEVER fork - W/Ref. 4-7
Подробнее >
ТОПЛИВНЫЙ НАСОС

ТОПЛИВНЫЙ НАСОС

1Артикул: 6655516, PUMP injection - Ref. 2-22 - Was 6598131 - A
2Артикул: 6655209, PLATE adjust - Was 3974365B - A
3Артикул: 3974366, BOLT
Подробнее >
КОМПЛЕКТ ПРОКЛАДОК ВЕРХНЕЙ ЧАСТИ

КОМПЛЕКТ ПРОКЛАДОК ВЕРХНЕЙ ЧАСТИ

1Артикул: 6630554, GASKET KIT Ref. 2-14
2Артикул: 6666801, GASKET See Illustration MANIFOLDS/ C2566 - intake
3Артикул: 6666781, GASKET See Illustration MANIFOLDS/ C2566 - exhaust
Подробнее >
ВОЗДУШНЫЙ ФИЛЬТР

ВОЗДУШНЫЙ ФИЛЬТР

1Артикул: 6563400, AIR CLEANER Ref. 2-8
2Артикул: TANK, TANK NLA
3Артикул: 6598492, ELEMENT
Подробнее >
МАСЛЯНЫЙ ПОДДОН

МАСЛЯНЫЙ ПОДДОН

1Артикул: OIL, OIL PAN NLA - two piece - Was 6598184 - A
2Артикул: 6655474, GASKET Use W/Two Piece Oil Pan - Was 3974407B - A
3Артикул: 5CM1030, BOLT 11 or 12
Подробнее >
КОМПЛЕКТ НИЖНИХ ПРОКЛАДОК

КОМПЛЕКТ НИЖНИХ ПРОКЛАДОК

1Артикул: 6630555, GASKET KIT Also order Ref. 20-22 as needed
2Артикул: 6666782, GASKET See Illustration CRANKCASE/ B20612 - oil pump
3Артикул: 6666805, GASKET See Illustration OIL PAN/ C2550 - oil pan
Подробнее >
ПОРШНИ И КОЛЕНВАЛ

ПОРШНИ И КОЛЕНВАЛ

1Артикул: 6598762, PISTON
2Артикул: 6599914, PISTON, ENG (0,5 mm) - .0197
3Артикул: 6598110, RINGS piston - Std.
Подробнее >
КАРТЕР ДВИГАТЕЛЯ

КАРТЕР ДВИГАТЕЛЯ

1Артикул: 6598183, CRANKCASE W/Ref. 2-15
2Артикул: 6598109, LINER, CYL CRANKCASE cylinder
3Артикул: 6652574, PLUG Was 6598169 - A
Подробнее >
КОЛЛЕКТОР

КОЛЛЕКТОР

1Артикул: 6598132, MANIFOLD exhaust
2Артикул: GASKET, GASKET NLA - Order Ref. 10 & 11 - Was 3974915 - A
3Артикул: 6652670, STUD Was 3974916B - A
Подробнее >
КАРДАННЫЙ ШАРНИР

КАРДАННЫЙ ШАРНИР

1Артикул: 6598347, U-JOINT Ref. 2-5 & 8
2Артикул: 6598303, SPIDER
3Артикул: 11H25, FITTING10
Подробнее >
ДРОССЕЛЬНАЯ ЗАСЛОНКА И ВЫКЛЮЧЕНИЕ ПОДАЧИ ТОПЛИВА (СЕРИЙНЫЙ НОМЕР 12001 И ВЫШЕ)

ДРОССЕЛЬНАЯ ЗАСЛОНКА И ВЫКЛЮЧЕНИЕ ПОДАЧИ ТОПЛИВА (СЕРИЙНЫЙ НОМЕР 12001 И ВЫШЕ)

1Артикул: 35C612, BOLT Was 25G000612B - B
2Артикул: 6530636, MOUNT
3Артикул: 83D6, NUT 5
Подробнее >
РЫЧАГ ОСТАНОВА ДВИГАТЕЛЯ

РЫЧАГ ОСТАНОВА ДВИГАТЕЛЯ

1Артикул: 6598149, IDLE ASSY. idle assy. - Ref. 2-6
2Артикул: 6598150, BOLT adj. - Ref. 3 & 4
3Артикул: 6598151, BOLT adjusting
Подробнее >
ВОДЯНАЯ ПОМПА

ВОДЯНАЯ ПОМПА

1Артикул: 6684225, WATER PUMP water - Ref. 2 - 8 - Was 6653941 - A
2Артикул: BODY, BODY NLA - water pump
3Артикул: 3974991, BEARING
Подробнее >
ФОРСУНКОДЕРЖАТЕЛЬ

ФОРСУНКОДЕРЖАТЕЛЬ

1Артикул: 3974254, INJECTOR, FUEL ASSY nozzle - Ref. 2-11
2Артикул: 3974322, NUT
3Артикул: 3974324, FITTING
Подробнее >
КРЫШКА КОРОМЫСЛА КЛАПАНА

КРЫШКА КОРОМЫСЛА КЛАПАНА

1Артикул: 3974924, PLATE element
2Артикул: 3974925, PLATE element
3Артикул: 3974926, BREATHER breather
Подробнее >
ФОРСУНКИ

ФОРСУНКИ

1Артикул: 3974254, INJECTOR, FUEL ASSY nozzle 2
2Артикул: 3974255, WASHER
3Артикул: 3974604, PIPE injection (1)
Подробнее >
ТОПЛИВНЫЙ РАСПРЕДЕЛИТЕЛЬНЫЙ ВАЛ

ТОПЛИВНЫЙ РАСПРЕДЕЛИТЕЛЬНЫЙ ВАЛ

1Артикул: 6598138, CAMSHAFT assy. - Ref. 2-14
2Артикул: 6653689, CAMSHAFT
3Артикул: 6598140, CAMSHAFT fuel
Подробнее >
ДВИГАТЕЛЬ (KUBOTA - V1702-B)

ДВИГАТЕЛЬ (KUBOTA - V1702-B)

1Артикул: ENGINE, ENGINE See BTI328 See BTI388ldr NLA - Does not include starter, alternator, flywheel or flywheel housing - Was 6562233 - A
2Артикул: 6562233REM, ENGINE
3Артикул: SHORT, SHORT BLOCK NLA
Подробнее >
ФИЛЬТР ДЛЯ ТОПЛИВА

ФИЛЬТР ДЛЯ ТОПЛИВА

1Артикул: 6560348, FITLER, FUEL ASSY Ref. 2-11
2Артикул: 1C432, SCREW Was 6598227 - A
3Артикул: 6598226, WASHER
Подробнее >
РАСПРЕДВАЛ

РАСПРЕДВАЛ

1Артикул: 7015269, TAPPET Was 6667428 - A
2Артикул: 3974541, PUSH ROD
3Артикул: 6598137, CAMSHAFT assy. - Ref. 4-8
Подробнее >
ТАБЛИЧКА РЕГУЛЯТОРА СКОРОСТИ

ТАБЛИЧКА РЕГУЛЯТОРА СКОРОСТИ

1Артикул: 3974970, BOLT adjusting
2Артикул: 3974971, NUT
3Артикул: 3974972, GASKET
Подробнее >
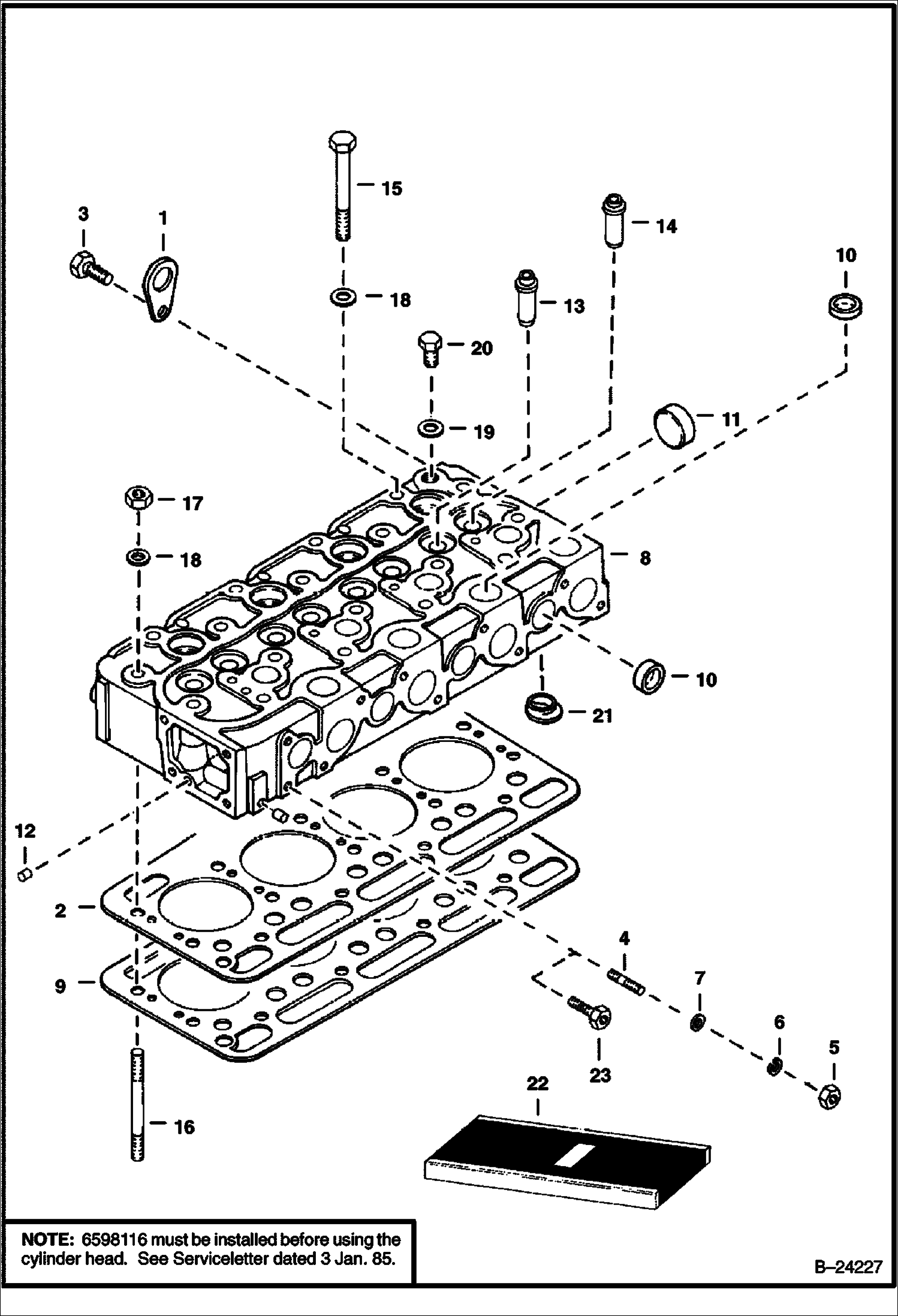
ГОЛОВКА БЛОКА ЦИЛИНДРОВ

ГОЛОВКА БЛОКА ЦИЛИНДРОВ

1Артикул: 3974882, HOOK engine
2Артикул: 6598126, SHIM
3Артикул: 1CM816, BOLT Was 4CM816 - A
Подробнее >
ДРОССЕЛЬНАЯ ЗАСЛОНКА И ВЫКЛЮЧЕНИЕ ПОДАЧИ ТОПЛИВА (СЕРИЙНЫЙ НОМЕР 11999 И НИЖЕ)

ДРОССЕЛЬНАЯ ЗАСЛОНКА И ВЫКЛЮЧЕНИЕ ПОДАЧИ ТОПЛИВА (СЕРИЙНЫЙ НОМЕР 11999 И НИЖЕ)

1Артикул: 6554858, BALL JOINT ball joint - fine threads
2Артикул: 62D4, NUT fine threads
3Артикул: 6562494, ROD
Подробнее >
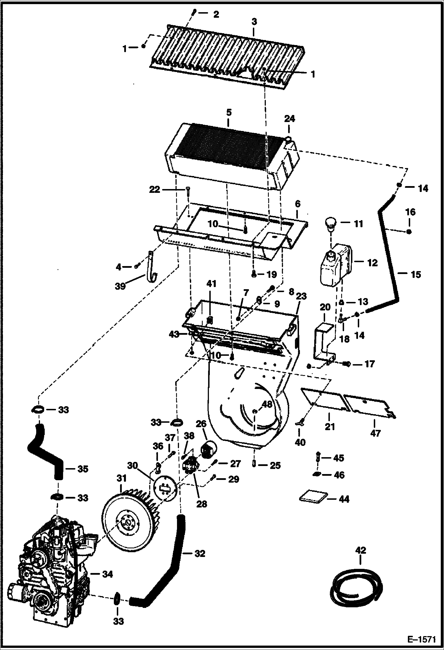
ДВИГАТЕЛЬ И КРЕПЕЖНЫЕ ДЕТАЛИ

ДВИГАТЕЛЬ И КРЕПЕЖНЫЕ ДЕТАЛИ

1Артикул: 57D6, NUT 5
2Артикул: 84G3716, SCREW 5
3Артикул: 6567868, GRILL
Подробнее >
ПЛЕЧО КОРОМЫСЛА КЛАПАНА

ПЛЕЧО КОРОМЫСЛА КЛАПАНА

1Артикул: 6653828, VALVE inlet - Was 3974512B - A
2Артикул: 6653829, VALVE exhaust - Was 3974513B - A
3Артикул: 3974514, SPRING 5 valve
Подробнее >