+7 (701) 588 50 05 Телефон для связи
RU

WhatsApp

Позвонить

ЗАПЧАСТИ ДВИГАТЕЛЯ в Алматы

ДЕРЖАТЕЛЬ ФОРСУНКИ

ДЕРЖАТЕЛЬ ФОРСУНКИ

1Артикул: NOZZLE, NOZZLE HOLDER NLA - Ref. 2-11 - Order 7012004 nozzle holder & Ref. 2 - Was 6670465 - A
2Артикул: 6670465REM, NOZZLE, FUEL INJ. KUBOTA D722 Ref. 2-11
3Артикул: 6657460, NUT
Подробнее >
ОСНОВНОЙ КОРПУС ПОДШИПНИКА

ОСНОВНОЙ КОРПУС ПОДШИПНИКА

1Артикул: CASE, CASE NLA - W/Ref. 2 - Order 7000375 case assy - Was 6670375 - A
2Артикул: 7000375, CASE, BEARING ASSY W/Ref. 2 and 6670412 bearing - Was 7000375 - A
3Артикул: 6670376, BOLT Washer Head
Подробнее >
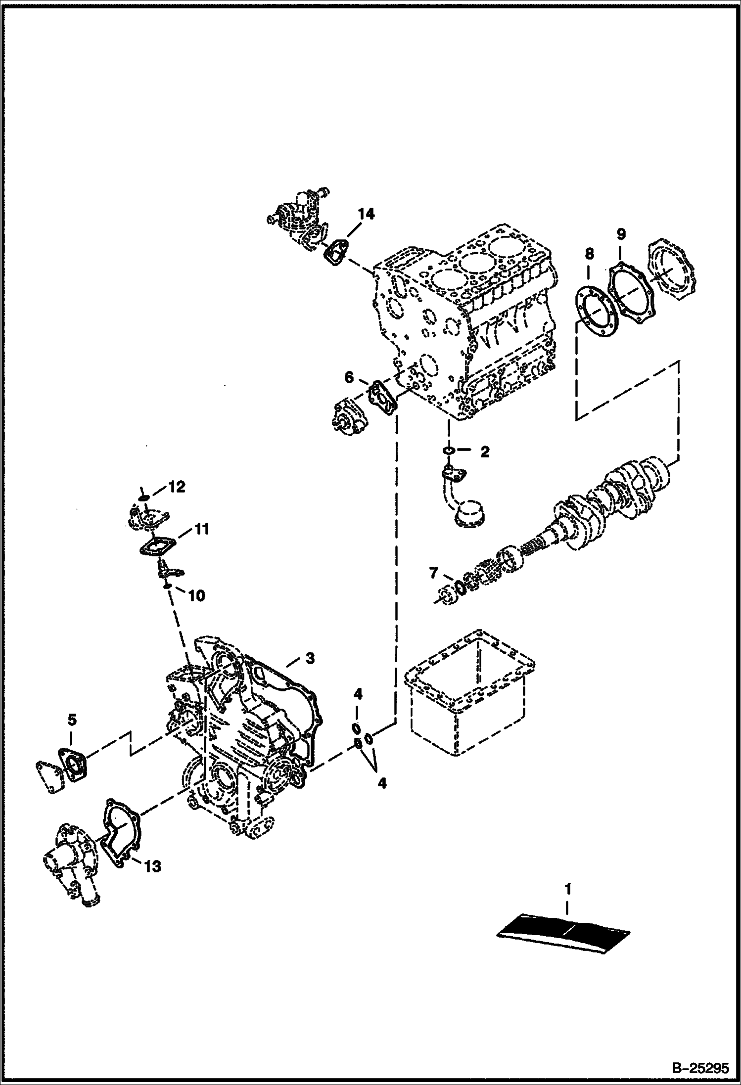
КОМПЛЕКТ НИЖНИХ ПРОКЛАДОК

КОМПЛЕКТ НИЖНИХ ПРОКЛАДОК

1Артикул: 6672740, LOWER GASKET KIT Lower -W/Ref. 2-14
2Артикул: 3966516, RING,O oil pick-up tube
3Артикул: 6670356, GASKET gearcase
Подробнее >
КОРОМЫСЛО КЛАПАНА И КЛАПАНЫ

КОРОМЫСЛО КЛАПАНА И КЛАПАНЫ

1Артикул: 6670511, VALVE Intake
2Артикул: 6670512, VALVE Exhaust
3Артикул: 6670513, SPRING
Подробнее >
КОЛЛЕКТОР

КОЛЛЕКТОР

1Артикул: 6670534, MANIFOLD Intake
2Артикул: 6670535, GASKET See Illustration UPPER GASKET KIT/ C3243 - Included W/Upper Gasket Kit
3Артикул: 3974289, STUD Was 6670532 - A
Подробнее >
ПОРШНИ И КОЛЕНВАЛ

ПОРШНИ И КОЛЕНВАЛ

1Артикул: 7000376, PISTON, ENG std. - piston only - (16851-2111) - Was 6670393 - A
2Артикул: 6670394, PISTON .010 in. (0.25 mm Oversize) - Only Piston
3Артикул: 6670395, RING ASSY piston - std - for 1 piston
Подробнее >
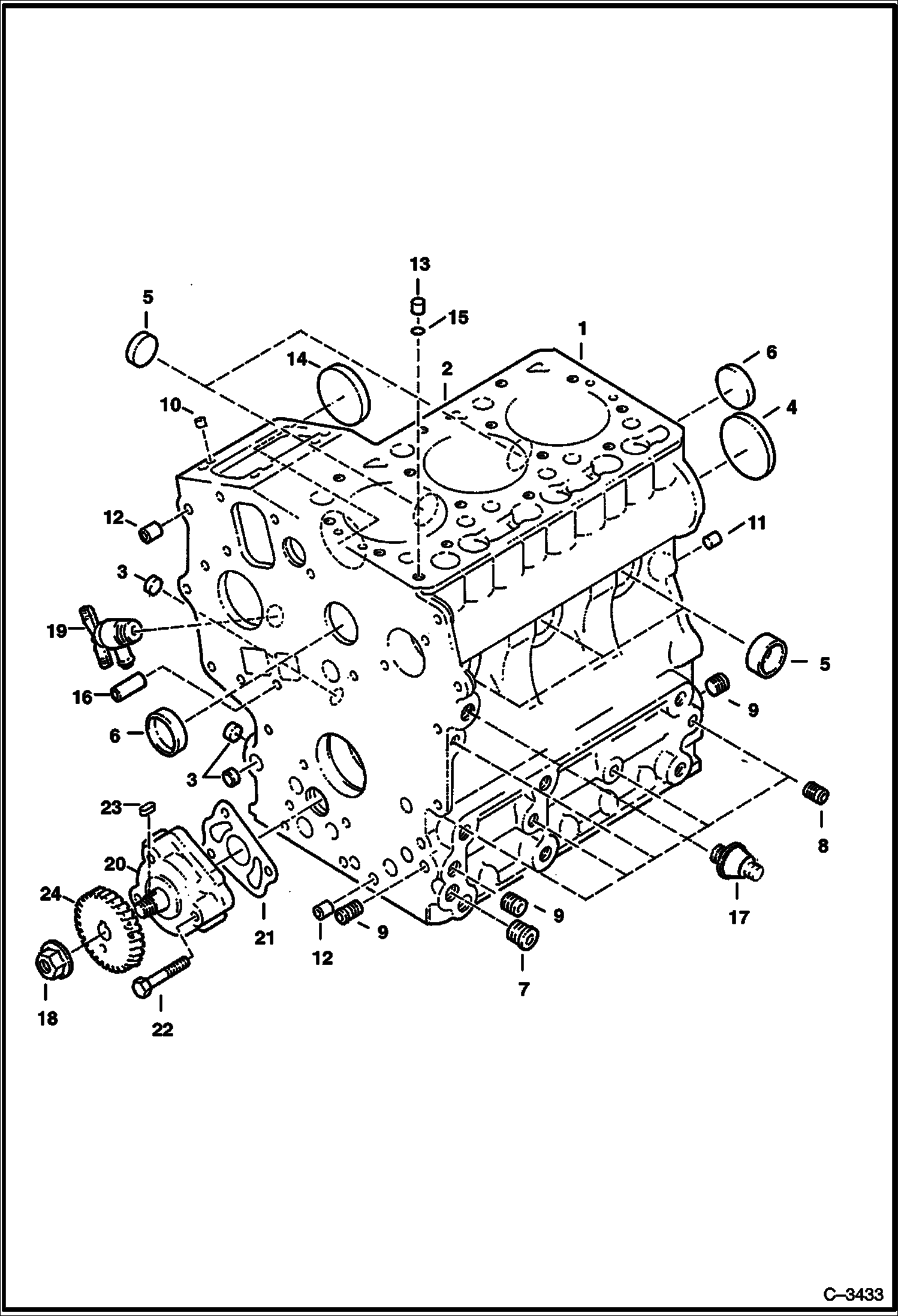
КАРТЕР ДВИГАТЕЛЯ

КАРТЕР ДВИГАТЕЛЯ

1Артикул: 6670336, CRANKCASE W/Ref. 2-13
2Артикул: 6599985, LINER
3Артикул: 6670337, PLUG
Подробнее >
ТОПЛИВНЫЙ РАСПРЕДЕЛИТЕЛЬНЫЙ ВАЛ

ТОПЛИВНЫЙ РАСПРЕДЕЛИТЕЛЬНЫЙ ВАЛ

1Артикул: 6670416, CAMSHAFT, FUEL assy - W/Ref. 2, 4-7, 9, 12 & 13
2Артикул: 6670418, GEAR
3Артикул: 6670422, CIR-CLIP
Подробнее >
РЕГУЛЯТОР СКОРОСТИ И СТОПОРНАЯ РУКОЯТКА

РЕГУЛЯТОР СКОРОСТИ И СТОПОРНАЯ РУКОЯТКА

1Артикул: 6670424, IDLE ASSY Ref. 2-7
2Артикул: 6653905, CAP
3Артикул: BOLT, BOLT NSS
Подробнее >
ВОДЯНОЙ ФЛАНЕЦ И ТЕРМОСТАТ

ВОДЯНОЙ ФЛАНЕЦ И ТЕРМОСТАТ

1Артикул: 6670499, FLANGE W/Ref. 9
2Артикул: 6670500, GASKET See Illustration UPPER GASKET KIT/ C3243 - Included W/Upper Gasket Kit
3Артикул: 1CM616, SCREW Was 4CM616 - A
Подробнее >
ФОРСУНКИ

ФОРСУНКИ

1Артикул: 6670463, PIPE Injector Return Line
2Артикул: 6670464, HOSE Overflow - W/Ref. 13
3Артикул: NOZZLE, NOZZLE HOLDER See Illustration NOZZLE HOLDER/ B14862 - Was 6670465 - A
Подробнее >
ДВИГАТЕЛЬ

ДВИГАТЕЛЬ

1Артикул: ENGINE, ENGINE See BTIE-063 - NLA - Does not include Starter, Fan, Alternator, Flywheel & Bell Housing - Was 6669594 - A
2Артикул: SHORT, SHORT BLOCK NLA
3Артикул: 6672739, UPPER GASKET KIT See Illustration UPPER GASKET KIT/ C3243 - Upper
Подробнее >
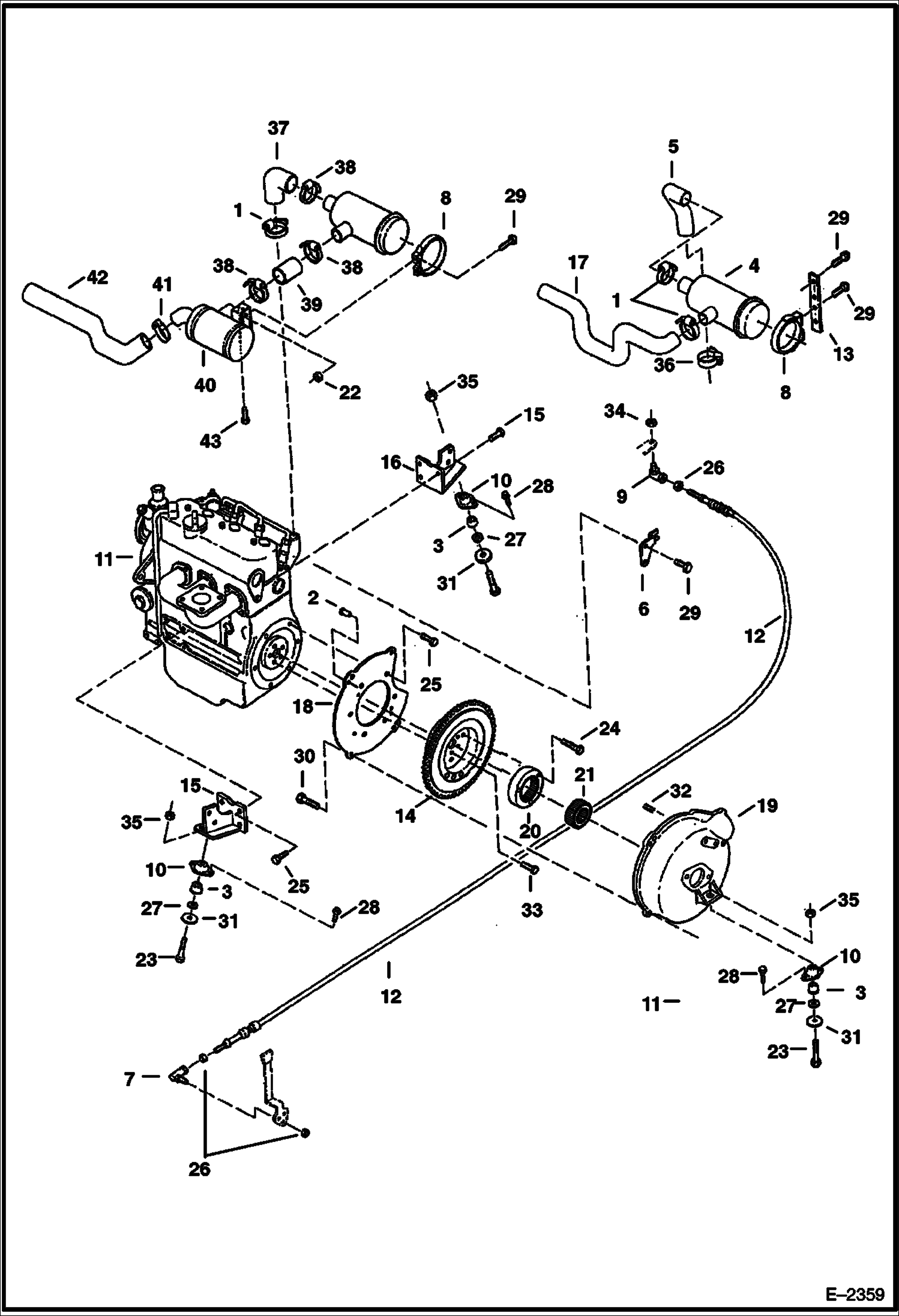
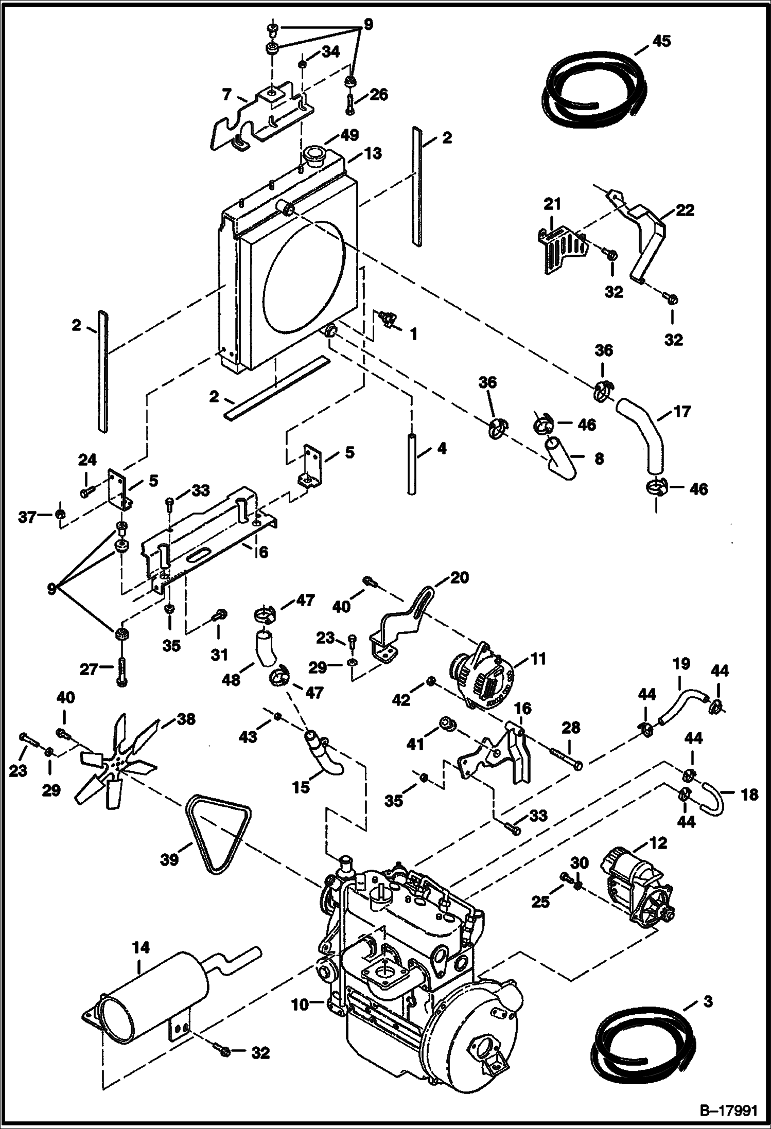
ДВИГАТЕЛЬ И КРЕПЕЖНЫЕ ДЕТАЛИ (РАДИАТОР И ГЛУШИТЕЛЬ)

ДВИГАТЕЛЬ И КРЕПЕЖНЫЕ ДЕТАЛИ (РАДИАТОР И ГЛУШИТЕЛЬ)

1Артикул: 6513679, VALVE
2Артикул: SEAL, SEAL NLA - 17: (450 mm) long - Order Ref. 3 - Was 6534762 - D
3Артикул: 6554274, INSULATION bulk - sold per foot
Подробнее >
КОМПЛЕКТ ДЕТАЛЕЙ ВЕРХНЕГО УПЛОТНИТЕЛЬНОГО КОЛЬЦА (KUBOTA D722)

КОМПЛЕКТ ДЕТАЛЕЙ ВЕРХНЕГО УПЛОТНИТЕЛЬНОГО КОЛЬЦА (KUBOTA D722)

1Артикул: 6672739, UPPER GASKET KIT Upper - W/Ref. 2 - 14
2Артикул: 6670372, GASKET valve cover
3Артикул: 3974972, GASKET valve cover nut
Подробнее >
ВОЗДУХООЧИСТИТЕЛЬ ДВИГАТЕЛЯ

ВОЗДУХООЧИСТИТЕЛЬ ДВИГАТЕЛЯ

1Артикул: 905282, AIR CLNR Ref. 1-8
2Артикул: TANK, TANK NSS
3Артикул: 897064, FILTER, AIR OUTER
Подробнее >
ВОДЯНАЯ ПОМПА

ВОДЯНАЯ ПОМПА

1Артикул: 6670506, PUMP ASSY. Ref. 2-7
2Артикул: BODY, BODY NSS
3Артикул: BEARING, BEARING - A
Подробнее >
МАСЛЯНЫЙ ПОДДОН

МАСЛЯНЫЙ ПОДДОН

1Артикул: 6670345, PAN W/Adapter
2Артикул: GASKET, GASKET NLA - Use Ref. 10
3Артикул: 6670374, DIPSTICK 7.5 mm dia plug
Подробнее >
КРЫШКА КОРОМЫСЛА КЛАПАНА

КРЫШКА КОРОМЫСЛА КЛАПАНА

1Артикул: 6670371, COVER
2Артикул: 6670372, GASKET See Illustration UPPER GASKET KIT/ C3243 - Included W/Upper Gasket Kit
3Артикул: 6655223, NUT
Подробнее >
РАСПРЕДВАЛ

РАСПРЕДВАЛ

1Артикул: 6670383, TAPPET
2Артикул: 6670384, PUSH ROD
3Артикул: 6670385, CAMSHAFT W/Ref. 5-8 - Was 6670385 - A
Подробнее >
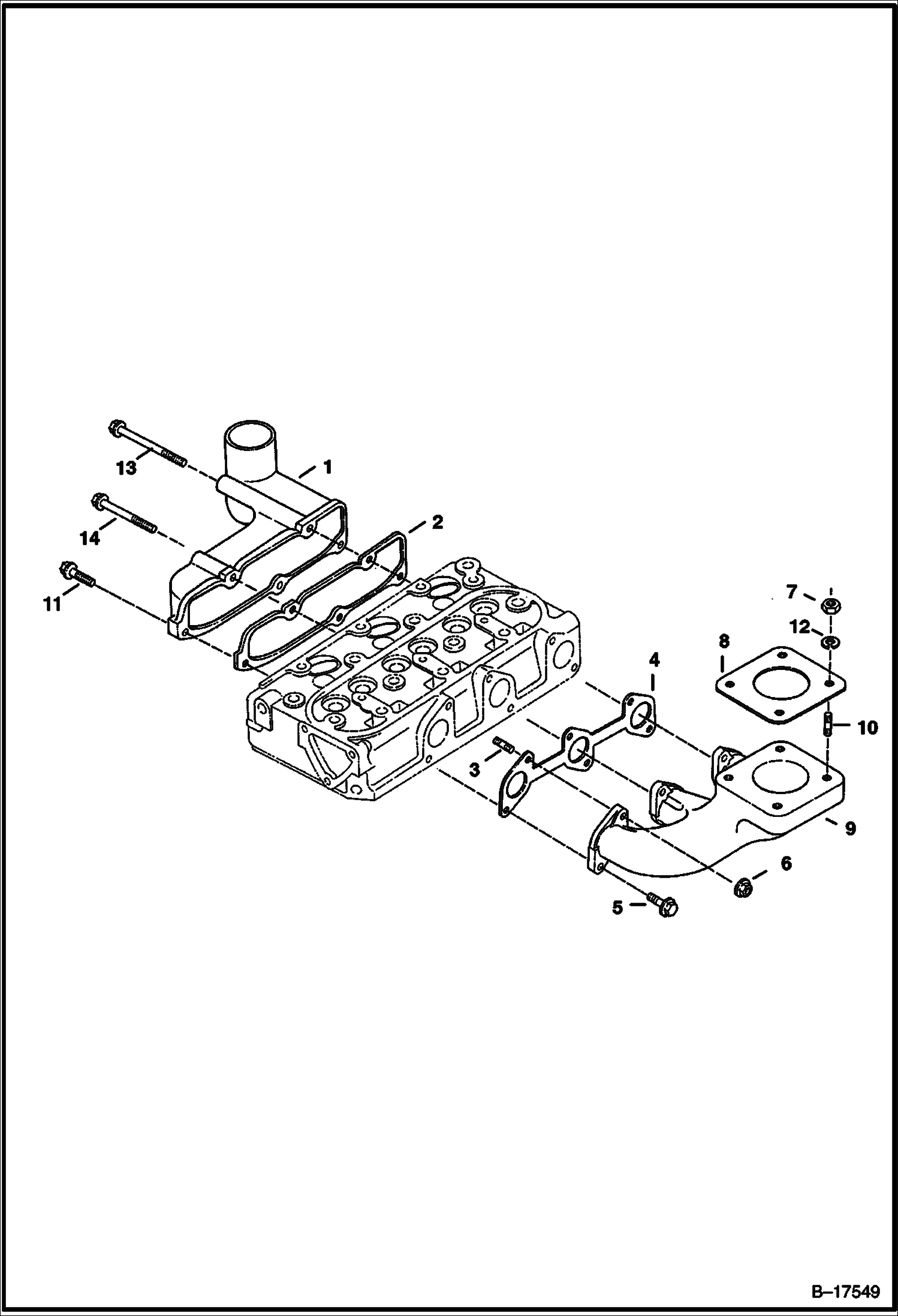
ГОЛОВКА БЛОКА ЦИЛИНДРОВ

ГОЛОВКА БЛОКА ЦИЛИНДРОВ

1Артикул: 6670350, HEAD, CYL ENG W/Ref. 2-8
2Артикул: 6598116, PLUG Was 6652797 - A
3Артикул: 6657465, PLUG
Подробнее >
РЕГУЛЯТОР ОБОРОТОВ

РЕГУЛЯТОР ОБОРОТОВ

1Артикул: 6670455, LEVER ASSY Governor
2Артикул: 7016964, LEVER, FORK ASSY W/Ref. 3-6, 8-12 & 14 - Was 6670778 - A
3Артикул: PLUG, PLUG NSS
Подробнее >
ТОПЛИВНАЯ СИСТЕМА

ТОПЛИВНАЯ СИСТЕМА

1Артикул: 6589122, TANK Fuel
2Артикул: 7297325, SENSOR, FUEL fuel - includes O-Ring - Was 7216515 - A
3Артикул: 79K14, O RING 10
Подробнее >
ТОПЛИВНЫЙ НАСОС

ТОПЛИВНЫЙ НАСОС

1Артикул: 6670443, PLATE
2Артикул: 6657462, SCREW
3Артикул: 6657439, SPRING
Подробнее >
ТОПЛИВНАЯ СИСТЕМА И НАСОС ВПРЫСКА

ТОПЛИВНАЯ СИСТЕМА И НАСОС ВПРЫСКА

1Артикул: 6670498, FUEL PUMP
2Артикул: 1CM616, SCREW Was 4CM616 - A
3Артикул: 6670782, GASKET See Illustration LOWER GASKET KIT/ B25295 - Included W/Lower Gasket Kit
Подробнее >
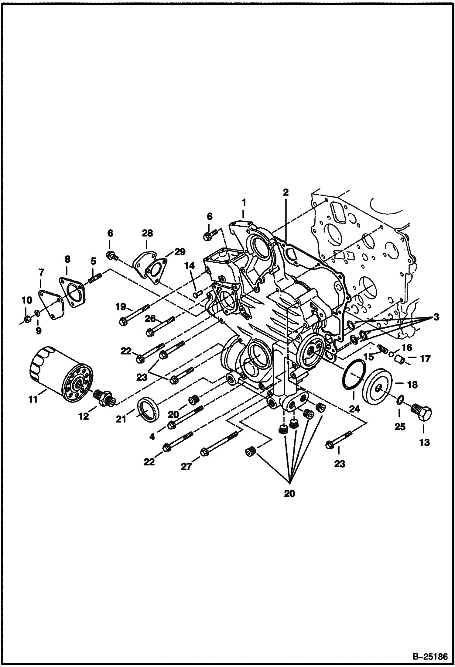
РЕДУКТОР

РЕДУКТОР

1Артикул: 7018013, HOUSING, GEAR Also order 7017980 housing gasket, 7017981 water pump & 7000377 pump gasket and do not use Ref. 3 o-ring - W/Ref. 14 & 20 - Was 6670768 - A
2Артикул: 6670356, GASKET See Illustration LOWER GASKET KIT/ B25295 - Included W/Lower gasket kit
3Артикул: 6599081, O-RING See Illustration LOWER GASKET KIT/ B25295 - Included W/Lower gasket kit
Подробнее >
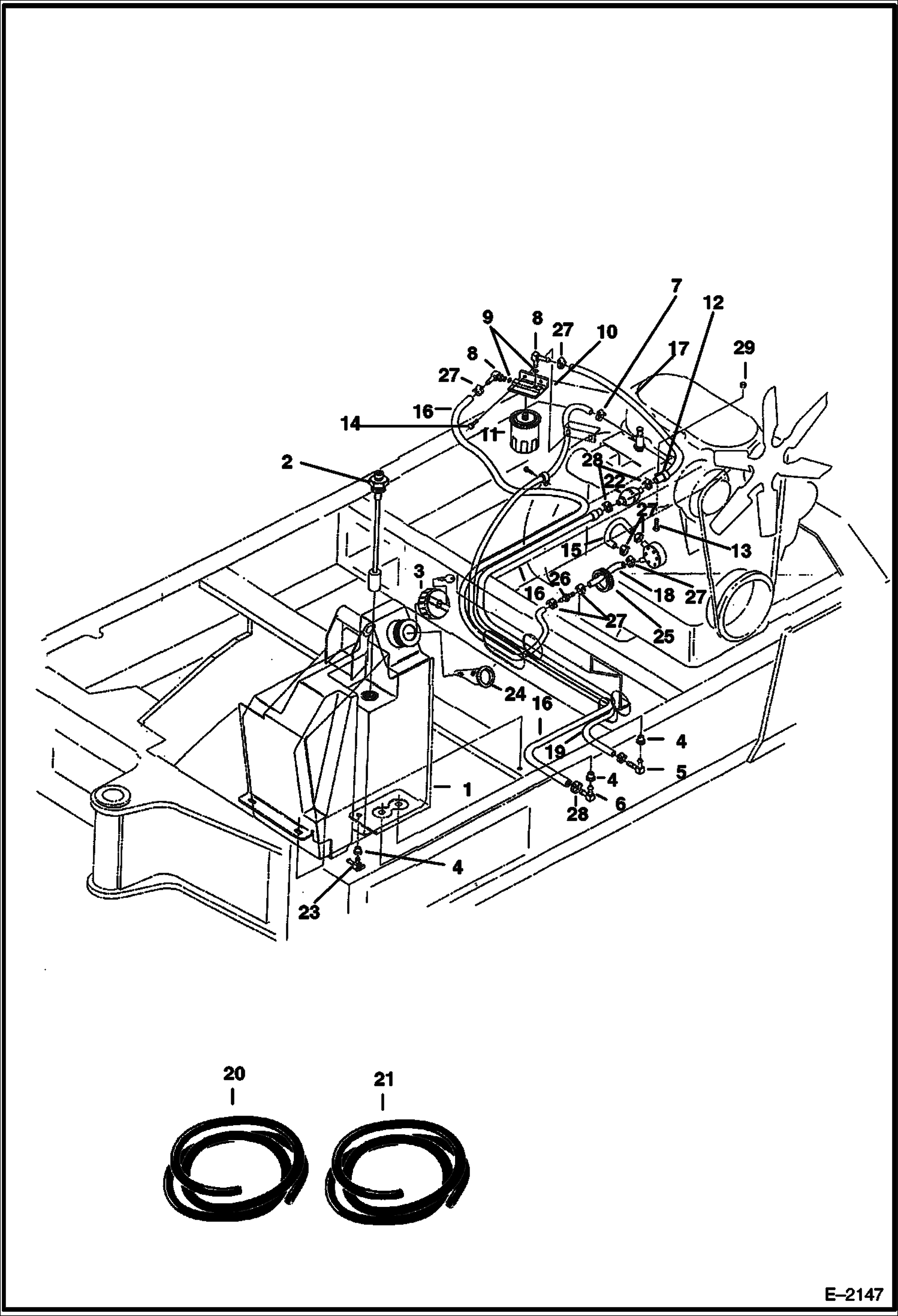
ДВИГАТЕЛЬ И КРЕПЕЖНЫЕ ДЕТАЛИ (ВОЗДУХООЧИСТИТЕЛЬ И КАРТЕР СЦЕПЛЕНИЯ)

ДВИГАТЕЛЬ И КРЕПЕЖНЫЕ ДЕТАЛИ (ВОЗДУХООЧИСТИТЕЛЬ И КАРТЕР СЦЕПЛЕНИЯ)

1Артикул: 5HM53, CLAMP Was 6513595 - A
2Артикул: 6533138, STUD
3Артикул: 6804522, SPACER Was 6537468 - A
Подробнее >