+7 (701) 588 50 05 Телефон для связи
RU

WhatsApp

Позвонить

ЗАПЧАСТИ ДВИГАТЕЛЯ в Алматы

ДВИГАТЕЛЬ И КРЕПЕЖНЫЕ ДЕТАЛИ (ВОЗДУХООЧИСТИТЕЛЬ, ГЛУШИТЕЛЬ И ОКОННАЯ РЕШЕТКА) (БЕЗ B.O.S.S (ОПЦИЯ))

ДВИГАТЕЛЬ И КРЕПЕЖНЫЕ ДЕТАЛИ (ВОЗДУХООЧИСТИТЕЛЬ, ГЛУШИТЕЛЬ И ОКОННАЯ РЕШЕТКА) (БЕЗ B.O.S.S (ОПЦИЯ))

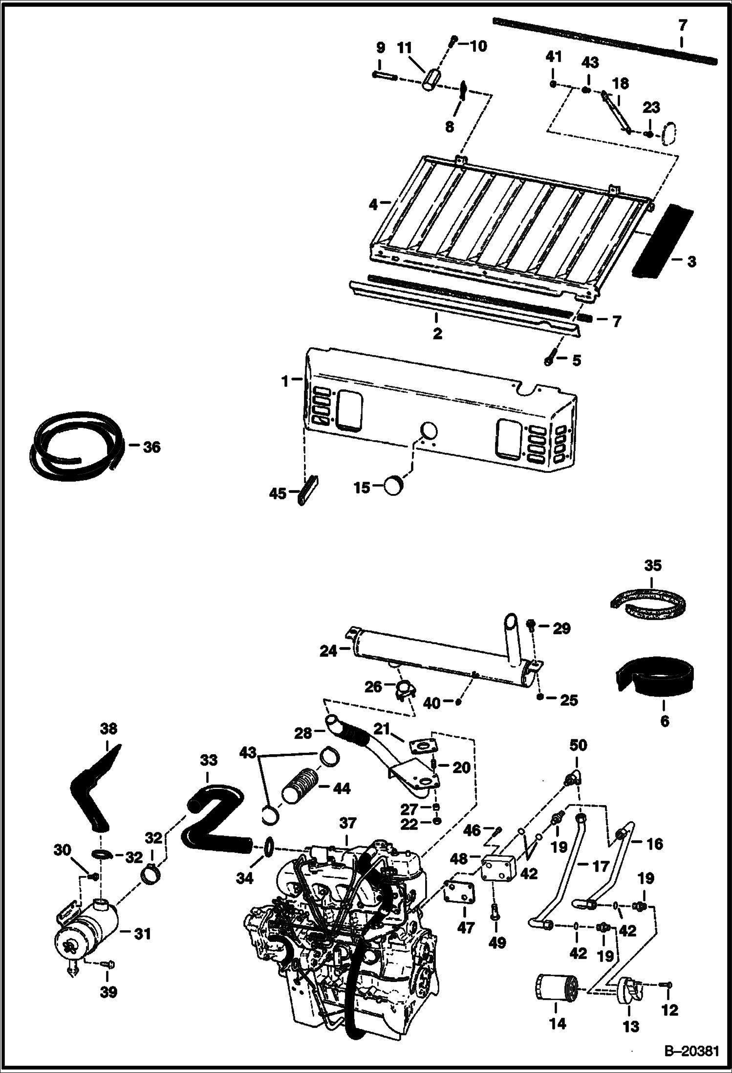
1Артикул: 6703868, HOOD steel
2Артикул: 6708981, BRACKET Was 6703471 - A
3Артикул: MOULDING, MOULDING NLA - 19--(482,6 mm) long - Order Ref. 21
Подробнее >
КОМПЛЕКТЫ ПРОКЛАДОК ДВИГАТЕЛЯ

КОМПЛЕКТЫ ПРОКЛАДОК ДВИГАТЕЛЯ

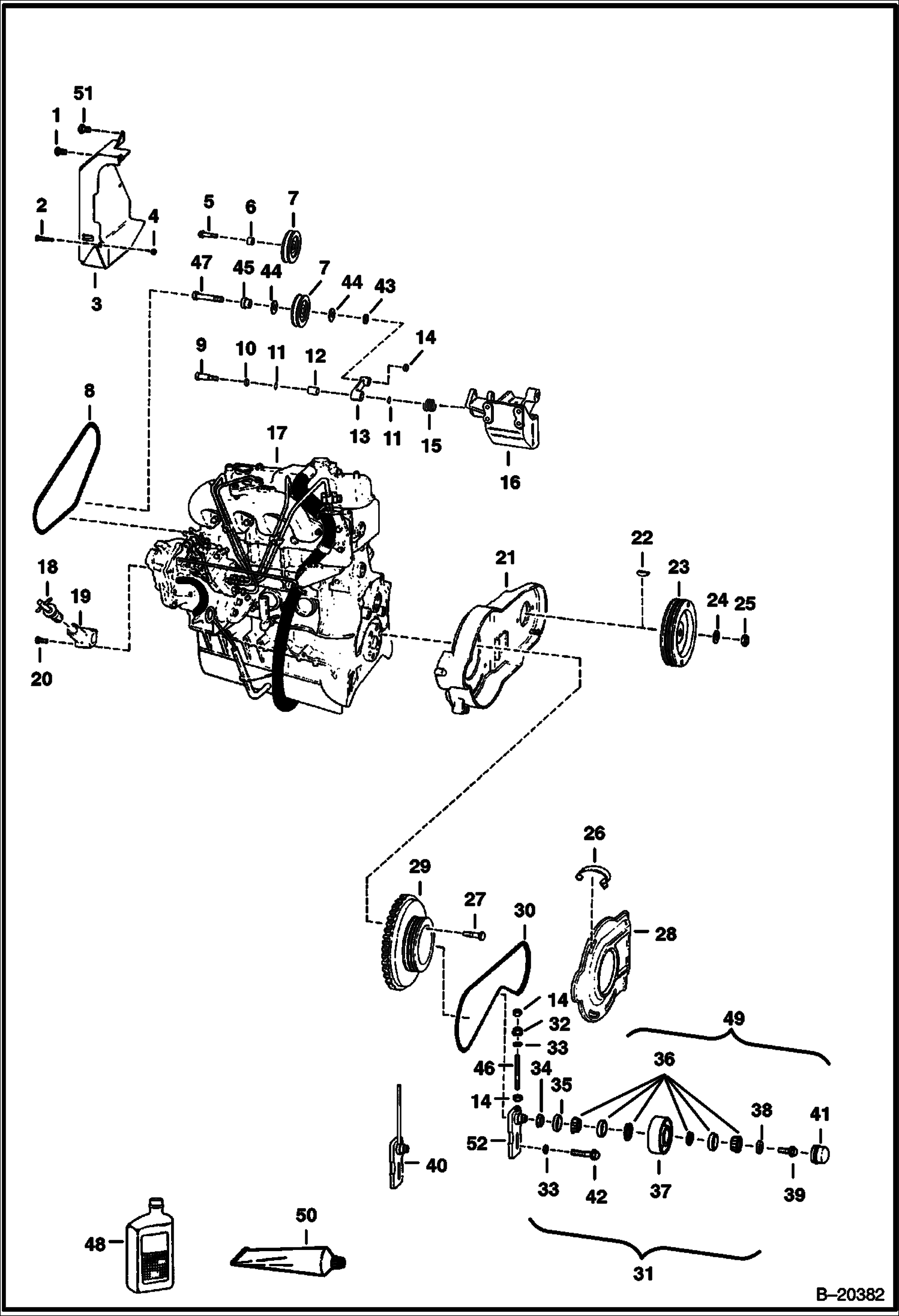
1Артикул: ENGINE, ENGINE See Illustration ENGINE & ATTACHING PARTS/ B20381 NLA - Ref. 12-14, 16, 17, 19 & 46-50 can be used from old engine or order parts as required - Isuzu - includes manifolds, injection pump, injectors, water pump & oil filter - does not include flywheel, starter, alternator, fuel filter or water outlet pipe - Order 6650076REM - Was 6650076 - A
2Артикул: 6650076REM, ENGINE, ISUZU 4JB1-PK03
3Артикул: SHORT, SHORT BLOCK NLA - Was 6655793 - A
Подробнее >
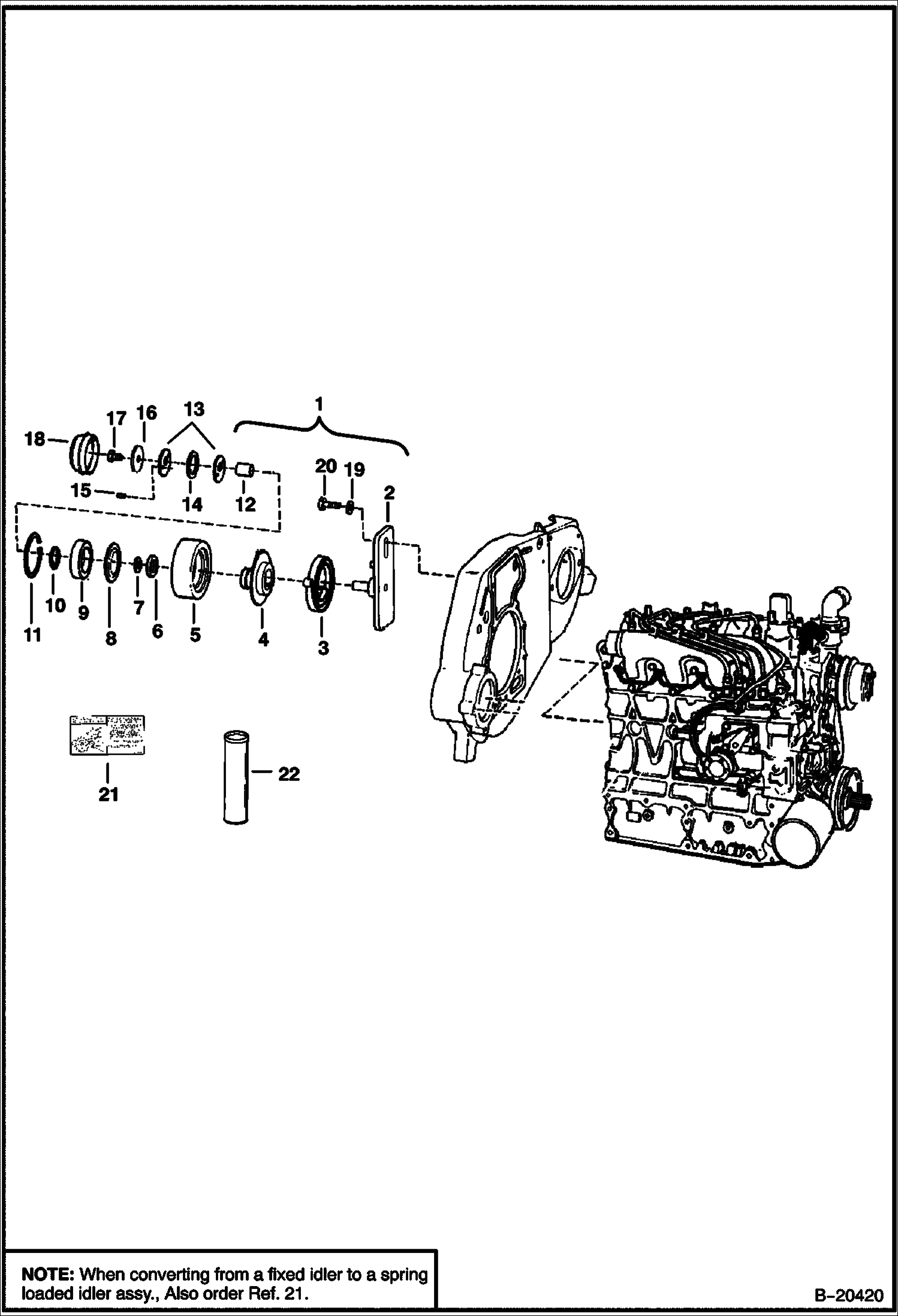
ПРИВОД ВЕНТИЛЯТОРА ОХЛАЖДЕНИЯ В СБОРЕ

ПРИВОД ВЕНТИЛЯТОРА ОХЛАЖДЕНИЯ В СБОРЕ

1Артикул: 6681890, HOUSING, FAN DRIVE ASSY Ref. 2-25 -Was 6702139 - A
2Артикул: 9G512, SCREW
3Артикул: 7J2010, KEY
Подробнее >
КОРПУС ТЕРМОСТАТА

КОРПУС ТЕРМОСТАТА

1Артикул: 6651938, HOUSING outlet
2Артикул: 6661097, GASKET
3Артикул: 6631692, THERMOSTAT
Подробнее >
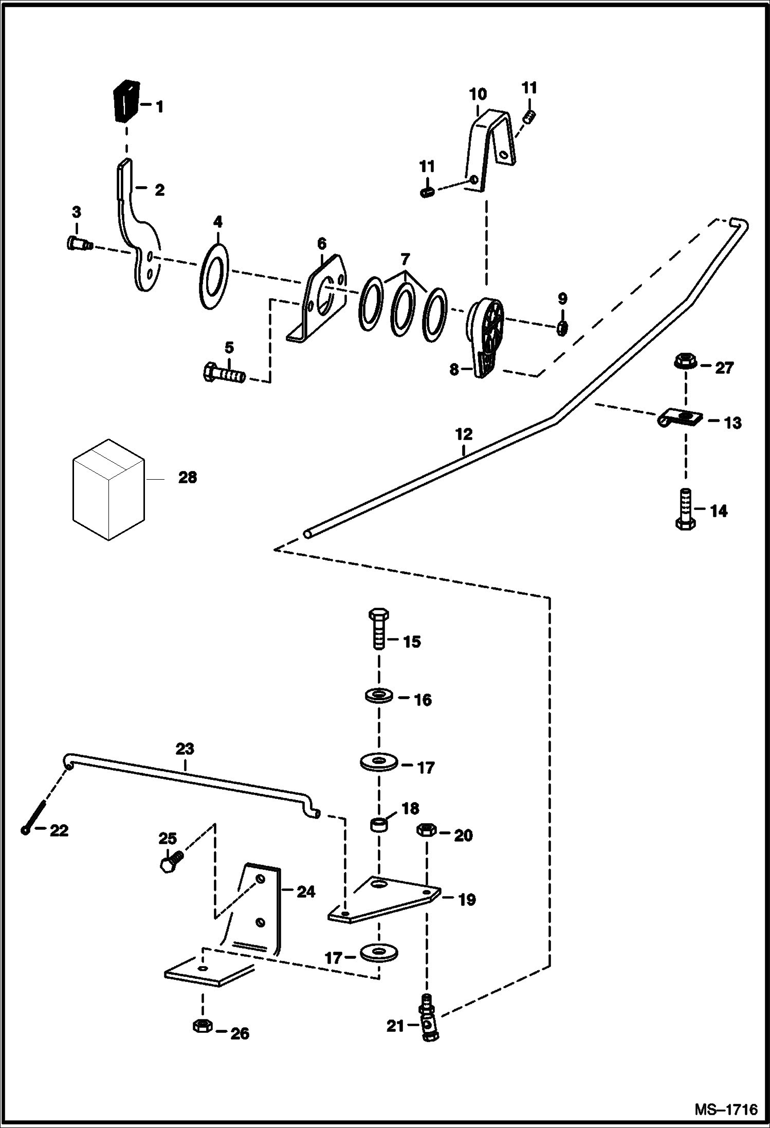
ДВИГАТЕЛЬ И КРЕПЕЖНЫЕ ДЕТАЛИ (ПОДРЕССОРЕННЫЙ ЛЕНИВЕЦ)

ДВИГАТЕЛЬ И КРЕПЕЖНЫЕ ДЕТАЛИ (ПОДРЕССОРЕННЫЙ ЛЕНИВЕЦ)

1Артикул: 6901216, IDLER, BELT DRIVE ASSY Ref. 2 - 18 - Also Order Ref. 21 - SEE NOTE - Was 6711698 - A
2Артикул: 6714212, PULLEY ASSY. Ref. 4 - 12
3Артикул: 6735883, BRACKET Was 6708767 - A
Подробнее >
ГОЛОВКА ЦИЛИНДРА И КРЫШКА

ГОЛОВКА ЦИЛИНДРА И КРЫШКА

1Артикул: 6664552, COVER
2Артикул: 6667413, GASKET Was 6631827 - A
3Артикул: 6631832, NUT
Подробнее >
РАСПРЕДЕЛИТЕЛЬНЫЙ ВАЛ И ШЕСТЕРНЯ РАСПРЕДЕЛИТЕЛЬНОГО ВАЛА

РАСПРЕДЕЛИТЕЛЬНЫЙ ВАЛ И ШЕСТЕРНЯ РАСПРЕДЕЛИТЕЛЬНОГО ВАЛА

1Артикул: 6658197, BOLT
2Артикул: 6512741, WASHER
3Артикул: 6655315, GEAR
Подробнее >
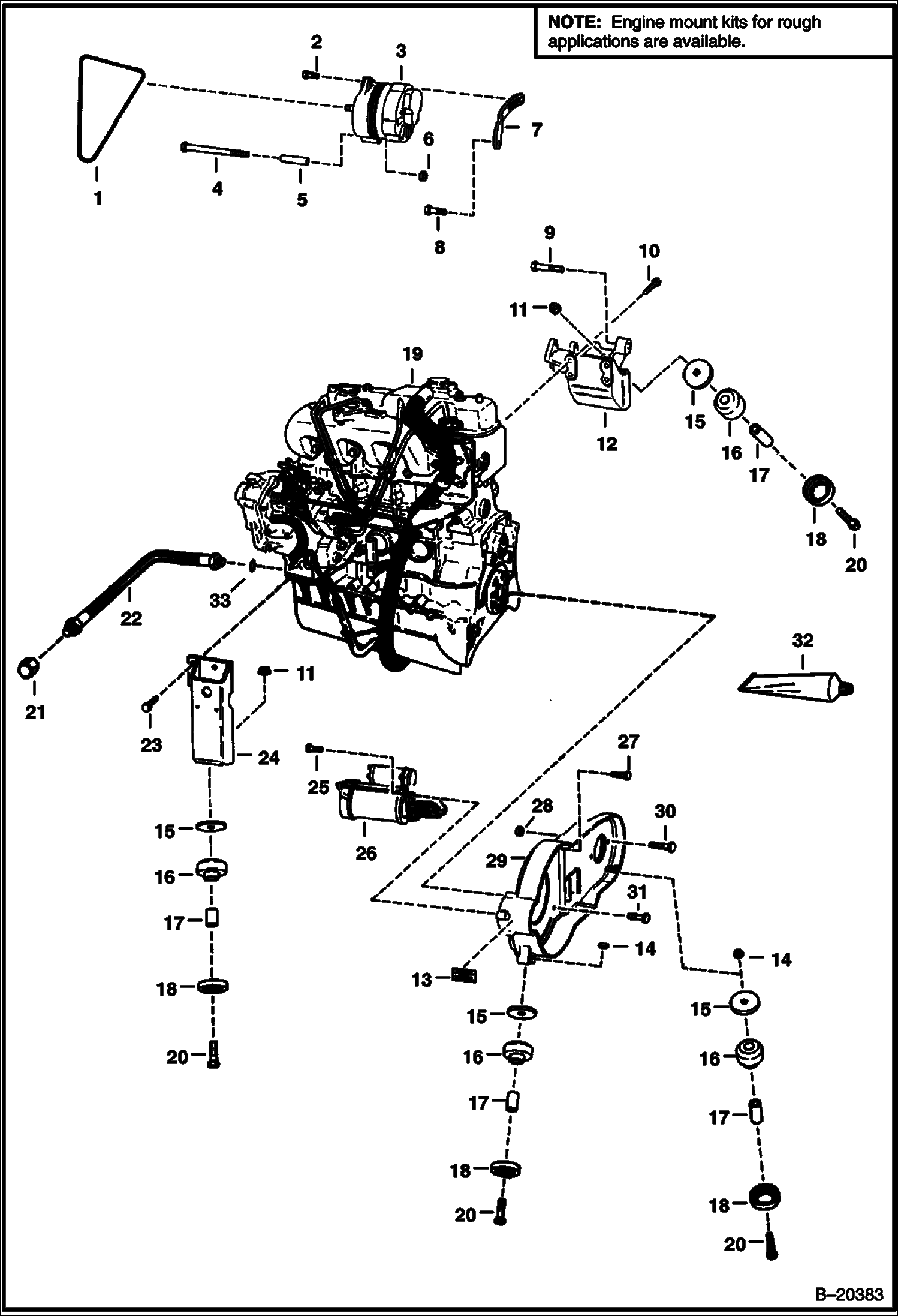
ДВИГАТЕЛЬ И КРЕПЕЖНЫЕ ДЕТАЛИ (СИСТЕМА РЕМНЕЙ ПРИВОДА)

ДВИГАТЕЛЬ И КРЕПЕЖНЫЕ ДЕТАЛИ (СИСТЕМА РЕМНЕЙ ПРИВОДА)

1Артикул: 1CM812, BOLT
2Артикул: 35C528, SCREW
3Артикул: 6579759, SHIELD
Подробнее >
ДРОССЕЛЬНАЯ ЗАСЛОНКА

ДРОССЕЛЬНАЯ ЗАСЛОНКА

1Артикул: 6564452, GRIP
2Артикул: HOUSING, HOUSING ASSY Ref. 2-25 - Was 6702139 - A
3Артикул: 6705452, LEVER
Подробнее >
КОЛЛЕКТОР

КОЛЛЕКТОР

1Артикул: 6513035, NUT
2Артикул: 6512736, WASHER
3Артикул: 6631885, STUD
Подробнее >
ДВИГАТЕЛЬ, ЕГО ЧАСТИ

ДВИГАТЕЛЬ, ЕГО ЧАСТИ

1Артикул: 6655314, BELT, ALT alternator
2Артикул: 35C516, BOLT 10
3Артикул: ALTERNATOR, ALTERNATOR See Illustration ALTERNATOR/ C3312
Подробнее >
ДВИГАТЕЛЬ И КРЕПЕЖНЫЕ ДЕТАЛИ (ВОЗДУХООЧИСТИТЕЛЬ, ГЛУШИТЕЛЬ И ОКОННАЯ РЕШЕТКА) (С B.O.S.S (ОПЦИЯ))

ДВИГАТЕЛЬ И КРЕПЕЖНЫЕ ДЕТАЛИ (ВОЗДУХООЧИСТИТЕЛЬ, ГЛУШИТЕЛЬ И ОКОННАЯ РЕШЕТКА) (С B.O.S.S (ОПЦИЯ))

1Артикул: 6703868, HOOD steel
2Артикул: 6708981, BRACKET Was 6703471 - A
3Артикул: MOULDING, MOULDING NLA - 19--(482,6 mm) long - Order Ref. 6
Подробнее >
КРИВОШИПНАЯ КОРОБКА И ПОДДОН КАРТЕРА

КРИВОШИПНАЯ КОРОБКА И ПОДДОН КАРТЕРА

1Артикул: BLOCK, BLOCK NLA - W/Ref. 2-10 - Was 6655862 - A
2Артикул: 6631853, LINER, CYL CRANKCASE
3Артикул: LINER, LINER KIT NLA - W/liner, piston, rings & rod bush. - For complete engine - Was 6664579 - A
Подробнее >
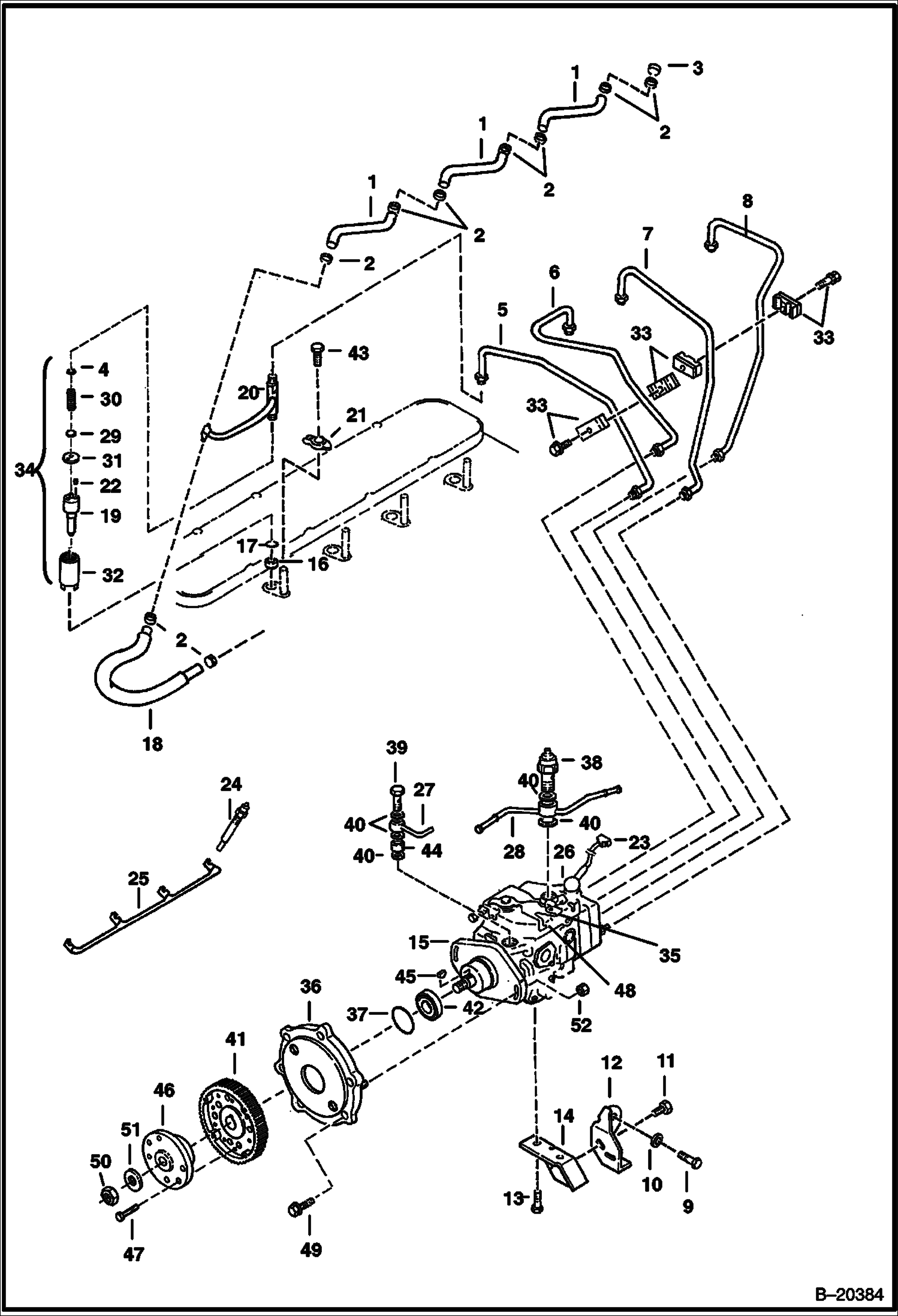
СИСТЕМА ВПРЫСКА ТОПЛИВА

СИСТЕМА ВПРЫСКА ТОПЛИВА

1Артикул: 6631822, HOSE
2Артикул: 6631849, CLAMP
3Артикул: 6658203, CAP
Подробнее >
ВОЗДУШНЫЙ ФИЛЬТР

ВОЗДУШНЫЙ ФИЛЬТР

1Артикул: 6661400, AIR CLEANER W/ 1.5 in. Evacuator Valve - Ref. 4, 7, 8, 9, 10, and 13-16
2Артикул: AIR, AIR CLEANER NLA - W/ 2-- Evacuator Valve - Ref. 3 - 8 & 11 - 14 - Order 6661400 Air Cleaner - Was 6653506 - A
3Артикул: TANK, TANK NLA
Подробнее >
ВОДЯНАЯ ПОМПА

ВОДЯНАЯ ПОМПА

1Артикул: 6671508, PUMP, WATER Ref. 2-9 - W/stamped impeller - Was 6631810 - A
2Артикул: 6680310, PUMP, WATER Ref. 2-9 - W/cast impeller
3Артикул: CENTER, CENTER NSS
Подробнее >
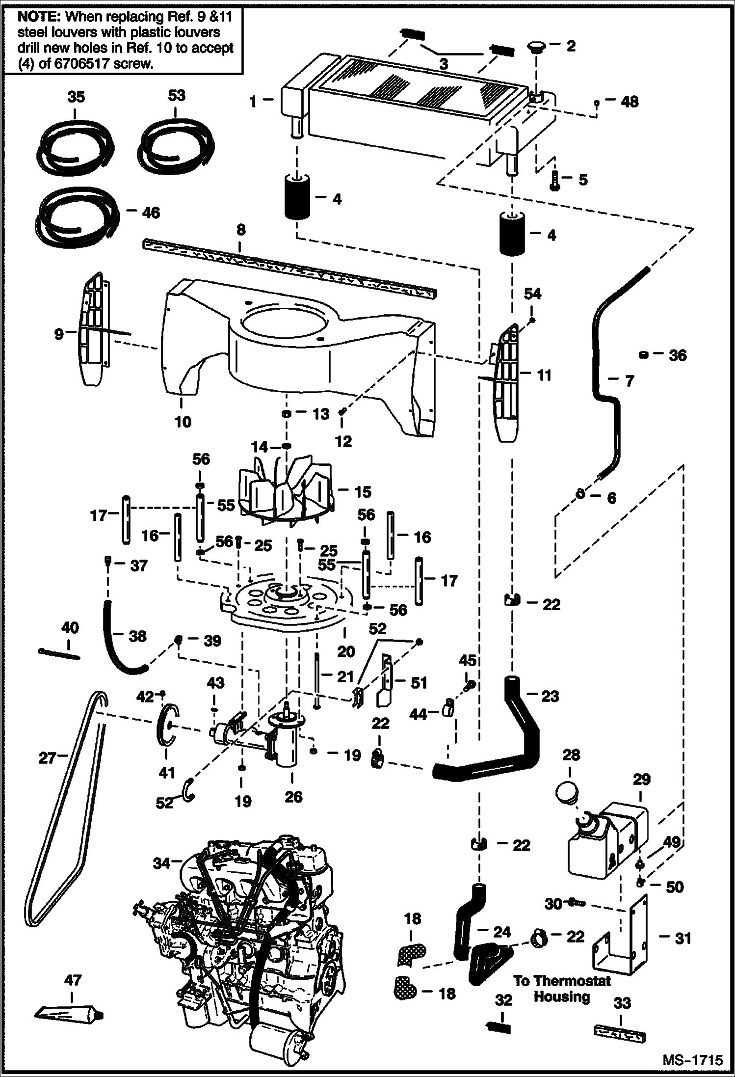
СИСТЕМА ОХЛАЖДЕНИЯ

СИСТЕМА ОХЛАЖДЕНИЯ

1Артикул: 6579535, EXCHANGER, WATER RADIATOR
2Артикул: 6646678, CAP 14 PSI
3Артикул: MOULDING, MOULDING NLA - 3-- (76,2 mm) long - Order Ref. 32
Подробнее >
ПОРШНИ И КОЛЕНВАЛ

ПОРШНИ И КОЛЕНВАЛ

1Артикул: 6655864, ROD connecting - W/Ref. 2-4
2Артикул: 6631859, BUSHING
3Артикул: 6631748, BOLT
Подробнее >