+7 (701) 588 50 05 Телефон для связи
RU

WhatsApp

Позвонить

ЗАПЧАСТИ ДВИГАТЕЛЯ в Алматы

ВОЗДУХООЧИСТИТЕЛЬ И КРОНШТЕЙН ГЛУШИТЕЛЯ (СЕРИЙНЫЙ НОМЕР 514014900 И ВЫШЕ И 516611001 И ВЫШЕ)

ВОЗДУХООЧИСТИТЕЛЬ И КРОНШТЕЙН ГЛУШИТЕЛЯ (СЕРИЙНЫЙ НОМЕР 514014900 И ВЫШЕ И 516611001 И ВЫШЕ)

1Артикул: 6670851, AIR CLEANER See Illustration AIR CLEANER/ C3490 ASSY.,
2Артикул: 26GM10020, BOLT
3Артикул: 6803465, HOSE
Подробнее >
ПОРШЕНЬ И КОЛЕНЧАТЫЙ ВАЛ (TIER I ДВИГАТЕЛЬ)

ПОРШЕНЬ И КОЛЕНЧАТЫЙ ВАЛ (TIER I ДВИГАТЕЛЬ)

1Артикул: PISTON, PISTON NLA - Std. - Order 6688379 & (2) 6686997 clips - Was 6667435 - A
2Артикул: PISTON, PISTON NLA - (0,5 mm - .0197) - Order 6688533 & (2) 6686997 clips - Was 6667436 - A
3Артикул: 6678075, RINGS Piston - Std. - Was 6655178 - A
Подробнее >
СИСТЕМА ПОДАЧИ ТОПЛИВА И БАКИ (СЕРИЙНЫЙ НОМЕР 514014900 И ВЫШЕ И 516611001 И ВЫШЕ)

СИСТЕМА ПОДАЧИ ТОПЛИВА И БАКИ (СЕРИЙНЫЙ НОМЕР 514014900 И ВЫШЕ И 516611001 И ВЫШЕ)

1Артикул: 42HS04, CLAMP, HOSE Was 6515575 - A
2Артикул: HOSE, HOSE NLA - 64-- (1626 mm) long - Order Ref. 33
3Артикул: 6553411, BUSHING 0.38-- ID
Подробнее >
КРИВОШИПНАЯ КОРОБКА (TIER I ДВИГАТЕЛЬ)

КРИВОШИПНАЯ КОРОБКА (TIER I ДВИГАТЕЛЬ)

1Артикул: 6667377, CRANKCASE Assy. - W/Ref. 2 - 15
2Артикул: 7001489, BLOCK ENGINE Assy. - W/Ref. 2 - 15
3Артикул: 3974871, CONNECTOR
Подробнее >
УСТАНОВКА ГЕНЕРАТОРА ПЕРЕМЕННОГО ТОКА И ШЛАНГИ РАДИАТОРА

УСТАНОВКА ГЕНЕРАТОРА ПЕРЕМЕННОГО ТОКА И ШЛАНГИ РАДИАТОРА

1Артикул: ALTERNATOR, ALTERNATOR See Illustration ALTERNATOR/ B25158 - Was 6661611 - B
2Артикул: 6803397, BRACKET
3Артикул: 6596745, RETAINER
Подробнее >
СИСТЕМА ПОДАЧИ ТОПЛИВА И БАКИ (СЕРИЙНЫЙ НОМЕР 514013001-514014899)

СИСТЕМА ПОДАЧИ ТОПЛИВА И БАКИ (СЕРИЙНЫЙ НОМЕР 514013001-514014899)

1Артикул: 42HS04, CLAMP, HOSE Was 6515575 - A
2Артикул: HOSE, HOSE NLA - 29-- (737mm) long - Order Ref. 32
3Артикул: 6553411, BUSHING 0.38-- ID
Подробнее >
ГОЛОВКА ЦИЛИНДРА (TIER I ДВИГАТЕЛЬ)

ГОЛОВКА ЦИЛИНДРА (TIER I ДВИГАТЕЛЬ)

1Артикул: 6655152, HOOK Engine
2Артикул: 6655160, PLUG
3Артикул: 6667421, BOLT
Подробнее >
ВОЗДУХООЧИСТИТЕЛЬ (СЕРИЙНЫЙ НОМЕР 514014900 И ВЫШЕ И 516611001 И ВЫШЕ)

ВОЗДУХООЧИСТИТЕЛЬ (СЕРИЙНЫЙ НОМЕР 514014900 И ВЫШЕ И 516611001 И ВЫШЕ)

1Артикул: 6670851, AIR CLEANER W/Ref. 2 - 7
2Артикул: TANK, TANK NLA - Order Ref. 1
3Артикул: 6672467, FILTER, AIR OUTER outer
Подробнее >
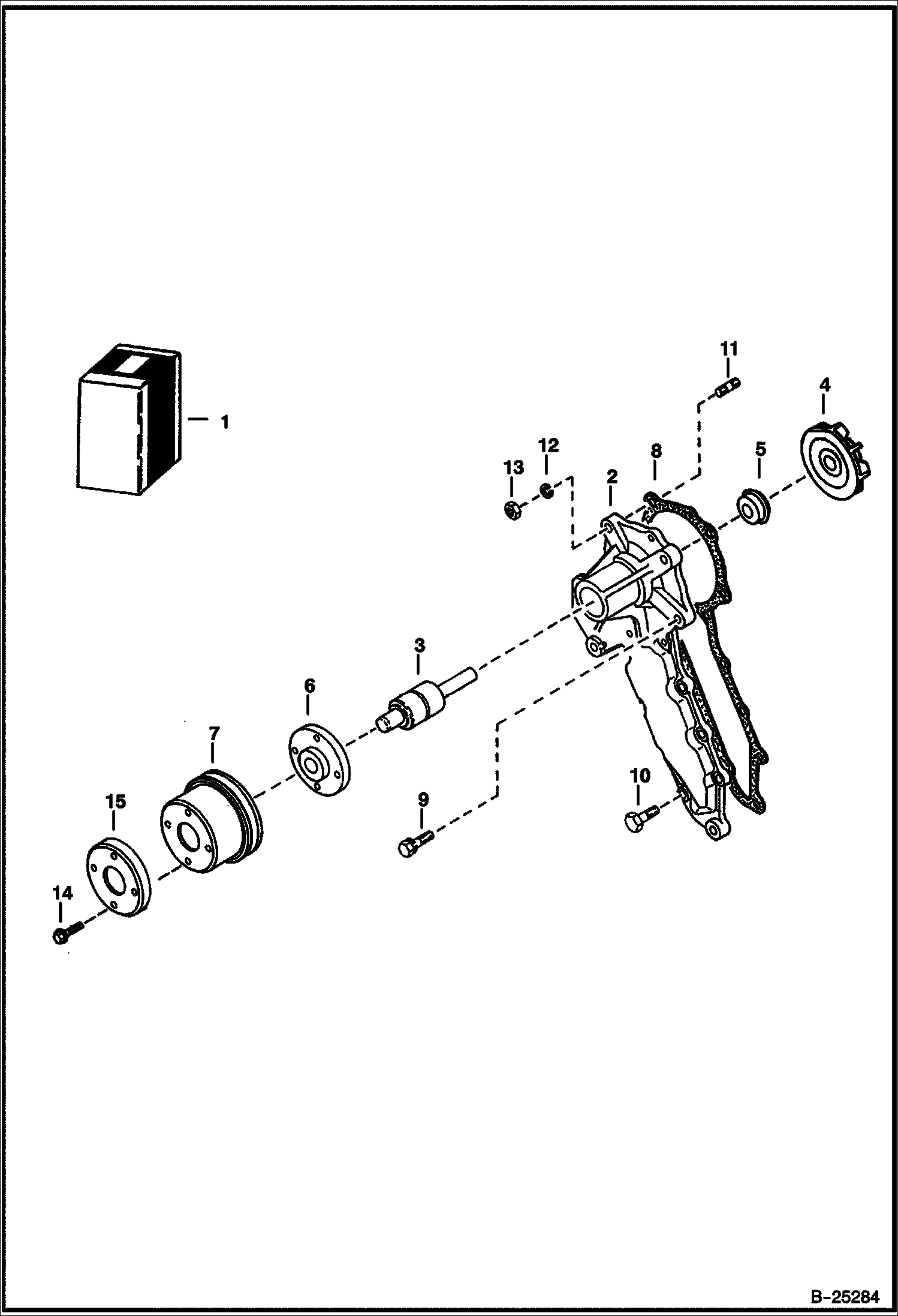
ВОДЯНАЯ ПОМПА (TIER I ДВИГАТЕЛЬ)

ВОДЯНАЯ ПОМПА (TIER I ДВИГАТЕЛЬ)

1Артикул: 6684225, WATER PUMP Ref. 2 - 6 - Was 6653941 - A
2Артикул: BODY, BODY NLA
3Артикул: 3974991, BEARING
Подробнее >
G КАРТЕР КОРОБКИ ПЕРЕДАЧ (TIER I ДВИГАТЕЛЬ)

G КАРТЕР КОРОБКИ ПЕРЕДАЧ (TIER I ДВИГАТЕЛЬ)

1Артикул: CASE, CASE ASSY. NLA - W/Ref. 3-7 & 28 - Order 6688640 & Ref. 4-7 & 28 - Was 6655479 - A
2Артикул: 6688640, HOUSING GEAR W/Ref
3Артикул: 6675517, FILTER, OIL ENG 12 oil filter - 12 Pack - Was 3974896 - A
Подробнее >
КРЫШКА КОРОМЫСЛА КЛАПАНА (TIER I ДВИГАТЕЛЬ)

КРЫШКА КОРОМЫСЛА КЛАПАНА (TIER I ДВИГАТЕЛЬ)

1Артикул: 3974924, PLATE Element
2Артикул: 3974925, PLATE Element
3Артикул: 3974926, BREATHER Breather
Подробнее >
ВОДЯНОЙ ФЛАНЕЦ И ТЕРМОСТАТ (TIER I ДВИГАТЕЛЬ)

ВОДЯНОЙ ФЛАНЕЦ И ТЕРМОСТАТ (TIER I ДВИГАТЕЛЬ)

1Артикул: 6653939, PIPE Water return
2Артикул: 3974988, PIPE Water return
3Артикул: 3974679, BAND Pipe
Подробнее >
ВОЗДУХООЧИСТИТЕЛЬ (СЕРИЙНЫЙ НОМЕР 514013001-514014899)

ВОЗДУХООЧИСТИТЕЛЬ (СЕРИЙНЫЙ НОМЕР 514013001-514014899)

1Артикул: 6666647, AIR CLEANER assy. W/Ref. 2-8
2Артикул: HOUSING, HOUSING NLA - Order Ref. 1
3Артикул: 6655938, VALVE, EVACUATOR 38 mm (1.5--) ID
Подробнее >
ПОДДОН КАРТЕРА (TIER I ДВИГАТЕЛЬ)

ПОДДОН КАРТЕРА (TIER I ДВИГАТЕЛЬ)

1Артикул: 6667378, OIL PAN
2Артикул: 6666786, GASKET Oil pan
3Артикул: 6653798, BOLT
Подробнее >
РЫЧАГ ОСТАНОВА ДВИГАТЕЛЯ (TIER I ДВИГАТЕЛЬ)

РЫЧАГ ОСТАНОВА ДВИГАТЕЛЯ (TIER I ДВИГАТЕЛЬ)

1Артикул: 3974975, IDLER Assy., idle - Ref. 2-6
2Артикул: 6653906, BOLT ASSY. Adjusting
3Артикул: 2DM8, NUT Adjusting
Подробнее >
ТАБЛИЧКА РЕГУЛЯТОРА СКОРОСТИ (TIER I ДВИГАТЕЛЬ)

ТАБЛИЧКА РЕГУЛЯТОРА СКОРОСТИ (TIER I ДВИГАТЕЛЬ)

1Артикул: 6653902, BOLT Adjusting
2Артикул: 3974971, NUT Was 6653903 - A
3Артикул: 3974972, GASKET
Подробнее >
НАСОС ВПРЫСКА (TIER I ДВИГАТЕЛЬ)

НАСОС ВПРЫСКА (TIER I ДВИГАТЕЛЬ)

1Артикул: 6667443, PUMP Injection-W/Ref. 2-22
2Артикул: 6667448, PLATE Adjust
3Артикул: 6655206, BOLT
Подробнее >
ВОЗДУХООЧИСТИТЕЛЬ И КРОНШТЕЙН ГЛУШИТЕЛЯ (СЕРИЙНЫЙ НОМЕР 514013001-514014899)

ВОЗДУХООЧИСТИТЕЛЬ И КРОНШТЕЙН ГЛУШИТЕЛЯ (СЕРИЙНЫЙ НОМЕР 514013001-514014899)

1Артикул: 6666647, AIR CLEANER See Illustration AIR CLEANER/ B14150 ASSY.,
2Артикул: 26GM10020, BOLT
3Артикул: 6595838, HOSE
Подробнее >
КЛАПАНЫ И КОРОМЫСЛО КЛАПАНА (TIER I ДВИГАТЕЛЬ)

КЛАПАНЫ И КОРОМЫСЛО КЛАПАНА (TIER I ДВИГАТЕЛЬ)

1Артикул: 6655173, VALVE Inlet
2Артикул: 6655174, VALVE Exhaust
3Артикул: 3974514, SPRING 5 Valve
Подробнее >
СОПЛО ФОРСУНКИ (TIER I ДВИГАТЕЛЬ)

СОПЛО ФОРСУНКИ (TIER I ДВИГАТЕЛЬ)

1Артикул: 6667453, HOLDER KIT nozzle-W/Ref. 2 & 6
2Артикул: 6655218, GASKET
3Артикул: 6655219, PIPE injection - 1
Подробнее >
КОМПЛЕКТ НИЖНИХ ПРОКЛАДОК (TIER I ДВИГАТЕЛЬ)

КОМПЛЕКТ НИЖНИХ ПРОКЛАДОК (TIER I ДВИГАТЕЛЬ)

1Артикул: 6668930, GASKET KIT lower
2Артикул: 6666786, GASKET See Illustration OIL PAN/ B14374 - Oil Pan
3Артикул: 3966516, RING,O See Illustration OIL PAN/ B14374 - Oil pick up
Подробнее >
МОНТАЖ ДВИГАТЕЛЯ (СЕРИЙНЫЙ НОМЕР 514013001-514014899)

МОНТАЖ ДВИГАТЕЛЯ (СЕРИЙНЫЙ НОМЕР 514013001-514014899)

1Артикул: ENGINE,, ENGINE, KUBOTA 1703 Tier 1 See Illustration ENGINE ASSEMBLY/ NA2341
2Артикул: 6589110, MOUNT
3Артикул: 6589107, MOUNT
Подробнее >
ТОПЛИВНЫЙ РАСПРЕДЕЛИТЕЛЬНЫЙ ВАЛ (TIER I ДВИГАТЕЛЬ)

ТОПЛИВНЫЙ РАСПРЕДЕЛИТЕЛЬНЫЙ ВАЛ (TIER I ДВИГАТЕЛЬ)

1Артикул: 6666827, GASKET
2Артикул: 6667467, CAMSHAFT Fuel
3Артикул: 851242, BEARING
Подробнее >
РАДИАТОР И КРОНШТЕЙН

РАДИАТОР И КРОНШТЕЙН

1Артикул: 6666682, RADIATOR
2Артикул: 3974310, CAP radiator
3Артикул: 6595834, MOUNT radiator
Подробнее >
КОМПЛЕКТ ДЕТАЛЕЙ ВЕРХНЕГО УПЛОТНИТЕЛЬНОГО КОЛЬЦА (TIER I ДВИГАТЕЛЬ)

КОМПЛЕКТ ДЕТАЛЕЙ ВЕРХНЕГО УПЛОТНИТЕЛЬНОГО КОЛЬЦА (TIER I ДВИГАТЕЛЬ)

1Артикул: 6668929, KIT, GASKET ENG UPPER Tier I - W/Ref. 2 - 14
2Артикул: 3974507, GASKET See Illustration AIR CLEANER & MUFFLER MOUNTING/ TS1278 - Muffler
3Артикул: 6598709, GASKET See Illustration ROCKER ARM COVER/ B14372 - Valve Cover
Подробнее >
КОЛЛЕКТОРЫ (TIER I ДВИГАТЕЛЬ)

КОЛЛЕКТОРЫ (TIER I ДВИГАТЕЛЬ)

1Артикул: 6653826, MANIFOLD Exhaust
2Артикул: 6685878, GASKET Was 6666789 - A
3Артикул: 6652670, STUD
Подробнее >
РЕГУЛЯТОРА ОБОРОТОВ (TIER I ДВИГАТЕЛЬ)

РЕГУЛЯТОРА ОБОРОТОВ (TIER I ДВИГАТЕЛЬ)

1Артикул: 6598174, LEVER Governor
2Артикул: 6655227, SPRING Was 6598163 - A
3Артикул: 6655876, LEVER fork
Подробнее >
РАСПРЕДЕЛИТЕЛЬНЫЙ ВАЛ (TIER I ДВИГАТЕЛЬ)

РАСПРЕДЕЛИТЕЛЬНЫЙ ВАЛ (TIER I ДВИГАТЕЛЬ)

1Артикул: 7015269, TAPPET Was 6667428 - A
2Артикул: 6655176, PUSHROD
3Артикул: 6667464, CAMSHAFT Assy. - Ref. 4-8
Подробнее >
МОНТАЖ ДВИГАТЕЛЯ, МАХОВИК И СТАРТЕР (СЕРИЙНЫЙ НОМЕР 514014900 И ВЫШЕ И 516611001 И ВЫШЕ)

МОНТАЖ ДВИГАТЕЛЯ, МАХОВИК И СТАРТЕР (СЕРИЙНЫЙ НОМЕР 514014900 И ВЫШЕ И 516611001 И ВЫШЕ)

1Артикул: ENGINE,, ENGINE, KUBOTA V1703 TIER 1 See Illustration ENGINE ASSEMBLY/ NA2341
2Артикул: 6589110, MOUNT
3Артикул: 6589107, MOUNT
Подробнее >
ДВИГАТЕЛЬ В СБОРЕ (TIER I ДВИГАТЕЛЬ)

ДВИГАТЕЛЬ В СБОРЕ (TIER I ДВИГАТЕЛЬ)

1Артикул: ENGINE, ENGINE See BTI388ldr NLA - for new engine order 6685979 & 15KN00006B, 6811407 hose & 36K000006B cap for oil drain - use exhaust manifold & thermostat cover from old engine - Was 6678671 - A
2Артикул: 6668929, KIT, GASKET ENG UPPER See Illustration UPPER GASKET KIT/ D2340
3Артикул: 6668930, GASKET KIT See Illustration LOWER GASKET KIT/ D2341 lower
Подробнее >