ЗАПЧАСТИ ДВИГАТЕЛЯ в Алматы
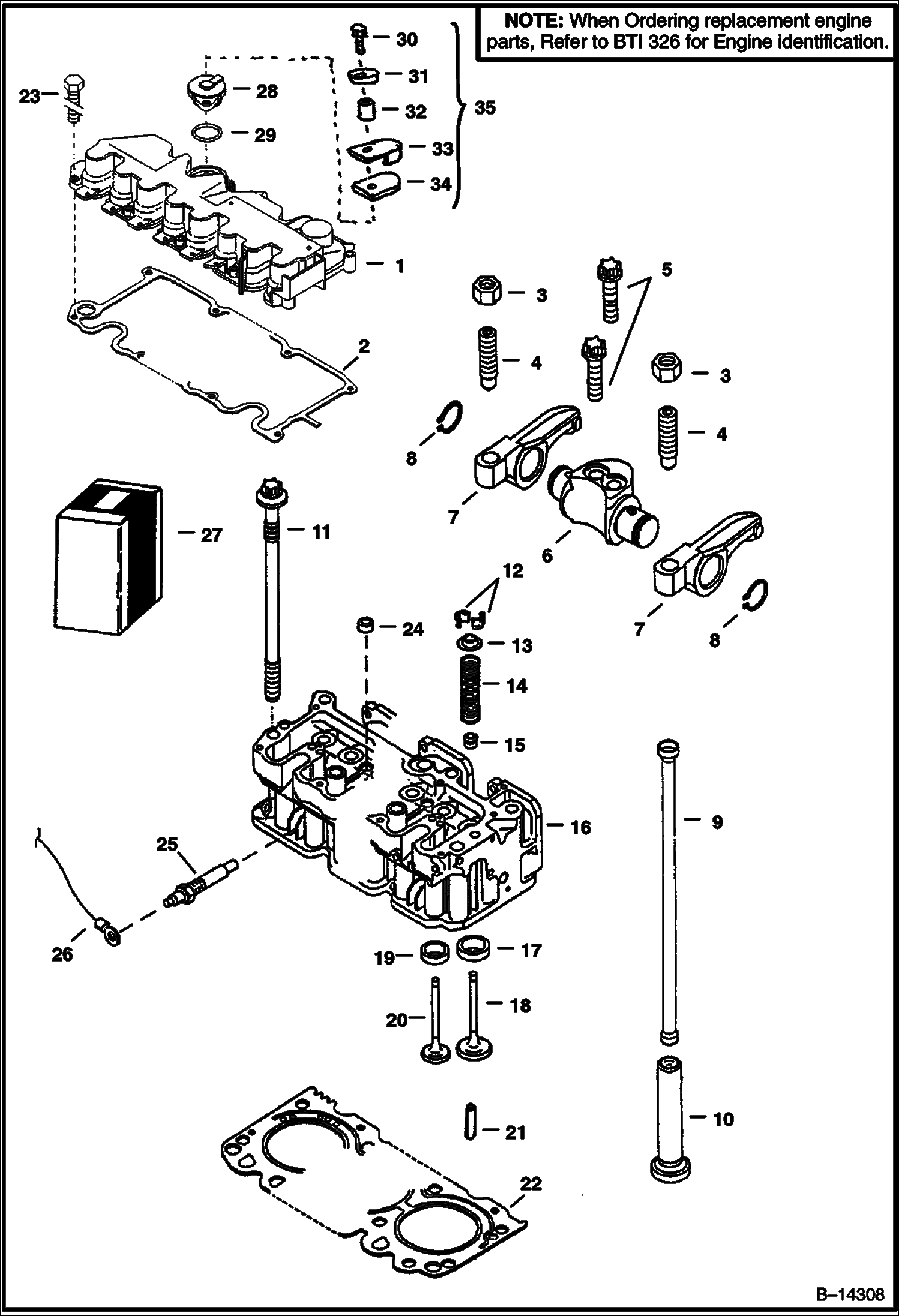
ГОЛОВКА ЦИЛИНДРА И КРЫШКА
1Артикул: 6666747, COVER W/O PCV valve
2Артикул: 6672770, COVER W/PCV valve
3Артикул: 6666739, GASKET for cover W/O PCV valve
ВОЗДУШНЫЙ ФИЛЬТР
1Артикул: 6667385, AIR CLEANER
2Артикул: 6674837, AIR CLEANER
3Артикул: TANK, TANK NSS - Order Ref. 1
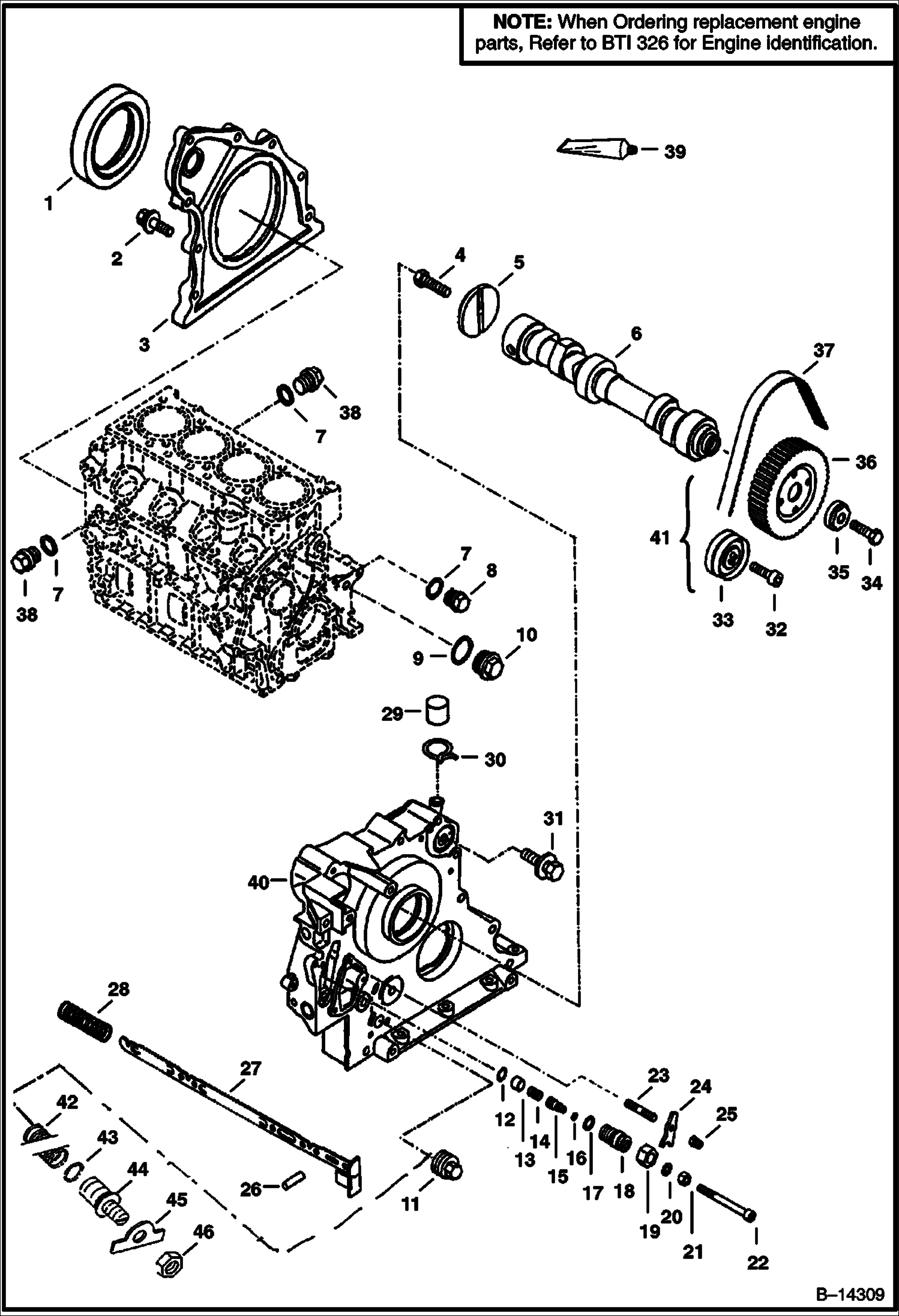
РАСПРЕДВАЛ
1Артикул: 6666490, SEAL lip - rear main
2Артикул: 6666412, BOLT
3Артикул: 6688307, COVER REAR rear - Use W/Ref. 39 - Was 6666491 - A
КОМПЛЕКТЫ ПРОКЛАДОК ДВИГАТЕЛЯ
1Артикул: ENGINE, ENGINE See BTI326 See BTI352 See BTI360 NLA - SEE NOTE - Tier I - short stroke - does not include starter, alternator, flywheel, or flywheel housing - W/ single glow plug - order 6686497 - Was 6665341 - A
2Артикул: 6671102REM, ENG, DEUTZ BM0411 NEW TURBO AND FUEL Order 6672128 or REMAN Does not include Starter, Alternator, Flywheel, Pump Mount or Turbo - Was 6665341REM
3Артикул: ENGINE, ENGINE See BTI326 See BTI352 See BTI360 NLA - SEE NOTE - Tier I - short stroke - order 6686497 - does not include starter, alternator, flywheel, or flywheel housing - W/ four glow plug cylinder head - Was 6669745 - A
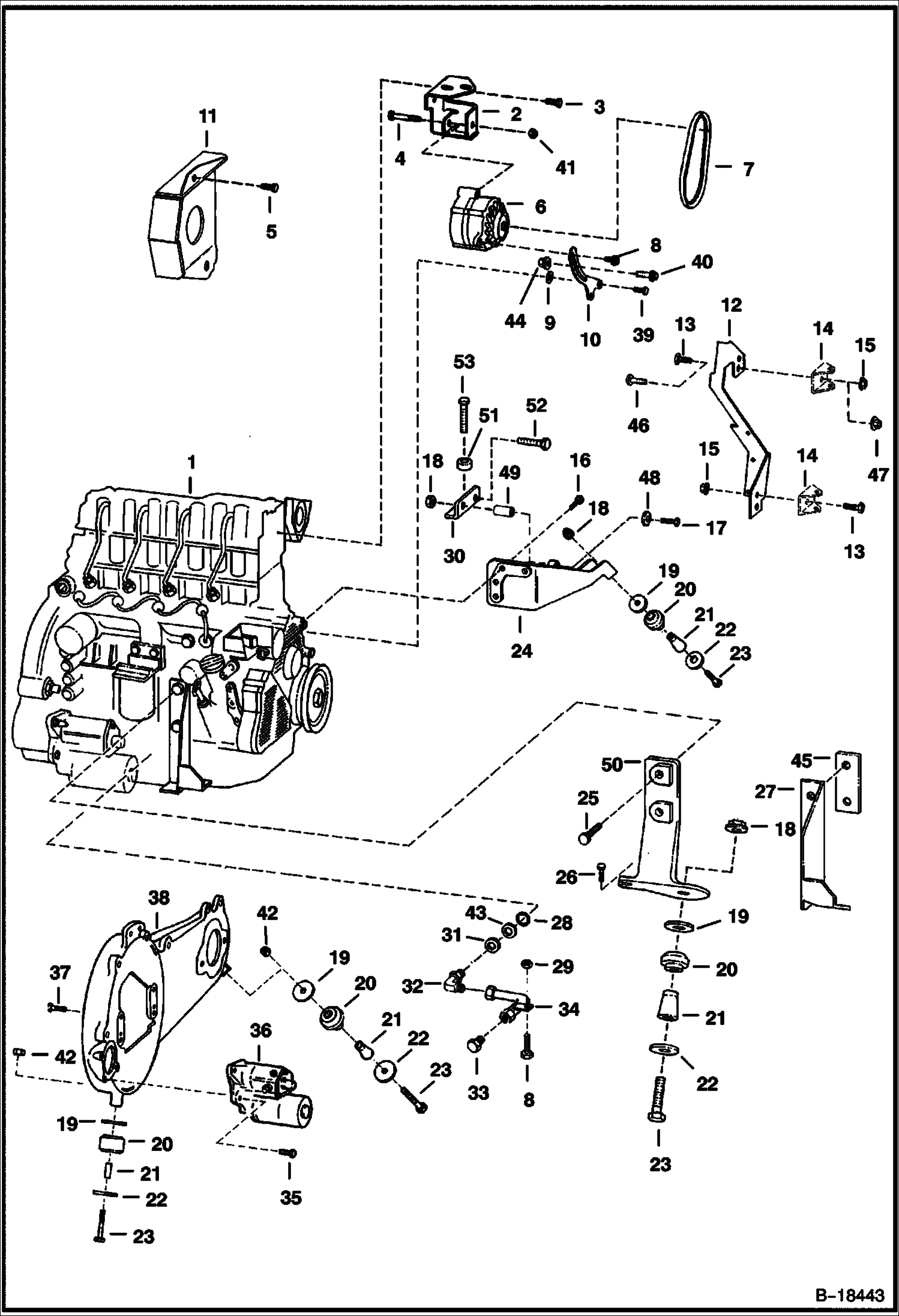
ДВИГАТЕЛЬ И КРЕПЕЖНЫЕ ДЕТАЛИ (СИСТЕМА РЕМНЕЙ ПРИВОДА)
1Артикул: 38C828, BOLT shoulder
2Артикул: 1313116, BUSHING
3Артикул: 6568424, ADAPTER
ДРОССЕЛЬНАЯ ЗАСЛОНКА
1Артикул: 6564452, GRIP
2Артикул: 6705452, LEVER
3Артикул: 38C610, BOLT shoulder
ДВИГАТЕЛЬ, ЕГО ЧАСТИ
1Артикул: ENGINE, ENGINE See Illustration ENGINE & GASKET KITS/ B16399
2Артикул: 6707631, MOUNT Use W/ 2-piece rear door
3Артикул: 6713893, MOUNT Use W/ 1-piece rear door
КРИВОШИПНАЯ КОРОБКА И ПОДДОН КАРТЕРА
1Артикул: 6666758, BLOCK
2Артикул: BLOCK, BLOCK See Illustration ENGINE & GASKET KITS/ B16399 NLA - Order completer engine - Was 6672880 - A
3Артикул: 6666690, PLUG short & long stroke - non-EPA & long stroke EPA
ПЕРЕДНЯЯ КРЫШКА
1Артикул: 6666748, COVER, FRONT front
2Артикул: 6666749, BREATHER vent - W/Ref. 40
3Артикул: 6666695, BOLT
СИСТЕМА ОХЛАЖДЕНИЯ
1Артикул: 6710791, COOLER oil
2Артикул: 6709912, TUBE
3Артикул: 6709916, TUBE
КОЛЛЕКТОР
1Артикул: 6690619, MANIFOLD intake - Was 6670316 - A
2Артикул: 6670313, BOLT
3Артикул: 6670315, GASKET
ПОРШНИ И КОЛЕНВАЛ
1Артикул: 6666487, RING SET W/ external PCV
2Артикул: 6672896, RING, PISTON W/ external PCV
3Артикул: 6666404, RING, SNAP
МАСЛЯНЫЙ НАСОС
1Артикул: PUMP, PUMP NLA - oil - W/ .315-- (8mm) dipstick hole I.D. - W/Ref. 2 & 3 - Order 6669530 pump & 6669531 dipstick - Was 6666759 - A
2Артикул: 6669530, PUMP oil - W/ .55-- (14mm) dipstick hole I.D. - W/Ref. 2 & 3
3Артикул: 6668936, SET SCREW
СИСТЕМА ВПРЫСКА ТОПЛИВА
1Артикул: 6677830, PUMP fuel - Was 6666522 - A
2Артикул: 6688197, O-RING Was 6666420 - A
3Артикул: BOLT, BOLT NLA - Order 6673159 - Was 6666435 - A
ПРИВОД ВЕНТИЛЯТОРА ОХЛАЖДЕНИЯ В СБОРЕ
1Артикул: 6734105, HOUSING ASSY no serviceable parts