+7 (701) 588 50 05 Телефон для связи
RU

WhatsApp

Позвонить

ЗАПЧАСТИ ДВИГАТЕЛЯ в Алматы

ТАБЛИЧКА РЕГУЛЯТОРА СКОРОСТИ

ТАБЛИЧКА РЕГУЛЯТОРА СКОРОСТИ

1Артикул: 3974970, BOLT adjusting
2Артикул: 3974971, NUT
3Артикул: 3974972, GASKET
Подробнее >
КРУПНОГАБАРИТНЫЕ ПРЕДМЕТЫ СМ. В ПРИМЕЧАНИИ

КРУПНОГАБАРИТНЫЕ ПРЕДМЕТЫ СМ. В ПРИМЕЧАНИИ

1Артикул: 6802228, PAINT orange - Spray Can - SEE NOTE
2Артикул: 7305844, PAINT ORANGE SPRAY CAN 6 updated shade
3Артикул: 7251690, PAINT, ORANGE SPRAY CAN 6 original shade - EMEA
Подробнее >
МАСЛЯНАЯ ТРУБКА ТУРБОНАГНЕТАТЕЛЬ

МАСЛЯНАЯ ТРУБКА ТУРБОНАГНЕТАТЕЛЬ

1Артикул: 6682538, PIPE
2Артикул: 7022765, BOLT, EYE Was 7022765 - A
3Артикул: 3974095, GASKET, METAL
Подробнее >
ТУРБОНАГНЕТАТЕЛЬ

ТУРБОНАГНЕТАТЕЛЬ

1Артикул: 6682534, TURBO CHARGER
2Артикул: 6675636, GASKET
3Артикул: 6680564, STUD
Подробнее >
ВЫХЛОПНОЙ ТРУБОПРОВОД ДВИГАТЕЛЯ

ВЫХЛОПНОЙ ТРУБОПРОВОД ДВИГАТЕЛЯ

1Артикул: 6682531, EXHAUST manifold
2Артикул: 6666791, GASKET
3Артикул: 6652670, STUD
Подробнее >
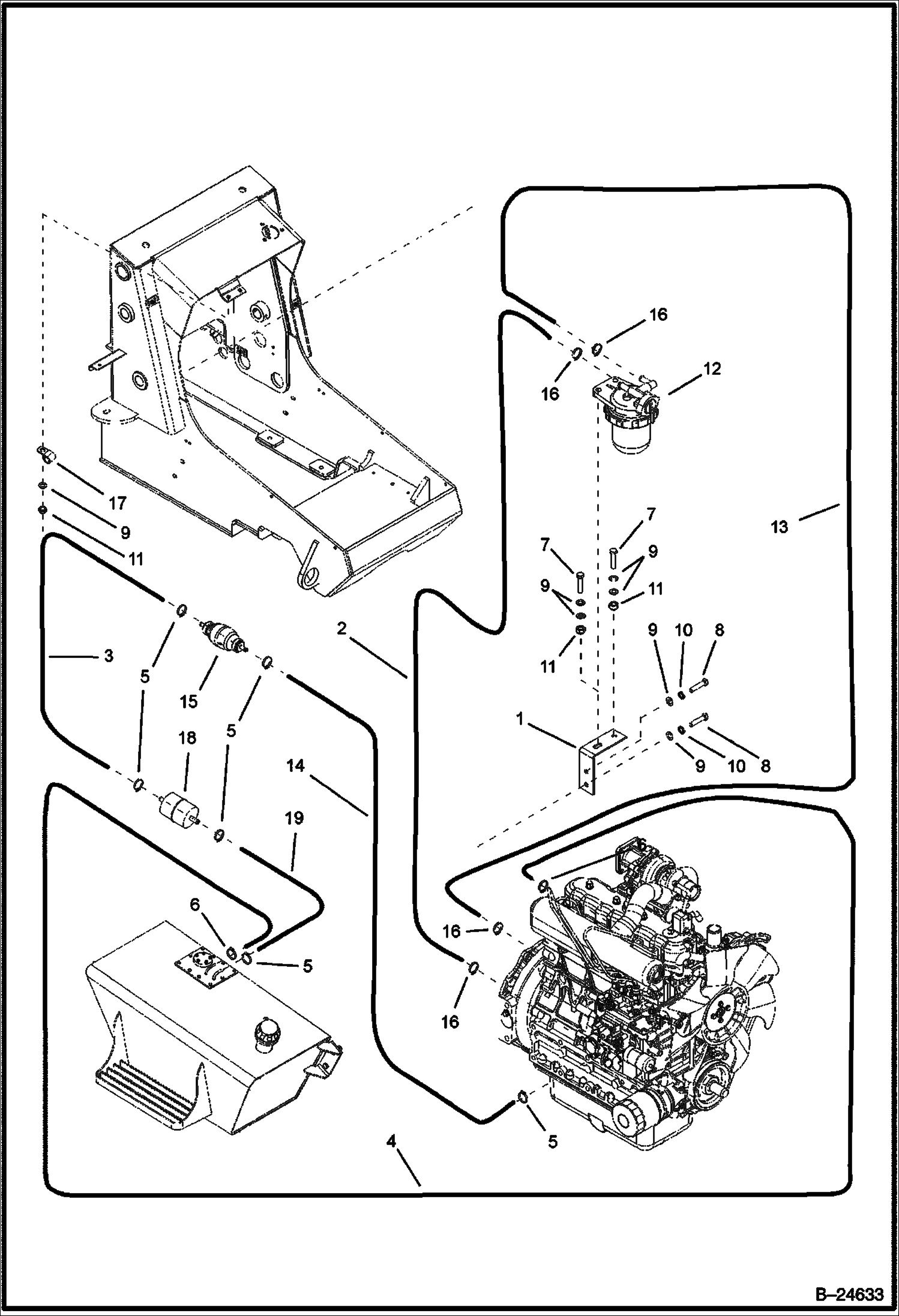
ТОПЛИВНЫЙ БАК

ТОПЛИВНЫЙ БАК

1Артикул: 6961651, TANK Ref. 2-21
2Артикул: 6961468, TANK
3Артикул: 6961469, COVER
Подробнее >
ТОПЛИВНЫЕ ЭЛЕМЕНТЫ В СБОРЕ

ТОПЛИВНЫЕ ЭЛЕМЕНТЫ В СБОРЕ

1Артикул: 6961516, HOLDER
2Артикул: 6960818, HOSE
3Артикул: 6974824, HOSE
Подробнее >
ВЕНТИЛЯТОР

ВЕНТИЛЯТОР

1Артикул: 6680155, FAN, PLASTIC
2Артикул: 29CM612, BOLT, FLANGED Was 6652762 - A
3Артикул: 6674169, PULLEY water pump
Подробнее >
ВОДЯНОЙ ФЛАНЕЦ И ТЕРМОСТАТ

ВОДЯНОЙ ФЛАНЕЦ И ТЕРМОСТАТ

1Артикул: 6674167, FLANGE assy - water - Ref. 2 & 17
2Артикул: 6655880, PIPE
3Артикул: 6666802, GASKET water flange
Подробнее >
ПОРШНИ И КОЛЕНВАЛ

ПОРШНИ И КОЛЕНВАЛ

1Артикул: 6682508, PISTON NLA - (1E013-2111) - Order 6689939 (4) Piston, also order 6686997 (4) Cir-Clip & 6675655 (4) Ring - Was 6682508 - A
2Артикул: 6682509, RING piston
3Артикул: 6655179, PIN, PISTON ENG
Подробнее >
ВОДЯНОЙ ПАТРУБОК

ВОДЯНОЙ ПАТРУБОК

1Артикул: 6682530, PIPE, WATER
2Артикул: 6675651, PIPE, WATER
3Артикул: 6675653, PIPE, OIL COVER
Подробнее >
КАРТЕР ДВИГАТЕЛЯ

КАРТЕР ДВИГАТЕЛЯ

1Артикул: 6969556, CRANKCASE assy - Ref. 2-14 & 23
2Артикул: 6598187, PLUG
3Артикул: 6652574, PLUG
Подробнее >
РЕГУЛЯТОР ОБОРОТОВ

РЕГУЛЯТОР ОБОРОТОВ

1Артикул: 6598174, LEVER
2Артикул: 6675672, LEVER Ref. 3-9
3Артикул: 6675672, LEVER fork - Ref. 17-21 fork - Ref. 17-21 - Was 6675657 - A
Подробнее >
НАКЛЕЙКИ

НАКЛЕЙКИ

1Артикул: 6960048, DECAL danger
2Артикул: 6960049, DECAL
3Артикул: 6967302, DECAL
Подробнее >
РЫЧАГ ОСТАНОВА ДВИГАТЕЛЯ

РЫЧАГ ОСТАНОВА ДВИГАТЕЛЯ

1Артикул: 3974975, IDLER idling - assy - Ref. 2-6
2Артикул: 6653906, BOLT ASSY.
3Артикул: 2DM8, NUT
Подробнее >
ТОПЛИВНЫЙ НАСОС

ТОПЛИВНЫЙ НАСОС

1Артикул: 6675656, PUMP pump assy - Ref. 2-26
2Артикул: 6682516, ELEMENT
3Артикул: 6682517, VALVE
Подробнее >
ЩУП ДЛЯ ПРОВЕРКИ УРОВНЯ МАСЛА И НАПРАВЛЯЮЩАЯ ВТУЛКА

ЩУП ДЛЯ ПРОВЕРКИ УРОВНЯ МАСЛА И НАПРАВЛЯЮЩАЯ ВТУЛКА

1Артикул: 6974812, GAUGE oil
2Артикул: 6682503, PLUG
Подробнее >
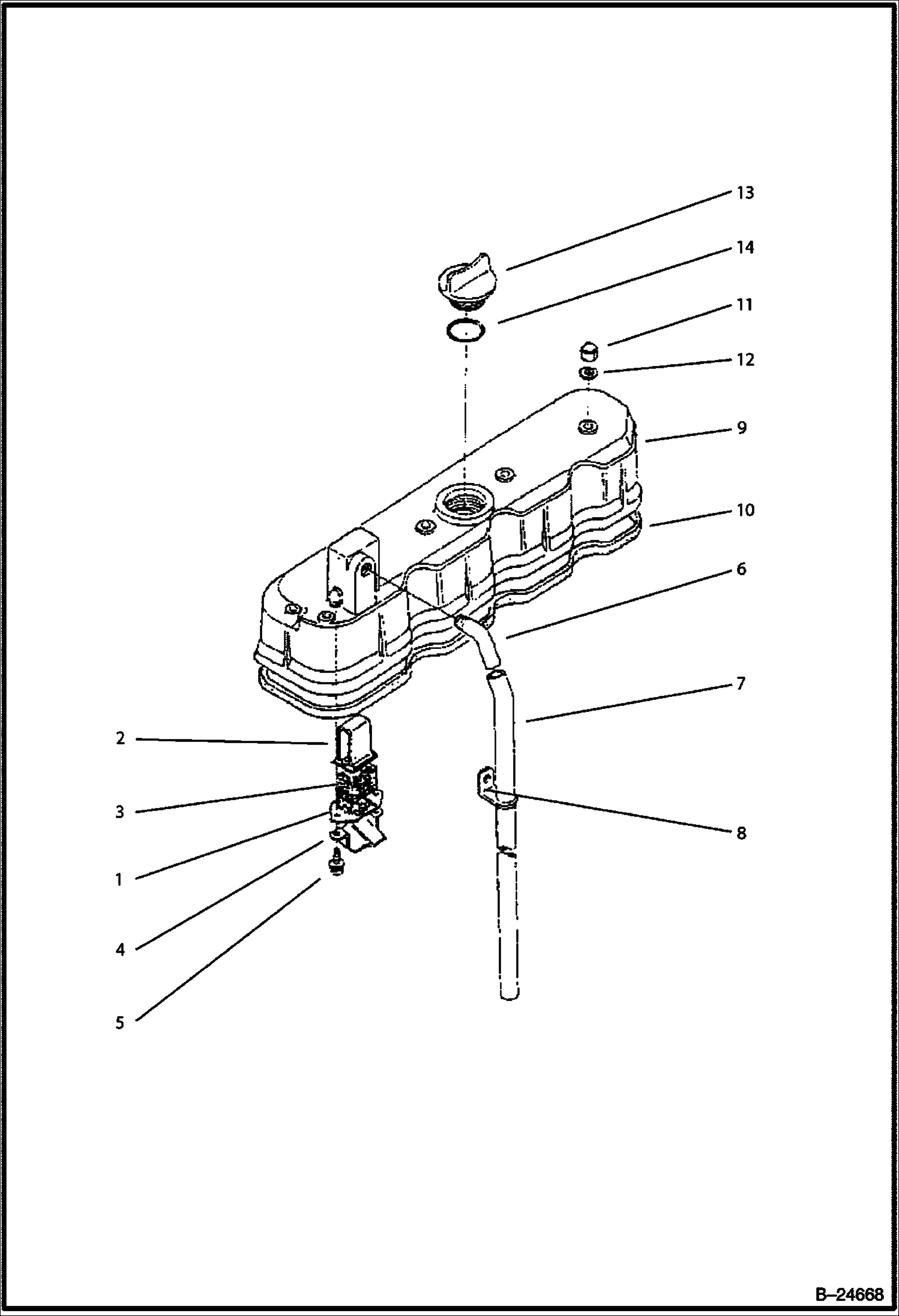
КРЫШКА ГОЛОВКИ

КРЫШКА ГОЛОВКИ

1Артикул: 3974924, PLATE
2Артикул: 3974925, PLATE
3Артикул: 3974926, BREATHER
Подробнее >
ГОЛОВКА БЛОКА ЦИЛИНДРОВ

ГОЛОВКА БЛОКА ЦИЛИНДРОВ

1Артикул: 6655152, HOOK
2Артикул: 3974882, HOOK
3Артикул: 1CM816, BOLT Was 4CM816 - A
Подробнее >
ВОЗДУШНЫЙ УЗЕЛ

ВОЗДУШНЫЙ УЗЕЛ

1Артикул: 6961674, ADAPTER
2Артикул: 6961284, HOSE
3Артикул: 6968835, HOLDER
Подробнее >
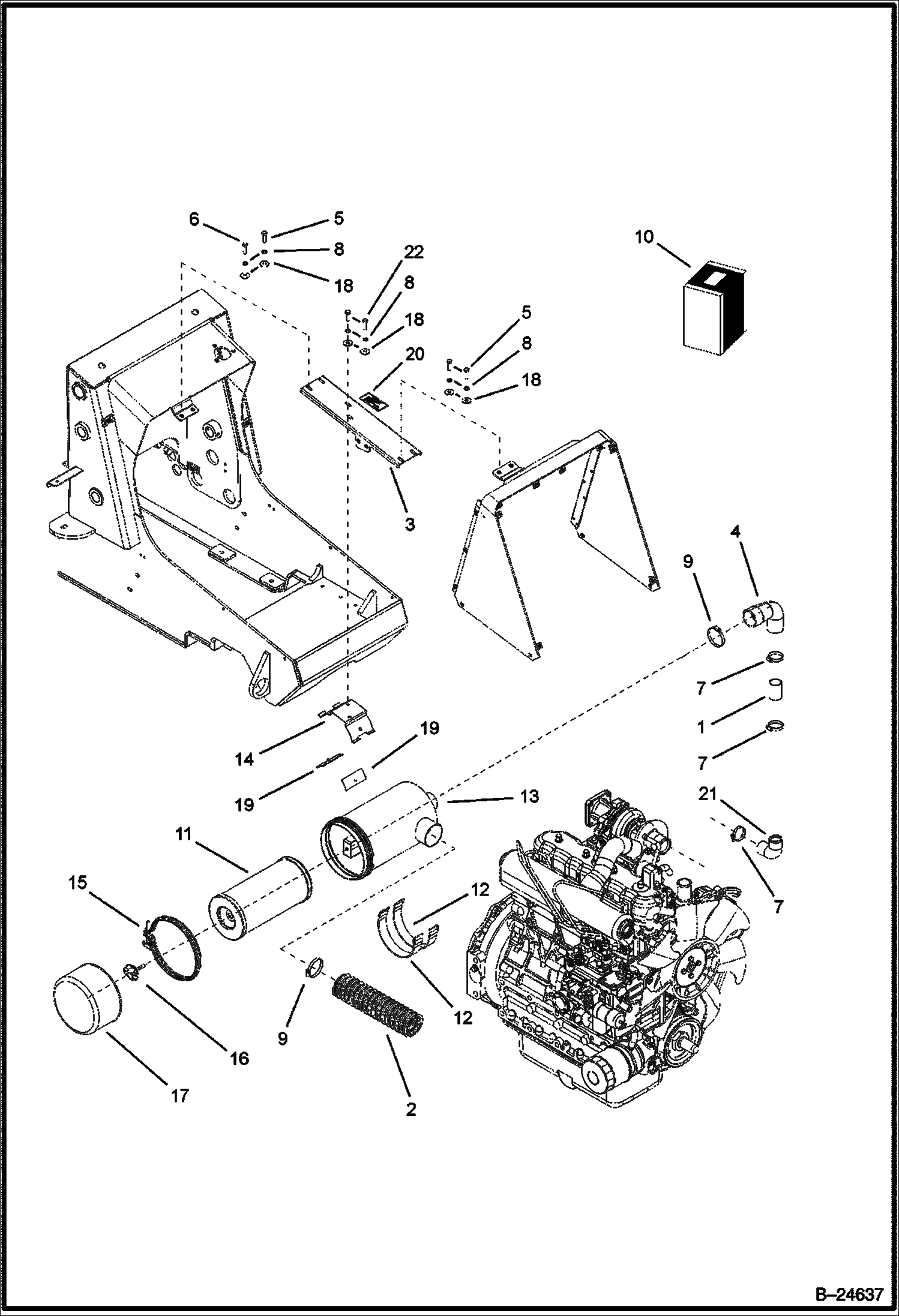
МАСЛЯНЫЙ ФИЛЬТР ДВИГАТЕЛЯ

МАСЛЯНЫЙ ФИЛЬТР ДВИГАТЕЛЯ

1Артикул: 6675517, FILTER, OIL ENG 12 See Illustration OIL FILTER/ B24669 oil filter - 12 Pack - Was 3974896 - A
2Артикул: 6682502, CONNECTOR
3Артикул: 6675671, COLLAR
Подробнее >
СОЛЕНОИД ОСТАНОВА

СОЛЕНОИД ОСТАНОВА

1Артикул: 6655120, SOLENOID stop
2Артикул: 1CM816, BOLT Was 4CM816 - A
3Артикул: 1EM80, WASHER Was 2EM8 - A
Подробнее >
ГЕНЕРАТОР

ГЕНЕРАТОР

1Артикул: 6682525, ALTERNATOR assy - Ref. 2-32
2Артикул: 6683192, FRAME ASSY drive end - Ref. 3-6
3Артикул: 6681724, PLATE, RETAINER
Подробнее >
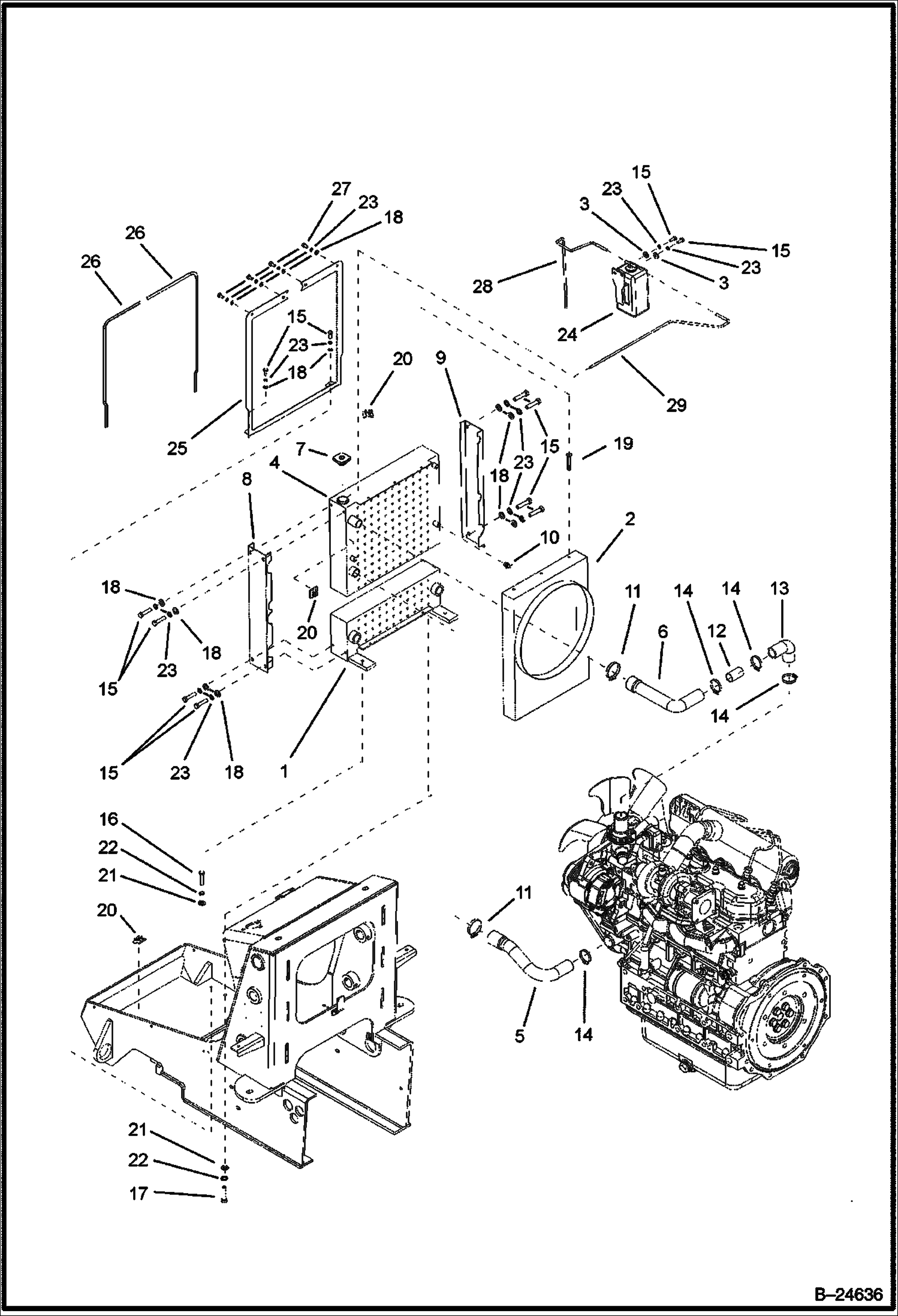
РАДИАТОР В СБОРЕ

РАДИАТОР В СБОРЕ

1Артикул: 6961288, COOLER
2Артикул: 6969235, HOUSING
3Артикул: WASHER, WASHER NLA - Was 6964631 - A
Подробнее >
МАСЛЯНЫЙ РАДИАТОР

МАСЛЯНЫЙ РАДИАТОР

1Артикул: 6682537, OIL COOLER
2Артикул: 6698244, ORING Was 6657422 - B,D
3Артикул: 6675670, HOSE
Подробнее >
БАК

БАК

1Артикул: 6966033, FUEL CAP Ref. 2-4
2Артикул: COVER, COVER NLA
3Артикул: 13GM512, BOLT
Подробнее >
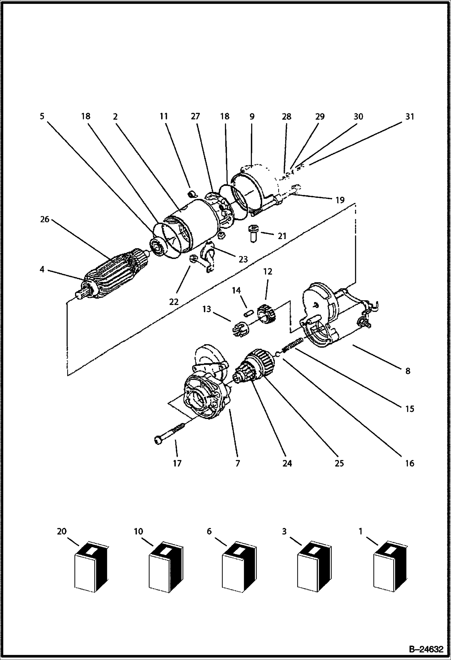
СТАРТЕР

СТАРТЕР

1Артикул: 6988700, STARTER assy - Ref. 2-31 - Was 6988712 - A
2Артикул: 6662324, YOKE assy
3Артикул: 6662325, ARMATURE assy - Ref. 4, 5 & 26
Подробнее >
ВПУСКНОЙ КОЛЛЕКТОР

ВПУСКНОЙ КОЛЛЕКТОР

1Артикул: 6675644, MANIFOLD, INLET
2Артикул: 6666811, GASKET
3Артикул: 4CM822, BOLT
Подробнее >
ДЕРЖАТЕЛЬ ФОРСУНКИ И ЗАПАЛЬНАЯ СВЕЧА

ДЕРЖАТЕЛЬ ФОРСУНКИ И ЗАПАЛЬНАЯ СВЕЧА

1Артикул: 6682521, PIPE over flow
2Артикул: 6598146, PIPE pipe over flow - Ref. 3, 4 & 21
3Артикул: 6654718, CLAMP pipe - Was 6680795 - A
Подробнее >
ПРОКЛАДКА

ПРОКЛАДКА

1Артикул: 6666816, GASKET muffler
Подробнее >
КЛАПАН И ПЛЕЧО КОРОМЫСЛА

КЛАПАН И ПЛЕЧО КОРОМЫСЛА

1Артикул: 6655173, VALVE
2Артикул: 7254420, VALVE, EXHAUST Was 6675629 - A
3Артикул: 3974514, SPRING 5
Подробнее >
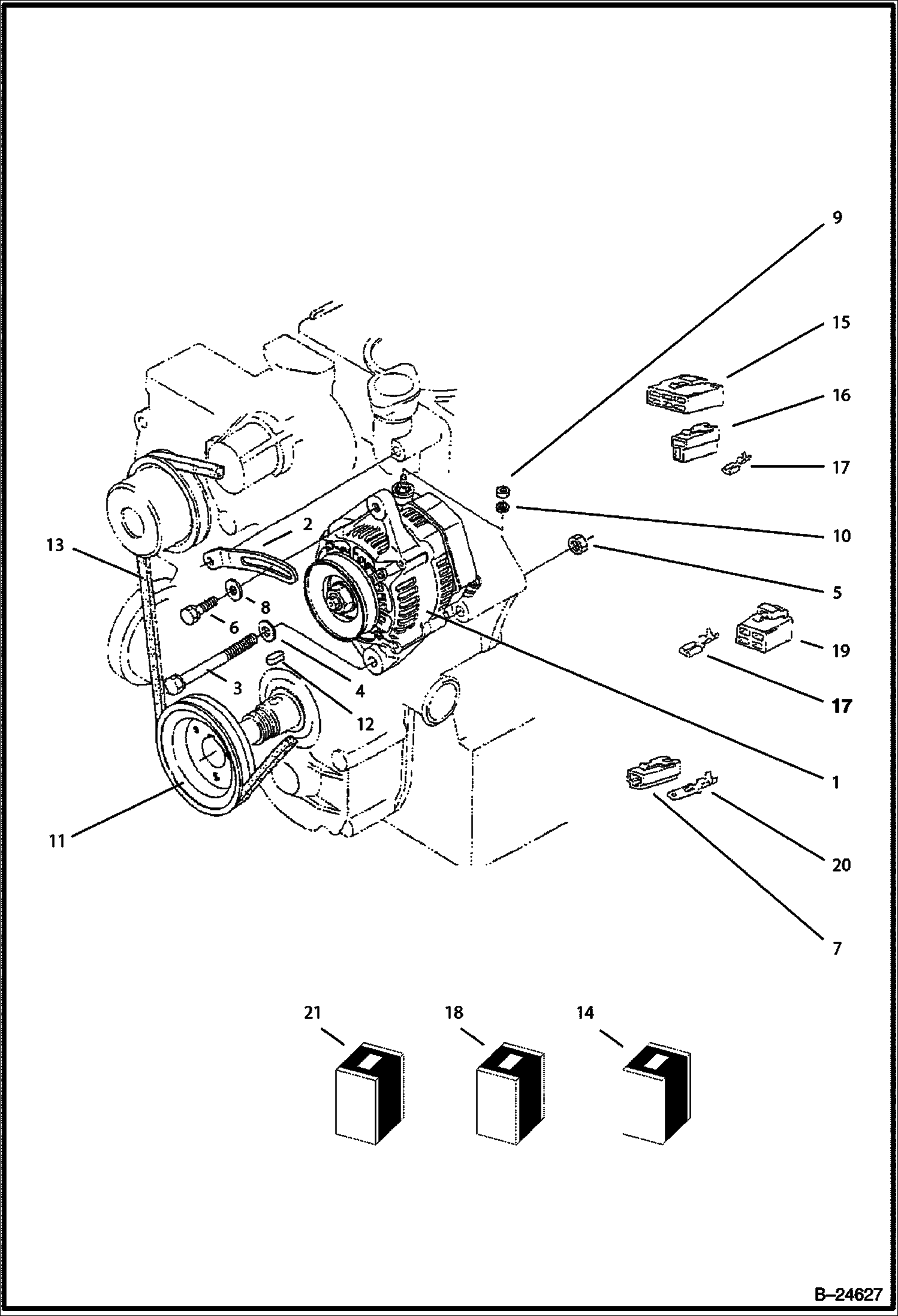
ГЕНЕРАТОР ПЕРЕМЕННОГО ТОКА И ШКИВ

ГЕНЕРАТОР ПЕРЕМЕННОГО ТОКА И ШКИВ

1Артикул: 6988708, ALTERNATOR assy - Was 6683304 - A
2Артикул: 6682526, STAY
3Артикул: 6682527, BOLT
Подробнее >
МАСЛЯНЫЙ ПОДДОН

МАСЛЯНЫЙ ПОДДОН

1Артикул: 6682499, OIL PAN
2Артикул: 6666817, GASKET
3Артикул: 6653798, BOLT
Подробнее >
ОСНОВНОЙ КОРПУС ПОДШИПНИКА

ОСНОВНОЙ КОРПУС ПОДШИПНИКА

1Артикул: 7015269, TAPPET Was 6667428 - A
2Артикул: 6655176, PUSHROD
3Артикул: 6675645, CAMSHAFT assy - Ref. 4-8
Подробнее >
КАРТЕР КОРОБКИ ПЕРЕДАЧ

КАРТЕР КОРОБКИ ПЕРЕДАЧ

1Артикул: 6682501, CASE ASSY. NLA - Order 6685466 o-ring, 6686981 o-ring, 6685468 o-ring, 3974395 pin, 6652592 pin & 7018622 housing gear case - Was 6682501 - A
2Артикул: 6667425, PLUG
3Артикул: 3966515, O RING
Подробнее >
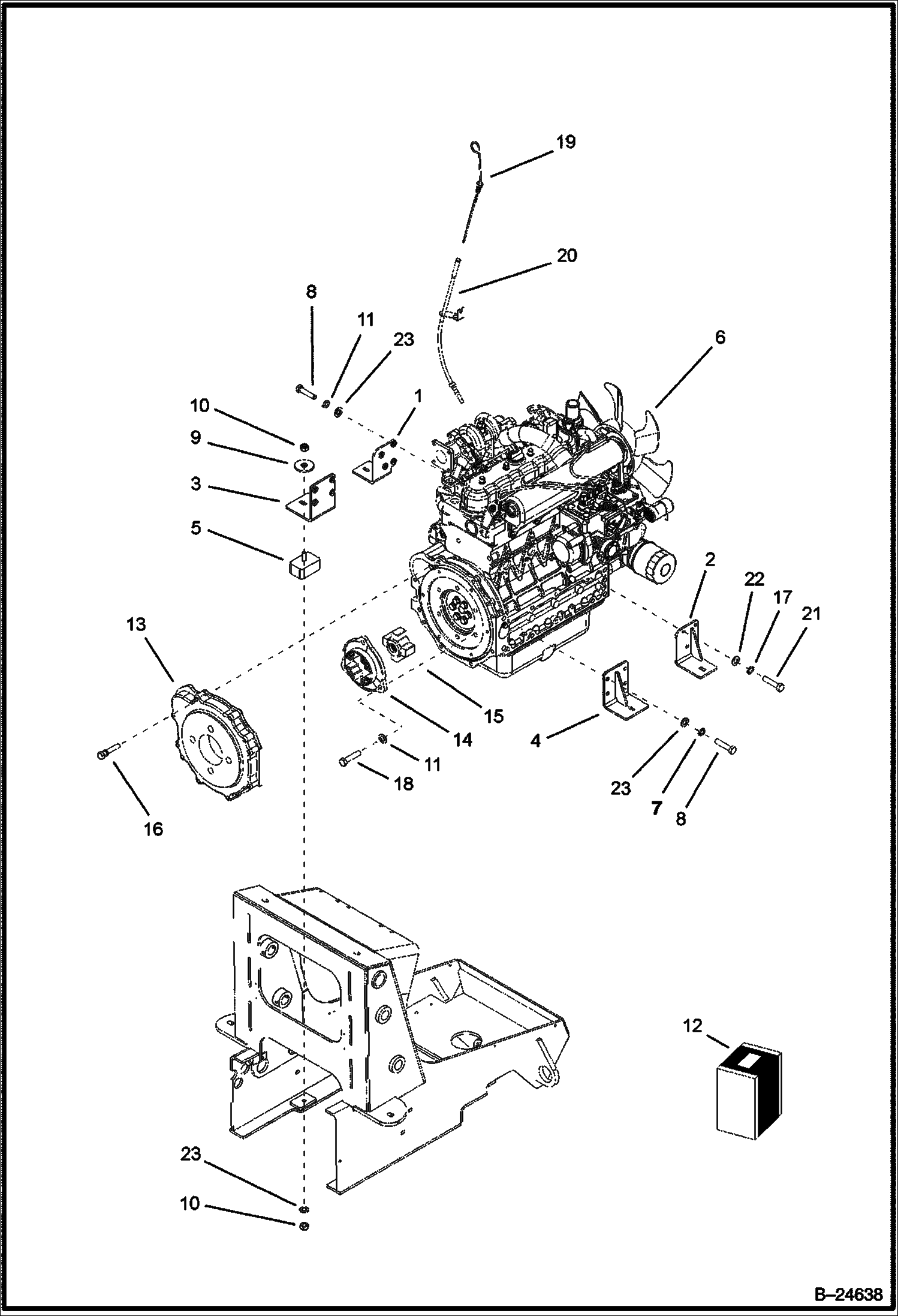
ДВИГАТЕЛЬ

ДВИГАТЕЛЬ

1Артикул: 6961494, HOLDER
2Артикул: 6961495, HOLDER
3Артикул: 6961496, HOLDER
Подробнее >
ВОДЯНАЯ ПОМПА

ВОДЯНАЯ ПОМПА

1Артикул: PUMP, PUMP NLA - assy - water - Ref. 2-6 & 13 - Was 6675652 - A
2Артикул: 3974991, BEARING
3Артикул: 6667460, IMPELLER
Подробнее >
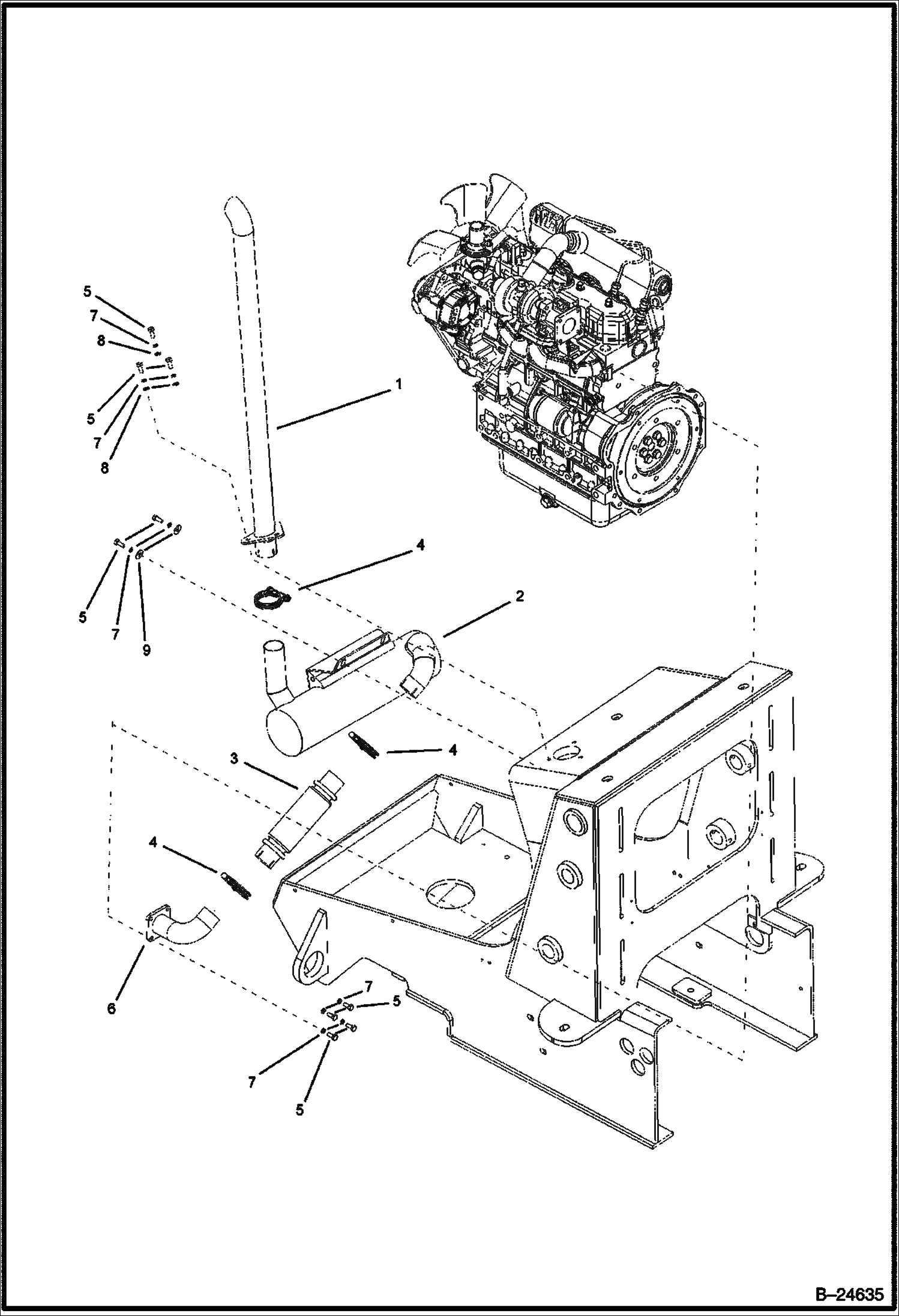
ВЫХЛОПНАЯ ТРУБА

ВЫХЛОПНАЯ ТРУБА

1Артикул: 6974831, EXHAUST
2Артикул: 6974829, EXHAUST,MUFFLER
3Артикул: 6974851, TUBE
Подробнее >
ТОПЛИВНЫЙ НАСОС

ТОПЛИВНЫЙ НАСОС

1Артикул: 6682524, PUMP Ref. 2 - 7
2Артикул: 6667458, DIAPHRAGM
3Артикул: 6667459, GASKET
Подробнее >
ТОПЛИВНЫЙ РАСПРЕДЕЛИТЕЛЬНЫЙ ВАЛ И РАСПРЕДЕЛИТЕЛЬНЫЙ ВАЛ РЕГУЛЯТОРА ОБОРОТОВ

ТОПЛИВНЫЙ РАСПРЕДЕЛИТЕЛЬНЫЙ ВАЛ И РАСПРЕДЕЛИТЕЛЬНЫЙ ВАЛ РЕГУЛЯТОРА ОБОРОТОВ

1Артикул: 6655211, CAMSHAFT assy - fuel - Ref. 2-12 & 21
2Артикул: CAMSHAFT, CAMSHAFT NLA - fuel - Order Ref. 1 - Was 6655875 - A
3Артикул: 851242, BEARING
Подробнее >
МАХОВИК

МАХОВИК

1Артикул: 6969576, FLYWHEEL assy - Ref. 2 & 10
2Артикул: 6969577, GEAR, RING
3Артикул: 6969575, BOLT, FLYWHEEL
Подробнее >
ФИЛЬТР ДЛЯ ТОПЛИВА

ФИЛЬТР ДЛЯ ТОПЛИВА

1Артикул: 6964743, FILTER Ref. 2-8
2Артикул: 6968183, CAP
3Артикул: 6962090, O-RING
Подробнее >
ПЕРЕКЛЮЧАТЕЛЬ ДАВЛЕНИЯ МАСЛА, ТЕРМОМЕТР И ЗАГЛУШКА

ПЕРЕКЛЮЧАТЕЛЬ ДАВЛЕНИЯ МАСЛА, ТЕРМОМЕТР И ЗАГЛУШКА

1Артикул: 6969775, SWITCH, OIL PRESSURE oil - Was 6652576 - A
2Артикул: 6682529, THERMOSWITCH assy
Подробнее >
ЗАПАЛЬНАЯ СВЕЧА

ЗАПАЛЬНАЯ СВЕЧА

1Артикул: 6652766, TIMER glow lamp
2Артикул: 6670872, TIMER
Подробнее >