+7 (701) 588 50 05 Телефон для связи
RU

WhatsApp

Позвонить

ЗАПЧАСТИ ДВИГАТЕЛЯ в Алматы

МЕХАНИЧЕСКОЕ БЫСТРОУСТАНАВЛИВАЕМОЕ СЦЕПНОЕ УСТРОЙСТВО

МЕХАНИЧЕСКОЕ БЫСТРОУСТАНАВЛИВАЕМОЕ СЦЕПНОЕ УСТРОЙСТВО

1Артикул: 1CM616, SCREW Was 4CM616 - A
2Артикул: 9EM60, WASHER
3Артикул: 6513768, BRACKET
Подробнее >
ФИЛЬТР ДЛЯ ТОПЛИВА

ФИЛЬТР ДЛЯ ТОПЛИВА

1Артикул: 6560348, FITLER, FUEL ASSY Ref. 2-11
2Артикул: 1C432, SCREW Was 6598227 - A
3Артикул: 6598226, WASHER
Подробнее >
ВОЗДУШНЫЙ КОЖУХ

ВОЗДУШНЫЙ КОЖУХ

1Артикул: 6599447, FASTENER
2Артикул: 1DM8, NUT
3Артикул: 9EM80, WSHR PLTE
Подробнее >
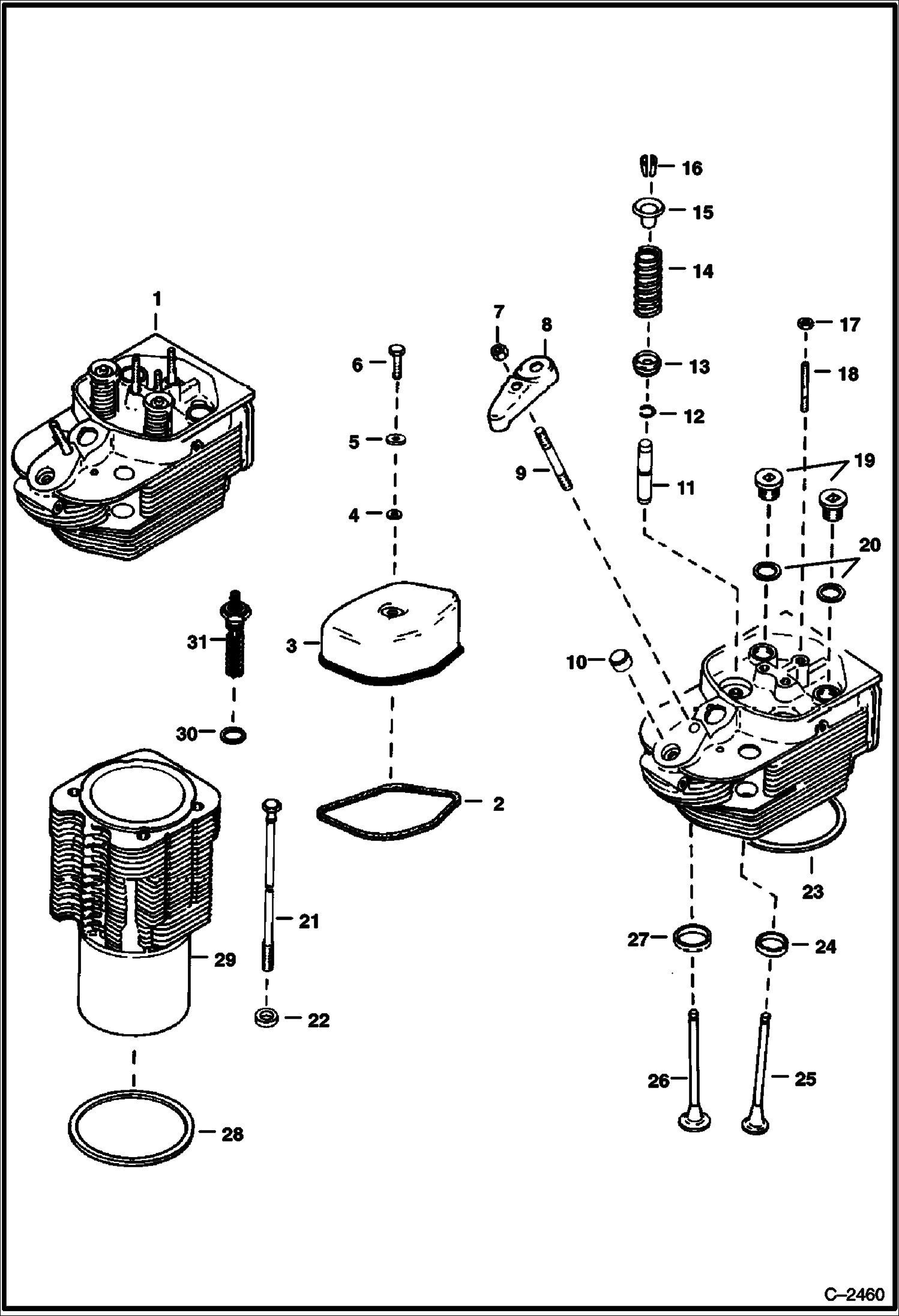
ЦИЛИНДР И ГОЛОВКИ

ЦИЛИНДР И ГОЛОВКИ

1Артикул: 6513812, HEAD complete
2Артикул: 3725137, GASKET
3Артикул: 6513866, COVER
Подробнее >
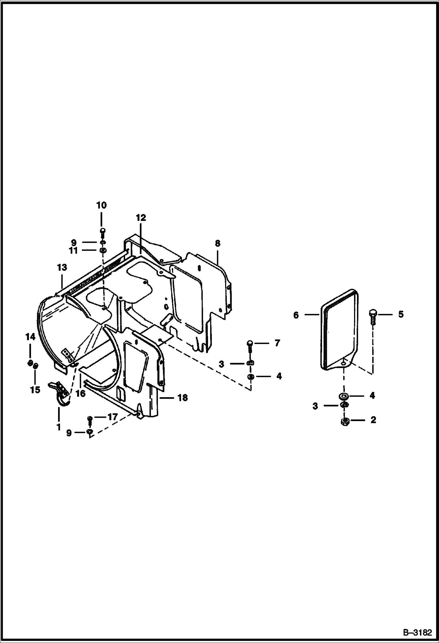
ВОЗДУХОДУВКА

ВОЗДУХОДУВКА

1Артикул: PULLEY, PULLEY W/Shaft NLA - Was 6513792 - A
2Артикул: 6630285, PULLEY
3Артикул: 6516137, BEARING
Подробнее >
ВОЗДУШНЫЙ ФИЛЬТР

ВОЗДУШНЫЙ ФИЛЬТР

1Артикул: 6563400, AIR CLEANER Ref. 2 - 9
2Артикул: TANK, TANK NLA
3Артикул: 6598492, ELEMENT
Подробнее >
РЫЧАГ ДРОССЕЛЬНОЙ ЗАСЛОНКИ И РЕГУЛЯТОРА ОБОРОТОВ

РЫЧАГ ДРОССЕЛЬНОЙ ЗАСЛОНКИ И РЕГУЛЯТОРА ОБОРОТОВ

1Артикул: 6511829, PLUG
2Артикул: 4CM870, BOLT
3Артикул: 1DM8, NUT
Подробнее >
ДРОССЕЛЬНАЯ ЗАСЛОНКА

ДРОССЕЛЬНАЯ ЗАСЛОНКА

1Артикул: 85D6, NUT, 5
2Артикул: 7D6, NUT
3Артикул: 27E6, WASHER 5
Подробнее >
ВЫХЛОПНОЙ ТРУБОПРОВОД ДВИГАТЕЛЯ

ВЫХЛОПНОЙ ТРУБОПРОВОД ДВИГАТЕЛЯ

1Артикул: MANIFOLD, MANIFOLD NLA - exhaust - Was 6513901 - A
2Артикул: 4103270, GASKET
3Артикул: 6517837, STUD
Подробнее >
КАРДАННЫЙ ШАРНИР

КАРДАННЫЙ ШАРНИР

1Артикул: 6598347, U-JOINT Ref. 2-4, 9 & 13
2Артикул: 6598303, SPIDER rear
3Артикул: 5202123, COUPLING
Подробнее >
ВОЗДУХОЗАБОРНЫЙ КОЛЛЕКТОР

ВОЗДУХОЗАБОРНЫЙ КОЛЛЕКТОР

1Артикул: 1KM10, PLUG
2Артикул: 2FM10135, SEAL RING
3Артикул: 1KM22, PLUG
Подробнее >
РАСПРЕДЕЛИТЕЛЬНЫЙ ВАЛ И КУЛАЧОК ПОДЪЕМА КЛАПАНА

РАСПРЕДЕЛИТЕЛЬНЫЙ ВАЛ И КУЛАЧОК ПОДЪЕМА КЛАПАНА

1Артикул: 6513874, SUPPORT
2Артикул: 6513859, STUD
3Артикул: PIN, PIN NSS
Подробнее >
КОЛЕНЧАТЫЙ ВАЛ, ПОРШЕНЬ И МАХОВИК

КОЛЕНЧАТЫЙ ВАЛ, ПОРШЕНЬ И МАХОВИК

1Артикул: 6513839, BEARING rod (52 mm Std.)
2Артикул: 6513842, BEARING rod (51,5 mm)
3Артикул: 6513870, BEARING rod (51,0 mm - One Bearing)
Подробнее >
ДВИГАТЕЛЬ (DEUTZ F2L-511D)

ДВИГАТЕЛЬ (DEUTZ F2L-511D)

1Артикул: ENGINE, ENGINE NLA - Includes intake manifold, exhaust manifold, oil filter, fuel lift pump injector pump & tube lines - Does not include air cleaner, fuel filters alternator, belts, idler, flywheel & starter - Order 6561719 REM - Was 6561719 - A
2Артикул: 6598348, GASKET KIT Complete Overhaul
Подробнее >
ПЕРЕДНЯЯ КРЫШКА

ПЕРЕДНЯЯ КРЫШКА

1Артикул: 6511935, CAP rack adjustment
2Артикул: NUT, NUT NLA - Was 33DM00080B - A
3Артикул: 1FM80115, WASHER
Подробнее >
ДВИГАТЕЛЬ И КРЕПЕЖНЫЕ ДЕТАЛИ

ДВИГАТЕЛЬ И КРЕПЕЖНЫЕ ДЕТАЛИ

1Артикул: 6515007, GAUGE
2Артикул: 6505813, CONNECTOR
3Артикул: HOSE, HOSE NLA - 24-- (609,6 mm) - Order Ref. 41 - Was 6559797 - A
Подробнее >
БЛОК ЦИЛИНДРОВ

БЛОК ЦИЛИНДРОВ

1Артикул: 6513751, BEARING 64 mm - (Std.)
2Артикул: 6513758, BEARING 63,5 mm
3Артикул: 6513759, BEARING 63 mm
Подробнее >
МАСЛОНАСОС ДВИГАТЕЛЯ

МАСЛОНАСОС ДВИГАТЕЛЯ

1Артикул: 6513810, OIL PUMP oil
2Артикул: 6516074, SLEEVE
3Артикул: 6516073, NUT
Подробнее >
ТОПЛИВНАЯ СИСТЕМА

ТОПЛИВНАЯ СИСТЕМА

1Артикул: 6513802, CAP
2Артикул: 6513803, INJECTOR W/Ref. 3
3Артикул: 6513804, NOZZLE
Подробнее >