+7 (701) 588 50 05 Телефон для связи
RU

WhatsApp

Позвонить

ЗАПЧАСТИ ДВИГАТЕЛЯ в Алматы

РАДИАТОР И НАГРЕВАТЕЛЬ

РАДИАТОР И НАГРЕВАТЕЛЬ

1Артикул: 3974308, RADIATOR W/Ref. 23-25
2Артикул: 3974288, GASKET
3Артикул: 3974289, STUD
Подробнее >
ВХОДНОЕ ОТВЕРСТИЕ

ВХОДНОЕ ОТВЕРСТИЕ

1Артикул: 6EM60, WASHER, SPRING
2Артикул: 6EM80, WASHER, SPRING
3Артикул: 1CM816, BOLT Was 4CM816 - A
Подробнее >
КОЛЕНЧАТЫЙ ВАЛ

КОЛЕНЧАТЫЙ ВАЛ

1Артикул: PISTON, PISTON NLA - 1-Piston - Was 3974213 - A
2Артикул: 6513618, PISTON +0.5 mm 1-Piston
3Артикул: 3974214, RING
Подробнее >
ДВИГАТЕЛЬ

ДВИГАТЕЛЬ

1Артикул: 6557404, ENGINE Kubota - W/Starter & Flywheel. - Does not include alternator.
2Артикул: 6557404REM, ENGINE, REMAN KUBOTA ZB600C
3Артикул: SHORT, SHORT BLOCK Not Available
Подробнее >
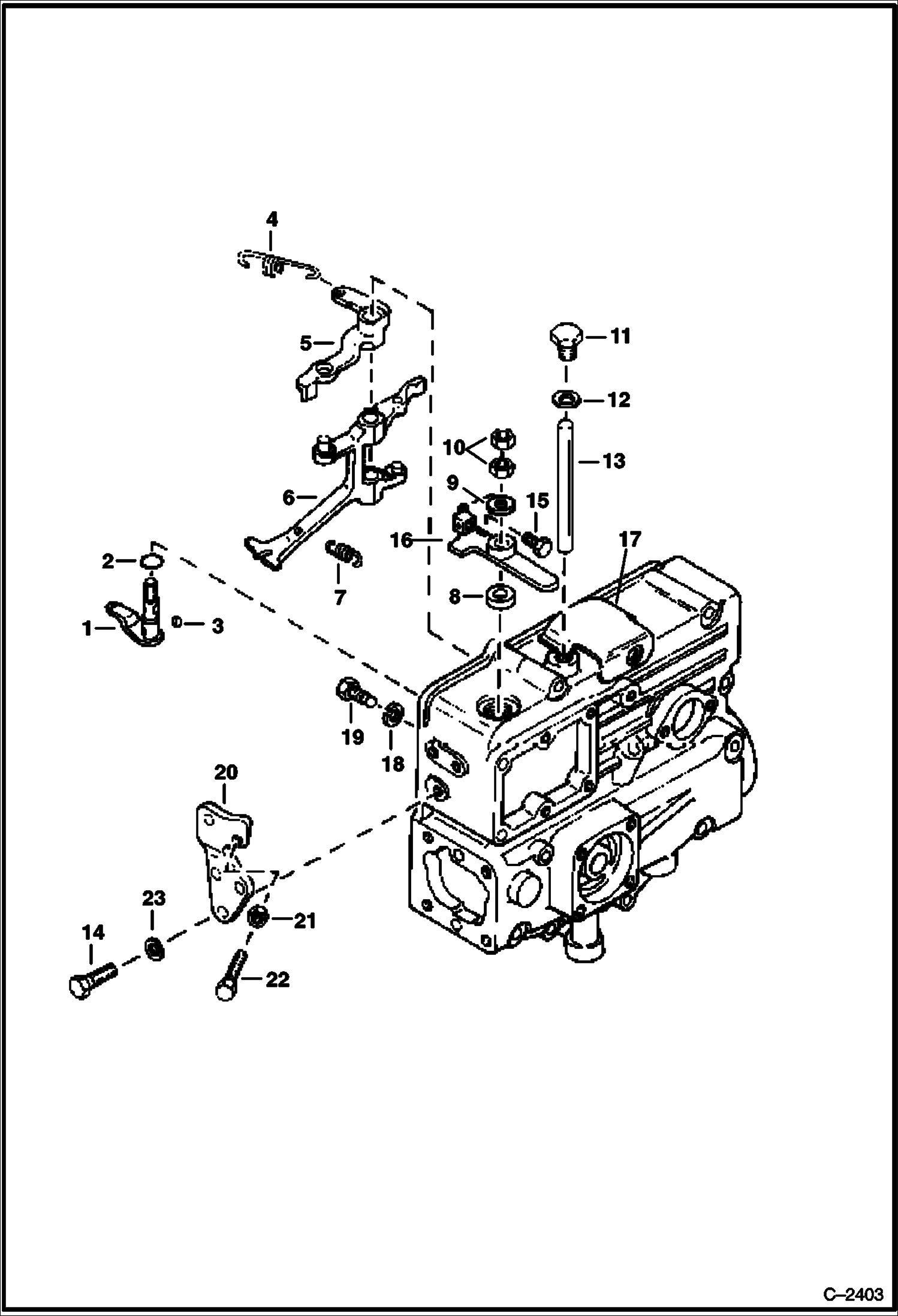
ДРОССЕЛЬНАЯ ЗАСЛОНКА

ДРОССЕЛЬНАЯ ЗАСЛОНКА

1Артикул: 6553557, GRIP
2Артикул: 6555550, LEVER
3Артикул: 35C608, BOLT Was 6554437 - A
Подробнее >
РЕДУКТОР

РЕДУКТОР

1Артикул: 3974071, GEAR CASE
2Артикул: 6666820, GASKET See BTI147 Was 6514713 - A
3Артикул: HOUSING, HOUSING NSS
Подробнее >
КРЫШКА КОРОМЫСЛА КЛАПАНА

КРЫШКА КОРОМЫСЛА КЛАПАНА

1Артикул: COVER, COVER NLA - Rocker arem - Was 3974181 - A
2Артикул: 3974182, PACK
3Артикул: 3974183, NUT
Подробнее >
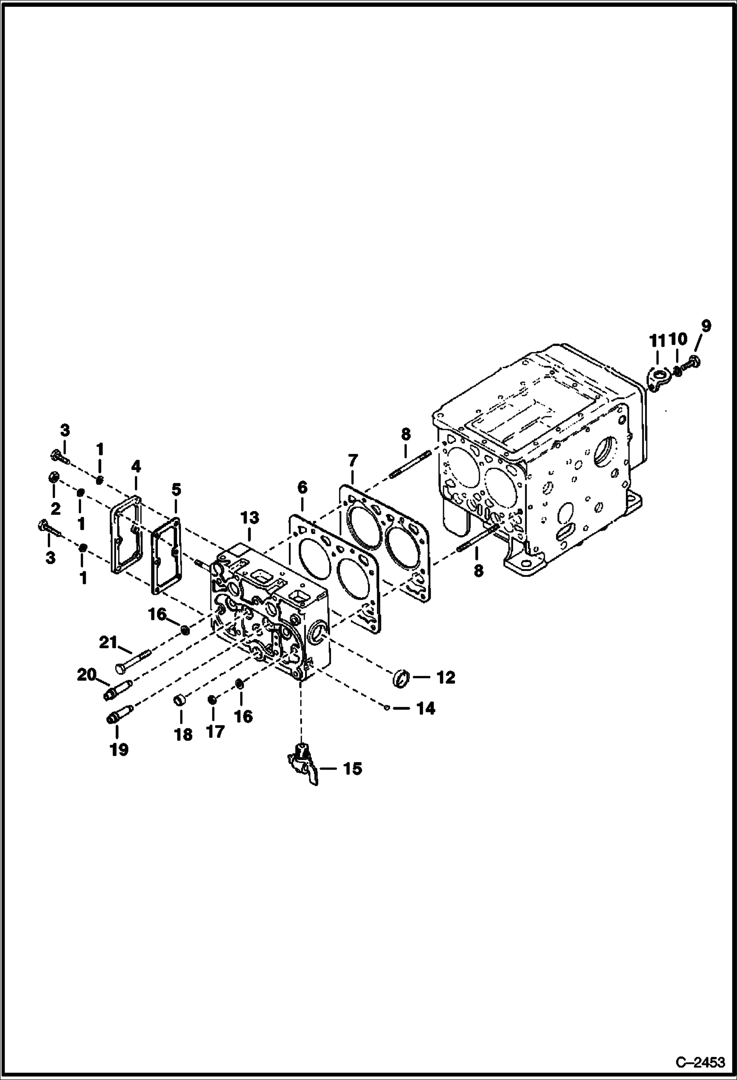
ГОЛОВКА БЛОКА ЦИЛИНДРОВ

ГОЛОВКА БЛОКА ЦИЛИНДРОВ

1Артикул: 6EM60, WASHER, SPRING
2Артикул: 25DM6, NUT
3Артикул: 4CM618, BOLT
Подробнее >
РЕГУЛЯТОР ОБОРОТОВ

РЕГУЛЯТОР ОБОРОТОВ

1Артикул: 3974279, SHAFT
2Артикул: 3974280, O RING
3Артикул: 3974281, KEY
Подробнее >
РАСПРЕДЕЛИТЕЛЬНЫЙ ВАЛ В СБОРЕ

РАСПРЕДЕЛИТЕЛЬНЫЙ ВАЛ В СБОРЕ

1Артикул: 3974193, TAPPET
2Артикул: 3974194, ROD
3Артикул: 3974195, CAM Ref. 4-6 & 8
Подробнее >
ТОПЛИВНАЯ СИСТЕМА

ТОПЛИВНАЯ СИСТЕМА

1Артикул: 37C616, BOLT Was 6514537 - A
2Артикул: 6558379, FILLER fuel
3Артикул: 61D6, NUT 5
Подробнее >
ДЕРЖАТЕЛЬ ФОРСУНКИ

ДЕРЖАТЕЛЬ ФОРСУНКИ

1Артикул: HOLDER, HOLDER NLA - Nozzle - Ref. 2-11 - Order Ref. 1 & 12 - Was 3974253 - A
2Артикул: 3974254, INJECTOR, FUEL ASSY nozzle - Ref. 2 & 4-12
3Артикул: 3974322, NUT
Подробнее >
ВОЗДУШНЫЙ ФИЛЬТР

ВОЗДУШНЫЙ ФИЛЬТР

1Артикул: 905282, AIR CLNR Ref. 3 - 9
2Артикул: CAP, CAP NLA - Was 6511989 - A
3Артикул: TANK, TANK NSS
Подробнее >
КАРТЕР ДВИГАТЕЛЯ

КАРТЕР ДВИГАТЕЛЯ

1Артикул: 3974047, LINER cylinder
2Артикул: 4FM40, PLUG Was NSS - D
3Артикул: 3974033, CAP
Подробнее >
ДВИГАТЕЛЬ И КРЕПЕЖНЫЕ ДЕТАЛИ

ДВИГАТЕЛЬ И КРЕПЕЖНЫЕ ДЕТАЛИ

1Артикул: NIPPLE, NIPPLE NLA - Was 6558389 - A
2Артикул: 6685924, CAP oil filler - Was 6652653 - A
3Артикул: 42H32, HS CLAMP5 hose
Подробнее >
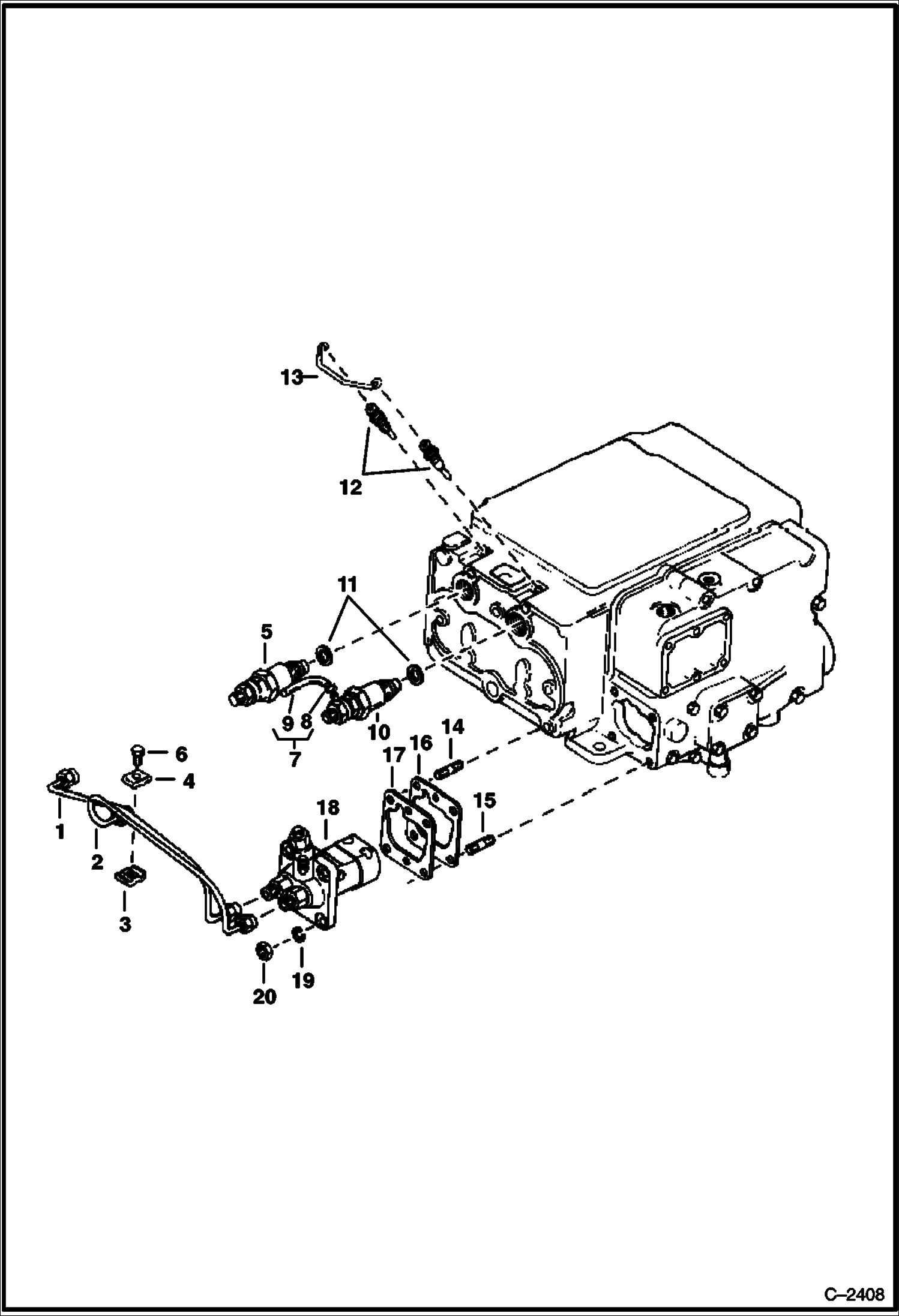
ТОПЛИВНЫЙ НАСОС

ТОПЛИВНЫЙ НАСОС

1Артикул: 3974257, PIPE
2Артикул: 3974256, PIPE
3Артикул: 6652688, CLAMP Was 3974258B - A
Подробнее >
САПУН И МАСЛЯНЫЙ ФИЛЬТР

САПУН И МАСЛЯНЫЙ ФИЛЬТР

1Артикул: 3974106, COVER
2Артикул: 3974107, BREATHER
3Артикул: 6666769, GASKET Was 3974108B - A
Подробнее >
КОРПУС ПОДШИПНИКА

КОРПУС ПОДШИПНИКА

1Артикул: 3974104, BOLT
2Артикул: 3974105, WASHER
3Артикул: 3974098, WASHER
Подробнее >
КОРОМЫСЛО КЛАПАНА

КОРОМЫСЛО КЛАПАНА

1Артикул: 6599009, VALVE intake - Was 3974157B - A
2Артикул: 6599010, VALVE exhaust - Was 3974158B - A
3Артикул: 3974159, SPRING
Подробнее >
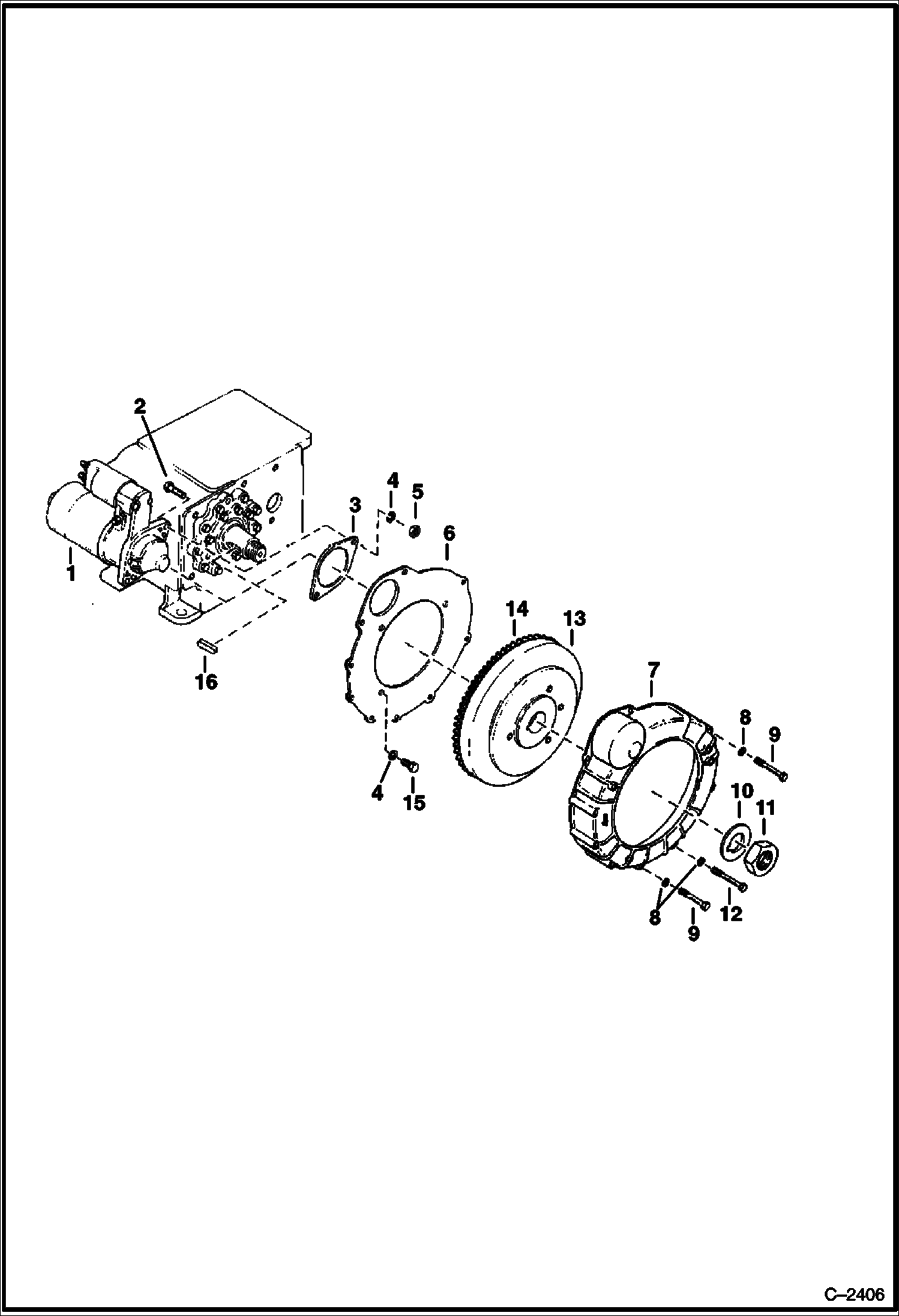
МАХОВИК И СТАРТЕР

МАХОВИК И СТАРТЕР

1Артикул: 3974246, STARTER See Illustration STARTER/ B13722 See Illustration STARTER/ C2394
2Артикул: 1CM840, BOLT
3Артикул: 3974247, SHIM
Подробнее >