+7 (701) 588 50 05 Телефон для связи
RU

WhatsApp

Позвонить

ЗАПЧАСТИ ДВИГАТЕЛЯ в Алматы

КЛАПАН И КОРОМЫСЛО КЛАПАНА (KUBOTA)

КЛАПАН И КОРОМЫСЛО КЛАПАНА (KUBOTA)

1Артикул: 6680868, SHAFT
2Артикул: 25GM8010, SCREW
3Артикул: 6680878, BOLT
Подробнее >
ПОРШЕНЬ И КОЛЕНЧАТЫЙ ВАЛ (KUBOTA)

ПОРШЕНЬ И КОЛЕНЧАТЫЙ ВАЛ (KUBOTA)

1Артикул: 7008615, BLOCK ENGINE Was 6689232 - A
2Артикул: 6652574, PLUG
3Артикул: 3974389, CAP, SEALING
Подробнее >
ЗАПАСНОЙ БАК (KUBOTA)

ЗАПАСНОЙ БАК (KUBOTA)

1Артикул: 6689227, ASSY TANK, RESERVE
2Артикул: 6653974, CAP
3Артикул: 6653975, GASKET
Подробнее >
КАРТЕР МАХОВИКА (KUBOTA)

КАРТЕР МАХОВИКА (KUBOTA)

1Артикул: 6689244, COMP. FLYWHEEL
2Артикул: 6969577, GEAR, RING
3Артикул: 6680747, BOLT, FLYWHEEL
Подробнее >
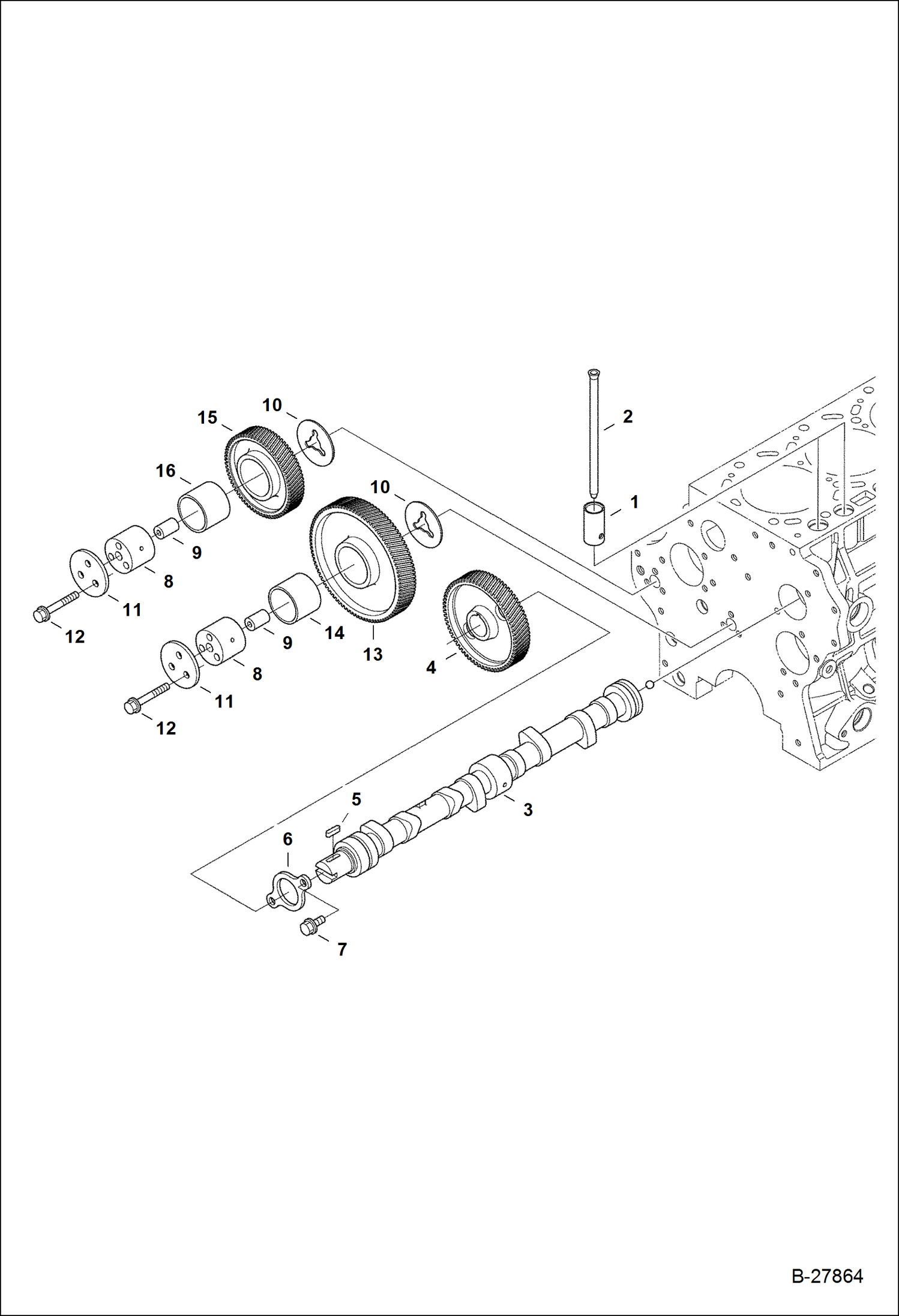
РАСПРЕДЕЛИТЕЛЬНЫЙ ВАЛ И ПРОМЕЖУТОЧНЫЙ ВАЛ (KUBOTA)

РАСПРЕДЕЛИТЕЛЬНЫЙ ВАЛ И ПРОМЕЖУТОЧНЫЙ ВАЛ (KUBOTA)

1Артикул: 7015269, TAPPET Was 6667428 - A
2Артикул: 6680708, PUSH ROD
3Артикул: 6689242, ASSY CAMSHAFT assy - W/Ref. 4-7
Подробнее >
ВОЗДУШНЫЙ ФИЛЬТР

ВОЗДУШНЫЙ ФИЛЬТР

1Артикул: 5501660750, AIR FILTER W/Ref. 2-5
2Артикул: 5501660912, FILTER, AIR PRIMARY
3Артикул: 5501660914, FILTER, AIR INNER
Подробнее >
ТОПЛИВНАЯ СИСТЕМА И НАСОСЫ ВПРЫСКА (KUBOTA)

ТОПЛИВНАЯ СИСТЕМА И НАСОСЫ ВПРЫСКА (KUBOTA)

1Артикул: 6680752, BOLT
2Артикул: 3975389, GASKET Was 6698120 - B,D
3Артикул: 6655515, JOINT
Подробнее >
РЕГУЛЯТОРА ОБОРОТОВ (РЫЧАГ ДЛЯ ВИЛ) (KUBOTA)

РЕГУЛЯТОРА ОБОРОТОВ (РЫЧАГ ДЛЯ ВИЛ) (KUBOTA)

1Артикул: 6699734, LEVER ASSY W/Ref. 31-37 - Was 6689314 - A
2Артикул: 6680820, WASHER
3Артикул: 6680821, SNAP RING
Подробнее >
ТОПЛИВОСНАБЖЕНИЕ (KUBOTA)

ТОПЛИВОСНАБЖЕНИЕ (KUBOTA)

1Артикул: 0453815072, HOSE
2Артикул: 0394015070, HOSE
3Артикул: 5603320317, CLIP
Подробнее >
ФИЛЬТРЫ ДЛЯ ТОПЛИВА (KUBOTA)

ФИЛЬТРЫ ДЛЯ ТОПЛИВА (KUBOTA)

1Артикул: 6689202, TUBE, FUEL
2Артикул: 6680274, CLAMP
3Артикул: 6689335, ASSY FILTER, FUEL assy - Ref. 4-9
Подробнее >
ГЕНЕРАТОР ПЕРЕМЕННОГО ТОКА (КОМПЛЕКТУЮЩАЯ ДЕТАЛИ) (KUBOTA)

ГЕНЕРАТОР ПЕРЕМЕННОГО ТОКА (КОМПЛЕКТУЮЩАЯ ДЕТАЛИ) (KUBOTA)

1Артикул: 6689278, ASSY DYNAMO W/Ref. 2-15
2Артикул: 6689275, NUT
3Артикул: 6689274, SET, BOLT
Подробнее >
РЕГУЛЯТОРА ОБОРОТОВ (KUBOTA)

РЕГУЛЯТОРА ОБОРОТОВ (KUBOTA)

1Артикул: 6680757, COVER
2Артикул: 6698600, WEIGHT, GOVERNOR
3Артикул: 6680759, NUT
Подробнее >
G КАРТЕР КОРОБКИ ПЕРЕДАЧ (KUBOTA)

G КАРТЕР КОРОБКИ ПЕРЕДАЧ (KUBOTA)

1Артикул: 6680672, COVER W/Ref. 2-9
2Артикул: 6685929, RELIEF VALVE
3Артикул: 6680673, SPRING
Подробнее >
СТАРТЕР (КОМПЛЕКТУЮЩАЯ ДЕТАЛИ) (KUBOTA)

СТАРТЕР (КОМПЛЕКТУЮЩАЯ ДЕТАЛИ) (KUBOTA)

1Артикул: 6689247, ASSY STARTER W/Ref. 2 - 24
2Артикул: 6689249, ASSY BRACKET, FRONT
3Артикул: 6689257, SET, BEARING
Подробнее >
КОМБИНИРОВАННЫЙ ОХЛАДИТЕЛЬ

КОМБИНИРОВАННЫЙ ОХЛАДИТЕЛЬ

1Артикул: 5010661068, COMBI RADIATOR COOLER
2Артикул: 5101290863, BEARING (RUBBER)
3Артикул: 1008707923, BOLT M 10X25 - Was 1008707923 - A
Подробнее >
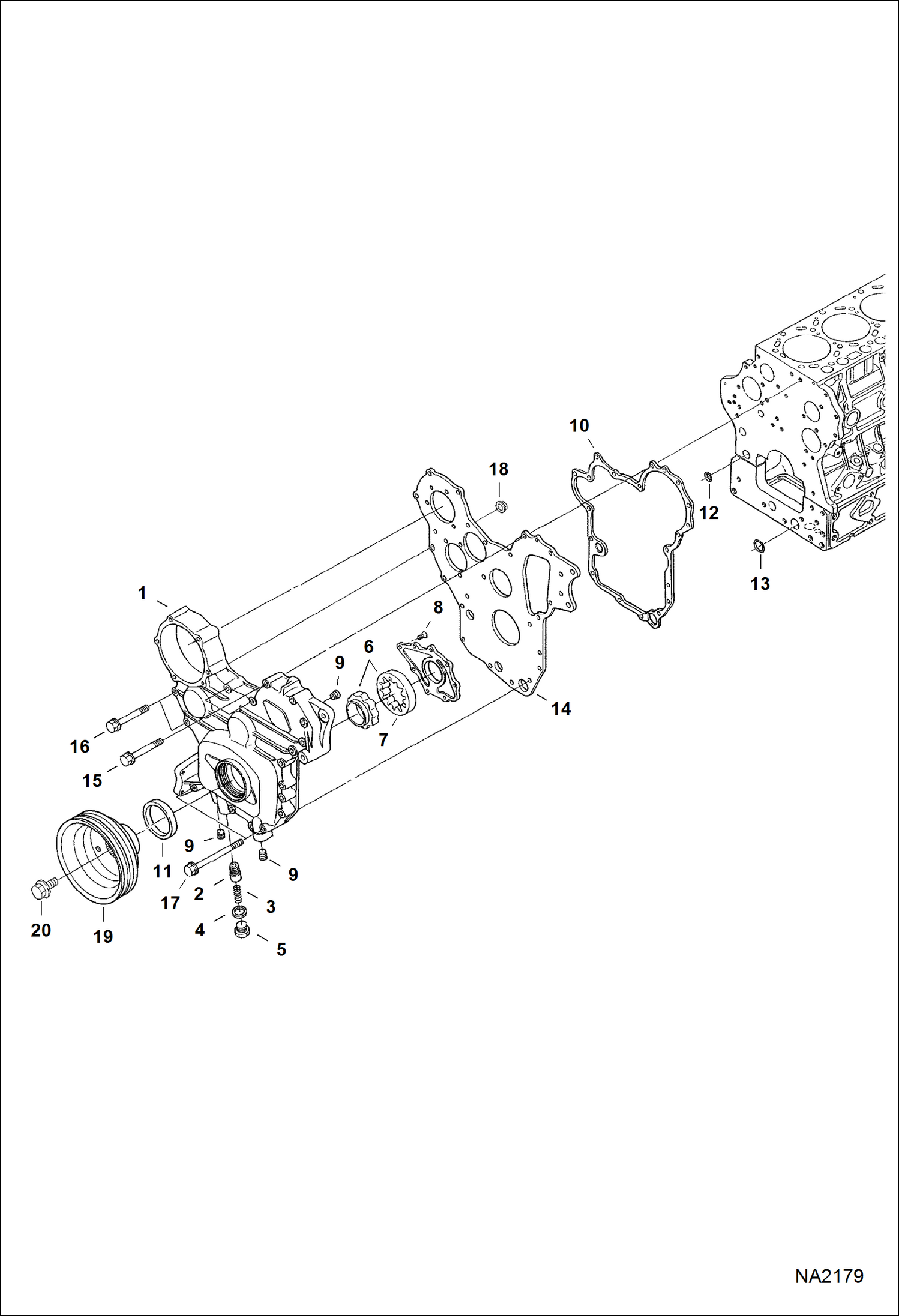
ВОДЯНАЯ ПОМПА И ТЕРМОСТАТ (KUBOTA)

ВОДЯНАЯ ПОМПА И ТЕРМОСТАТ (KUBOTA)

1Артикул: 6689344, ASSY PUMP, WATER
2Артикул: 6680853, GASKET
3Артикул: 6689345, ASSY SUPPORT W/P W/Ref. 4 & 5
Подробнее >
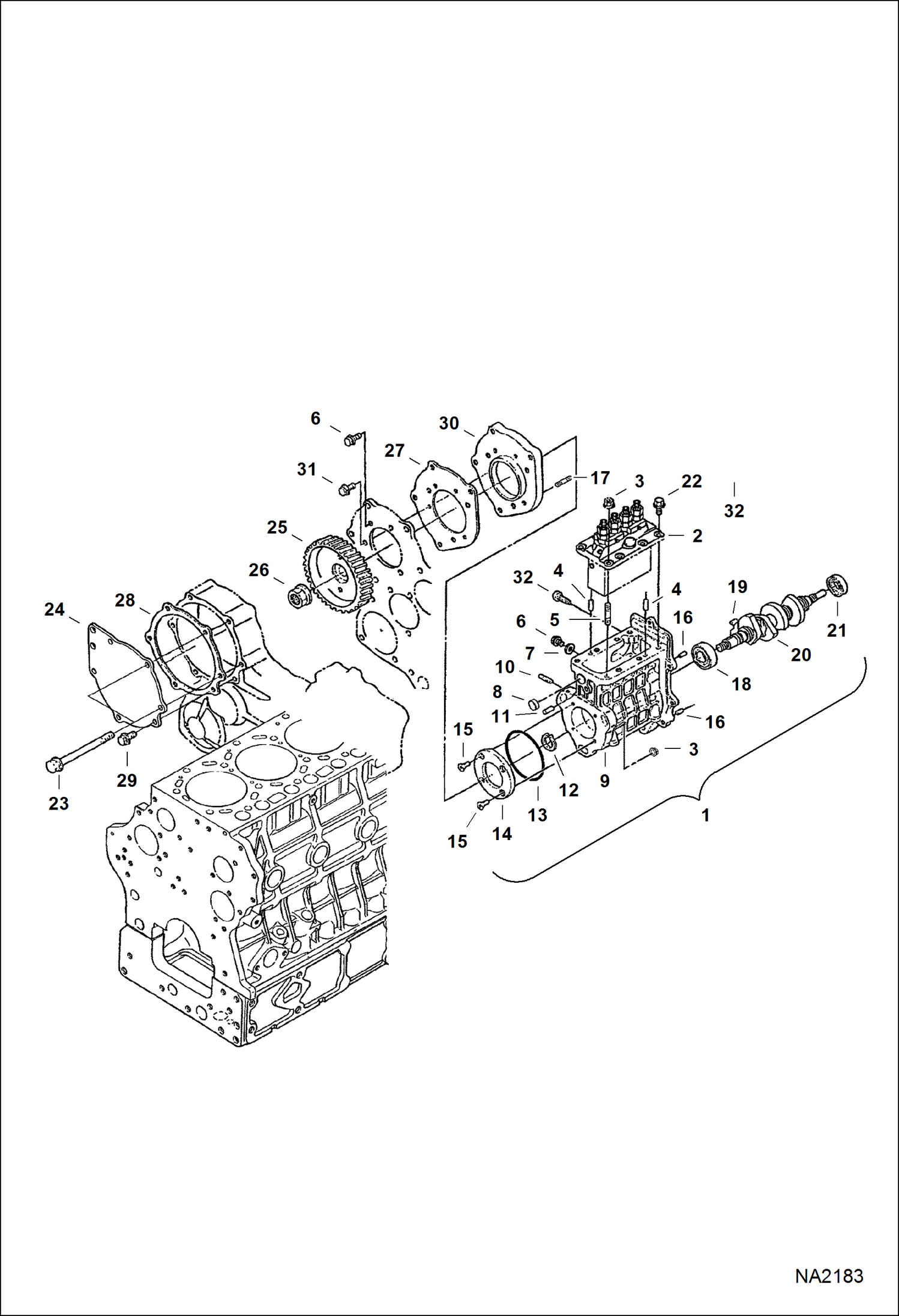
НАСОС ВПРЫСКА ТОПЛИВНОЙ СИСТЕМЫ (KUBOTA)

НАСОС ВПРЫСКА ТОПЛИВНОЙ СИСТЕМЫ (KUBOTA)

1Артикул: 6689328, PUMP, INJECTION UNIT complete assy - Ref. 2-21, ILL. B27856 Ref. 1-23 & ILL. B27177 Ref. 1-37
2Артикул: 6685936, PUMP, FUEL INJ
3Артикул: 6685936REM, PUMP, FUEL INJ. KUBOTA V3300
Подробнее >
ОПОРЫ НАСОСОВ

ОПОРЫ НАСОСОВ

1Артикул: 5105660759, FLANGE
2Артикул: 1011707247, BOLT M 10X30
3Артикул: 1011707347, BOLT M 10X40
Подробнее >
ПОДДОН КАРТЕРА И КАМЕРА ОХЛАЖДЕНИЯ (KUBOTA)

ПОДДОН КАРТЕРА И КАМЕРА ОХЛАЖДЕНИЯ (KUBOTA)

1Артикул: 7020951, DIPSTICK, OIL ENG Was 6690692 - A
2Артикул: 6680702, TUBE
3Артикул: 6680909, OIL COOLER
Подробнее >
ДВИГАТЕЛЬ В СБОРЕ

ДВИГАТЕЛЬ В СБОРЕ

1Артикул: ENGINE, ENGINE NLA - 5474010011
2Артикул: DIPSTICK, DIPSTICK NLA
3Артикул: GUIDE,, GUIDE, DIPSTICK NLA
Подробнее >
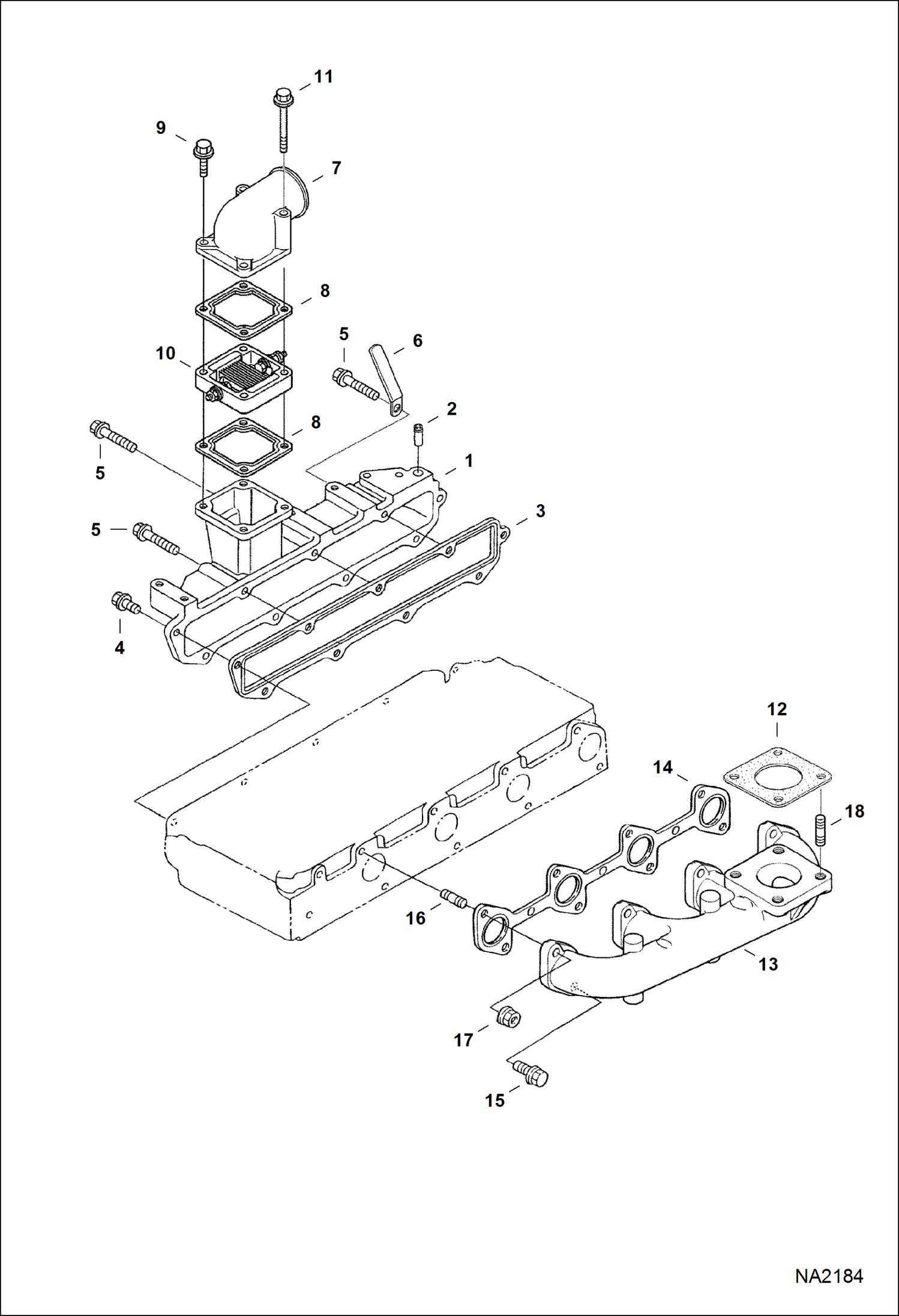
КОЛЛЕКТОРЫ (KUBOTA)

КОЛЛЕКТОРЫ (KUBOTA)

1Артикул: 6689287, ASSY MANIFOLD, INLET W/Ref. 2
2Артикул: 6680689, ADAPTER
3Артикул: 6680884, GASKET
Подробнее >
ДЕРЖАТЕЛЬ ФОРСУНКИ И ЗАПАЛЬНАЯ СВЕЧА (KUBOTA)

ДЕРЖАТЕЛЬ ФОРСУНКИ И ЗАПАЛЬНАЯ СВЕЧА (KUBOTA)

1Артикул: 6680788, BOLT
2Артикул: 6685498, GASKET
3Артикул: 6680787, PIPE
Подробнее >
ГОЛОВКА ЦИЛИНДРА И КРЫШКА (KUBOTA)

ГОЛОВКА ЦИЛИНДРА И КРЫШКА (KUBOTA)

1Артикул: 7020950, HEAD, CYL ENG Was 6693482 - A
2Артикул: 6680669, GASKET .800MM
3Артикул: 6680670, GASKET .90MM
Подробнее >
ПЕДАЛЬ АКСЕЛЕРАТОРА

ПЕДАЛЬ АКСЕЛЕРАТОРА

1Артикул: 5692657875, ACCELERATOR CONTROL PEDAL Ref. 2 & 8-11
2Артикул: 5692657905, PEDAL W/Ref. 3 & 4
3Артикул: 5692609962, BELLOW-PEDAL
Подробнее >
ВЫХЛОПНОЙ КОЛЛЕКТОР

ВЫХЛОПНОЙ КОЛЛЕКТОР

1Артикул: 5761659766, EXHAUST
2Артикул: 1008707424, BOLT M 10X40
3Артикул: 1343707059, WASHER 10,5X25X4
Подробнее >
НАСОС ДЛЯ ДОЗАПРАВКИ

НАСОС ДЛЯ ДОЗАПРАВКИ

1Артикул: 5531001001, PUMP
2Артикул: 1045707909, BOLT M 5X16
3Артикул: 1212251007, NUT M 5
Подробнее >
ГЕНЕРАТОР ПЕРЕМЕННОГО ТОКА И ШКИВ (KUBOTA)

ГЕНЕРАТОР ПЕРЕМЕННОГО ТОКА И ШКИВ (KUBOTA)

1Артикул: 6689278, ASSY DYNAMO
2Артикул: 6689342, STAY, DYNAMO
3Артикул: 6689343, STAY, DYNAMO
Подробнее >