+7 (701) 588 50 05 Телефон для связи
RU

WhatsApp

Позвонить

ЗАПЧАСТИ ДВИГАТЕЛЯ в Алматы

СИСТЕМА ОХЛАЖДЕНИЯ

СИСТЕМА ОХЛАЖДЕНИЯ

1Артикул: 6686077, EXCHANGER, WATER RADIATOR Was 6734100 - A
2Артикул: 6577382, SPACER
3Артикул: FOAM, FOAM STRIP NLA - 34.5-- (876,3 mm) long - Order Ref. 52
Подробнее >
ПЛЕЧО КОРОМЫСЛА КЛАПАНА (KUBOTA - V2203MDI - TIER II)

ПЛЕЧО КОРОМЫСЛА КЛАПАНА (KUBOTA - V2203MDI - TIER II)

1Артикул: VALVE, VALVE NLA - intake - Order 7031256 intake valve & 7031255 valve cap - Was 6684872 - A
2Артикул: VALVE, VALVE NLA - exhaust - Order 7245897 exhaust valve & 7031255 valve cap - Was 7020386 - A
3Артикул: 3974514, SPRING 5 valve
Подробнее >
ВОДЯНОЙ ФЛАНЕЦ И ТЕРМОСТАТ (KUBOTA - V2203MDI - TIER II)

ВОДЯНОЙ ФЛАНЕЦ И ТЕРМОСТАТ (KUBOTA - V2203MDI - TIER II)

1Артикул: FLANGE, FLANGE NLA - Order 6684854 - Was 6684855 - A
2Артикул: FLANGE, FLANGE NLA - Order 6684854 - Was 6684856 - A
3Артикул: 6684857, PLUG
Подробнее >
МАСЛЯНЫЙ РАДИАТОР (KUBOTA - V2003TMDI - TIER II)

МАСЛЯНЫЙ РАДИАТОР (KUBOTA - V2003TMDI - TIER II)

1Артикул: OIL, OIL COOLER NLA - W/Ref. 2 - Order 6690900 oil cooler & 6690901 hose - Was 6685641 - A
2Артикул: 6698244, ORING Was 6657422 - B,D
3Артикул: 6685642, HOSE
Подробнее >
РЕГУЛЯТОРА ОБОРОТОВ (KUBOTA - V2203MDI - TIER II)

РЕГУЛЯТОРА ОБОРОТОВ (KUBOTA - V2203MDI - TIER II)

1Артикул: 6684838, LEVER governor
2Артикул: 6685514, SPRING
3Артикул: 6689100, LEVER fork - W/Ref. 4-7 & 9-14 - Was 6655224 - B,D
Подробнее >
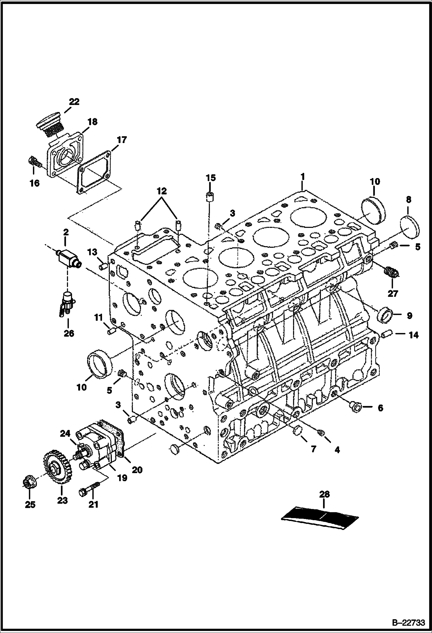
КРИВОШИПНАЯ КОРОБКА (KUBOTA - V2203MDI - TIER II)

КРИВОШИПНАЯ КОРОБКА (KUBOTA - V2203MDI - TIER II)

1Артикул: 6685522, CRANKCASE assy. - W/Ref. 2 - 15
2Артикул: 3974871, CONNECTOR
3Артикул: 6652574, PLUG
Подробнее >
КРИВОШИПНАЯ КОРОБКА (KUBOTA - V2003TMDI - TIER II)

КРИВОШИПНАЯ КОРОБКА (KUBOTA - V2003TMDI - TIER II)

1Артикул: 6685579, CRANKCASE assy. - W/Ref. 2 - 15
2Артикул: 6678946, ADAPTER
3Артикул: 6652574, PLUG
Подробнее >
РАСПРЕДЕЛИТЕЛЬНЫЙ ВАЛ (KUBOTA - V2203MDI - TIER II)

РАСПРЕДЕЛИТЕЛЬНЫЙ ВАЛ (KUBOTA - V2203MDI - TIER II)

1Артикул: 7015269, TAPPET Was 6667428 - A
2Артикул: 6655176, PUSHROD
3Артикул: 6684791, CAMSHAFT assy. - Ref. 4-8
Подробнее >
ПЛЕЧО КОРОМЫСЛА КЛАПАНА (KUBOTA - V2003TMDI - TIER II)

ПЛЕЧО КОРОМЫСЛА КЛАПАНА (KUBOTA - V2003TMDI - TIER II)

1Артикул: VALVE, VALVE NLA - intake - Order 7031256 intake valve & 7031255 valve cap - Was 6684872 - A
2Артикул: VALVE, VALVE NLA - exhaust - Order 7245897 exhaust valve & 7031255 valve cap - Was 7020386 - A
3Артикул: 3974514, SPRING 5 valve
Подробнее >
ПРИВОД ВЕНТИЛЯТОРА ОХЛАЖДЕНИЯ В СБОРЕ

ПРИВОД ВЕНТИЛЯТОРА ОХЛАЖДЕНИЯ В СБОРЕ

1Артикул: 6734104, HOUSING ASSY. no service parts available
2Артикул: 6692357, SPEEDI SLEEVE for .780-- - .784-- (18,81 mm - 19,91 mm) dia. shaft
Подробнее >
СОПЛО ФОРСУНКИ (KUBOTA - V2003TMDI - TIER II)

СОПЛО ФОРСУНКИ (KUBOTA - V2003TMDI - TIER II)

1Артикул: 6684842, PIPE, OVERFLOW fuel over flow
2Артикул: 6598146, PIPE fuel over flow (2) - W/Ref. 3 & 20
3Артикул: 6654718, CLAMP pipe - Was 6680795 - A
Подробнее >
ТАБЛИЧКА РЕГУЛЯТОРА СКОРОСТИ (KUBOTA - V2003TMDI - TIER II)

ТАБЛИЧКА РЕГУЛЯТОРА СКОРОСТИ (KUBOTA - V2003TMDI - TIER II)

1Артикул: 6684836, BOLT, ADJUSTING adjusting - W/Ref. 2
2Артикул: 3974971, NUT
3Артикул: 3974972, GASKET
Подробнее >
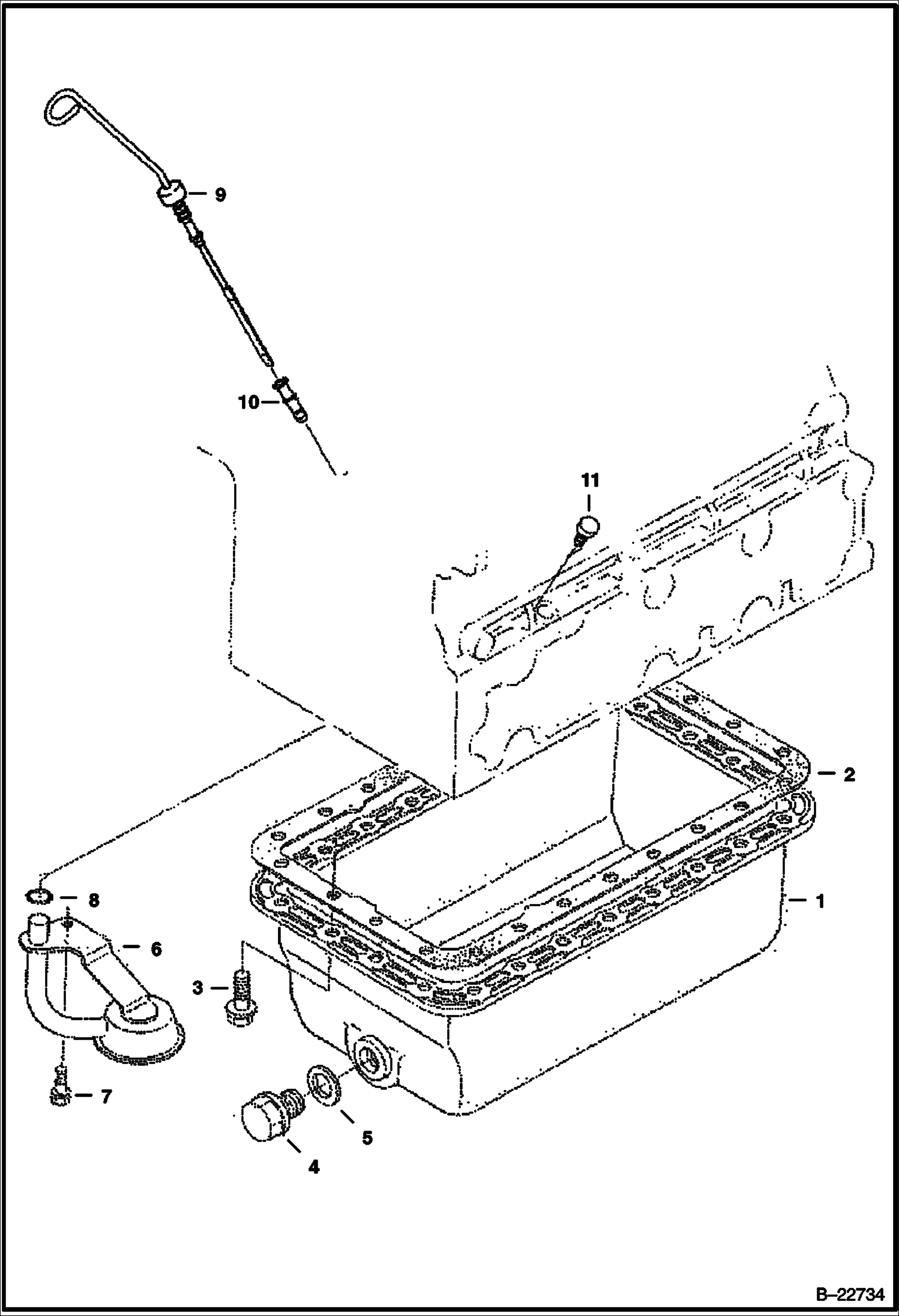
ПОДДОН КАРТЕРА (KUBOTA - V2003TMDI - TIER II)

ПОДДОН КАРТЕРА (KUBOTA - V2003TMDI - TIER II)

1Артикул: 6685518, OIL PAN
2Артикул: 6666817, GASKET oil pan - Was 6684753 - A
3Артикул: 7001922, BOLT Was 6653798 - B,D
Подробнее >
ГОЛОВКА ЦИЛИНДРА (KUBOTA - V2203MDI - TIER II)

ГОЛОВКА ЦИЛИНДРА (KUBOTA - V2203MDI - TIER II)

1Артикул: 6684762, SEAT inlet valve
2Артикул: 6655160, PLUG
3Артикул: 6667421, BOLT
Подробнее >
СОПЛО ФОРСУНКИ (KUBOTA - V2203MDI - TIER II)

СОПЛО ФОРСУНКИ (KUBOTA - V2203MDI - TIER II)

1Артикул: 6684842, PIPE, OVERFLOW fuel over flow
2Артикул: 6598146, PIPE fuel over flow (2) - W/Ref. 3 & 20
3Артикул: 6654718, CLAMP pipe - Was 6680795 - A
Подробнее >
КОЛЛЕКТОРЫ (KUBOTA - V2203MDI - TIER II)

КОЛЛЕКТОРЫ (KUBOTA - V2203MDI - TIER II)

1Артикул: 6651482, MANIFOLD, EXHAUST exhaust - Was 6685475 - A
2Артикул: 6666781, GASKET Was 6684879 - Was 6666791 - B,D
3Артикул: 6652670, STUD
Подробнее >
КРЫШКА КОРОМЫСЛА КЛАПАНА (KUBOTA - V2203MDI - TIER II)

КРЫШКА КОРОМЫСЛА КЛАПАНА (KUBOTA - V2203MDI - TIER II)

1Артикул: SHIELD, SHIELD  NLA - breather - Order Ref. 7 - Was 6684779 - A
2Артикул: 6655880, PIPE
3Артикул: 6969803, COVER, BREATHER Was 6685086 - A
Подробнее >
ПОРШЕНЬ И КОЛЕНЧАТЫЙ ВАЛ (KUBOTA - V2203MDI - TIER II)

ПОРШЕНЬ И КОЛЕНЧАТЫЙ ВАЛ (KUBOTA - V2203MDI - TIER II)

1Артикул: NLA, NLA - std (00) (1G796-2112) - Order 6687650 & (2) 6686997 - Was 6685506 - A
2Артикул: 6688644, PISTON std (00) (1G796-2112) - Was 6687650 - A
3Артикул: PISTON, PISTON NLA - +.25 (00) (1G796-2191) - Order 6691171 & (2) 6686997 - Was 6685509 - A
Подробнее >
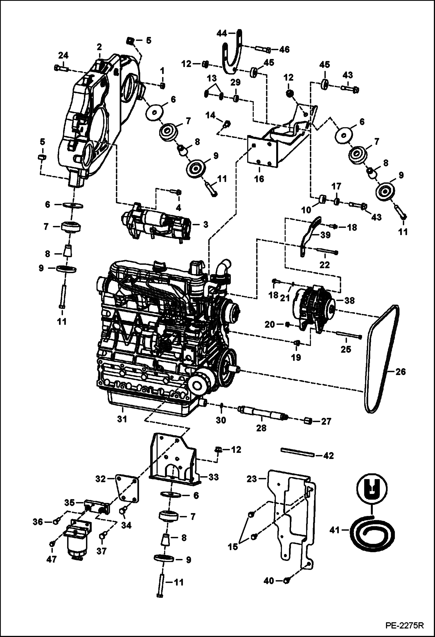
ДВИГАТЕЛЬ, ЕГО ЧАСТИ

ДВИГАТЕЛЬ, ЕГО ЧАСТИ

1Артикул: 85D8, NUT, 5
2Артикул: 6726613, MOUNT, ENG See Illustration ENGINE & ATTACHING PARTS/ E2288R Was 6728062 - A
3Артикул: STARTER, STARTER See Illustration STARTER/ B16488R - Was 6685190 - B
Подробнее >
ПОДДОН КАРТЕРА (KUBOTA - V2203MDI - TIER II)

ПОДДОН КАРТЕРА (KUBOTA - V2203MDI - TIER II)

1Артикул: 6685518, OIL PAN
2Артикул: 6666817, GASKET oil pan - Was 6684753 - A
3Артикул: 7001922, BOLT Was 6653798 - B,D
Подробнее >
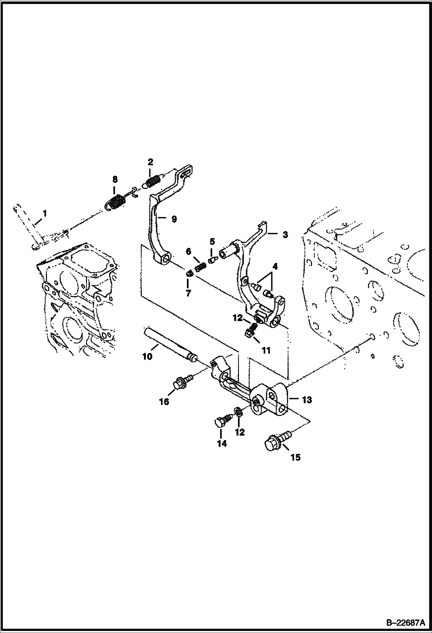
РЫЧАГ ОСТАНОВА ДВИГАТЕЛЯ (KUBOTA - V2203MDI - TIER II)

РЫЧАГ ОСТАНОВА ДВИГАТЕЛЯ (KUBOTA - V2203MDI - TIER II)

1Артикул: 6686334, IDLE APPARATUS assy., idle - Ref. 2-6 - Was NLA - D
2Артикул: 6685513, BOLT, ADJ. adjusting
3Артикул: 6684817, NUT adjusting
Подробнее >
ПОРШЕНЬ И КОЛЕНЧАТЫЙ ВАЛ (KUBOTA - V2003TMDI - TIER II)

ПОРШЕНЬ И КОЛЕНЧАТЫЙ ВАЛ (KUBOTA - V2003TMDI - TIER II)

1Артикул: PISTON, PISTON NLA - std (00) (1G770-2112) - Order 6689583 & (2) of 6686997 - Was 6684799 - A
2Артикул: PISTON, PISTON NLA - std (00) (1G770-2111) - order 6691712 piston - Was 6689583 - A
3Артикул: PISTON, PISTON NLA - +.25 mm (00) (1G770-2112 OS25) - Order 7001674 & (2) of 6686997 - Was 6684800 - A
Подробнее >
РЫЧАГ ОСТАНОВА ДВИГАТЕЛЯ (KUBOTA - V2003TMDI - TIER II)

РЫЧАГ ОСТАНОВА ДВИГАТЕЛЯ (KUBOTA - V2003TMDI - TIER II)

1Артикул: 6684815, IDLING ASSY assy., idle - Ref. 2-6
2Артикул: 6684816, BOLT, ADJUSTING adjusting
3Артикул: 6684817, NUT adjusting
Подробнее >
РАСПРЕДЕЛИТЕЛЬНЫЙ ВАЛ (KUBOTA - V2003TMDI - TIER II)

РАСПРЕДЕЛИТЕЛЬНЫЙ ВАЛ (KUBOTA - V2003TMDI - TIER II)

1Артикул: 7015269, TAPPET Was 6667428 - A
2Артикул: 6655176, PUSHROD
3Артикул: 6684791, CAMSHAFT assy. - Ref. 4-8
Подробнее >
ТАБЛИЧКА РЕГУЛЯТОРА СКОРОСТИ (KUBOTA - V2203MDI - TIER II)

ТАБЛИЧКА РЕГУЛЯТОРА СКОРОСТИ (KUBOTA - V2203MDI - TIER II)

1Артикул: 6684836, BOLT, ADJUSTING adjusting - W/Ref. 2
2Артикул: 3974971, NUT
3Артикул: 3974972, GASKET
Подробнее >
ГОЛОВКА ЦИЛИНДРА (KUBOTA - V2003TMDI - TIER II)

ГОЛОВКА ЦИЛИНДРА (KUBOTA - V2003TMDI - TIER II)

1Артикул: 3974882, HOOK
2Артикул: 6667421, BOLT
3Артикул: 6598156, STUD
Подробнее >
ВОДЯНАЯ ПОМПА (KUBOTA - V2003TMDI - TIER II)

ВОДЯНАЯ ПОМПА (KUBOTA - V2003TMDI - TIER II)

1Артикул: 6684865, PUMP, WATER Ref. 2-6
2Артикул: PUMP, PUMP NLA - order assembly - Was 6684866 - A
3Артикул: 3974991, BEARING
Подробнее >
ВОЗДУХООЧИСТИТЕЛЬ (KUBOTA ДВИГАТЕЛЬ - V2203MDI И V2003TMDI)

ВОЗДУХООЧИСТИТЕЛЬ (KUBOTA ДВИГАТЕЛЬ - V2203MDI И V2003TMDI)

1Артикул: 6700711, AIR CLEANER W/ 1.5-- (38,1 mm) Evacuator Valve
2Артикул: 6735285, AIR CLEANER European
3Артикул: 6661243, WING NUT
Подробнее >
РЕГУЛЯТОРА ОБОРОТОВ (KUBOTA - V2003TMDI - TIER II)

РЕГУЛЯТОРА ОБОРОТОВ (KUBOTA - V2003TMDI - TIER II)

1Артикул: 6684838, LEVER governor
2Артикул: 6685514, SPRING
3Артикул: 6685588, LEVER fork - W/Ref. 4-14 - Was 6689100 - B,D
Подробнее >
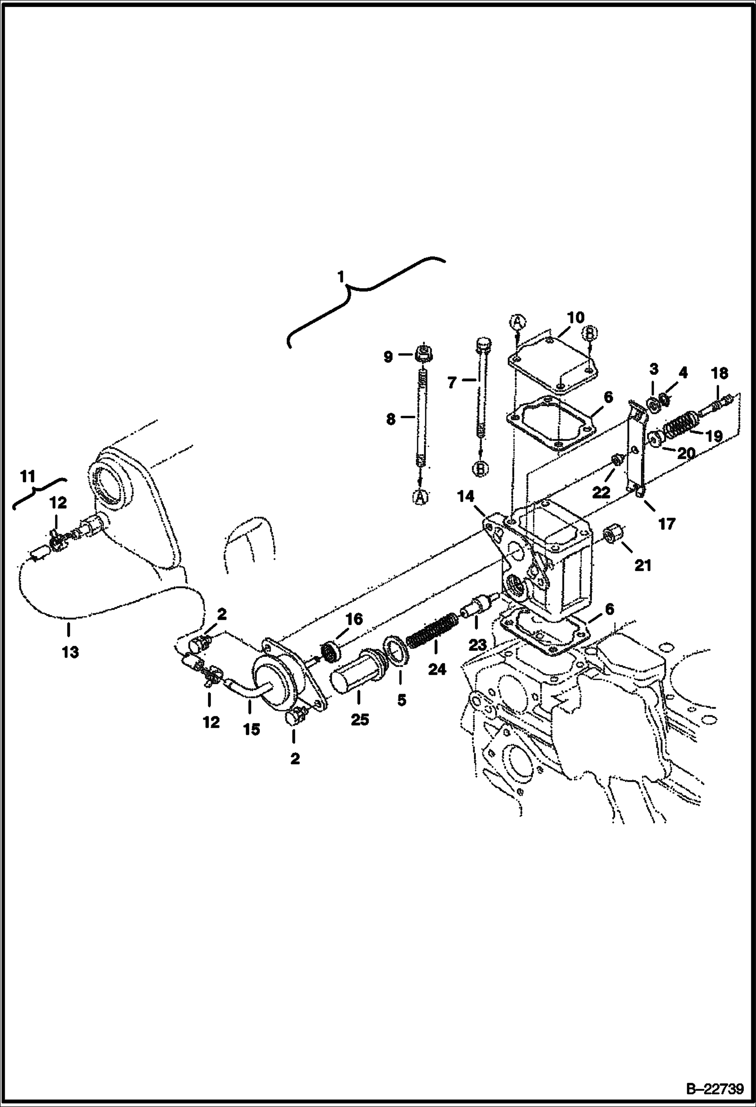
ТУРБОНАГНЕТАТЕЛЬ (KUBOTA - V2003TMDI - TIER II)

ТУРБОНАГНЕТАТЕЛЬ (KUBOTA - V2003TMDI - TIER II)

1Артикул: 7020837, TURBOCHARGER W/Ref. 14 - Was 6685593 - A
2Артикул: 7020837REM, TURBOCHARGER
3Артикул: 6675636, GASKET
Подробнее >
ВОДЯНАЯ ПОМПА (KUBOTA - V2203MDI - TIER II)

ВОДЯНАЯ ПОМПА (KUBOTA - V2203MDI - TIER II)

1Артикул: 6685105, PUMP Ref. 2-6
2Артикул: HOUSING, HOUSING NLA - Order 6685105, Water Pump Assy - Was 6685106 - A
3Артикул: 6685474, BEARING
Подробнее >
ДВИГАТЕЛЬ И КРЕПЕЖНЫЕ ДЕТАЛИ (СИСТЕМА РЕМНЕЙ ПРИВОДА)

ДВИГАТЕЛЬ И КРЕПЕЖНЫЕ ДЕТАЛИ (СИСТЕМА РЕМНЕЙ ПРИВОДА)

1Артикул: 73G656, SCREW
2Артикул: 6704484, WASHER thrust
3Артикул: 6702474, RETAINER fan drive idler belt
Подробнее >
КАРТЕР КОРОБКИ ПЕРЕДАЧ (KUBOTA - V2203MDI - TIER II)

КАРТЕР КОРОБКИ ПЕРЕДАЧ (KUBOTA - V2203MDI - TIER II)

1Артикул: HOUSING, HOUSING NLA - assy. - W/Ref. 3-5, 7 & 9 - Order 6688645 gear case - Was 6685523 - A
2Артикул: GEAR, GEAR CASE NLA - W/Ref. 3 - Order 7012337 gearcase, 7010599 gasket and DO NOT USE Ref. 4,5 & 9 - Was 6688645 - A
3Артикул: 7012337, HOUSING, GEAR W/Ref. 3
Подробнее >
КОЛЛЕКТОРЫ (KUBOTA - V2003TMDI - TIER II)

КОЛЛЕКТОРЫ (KUBOTA - V2003TMDI - TIER II)

1Артикул: 6685592, MANIFOLD exhaust
2Артикул: 6688382, GASKET .060-- thick
3Артикул: 6655893, STUD
Подробнее >
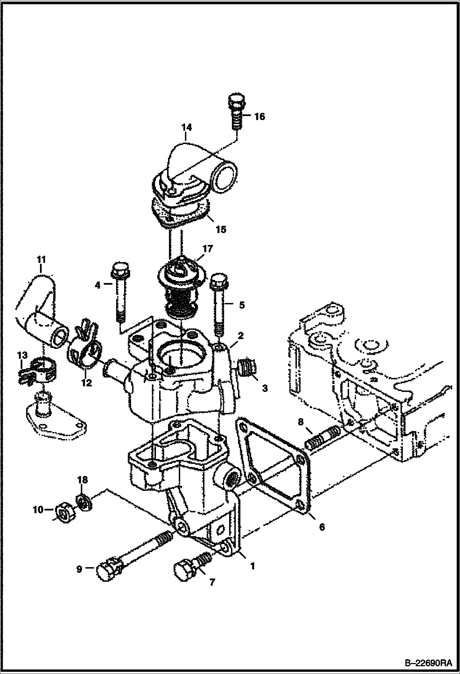
КОМПЕНСАТОР НАДУВА (KUBOTA - V2003TMDI - TIER II)

КОМПЕНСАТОР НАДУВА (KUBOTA - V2003TMDI - TIER II)

1Артикул: COMPENSATOR, COMPENSATOR See BTI407 NLA - Ref. 2-5 & 14-25 - Was 6685638 - A
2Артикул: 1CM612, BOLT Was 4CM612 - A
3Артикул: 6652710, WASHER Was 6685633 - A
Подробнее >
КРЫШКА КОРОМЫСЛА КЛАПАНА (KUBOTA - V2003TMDI - TIER II)

КРЫШКА КОРОМЫСЛА КЛАПАНА (KUBOTA - V2003TMDI - TIER II)

1Артикул: 6685580, TUBE breather
2Артикул: 6684776, CLAMP
3Артикул: 6684777, CLAMP
Подробнее >
ВОДЯНОЙ ФЛАНЕЦ И ТЕРМОСТАТ (KUBOTA - V2003TMDI - TIER II)

ВОДЯНОЙ ФЛАНЕЦ И ТЕРМОСТАТ (KUBOTA - V2003TMDI - TIER II)

1Артикул: FLANGE, FLANGE NLA - Order 6684854 - Was 6684855 - A
2Артикул: FLANGE, FLANGE NLA - Order 6684854 - Was 6684856 - A
3Артикул: 6684857, PLUG
Подробнее >