+7 (701) 588 50 05 Телефон для связи
RU

WhatsApp

Позвонить

ЗАПЧАСТИ ДВИГАТЕЛЯ в Алматы

НАСОС ВПРЫСКА И ТОПЛИВНЫЙ НАСОС

НАСОС ВПРЫСКА И ТОПЛИВНЫЙ НАСОС

1Артикул: 6691314, PUMP
2Артикул: 6672388, TUBE
3Артикул: 6680274, CLAMP
Подробнее >
РАСПРЕДВАЛ

РАСПРЕДВАЛ

1Артикул: 6691307, TAPPET
2Артикул: 7023131, ROD, PUSH
3Артикул: 7029566, CAMSHAFT, ASSY W/Ref. 4-7
Подробнее >
ДВИГАТЕЛЬ, ЕГО ЧАСТИ

ДВИГАТЕЛЬ, ЕГО ЧАСТИ

1Артикул: STARTER, STARTER See Illustration STARTER/ D2437
2Артикул: 6670757, COUPLER
3Артикул: 6688994, MOUNT
Подробнее >
КОМПЛЕКТ НИЖНИХ ПРОКЛАДОК

КОМПЛЕКТ НИЖНИХ ПРОКЛАДОК

1Артикул: 7029575, KIT, GASKET ENG LOWER Ref. 2-12
2Артикул: 7029576, GASKET, PAN OIL ENG See Illustration OIL PAN/ NA6261
3Артикул: 6657479, GASKET See Illustration GEARCASE/ NA8147 - gear case
Подробнее >
КАРТЕР ДВИГАТЕЛЯ

КАРТЕР ДВИГАТЕЛЯ

1Артикул: 6691292, BLOCK ENGINE W/Ref. 2-20
2Артикул: 6657431, CAP
3Артикул: 3974433, PLUG
Подробнее >
РЕДУКТОР

РЕДУКТОР

1Артикул: 6691298, CASE W/Ref. 2-10
2Артикул: 6672360, PLUG
3Артикул: 6652574, PLUG
Подробнее >
ДЕРЖАТЕЛЬ ФОРСУНКИ

ДЕРЖАТЕЛЬ ФОРСУНКИ

1Артикул: 6698623, INJECTOR, FUEL ASSY W/Ref. 2-13
2Артикул: 7029572, NUT
3Артикул: 6672409, WASHER
Подробнее >
ХОЛОСТОЙ ХОД АППАРАТА И СОЛЕНОИД ОСТАНОВА

ХОЛОСТОЙ ХОД АППАРАТА И СОЛЕНОИД ОСТАНОВА

1Артикул: 6691311, APPARATUS W/Ref. 2-6
2Артикул: 7029573, BOLT W/Ref. 3, 12-13
3Артикул: 6657459, NUT
Подробнее >
ДВИГАТЕЛЬ И КРЕПЕЖНЫЕ ДЕТАЛИ (СИСТЕМА ПОДАЧИ ТОПЛИВА)

ДВИГАТЕЛЬ И КРЕПЕЖНЫЕ ДЕТАЛИ (СИСТЕМА ПОДАЧИ ТОПЛИВА)

1Артикул: 6578278, PAD
2Артикул: 6624289, STRAP, TIE
3Артикул: 7219755, PUMP, PRIMER HAND (1) barbed fitting for 6,35 mm (.25--) ID hose & (1) barbed fitting for 7,94 mm (.3125--) ID hose
Подробнее >
ДВИГАТЕЛЬ И КРЕПЕЖНЫЕ ДЕТАЛИ (ТЕПЛООБМЕННИК РАДИАТОРА)

ДВИГАТЕЛЬ И КРЕПЕЖНЫЕ ДЕТАЛИ (ТЕПЛООБМЕННИК РАДИАТОРА)

1Артикул: 6810133, GROMMET
2Артикул: 7197401, PLUG, RADIATOR
3Артикул: 5HM16, CLAMP
Подробнее >
КРЫШКА КОРОМЫСЛА КЛАПАНА

КРЫШКА КОРОМЫСЛА КЛАПАНА

1Артикул: 6698620, COVER, HEAD CYL ENG W/Ref. 2-7
2Артикул: SHIELD, SHIELD NSS - Order Ref. 1
3Артикул: 6657514, GASKET
Подробнее >
РЕГУЛЯТОР ОБОРОТОВ

РЕГУЛЯТОР ОБОРОТОВ

1Артикул: 6691318, SPRING
2Артикул: 7029568, SPRING, GOVERNOR
3Артикул: 7029569, LEVER, FORK ASSY W/Ref. 4-12 & 18-22
Подробнее >
ТОПЛИВНЫЙ РАСПРЕДЕЛИТЕЛЬНЫЙ ВАЛ И ВАЛ РЕГУЛЯТОРА ОБОРОТОВ

ТОПЛИВНЫЙ РАСПРЕДЕЛИТЕЛЬНЫЙ ВАЛ И ВАЛ РЕГУЛЯТОРА ОБОРОТОВ

1Артикул: 6691309, CAMSHAFT
2Артикул: 6686175, BEARING
3Артикул: 6686176, BEARING
Подробнее >
ТАБЛИЧКА РЕГУЛЯТОРА СКОРОСТИ

ТАБЛИЧКА РЕГУЛЯТОРА СКОРОСТИ

1Артикул: 6680501, PLATE ASSY W/Ref. 2-12, 20-22 - A
2Артикул: 6657655, LEVER
3Артикул: 6657577, LEVER
Подробнее >
ВОДЯНОЙ ФЛАНЕЦ И ТЕРМОСТАТ

ВОДЯНОЙ ФЛАНЕЦ И ТЕРМОСТАТ

1Артикул: 6672482, FLANGE W/Ref. 2
2Артикул: 6670785, PIPE
3Артикул: 6657583, GASKET
Подробнее >
КОМПЛЕКТЫ ПРОКЛАДОК ДВИГАТЕЛЯ

КОМПЛЕКТЫ ПРОКЛАДОК ДВИГАТЕЛЯ

1Артикул: 7211392, ENG, V1505-E4B-BCZ-2
2Артикул: 7010130, UPPER GASKET KIT See Illustration UPPER GASKET KIT/ NA8152
3Артикул: 7029575, KIT, GASKET ENG LOWER See Illustration LOWER GASKET KIT/ NA8153
Подробнее >
ГОЛОВКА БЛОКА ЦИЛИНДРОВ

ГОЛОВКА БЛОКА ЦИЛИНДРОВ

1Артикул: 3974882, HOOK
2Артикул: 1CM814, BOLT Was 4CM814 - A
3Артикул: 6698621, HEAD, CYL ENG assy - W/Ref. 4-8
Подробнее >
ПОРШНИ И КОЛЕНВАЛ

ПОРШНИ И КОЛЕНВАЛ

1Артикул: 7029560, PISTON, ENG std
2Артикул: 7029561, PISTON, ENG +0,50 mm
3Артикул: 7029562, RING, PISTON ASSY std
Подробнее >
ДЕРЖАТЕЛЬ ФОРСУНКИ И ЗАПАЛЬНАЯ СВЕЧА

ДЕРЖАТЕЛЬ ФОРСУНКИ И ЗАПАЛЬНАЯ СВЕЧА

1Артикул: 6657636, ASSY PIPE
2Артикул: 6657446, SCREW
3Артикул: 3974972, GASKET
Подробнее >
ДВИГАТЕЛЬ И КРЕПЕЖНЫЕ ДЕТАЛИ (ВОЗДУХООЧИСТИТЕЛЬ, ГЛУШИТЕЛЬ)

ДВИГАТЕЛЬ И КРЕПЕЖНЫЕ ДЕТАЛИ (ВОЗДУХООЧИСТИТЕЛЬ, ГЛУШИТЕЛЬ)

1Артикул: 7191061, MUFFLER, EXHAUST
2Артикул: 6661062, PLUG
3Артикул: 7212821, TUBE, EXHAUST Was 7191062 - A
Подробнее >
МАСЛЯНЫЙ ПОДДОН

МАСЛЯНЫЙ ПОДДОН

1Артикул: 6691293, OIL PAN ASSY W/Ref. 3 & 4
2Артикул: 1CM814, BOLT Was 4CM814 - A
3Артикул: 6691294, PLUG
Подробнее >
ВОЗДУШНЫЙ ФИЛЬТР

ВОЗДУШНЫЙ ФИЛЬТР

1Артикул: 6693337, FILTER, AIR Ref. 2-7
2Артикул: 6675699, PLUG
3Артикул: 6969961, VALVE
Подробнее >
ВОДЯНАЯ ПОМПА

ВОДЯНАЯ ПОМПА

1Артикул: 6680278, WATER PUMP W/Ref. 2 - 6
2Артикул: 6680279, FLANGE
3Артикул: BEARING, BEARING NSS - Order Ref. 1
Подробнее >
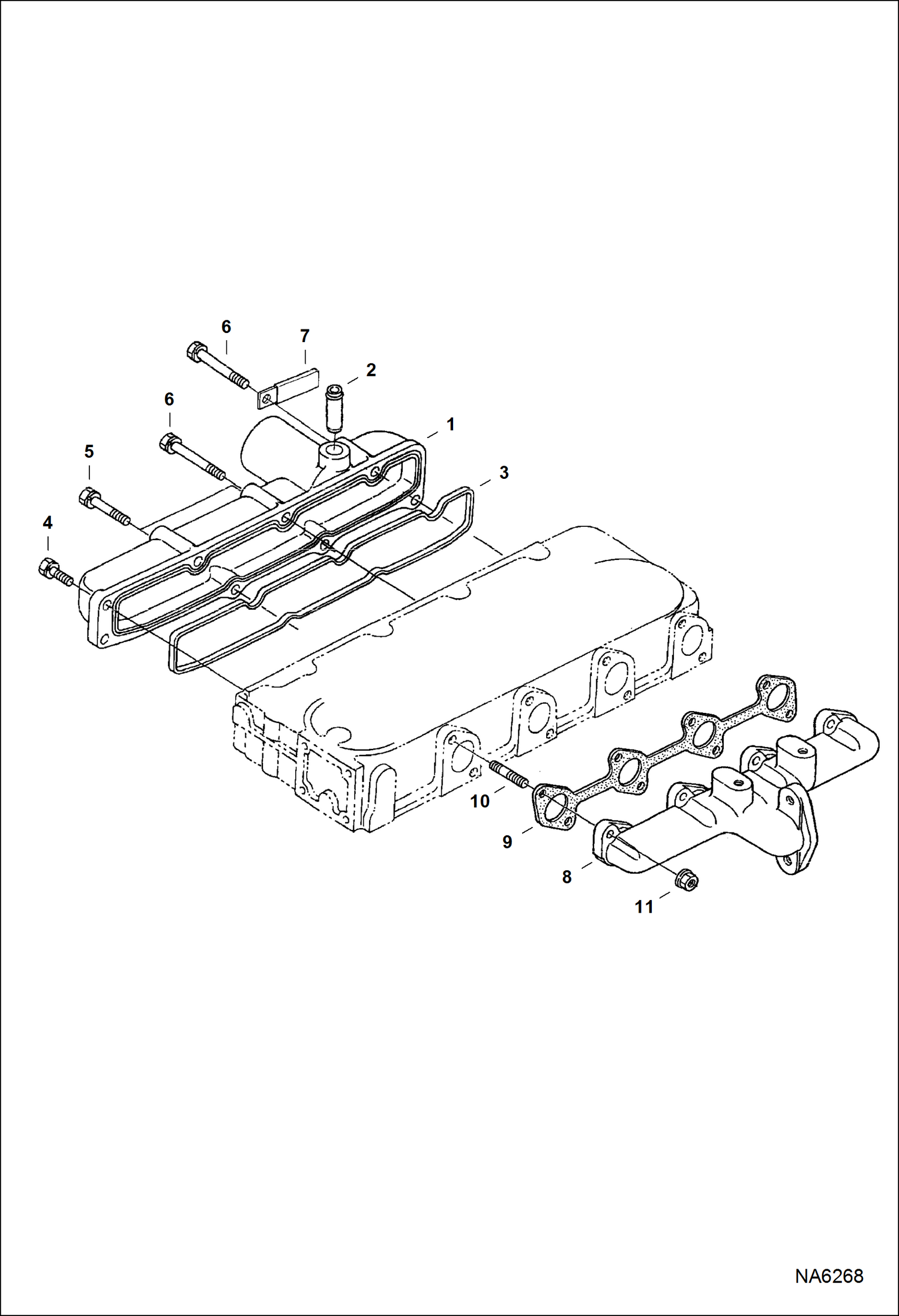
КОЛЛЕКТОР

КОЛЛЕКТОР

1Артикул: 7023141, MANIFOLD, INTAKE W/Ref. 2 & 3
2Артикул: 6680689, ADAPTER
3Артикул: 6657493, GASKET
Подробнее >
КЛАПАН И ПЛЕЧО КОРОМЫСЛА

КЛАПАН И ПЛЕЧО КОРОМЫСЛА

1Артикул: 6657495, VALVE intake
2Артикул: 6657496, VALVE exhaust
3Артикул: 6657630, SPRING
Подробнее >
КОМПЛЕКТ ПРОКЛАДОК ВЕРХНЕЙ ЧАСТИ

КОМПЛЕКТ ПРОКЛАДОК ВЕРХНЕЙ ЧАСТИ

1Артикул: 7010130, UPPER GASKET KIT Ref. 2-12
2Артикул: 6691297, GASKET See Illustration CYLINDER HEAD/ NA6262 - cylinder head
3Артикул: 6657514, GASKET See Illustration ROCKER ARM COVER/ B26330 - valve cover
Подробнее >