+7 (701) 588 50 05 Телефон для связи
RU

WhatsApp

Позвонить

ЗАПЧАСТИ ДВИГАТЕЛЯ в Алматы

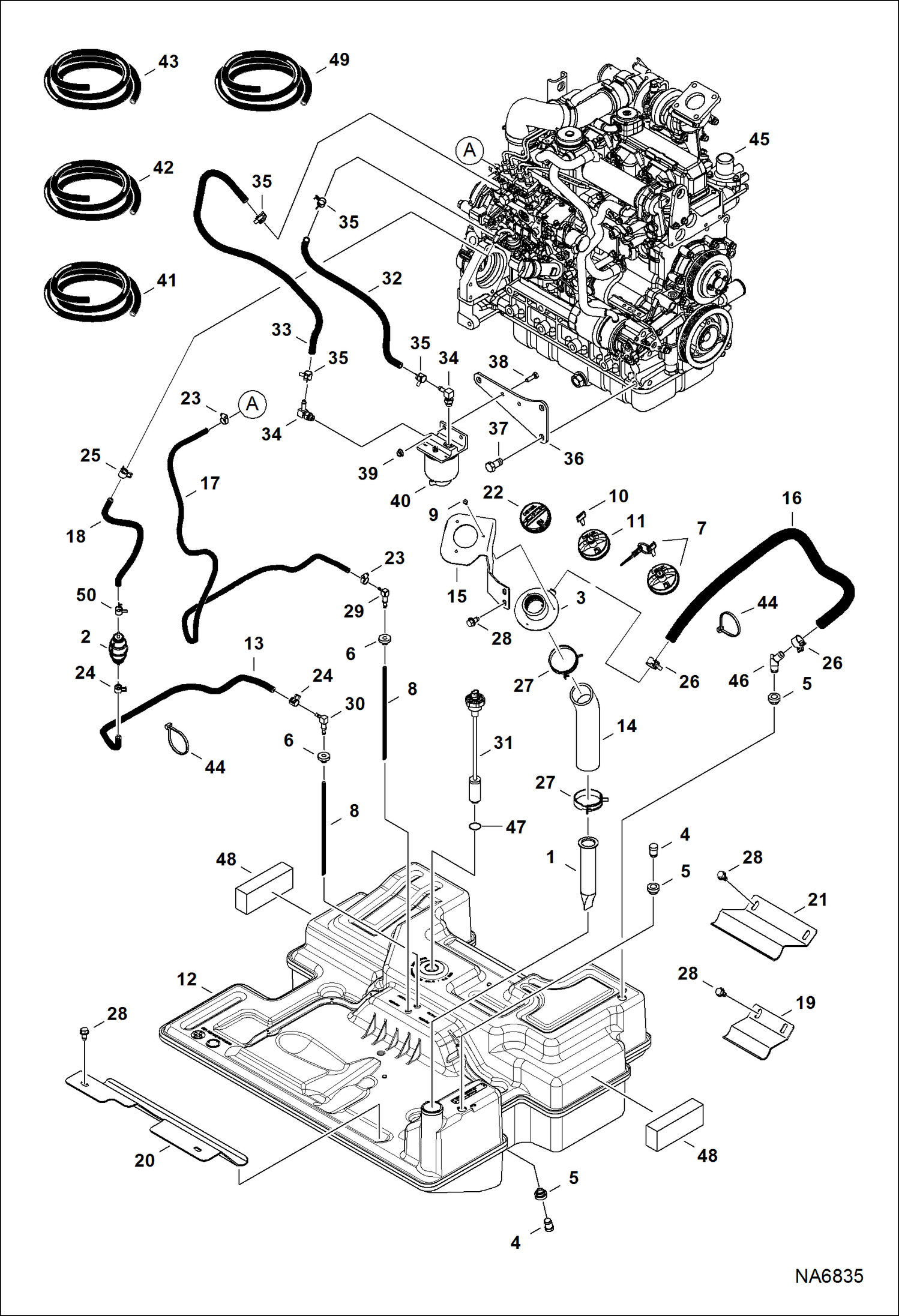
ДВИГАТЕЛЬ И КРЕПЕЖНЫЕ ДЕТАЛИ (ТЕПЛООБМЕННИК РАДИАТОРА) (СЕРИЙНЫЙ НОМЕР A3NV11001 - A3NV24362, A3NW11001 - A3NW13371)

ДВИГАТЕЛЬ И КРЕПЕЖНЫЕ ДЕТАЛИ (ТЕПЛООБМЕННИК РАДИАТОРА) (СЕРИЙНЫЙ НОМЕР A3NV11001 - A3NV24362, A3NW11001 - A3NW13371)

1Артикул: 7143923, HOSE
2Артикул: 7143924, TUBE W/Ref. 27
3Артикул: 5HM47, CLAMP
Подробнее >
ГОЛОВКА БЛОКА ЦИЛИНДРОВ

ГОЛОВКА БЛОКА ЦИЛИНДРОВ

1Артикул: HEAD,, HEAD, CYL ENG See Illustration VALVE & ROCKER ARM/ B27829 - NLA - complete W/valves - W/Ref. 2-7 & ILL. B27829 Ref. 1-9 - Order 7031406 head assy & 7024832 arm bridge valve (8) - Was 7008526 - A
2Артикул: 3974033, CAP
3Артикул: 6670338, PLUG
Подробнее >
КОМПЛЕКТЫ ПРОКЛАДОК ДВИГАТЕЛЯ

КОМПЛЕКТЫ ПРОКЛАДОК ДВИГАТЕЛЯ

1Артикул: 6692830, ENG, V3307DIT EPA IT4 / EU STG IIIB
2Артикул: 6692830REM, ENGINE, V3307DI-T-E3B-BC-1
3Артикул: 7008510, KIT, GASKET ENG UPPER See Illustration ENGINE UPPER GASKET KIT/ B27844
Подробнее >
КРЫШКА КОРОМЫСЛА КЛАПАНА

КРЫШКА КОРОМЫСЛА КЛАПАНА

1Артикул: 7008533, COVER, HEAD CYL ENG W/Ref. 2-10 - Also Order Ref. 11
2Артикул: 6657491, ELEMENT
3Артикул: 7288692, GASKET, HEAD COVER
Подробнее >
ДВИГАТЕЛЬ И КРЕПЕЖНЫЕ ДЕТАЛИ (РЕМЕНЬ ПРИВОДА) (СЕРИЙНЫЙ НОМЕР A3NV11001 - A3NV12697, A3NW11001 - A3NW11134)

ДВИГАТЕЛЬ И КРЕПЕЖНЫЕ ДЕТАЛИ (РЕМЕНЬ ПРИВОДА) (СЕРИЙНЫЙ НОМЕР A3NV11001 - A3NV12697, A3NW11001 - A3NW11134)

1Артикул: 7142422, SHIELD, FLYWHEEL
2Артикул: 59CM816, BOLT
3Артикул: 17C832, BOLT
Подробнее >
КОЛЛЕКТОР

КОЛЛЕКТОР

1Артикул: 7008466, MANIFOLD, INTAKE W/Ref. 2-3
2Артикул: 6657446, SCREW
3Артикул: 3974972, GASKET
Подробнее >
КОМПЛЕКТ НИЖНИХ ПРОКЛАДОК ДВИГАТЕЛЯ

КОМПЛЕКТ НИЖНИХ ПРОКЛАДОК ДВИГАТЕЛЯ

1Артикул: 7008511, KIT, GASKET ENG LOWER Ref. 2-20
2Артикул: 7008451, GASKET, PUMP WATER See Illustration WATER PUMP & THERMOSTAT/ B27839
3Артикул: 6670347, GASKET See Illustration FRONT COVER/ B27831
Подробнее >
ПОРШНЬ И КОЛЕНЧАТЫЙ ВАЛ

ПОРШНЬ И КОЛЕНЧАТЫЙ ВАЛ

1Артикул: 7008470, PISTON, ENG (05) std - 1G777-2111 - Was 7008470 - A
2Артикул: 7022423, PISTON, ENG (05) std - 1J751-2111
3Артикул: 7008475, PISTON, ENG OS (05) +0,50 mm - 1G777-2111 OS50 - Was 7008471 - D
Подробнее >
ДВИГАТЕЛЬ И КРЕПЕЖНЫЕ ДЕТАЛИ (РЕМЕНЬ ПРИВОДА) (СЕРИЙНЫЙ НОМЕР A3NV12698 И ВЫШЕ, A3NW11135 И ВЫШЕ)

ДВИГАТЕЛЬ И КРЕПЕЖНЫЕ ДЕТАЛИ (РЕМЕНЬ ПРИВОДА) (СЕРИЙНЫЙ НОМЕР A3NV12698 И ВЫШЕ, A3NW11135 И ВЫШЕ)

1Артикул: 7142422, SHIELD, FLYWHEEL
2Артикул: 59CM816, BOLT
3Артикул: 17C832, BOLT
Подробнее >
НАСОС ВПРЫСКА (РЕГУЛИРОВАЧНЫЕ БОЛТЫ)

НАСОС ВПРЫСКА (РЕГУЛИРОВАЧНЫЕ БОЛТЫ)

1Артикул: 7008394, BOLT, ADJUSTMENT ASSY Ref. 2-4
2Артикул: 7012049, BOLT, ADJUSTMENT ASSY Ref. 2-4
3Артикул: 7008395, SPRING
Подробнее >
МАСЛЯНЫЙ ПОДДОН

МАСЛЯНЫЙ ПОДДОН

1Артикул: 7008524, PAN, OIL
2Артикул: 6680657, PLUG
3Артикул: 6631046, SEAL
Подробнее >
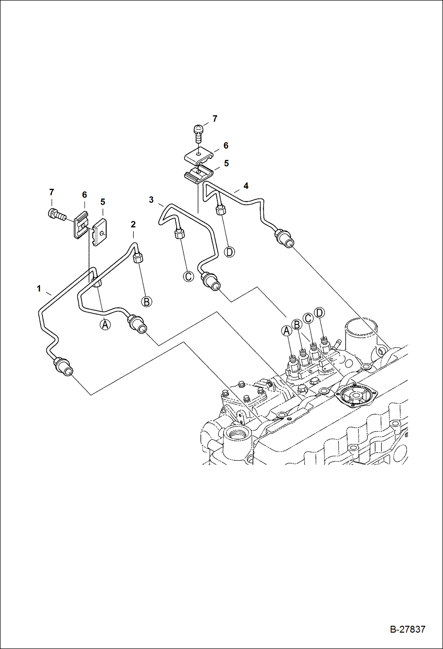
ВПРЫСКИВАЮЩАЯ ТРУБА

ВПРЫСКИВАЮЩАЯ ТРУБА

1Артикул: 7008494, PIPE, INJECTION
2Артикул: 7008495, PIPE, INJECTION
3Артикул: 7008496, PIPE, INJECTION
Подробнее >
ДВИГАТЕЛЬ И КРЕПЕЖНЫЕ ДЕТАЛИ (ТЕПЛООБМЕННИК РАДИАТОРА) (СЕРИЙНЫЙ НОМЕР A3NV24363 И ВЫШЕ, A3NW13372 И ВЫШЕ)

ДВИГАТЕЛЬ И КРЕПЕЖНЫЕ ДЕТАЛИ (ТЕПЛООБМЕННИК РАДИАТОРА) (СЕРИЙНЫЙ НОМЕР A3NV24363 И ВЫШЕ, A3NW13372 И ВЫШЕ)

1Артикул: 7143923, HOSE
2Артикул: 7143924, TUBE
3Артикул: 5HM47, CLAMP
Подробнее >
ПЕРЕДНЯЯ КРЫШКА

ПЕРЕДНЯЯ КРЫШКА

1Артикул: 7008527, COVER, FRONT W/Ref. 2-11
2Артикул: 6685929, RELIEF VALVE
3Артикул: 7008518, SPRING
Подробнее >
ДВИГАТЕЛЬ, ЕГО ЧАСТИ

ДВИГАТЕЛЬ, ЕГО ЧАСТИ

1Артикул: MOUNT,, MOUNT, ENG NLA - Order 7193452 - Was 7142357 - A
2Артикул: 7193452, MOUNT, ENG
3Артикул: 7147745, SCREW
Подробнее >
КОМПЛЕКТ ВЕРХНИХ ПРОКЛАДОК ДВИГАТЕЛЯ

КОМПЛЕКТ ВЕРХНИХ ПРОКЛАДОК ДВИГАТЕЛЯ

1Артикул: 7008510, KIT, GASKET ENG UPPER Ref. 2-21
2Артикул: 6672436, SEAL See Illustration VALVE & ROCKER ARM/ B27829 - valve stem
3Артикул: 3974095, GASKET, METAL See Illustration FUEL & INJECTION PUMP/ B27834
Подробнее >
СИСТЕМА ОХЛАЖДЕНИЯ (СЕРИЙНЫЙ НОМЕР A3NV11001 - A3NV21787, A3NW11001 - A3NW13097)

СИСТЕМА ОХЛАЖДЕНИЯ (СЕРИЙНЫЙ НОМЕР A3NV11001 - A3NV21787, A3NW11001 - A3NW13097)

1Артикул: 7157370, COVER, HOOD
2Артикул: SCREEN,, SCREEN, ASSY Order Ref. 37 - Was 7157366 - B
3Артикул: SEAL, SEAL NLA - 25.62-- (650,7 mm) - Order Ref. 4
Подробнее >
ВПРЫСКИВАЮЩИЕ СОПЛА

ВПРЫСКИВАЮЩИЕ СОПЛА

1Артикул: 7008498, INJECTOR, FUEL ASSY
2Артикул: 6680778, RING,O
3Артикул: 7000619, ORING
Подробнее >
ДВИГАТЕЛЬ И КРЕПЕЖНЫЕ ДЕТАЛИ (ВОЗДУХООЧИСТИТЕЛЬ И ГЛУШИТЕЛЬ)

ДВИГАТЕЛЬ И КРЕПЕЖНЫЕ ДЕТАЛИ (ВОЗДУХООЧИСТИТЕЛЬ И ГЛУШИТЕЛЬ)

1Артикул: ENGINE, ENGINE See Illustration ENGINE & GASKET KITS/ NA2401
2Артикул: MAIN, MAIN FRAME See Illustration MAIN FRAME/ NA2150
3Артикул: 7142021, MUFFLER See Illustration MUFFLER/PURIFIER/ NA2072
Подробнее >
ТУРБОКОМПРЕССОР

ТУРБОКОМПРЕССОР

1Артикул: 7008469, TURBOCHARGER
2Артикул: 7008469REM, TURBOCHARGER
3Артикул: 7028627, HOSE, RUBBER fuel return hose
Подробнее >
КЛАПАН СИСТЕМЫ РЕЦИРКУЛЯЦИИ ВЫХЛОПНЫХ ГАЗОВ

КЛАПАН СИСТЕМЫ РЕЦИРКУЛЯЦИИ ВЫХЛОПНЫХ ГАЗОВ

1Артикул: 7008538, VALVE, EGR
2Артикул: 6698580, VALVE, LEAD
3Артикул: 7000634, GASKET, EGR VALVE
Подробнее >
СИСТЕМА ОХЛАЖДЕНИЯ (СЕРИЙНЫЙ НОМЕР A3NV21788 - A3NV24362, A3NW13098 - A3NW13372)

СИСТЕМА ОХЛАЖДЕНИЯ (СЕРИЙНЫЙ НОМЕР A3NV21788 - A3NV24362, A3NW13098 - A3NW13372)

1Артикул: 7157370, COVER, HOOD
2Артикул: SEAL,, SEAL, FOAM NLA - 457,2 mm (18--) long - Order Ref. 38
3Артикул: SEAL, SEAL NLA - 650,7 mm (25.62--) - Order Ref. 4
Подробнее >
ВОДЯНАЯ ПОМПА И ТЕРМОСТАТ

ВОДЯНАЯ ПОМПА И ТЕРМОСТАТ

1Артикул: 7008449, PUMP, WATER
2Артикул: 7008451, GASKET, PUMP WATER
3Артикул: 6689192, BOLT, FLANGE
Подробнее >
ДВИГАТЕЛЬ И КРЕПЕЖНЫЕ ДЕТАЛИ (СИСТЕМА ПОДАЧИ ТОПЛИВА) (СЕРИЙНЫЙ НОМЕР A3NV25159 И ВЫШЕ, A3NW13767 И ВЫШЕ)

ДВИГАТЕЛЬ И КРЕПЕЖНЫЕ ДЕТАЛИ (СИСТЕМА ПОДАЧИ ТОПЛИВА) (СЕРИЙНЫЙ НОМЕР A3NV25159 И ВЫШЕ, A3NW13767 И ВЫШЕ)

1Артикул: 7120881, SCREEN, FILLER
2Артикул: 6657734, PUMP, PRIMER HAND barbed fittings for 6,35 mm (.25--) ID hose - barbed fittings for 6,35 mm (.25--) ID hose
3Артикул: 7219755, PUMP, PRIMER HAND (1) barbed fitting for 6,35 mm (.25--) ID hose & (1) barbed fitting for 7,94 mm (.3125--) ID hose
Подробнее >
КЛАПАН И ПЛЕЧО КОРОМЫСЛА

КЛАПАН И ПЛЕЧО КОРОМЫСЛА

1Артикул: 6680859, GUIDE
2Артикул: 6685958, GUIDE
3Артикул: 6672436, SEAL valve stem
Подробнее >
РЕГУЛЯТОР ОБОРОТОВ

РЕГУЛЯТОР ОБОРОТОВ

1Артикул: 6680757, COVER
2Артикул: 7000638, WEIGHT, GOVERNOR
3Артикул: 6680759, NUT
Подробнее >
ДВИГАТЕЛЬ И КРЕПЕЖНЫЕ ДЕТАЛИ (СИСТЕМА ПОДАЧИ ТОПЛИВА) (СЕРИЙНЫЙ НОМЕР A3NV11001 - A3NV25158, A3NW11001 - A3NW13766)

ДВИГАТЕЛЬ И КРЕПЕЖНЫЕ ДЕТАЛИ (СИСТЕМА ПОДАЧИ ТОПЛИВА) (СЕРИЙНЫЙ НОМЕР A3NV11001 - A3NV25158, A3NW11001 - A3NW13766)

1Артикул: 7120881, SCREEN, FILLER Was 6569219 - A
2Артикул: 6657734, PUMP, PRIMER HAND barbed fittings for 6,35 mm (.25--) ID hose - barbed fittings for 6,35 mm (.25--) ID hose
3Артикул: 7219755, PUMP, PRIMER HAND (1) barbed fitting for 6,35 mm (.25--) ID hose & (1) barbed fitting for 7,94 mm (.3125--) ID hose
Подробнее >
ВОЗДУШНЫЙ ФИЛЬТР

ВОЗДУШНЫЙ ФИЛЬТР

1Артикул: 7148598, FILTER, AIR CLEANER ASSY
2Артикул: TANK, TANK NSS - Order Ref. 1
3Артикул: 7008043, FILTER, AIR OUTER
Подробнее >
РАСПРЕДЕЛИТЕЛЬНЫЙ ВАЛ И ПРОМЕЖУТОЧНЫЙ ВАЛ

РАСПРЕДЕЛИТЕЛЬНЫЙ ВАЛ И ПРОМЕЖУТОЧНЫЙ ВАЛ

1Артикул: 7008411, CAMSHAFT, VALVE Ref. 2-6
2Артикул: CAMSHAFT, CAMSHAFT NSS - Order Ref. 1
3Артикул: 3974546, KEY
Подробнее >
РЕГУЛЯТОР ОБОРОТОВ (РЫЧАГ ДЛЯ ВИЛ)

РЕГУЛЯТОР ОБОРОТОВ (РЫЧАГ ДЛЯ ВИЛ)

1Артикул: 7000639, LEVER, FORK W/Ref. 2-12
2Артикул: BEARING, BEARING NSS - Order Ref. 1
3Артикул: SHAFT, SHAFT NSS - Order Ref. 1
Подробнее >
ДВИГАТЕЛЬ И КРЕПЕЖНЫЕ ДЕТАЛИ (КРОНШТЕЙН ДВИГАТЕЛЯ)

ДВИГАТЕЛЬ И КРЕПЕЖНЫЕ ДЕТАЛИ (КРОНШТЕЙН ДВИГАТЕЛЯ)

1Артикул: ENGINE, ENGINE
2Артикул: ALTERNATOR, ALTERNATOR
3Артикул: 7213377, MOUNT, MUFFLER
Подробнее >
СИСТЕМА ОХЛАЖДЕНИЯ (СЕРИЙНЫЙ НОМЕР A3NV24363 И ВЫШЕ, A3NW13372 И ВЫШЕ)

СИСТЕМА ОХЛАЖДЕНИЯ (СЕРИЙНЫЙ НОМЕР A3NV24363 И ВЫШЕ, A3NW13372 И ВЫШЕ)

1Артикул: 7232287, COVER, HOOD
2Артикул: 6737388, WASHER
3Артикул: SEAL,, SEAL, FOAM NLA - 650,7 mm (25.62--) long - Order Ref. 38
Подробнее >
КАМЕРА ОХЛАЖДЕНИЯ СИСТЕМЫ РЕЦИРКУЛЯЦИИ ВЫХЛОПНЫХ ГАЗОВ

КАМЕРА ОХЛАЖДЕНИЯ СИСТЕМЫ РЕЦИРКУЛЯЦИИ ВЫХЛОПНЫХ ГАЗОВ

1Артикул: 7008501, EXCHANGER, EGR
2Артикул: 6680801, BOLT
3Артикул: 7008512, BASE, EGR COOLER
Подробнее >
КАРТЕР ДВИГАТЕЛЯ

КАРТЕР ДВИГАТЕЛЯ

1Артикул: 7008523, BLOCK ENGINE W/Ref. 2-10
2Артикул: BLOCK,, BLOCK, ENG LOWER NSS - Order Ref. 1
3Артикул: 7008397, BOLT
Подробнее >
НАСОС ВПРЫСКА (ТОПЛИВНЫЙ РАСПРЕДЕЛИТЕЛЬНЫЙ ВАЛ)

НАСОС ВПРЫСКА (ТОПЛИВНЫЙ РАСПРЕДЕЛИТЕЛЬНЫЙ ВАЛ)

1Артикул: 7008493, PUMP, FUEL INJ W/Ref. 2 & 3
2Артикул: 7001499, BOLT, EYE
3Артикул: 6698120, GASKET
Подробнее >
ТОПЛИВНАЯ СИСТЕМА И НАСОС ВПРЫСКА

ТОПЛИВНАЯ СИСТЕМА И НАСОС ВПРЫСКА

1Артикул: 7020827, PUMP, FUEL INJ See BTI418ldr - assy - Was 7008537 - A
2Артикул: 7008438, PIPE, OIL
3Артикул: 6680900, BOLT
Подробнее >