+7 (701) 588 50 05 Телефон для связи
RU

WhatsApp

Позвонить

ЗАПЧАСТИ ДВИГАТЕЛЯ в Алматы

ПОРШНИ И КОЛЕНВАЛ

ПОРШНИ И КОЛЕНВАЛ

1Артикул: 6680619, PISTON std (16292-2111)
2Артикул: 7022775, PISTON, ENG OS +0,50 mm (16292-2112 OS50) - Was 6680620 - A
3Артикул: 6680494, RING ASSY standard
Подробнее >
СИСТЕМА ОХЛАЖДЕНИЯ ДВИГАТЕЛЯ

СИСТЕМА ОХЛАЖДЕНИЯ ДВИГАТЕЛЯ

1Артикул: 6960243, HOLDER Cooler
2Артикул: 6960244, HOLDER Cooler
3Артикул: 6968169, SHIELD W/O Turbo Charge
Подробнее >
ТОПЛИВНЫЙ НАСОС

ТОПЛИВНЫЙ НАСОС

1Артикул: 6672389, INJECTION PUMP W/Ref. 2 - 28
2Артикул: 6672392, PLUNGER
3Артикул: 6657436, VALVE delivery
Подробнее >
РЫЧАГ ОСТАНОВА ДВИГАТЕЛЯ

РЫЧАГ ОСТАНОВА ДВИГАТЕЛЯ

1Артикул: 6672382, IDLING ASSY
2Артикул: 6672383, BOLT adjusting
3Артикул: 6657459, NUT
Подробнее >
МАСЛЯНЫЙ РАДИАТОР

МАСЛЯНЫЙ РАДИАТОР

1Артикул: 6680577, COOLER oil
2Артикул: 6698244, ORING Was 6657422 - B,D
3Артикул: 6680578, PIPE oil
Подробнее >
РАСПРЕДЕЛИТЕЛЬНЫЙ ВАЛ (С ТУРБОНАГНЕТАТЕЛЕМ)

РАСПРЕДЕЛИТЕЛЬНЫЙ ВАЛ (С ТУРБОНАГНЕТАТЕЛЕМ)

1Артикул: 6691307, TAPPET Was 6672371 - A
2Артикул: 6657515, PUSH ROD
3Артикул: 6680493, CAMSHAFT ASSY W/Ref. 4 - 8
Подробнее >
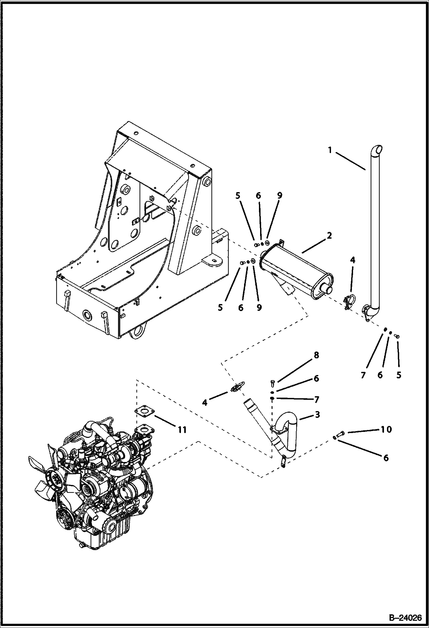
ВЫХЛОПНАЯ ТРУБА В СБОРЕ

ВЫХЛОПНАЯ ТРУБА В СБОРЕ

1Артикул: 6960255, PIPE
2Артикул: 6961081, PIPE
3Артикул: PIPE,, PIPE, EXHAUST NLA - 6961012 - A
Подробнее >
РЕГУЛЯТОР ОБОРОТОВ

РЕГУЛЯТОР ОБОРОТОВ

1Артикул: 6680500, SPRING Was 6680505 - D
2Артикул: 6657685, SPRING
3Артикул: 6672398, LEVER ASSY W/Ref. 4 - 17
Подробнее >
НАСОС ВПРЫСКА И ТОПЛИВНЫЙ НАСОС

НАСОС ВПРЫСКА И ТОПЛИВНЫЙ НАСОС

1Артикул: 6657598, JOINT
2Артикул: 6672388, TUBE
3Артикул: 6680274, CLAMP
Подробнее >
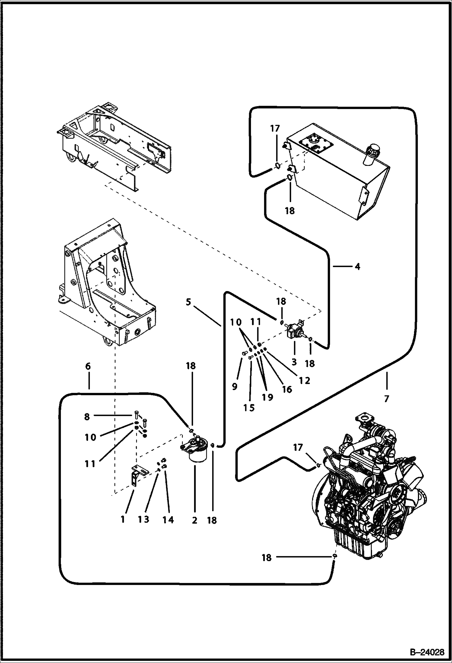
СИСТЕМА ПОДАЧИ ТОПЛИВА (ДВИГАТЕЛЬ)

СИСТЕМА ПОДАЧИ ТОПЛИВА (ДВИГАТЕЛЬ)

1Артикул: 6960812, HOLDER
2Артикул: 6964716, FILTER
3Артикул: 6960822, PUMP
Подробнее >
УЗЕЛ ВОЗДУШНЫХ ФИЛЬТРОВ

УЗЕЛ ВОЗДУШНЫХ ФИЛЬТРОВ

1Артикул: 6960195, HOLDER
2Артикул: 6960956, HOSE
3Артикул: 6960957, CLIP
Подробнее >
ОСНОВНОЙ КОРПУС ПОДШИПНИКА

ОСНОВНОЙ КОРПУС ПОДШИПНИКА

1Артикул: 6657616, MAIN BRG main bearing - Was 6672366 - A
2Артикул: 6657482, BOLT
3Артикул: 6672367, GASKET
Подробнее >
МАСЛЯНЫЙ ПОДДОН

МАСЛЯНЫЙ ПОДДОН

1Артикул: 6680482, OIL PAN
2Артикул: 1CM612, BOLT Was 4CM612 - A
3Артикул: 6680283, SCREEN
Подробнее >
ПЕРЕКЛЮЧАТЕЛЬ ДАВЛЕНИЯ МАСЛА

ПЕРЕКЛЮЧАТЕЛЬ ДАВЛЕНИЯ МАСЛА

1Артикул: 6969775, SWITCH, OIL PRESSURE Was 6652576 - A
Подробнее >
КАРТЕР ДВИГАТЕЛЯ

КАРТЕР ДВИГАТЕЛЯ

1Артикул: 6680601, BLOCK CYLINDER W/Ref. 2 - 20
2Артикул: 6657431, CAP sealing
3Артикул: 3974433, PLUG sealing
Подробнее >
МАСЛЯНЫЙ ФИЛЬТР ДВИГАТЕЛЯ

МАСЛЯНЫЙ ФИЛЬТР ДВИГАТЕЛЯ

1Артикул: 6960214, FILTER oil
2Артикул: 6680526, ADAPTER
3Артикул: 6652597, ADAPTER
Подробнее >
ТУРБОНАГНЕТАТЕЛЬ

ТУРБОНАГНЕТАТЕЛЬ

1Артикул: 6680553, TURBOCHARGER
2Артикул: 6680553REM, TURBOCHARGER, KUBOTA D1105
3Артикул: 6680553EF, TURBOCHARGER
Подробнее >
ТАБЛИЧКА РЕГУЛЯТОРА СКОРОСТИ

ТАБЛИЧКА РЕГУЛЯТОРА СКОРОСТИ

1Артикул: 6680501, PLATE ASSY W/Ref. 2-12 - A
2Артикул: 6657655, LEVER
3Артикул: 6657577, LEVER
Подробнее >
КОРОМЫСЛО КЛАПАНА И КЛАПАНЫ

КОРОМЫСЛО КЛАПАНА И КЛАПАНЫ

1Артикул: 6657495, VALVE intake
2Артикул: 6680506, VALVE Exhaust
3Артикул: 3974159, SPRING
Подробнее >
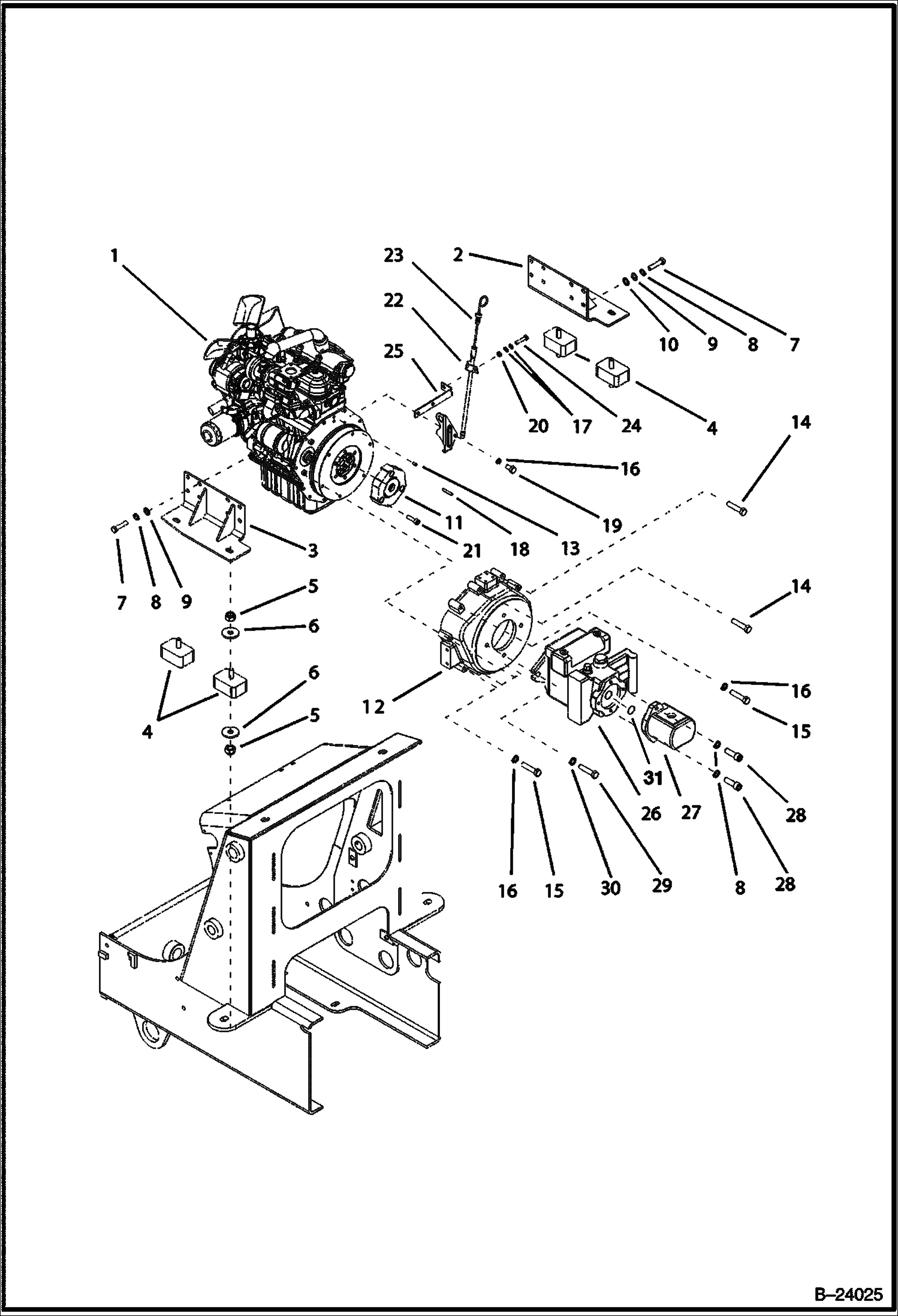
ДВИГАТЕЛЬ И КРЕПЕЖНЫЕ ДЕТАЛИ (ВОЗДУХООЧИСТИТЕЛЬ)

ДВИГАТЕЛЬ И КРЕПЕЖНЫЕ ДЕТАЛИ (ВОЗДУХООЧИСТИТЕЛЬ)

1Артикул: 6960195, HOLDER
2Артикул: 6960196, TUBE
3Артикул: 6960197, ELBOW
Подробнее >
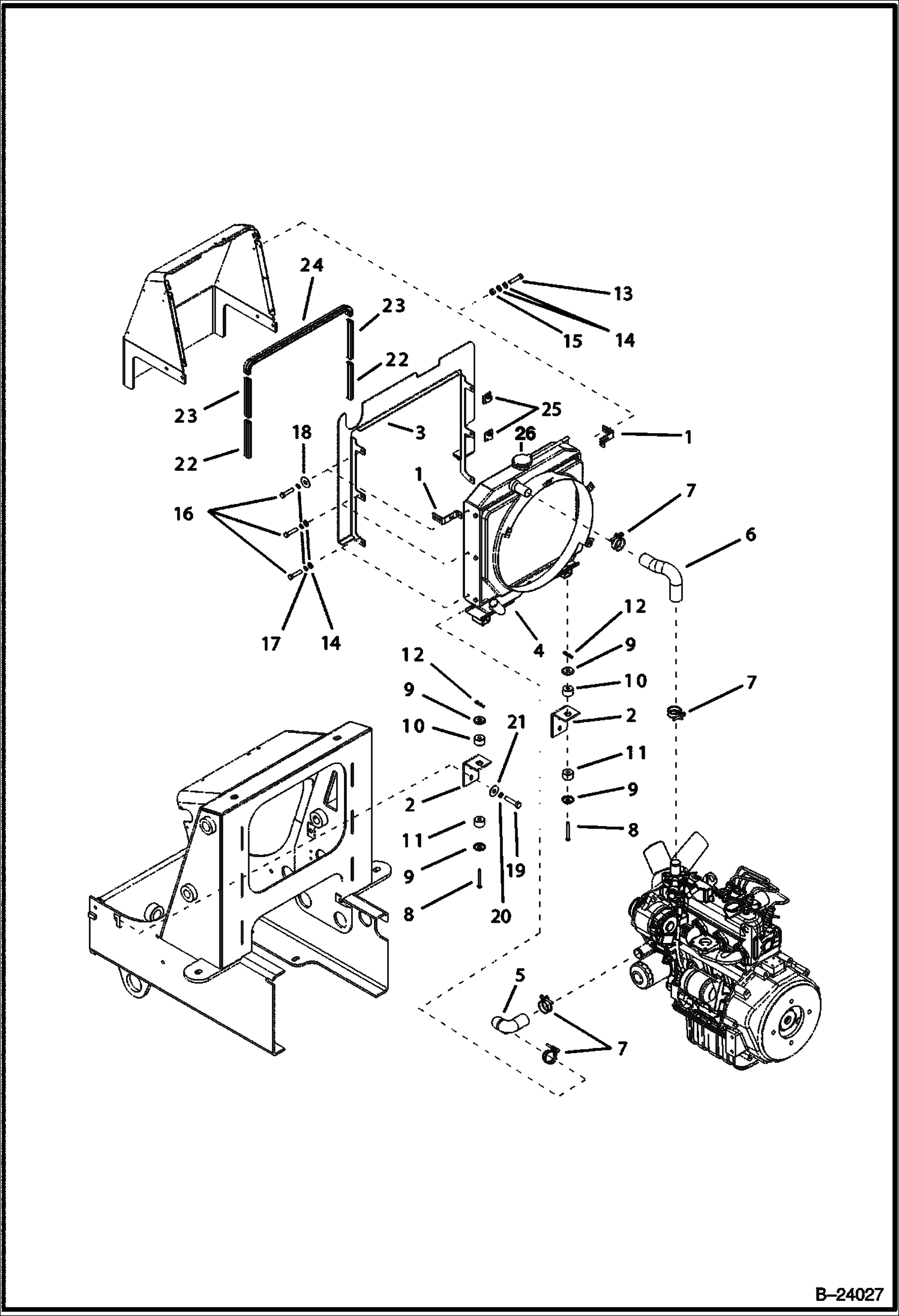
ВОДЯНАЯ ПОМПА

ВОДЯНАЯ ПОМПА

1Артикул: 6672429, WATER PUMP W/Ref. 2 - 6
2Артикул: 6672430, FLANGE
3Артикул: 6672431, BEARING
Подробнее >
КРЫШКА КОРОМЫСЛА КЛАПАНА

КРЫШКА КОРОМЫСЛА КЛАПАНА

1Артикул: 6672364, COVER W/Ref. 2 - 8
2Артикул: 6672365, GASKET Was 7207541 - A
3Артикул: 6680689, ADAPTER Was 6657490 - A
Подробнее >
МАХОВИК

МАХОВИК

1Артикул: 6680528, FLYWHEEL assy
2Артикул: 6657546, BOLT
3Артикул: 6680530, PLATE
Подробнее >
ВЕНТИЛЯТОР

ВЕНТИЛЯТОР

1Артикул: 6680543, FAN W/Turbo Charger
2Артикул: 6660629, ANGLE W/O Turbo Charger
3Артикул: 6680544, BOLT
Подробнее >
СОЛЕНОИД ОСТАНОВА

СОЛЕНОИД ОСТАНОВА

1Артикул: 6680532, SOLENOID assy - w/ pigtail connector
2Артикул: 6684035, SOLENOID assy - w/ intregal (podded) electrical connector
3Артикул: 6672386, GASKET
Подробнее >
ТОПЛИВНЫЙ БАК

ТОПЛИВНЫЙ БАК

1Артикул: 6960342, TANK fuel
2Артикул: 6960343, COVER
3Артикул: SEALING, SEALING (GASKET), FUEL TANK NLA - 6960344 - A
Подробнее >
ВПУСКНОЙ КОЛЛЕКТОР

ВПУСКНОЙ КОЛЛЕКТОР

1Артикул: 6680546, MANIFOLD intake
2Артикул: 6680547, GASKET
3Артикул: 1CM620, BOLT Was 4CM620 - A
Подробнее >
МАСЛЯНАЯ ТРУБКА (ТУРБОНАГНЕТАТЕЛЬ )

МАСЛЯНАЯ ТРУБКА (ТУРБОНАГНЕТАТЕЛЬ )

1Артикул: 6680565, PIPE
2Артикул: 6675625, BOLT, EYE JOINT Was 6680566 - A
3Артикул: 7000642, WASHER, SEALING COPPER consists of 2 gaskets attached by a tab - Was 6685962 - B
Подробнее >
КАРТЕР КОРОБКИ ПЕРЕДАЧ

КАРТЕР КОРОБКИ ПЕРЕДАЧ

1Артикул: 6680489, GEARCASE
2Артикул: 6672360, PLUG
3Артикул: 6657554, SPRING
Подробнее >
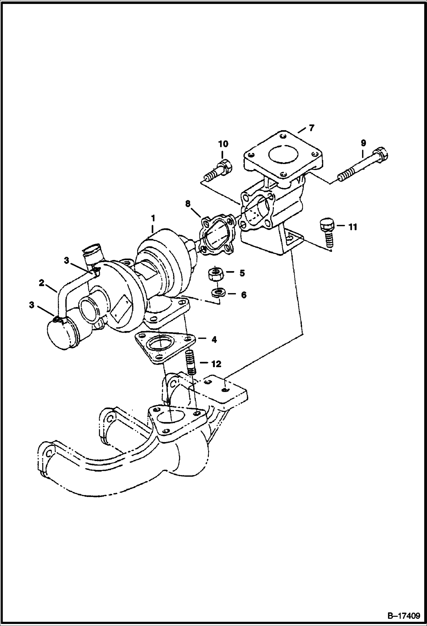
ВЫХЛОПНОЙ ТРУБОПРОВОД ДВИГАТЕЛЯ (С ТУРБОНАГНЕТАТЕЛЕМ)

ВЫХЛОПНОЙ ТРУБОПРОВОД ДВИГАТЕЛЯ (С ТУРБОНАГНЕТАТЕЛЕМ)

1Артикул: 6680551, MANIFOLD
2Артикул: 6672441, GASKET
3Артикул: 6657590, STUD
Подробнее >
ТОПЛИВНЫЙ РАСПРЕДЕЛИТЕЛЬНЫЙ ВАЛ

ТОПЛИВНЫЙ РАСПРЕДЕЛИТЕЛЬНЫЙ ВАЛ

1Артикул: 6672379, CAMSHAFT fuel
2Артикул: 6657429, BEARING
3Артикул: 6657430, BEARING
Подробнее >
ФОРСУНКИ

ФОРСУНКИ

1Артикул: 6680502, PIPE ASSY
2Артикул: 6657446, SCREW
3Артикул: 3974972, GASKET
Подробнее >
ГОЛОВКА БЛОКА ЦИЛИНДРОВ

ГОЛОВКА БЛОКА ЦИЛИНДРОВ

1Артикул: 6680486, HOOK
2Артикул: 6667420, BOLT
3Артикул: 6680487, CYLINDER HEAD W/Ref. 4 - 8
Подробнее >
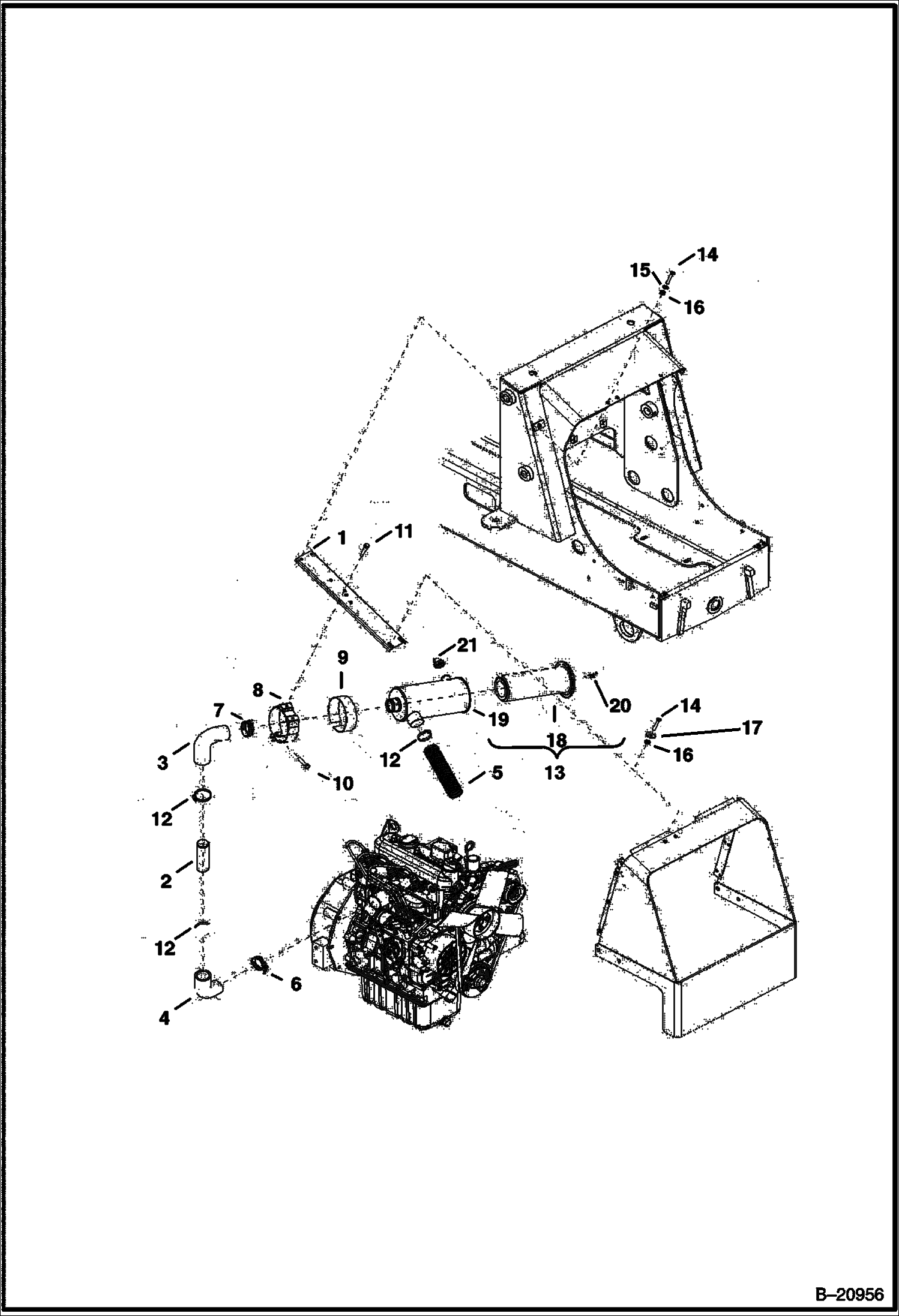
ДВИГАТЕЛЬ И КРЕПЕЖНЫЕ ДЕТАЛИ

ДВИГАТЕЛЬ И КРЕПЕЖНЫЕ ДЕТАЛИ

1Артикул: ENGINE, ENGINE NLA - Order 6974026 engine or 6964719REM engine - Was 6964719 - A
2Артикул: 6964719REM, ENGINE, KUBOTA D1105-T TIER 1
3Артикул: 6960209, HOLDER R
Подробнее >
ДЕРЖАТЕЛЬ ФОРСУНКИ

ДЕРЖАТЕЛЬ ФОРСУНКИ

1Артикул: 6672405, HOLDER W/Ref. 2 - 5
2Артикул: 6672408, NUT
3Артикул: 6672412, PUSH ROD
Подробнее >
ДВИГАТЕЛЬ

ДВИГАТЕЛЬ

1Артикул: ENGINE, ENGINE NLA - Use 6974026 - Was 6964719 - A
2Артикул: Upper, Upper
3Артикул: Lower, Lower
Подробнее >
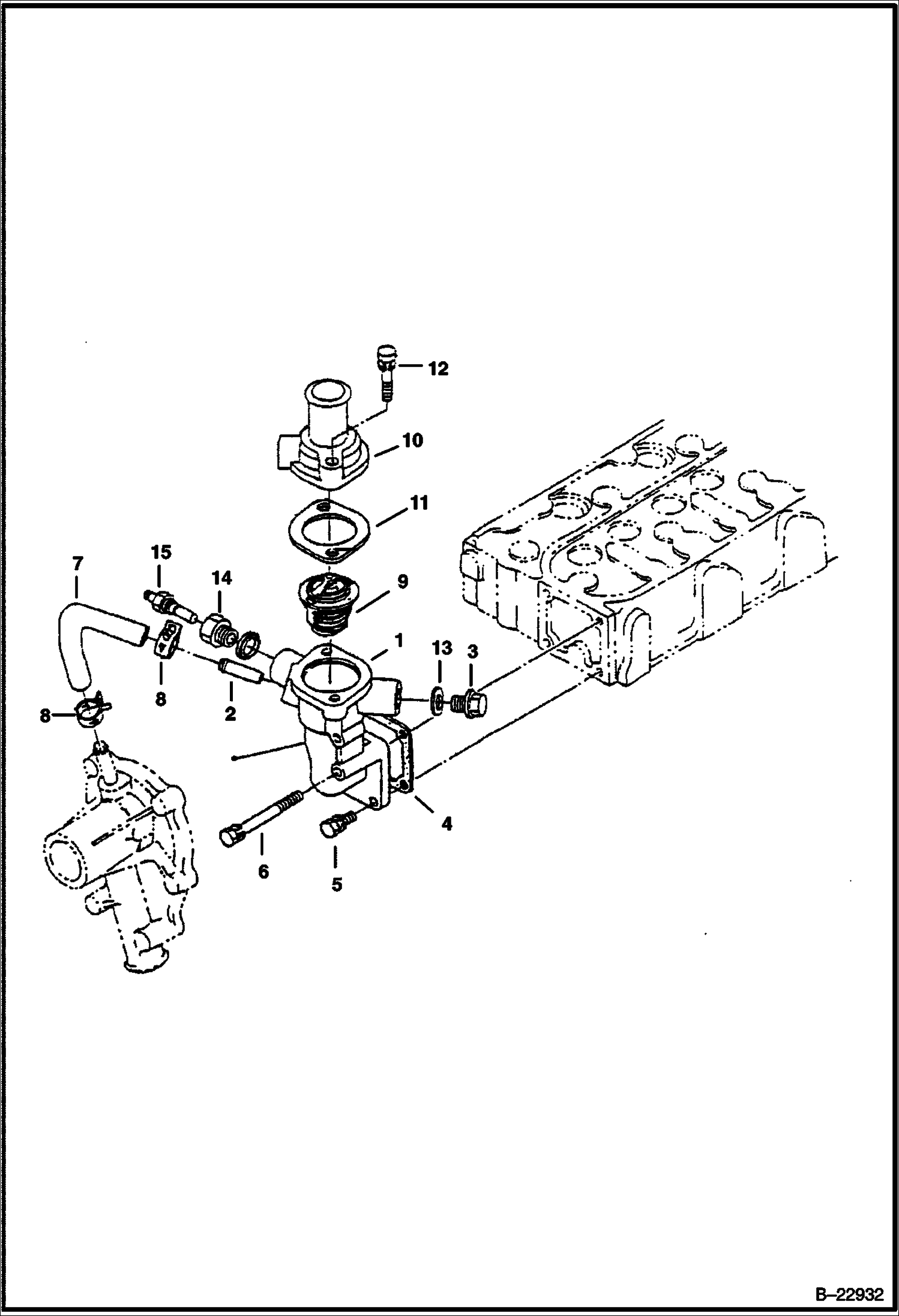
ВОДЯНОЙ ФЛАНЕЦ И ТЕРМОСТАТ

ВОДЯНОЙ ФЛАНЕЦ И ТЕРМОСТАТ

1Артикул: 6680508, FLANGE W/Ref. 2
2Артикул: 6670785, PIPE
3Артикул: 6684857, PLUG Was 6670504 - A
Подробнее >