+7 (701) 588 50 05 Телефон для связи
RU

WhatsApp

Позвонить

ЗАПЧАСТИ ДВИГАТЕЛЯ в Алматы

КОМПЕНСАТОР НАДУВА (KUBOTA - V2003TMDI - TIER II)

КОМПЕНСАТОР НАДУВА (KUBOTA - V2003TMDI - TIER II)

1Артикул: COMPENSATOR, COMPENSATOR See BTI407 NLA - Ref. 2-5 & 14-25 - Was 6685638 - A
2Артикул: 7012335, PIN, STRAIGHT
3Артикул: 1CM612, BOLT Was 4CM612 - A
Подробнее >
ДВИГАТЕЛЬ, ЕГО ЧАСТИ

ДВИГАТЕЛЬ, ЕГО ЧАСТИ

1Артикул: 85D8, NUT, 5
2Артикул: MOUNT, MOUNT See Illustration ENGINE & ATTACHING PARTS/ PE2981
3Артикул: STARTER, STARTER See Illustration STARTER/ B16488R
Подробнее >
РЫЧАГ ОСТАНОВА ДВИГАТЕЛЯ (KUBOTA - V2003TMDI - TIER II)

РЫЧАГ ОСТАНОВА ДВИГАТЕЛЯ (KUBOTA - V2003TMDI - TIER II)

1Артикул: 6684815, IDLING ASSY assy., idle - Ref. 2-6
2Артикул: 6684816, BOLT, ADJUSTING adjusting
3Артикул: 6684817, NUT adjusting
Подробнее >
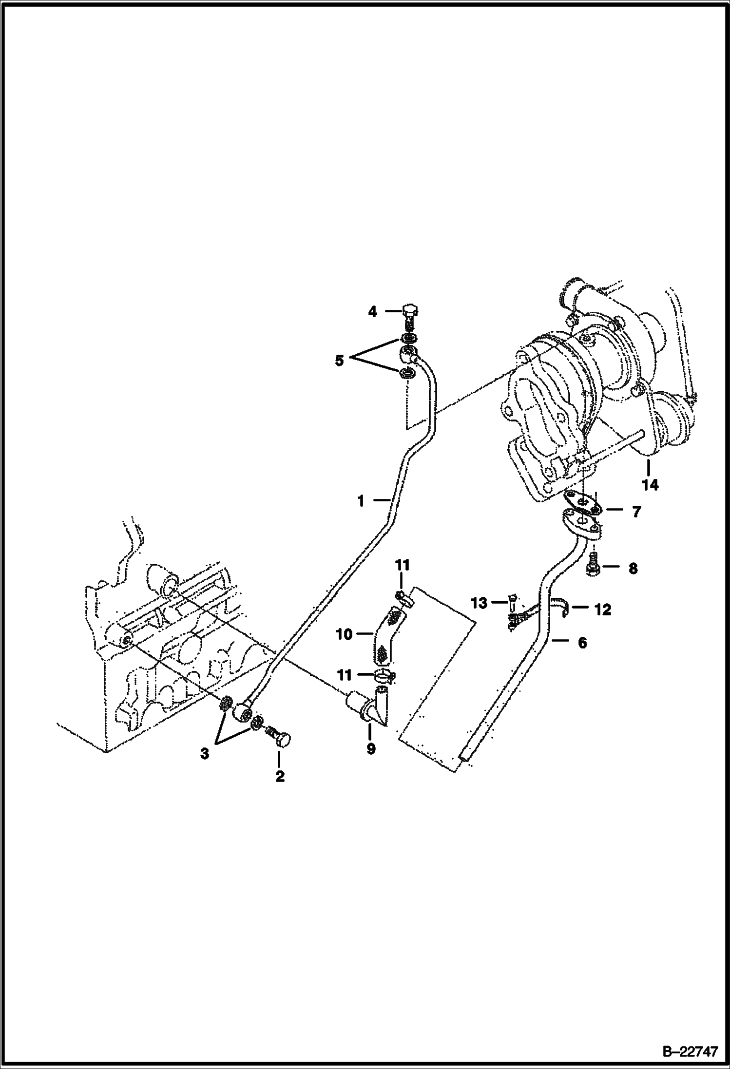
МАСЛЯНАЯ ТРУБКА (ТУРБОНАГНЕТАТЕЛЬ ) (KUBOTA - V2003TMDI - TIER II)

МАСЛЯНАЯ ТРУБКА (ТУРБОНАГНЕТАТЕЛЬ ) (KUBOTA - V2003TMDI - TIER II)

1Артикул: 6685597, PIPE
2Артикул: 7022765, BOLT, EYE Was 7022765 - A
3Артикул: 3974095, GASKET, METAL
Подробнее >
УСТРОЙСТВО РЕГУЛИРОВАНИЯ ОБОРОТОВ ДВИГАТЕЛЯ (МНОГОРЕЖИМНЫЙ ДЖОЙСТИК УПРАВЛЕНИЯ)

УСТРОЙСТВО РЕГУЛИРОВАНИЯ ОБОРОТОВ ДВИГАТЕЛЯ (МНОГОРЕЖИМНЫЙ ДЖОЙСТИК УПРАВЛЕНИЯ)

1Артикул: 6564452, GRIP
2Артикул: 6730270, LEVER
3Артикул: 38C610, BOLT shoulder
Подробнее >
ПОДДОН КАРТЕРА (KUBOTA - V2003TMDI - TIER II)

ПОДДОН КАРТЕРА (KUBOTA - V2003TMDI - TIER II)

1Артикул: OIL, OIL PAN NLA - Use 6685518 oil pan W/O Ref. 2 - Was 6685518 - A
2Артикул: 6685518, OIL PAN
3Артикул: 6666817, GASKET oil pan - Was 6684753 - A
Подробнее >
ТУРБОНАГНЕТАТЕЛЬ (KUBOTA - V2003TMDI - TIER II)

ТУРБОНАГНЕТАТЕЛЬ (KUBOTA - V2003TMDI - TIER II)

1Артикул: 7020837, TURBOCHARGER W/Ref. 14 - Was 6685593 - A
2Артикул: 7020837REM, TURBOCHARGER
3Артикул: 6675636, GASKET
Подробнее >
КОЛЛЕКТОРЫ (KUBOTA - V2003TMDI - TIER II)

КОЛЛЕКТОРЫ (KUBOTA - V2003TMDI - TIER II)

1Артикул: 6685592, MANIFOLD exhaust
2Артикул: 6688382, GASKET .060-- thick
3Артикул: 6655893, STUD
Подробнее >
ПЛЕЧО КОРОМЫСЛА КЛАПАНА (KUBOTA - V2003TMDI - TIER II)

ПЛЕЧО КОРОМЫСЛА КЛАПАНА (KUBOTA - V2003TMDI - TIER II)

1Артикул: VALVE, VALVE NLA - intake - Order 7031256 intake valve & 7031255 valve cap - Was 6684872 - A
2Артикул: VALVE, VALVE NLA - exhaust - Order 7245897 exhaust valve & 7031255 valve cap - Was 7020386 - A
3Артикул: 3974514, SPRING 5 valve
Подробнее >
КРИВОШИПНАЯ КОРОБКА (KUBOTA - V2003TMDI - TIER II)

КРИВОШИПНАЯ КОРОБКА (KUBOTA - V2003TMDI - TIER II)

1Артикул: 6685579, CRANKCASE assy. - W/Ref. 2 - 15
2Артикул: 6678946, ADAPTER
3Артикул: 6652574, PLUG
Подробнее >
КОМПЛЕКТ НИЖНИХ ПРОКЛАДОК (KUBOTA - V2003TMDI - TIER II) (СЕРИЙНЫЙ НОМЕР AHWA11001 И ВЫШЕ)

КОМПЛЕКТ НИЖНИХ ПРОКЛАДОК (KUBOTA - V2003TMDI - TIER II) (СЕРИЙНЫЙ НОМЕР AHWA11001 И ВЫШЕ)

1Артикул: 7012338, KIT, GASKET ENG LOWER Ref. 2-21
2Артикул: 6666817, GASKET See Illustration OIL PAN/ B22734 - oil pan
3Артикул: 6684754, O-RING See Illustration OIL PAN/ B22734 - oil screen
Подробнее >
ДВИГАТЕЛЬ И КРЕПЕЖНЫЕ ДЕТАЛИ (ВОЗДУХООЧИСТИТЕЛЬ, ГЛУШИТЕЛЬ, ТЕПЛООБМЕННИК РАДИАТОРА)

ДВИГАТЕЛЬ И КРЕПЕЖНЫЕ ДЕТАЛИ (ВОЗДУХООЧИСТИТЕЛЬ, ГЛУШИТЕЛЬ, ТЕПЛООБМЕННИК РАДИАТОРА)

1Артикул: 6686077, EXCHANGER, WATER RADIATOR
2Артикул: 6706393, SHIELD
3Артикул: TURBO, TURBO See Illustration TURBO CHARGER/ B22742
Подробнее >
ТАБЛИЧКА РЕГУЛЯТОРА СКОРОСТИ (KUBOTA - V2003TMDI - TIER II)

ТАБЛИЧКА РЕГУЛЯТОРА СКОРОСТИ (KUBOTA - V2003TMDI - TIER II)

1Артикул: 6684836, BOLT, ADJUSTING adjusting - W/Ref. 2
2Артикул: 3974971, NUT
3Артикул: 3974972, GASKET
Подробнее >
ГОЛОВКА ЦИЛИНДРА (KUBOTA - V2003TMDI - TIER II)

ГОЛОВКА ЦИЛИНДРА (KUBOTA - V2003TMDI - TIER II)

1Артикул: 3974882, HOOK
2Артикул: 6667421, BOLT
3Артикул: 6598156, STUD
Подробнее >
ВОДЯНОЙ ФЛАНЕЦ И ТЕРМОСТАТ (KUBOTA - V2003TMDI - TIER II)

ВОДЯНОЙ ФЛАНЕЦ И ТЕРМОСТАТ (KUBOTA - V2003TMDI - TIER II)

1Артикул: FLANGE, FLANGE NLA - Order 6684854 - Was 6684855 - A
2Артикул: FLANGE, FLANGE NLA - Order 6684854 - Was 6684856 - A
3Артикул: 6684857, PLUG
Подробнее >
КРЫШКА КОРОМЫСЛА КЛАПАНА (KUBOTA - V2003TMDI - TIER II)

КРЫШКА КОРОМЫСЛА КЛАПАНА (KUBOTA - V2003TMDI - TIER II)

1Артикул: 6685580, TUBE breather
2Артикул: 6684776, CLAMP
3Артикул: 6684777, CLAMP
Подробнее >
СОПЛО ФОРСУНКИ (KUBOTA - V2003TMDI - TIER II)

СОПЛО ФОРСУНКИ (KUBOTA - V2003TMDI - TIER II)

1Артикул: 6684842, PIPE, OVERFLOW fuel over flow
2Артикул: 6598146, PIPE fuel over flow (2) - W/Ref. 3 & 20
3Артикул: 6654718, CLAMP pipe - Was 6680795 - A
Подробнее >
УСТРОЙСТВО РЕГУЛИРОВАНИЯ ОБОРОТОВ ДВИГАТЕЛЯ (РУКОВОДСТВО УПРАВЛЕНИЯ)

УСТРОЙСТВО РЕГУЛИРОВАНИЯ ОБОРОТОВ ДВИГАТЕЛЯ (РУКОВОДСТВО УПРАВЛЕНИЯ)

1Артикул: 6705452, LEVER
2Артикул: 6564452, GRIP
3Артикул: 38C610, BOLT shoulder
Подробнее >
СИСТЕМА ОХЛАЖДЕНИЯ

СИСТЕМА ОХЛАЖДЕНИЯ

1Артикул: 6686077, EXCHANGER, WATER RADIATOR
2Артикул: 6577382, SPACER
3Артикул: FOAM, FOAM STRIP NLA - 34.5-- (876,3 mm) long - Order Ref. 8
Подробнее >
ПОРШЕНЬ И КОЛЕНЧАТЫЙ ВАЛ (KUBOTA - V2003TMDI - TIER II)

ПОРШЕНЬ И КОЛЕНЧАТЫЙ ВАЛ (KUBOTA - V2003TMDI - TIER II)

1Артикул: PISTON, PISTON NLA - std (00) (1G770-2112) - Order 6691712 piston - Was 6689583 - A
2Артикул: PISTON,, PISTON, ENG OS NLA - +.25 mm (00) (1G770-2112 OS25) - Order 7001674 - Was 7001675 - A
3Артикул: 6691712, PISTON std (05) (1G770-2111)
Подробнее >
ДВИГАТЕЛЬ И КОМПЛЕКТ ПРОКЛАДОК (KUBOTA - V2003TMDI - TIER II)

ДВИГАТЕЛЬ И КОМПЛЕКТ ПРОКЛАДОК (KUBOTA - V2003TMDI - TIER II)

1Артикул: 6683203, ENGINE, V2003-M-DI-TE2B-BC-3 See BTI388ldr - Does not include starter, alternator, flywheel, & flywheel housing
2Артикул: 6683203REM, ENG, KUBOTA V2003T DMI-TE2B-BC-3 TIER 2 See BTI388ldr does not include starter, fan, alternator, flywheel & bell housing - Was 7143319REM - B,D
3Артикул: 7010757, ENG, V2003MDI 59 HP EPA TIER 2 - EU STAGE II - does not include turbo, starter, fan, alternator, flywheel & bell housing
Подробнее >
РЕГУЛЯТОРА ОБОРОТОВ (KUBOTA - V2003TMDI - TIER II)

РЕГУЛЯТОРА ОБОРОТОВ (KUBOTA - V2003TMDI - TIER II)

1Артикул: 6684838, LEVER governor
2Артикул: 6685514, SPRING
3Артикул: 6692383, LEVER ASSM. fork - W/Ref. 4-14
Подробнее >
ВОЗДУШНЫЙ ФИЛЬТР

ВОЗДУШНЫЙ ФИЛЬТР

1Артикул: 6700711, AIR CLEANER W/ 1.5-- (38,1 mm) Evacuator Valve
2Артикул: 6735285, AIR CLEANER European
3Артикул: 6661243, WING NUT
Подробнее >
ДВИГАТЕЛЬ И КРЕПЕЖНЫЕ ДЕТАЛИ (СИСТЕМА РЕМНЕЙ ПРИВОДА)

ДВИГАТЕЛЬ И КРЕПЕЖНЫЕ ДЕТАЛИ (СИСТЕМА РЕМНЕЙ ПРИВОДА)

1Артикул: 92D12, NUT
2Артикул: 6576033, WASHER
3Артикул: 7113635, PULLEY hyd pump - 3-groove - 202 mm (7.95--) dia
Подробнее >
РАСПРЕДЕЛИТЕЛЬНЫЙ ВАЛ (KUBOTA - V2003TMDI - TIER II)

РАСПРЕДЕЛИТЕЛЬНЫЙ ВАЛ (KUBOTA - V2003TMDI - TIER II)

1Артикул: 7015269, TAPPET Was 6667428 - A
2Артикул: 6655176, PUSHROD
3Артикул: 6684791, CAMSHAFT assy. - Ref. 4-8
Подробнее >
КОМПЛЕКТ ДЕТАЛЕЙ ВЕРХНЕГО УПЛОТНИТЕЛЬНОГО КОЛЬЦА (KUBOTA - V2003TMDI - TIER II)

КОМПЛЕКТ ДЕТАЛЕЙ ВЕРХНЕГО УПЛОТНИТЕЛЬНОГО КОЛЬЦА (KUBOTA - V2003TMDI - TIER II)

1Артикул: 6689014, KIT, UPPER GASKET Ref. 2-17 - does not include head gasket
2Артикул: 6684877, GASKET See Illustration MANIFOLDS/ B22741 - intake manifold
3Артикул: 6688382, GASKET See Illustration MANIFOLDS/ B22741 - exhaust manifold - 1-piece gasket in kit services original 2-piece gaskets - .060-- thick
Подробнее >
ТОПЛИВНЫЙ РАСПРЕДЕЛИТЕЛЬНЫЙ ВАЛ (KUBOTA - V2003TMDI - TIER II)

ТОПЛИВНЫЙ РАСПРЕДЕЛИТЕЛЬНЫЙ ВАЛ (KUBOTA - V2003TMDI - TIER II)

1Артикул: 6692384, CAMSHAFT ASSY assy. - Ref. 2-14 - Was 6684810 - B,D
2Артикул: 7001666, CAMSHAFT, FUEL assy. - Ref. 2-14
3Артикул: CAMSHAFT, CAMSHAFT NLA - fuel
Подробнее >
ВОДЯНАЯ ПОМПА (KUBOTA - V2003TMDI - TIER II)

ВОДЯНАЯ ПОМПА (KUBOTA - V2003TMDI - TIER II)

1Артикул: 6684865, PUMP, WATER Ref. 2-6
2Артикул: PUMP, PUMP NLA - order assembly - Was 6684866 - A
3Артикул: 3974991, BEARING
Подробнее >
ТОПЛИВНАЯ СИСТЕМА И НАСОС ВПРЫСКА (KUBOTA - V2003TMDI - TIER II)

ТОПЛИВНАЯ СИСТЕМА И НАСОС ВПРЫСКА (KUBOTA - V2003TMDI - TIER II)

1Артикул: 7022162, PUMP, FUEL INJ Was 6684828 - A
2Артикул: 6684828REM, PUMP, FUEL INJ. KUBOTA V2003
3Артикул: 3974626, SHIM 0,20 mm - injection pump
Подробнее >
МАСЛЯНЫЙ РАДИАТОР (KUBOTA - V2003TMDI - TIER II)

МАСЛЯНЫЙ РАДИАТОР (KUBOTA - V2003TMDI - TIER II)

1Артикул: OIL, OIL COOLER NLA - W/Ref. 2 - Order 6690900 oil cooler & 6690901 hose - Was 6685641 - A
2Артикул: 6698244, ORING Was 6657422 - B,D
3Артикул: 6685642, HOSE
Подробнее >