+7 (701) 588 50 05 Телефон для связи
RU

WhatsApp

Позвонить

ЗАПЧАСТИ ДВИГАТЕЛЯ в Алматы

СХЕМА ВЕНТИЛЯТОРА ОХЛАЖДЕНИЯ (СЕРИЙНЫЙ НОМЕР A8FR15000 И ВЫШЕ, A8G315000 И ВЫШЕ)

СХЕМА ВЕНТИЛЯТОРА ОХЛАЖДЕНИЯ (СЕРИЙНЫЙ НОМЕР A8FR15000 И ВЫШЕ, A8G315000 И ВЫШЕ)

1Артикул: 01598.2, SCREW
2Артикул: 01681.6, Nut Was 51851.4 - B
3Артикул: 6916978, HYDRAULIC MOTOR 1 speed
Подробнее >
УСТАНОВКА ДВИГАТЕЛЯ

УСТАНОВКА ДВИГАТЕЛЯ

1Артикул: 000345-96E, NUT
2Артикул: 000350-03W, WASHER
3Артикул: 000350-04X, WASHER, M12
Подробнее >
КОЛЕНЧАТЫЙ ВАЛ - ПОРШНИ

КОЛЕНЧАТЫЙ ВАЛ - ПОРШНИ

1Артикул: 7024011, KIT CRANKSHAFT W/Ref. 2-7 - Was 6912029 - A
2Артикул: CRANKSHAFT, CRANKSHAFT NAP - Order Ref. 1
3Артикул: 6912021, KIT BEARING MAIN Was 7017230 - B,D
Подробнее >
РАДИАТОР

РАДИАТОР

1Артикул: 6933946, RADIATOR W/Ref. 2-13 - Was 6924387 - A
2Артикул: 7008125, WATER-OIL COOLER
3Артикул: 7008126, INTERCOOLER
Подробнее >
ТУРБОКОМПРЕССОР

ТУРБОКОМПРЕССОР

1Артикул: 7022470, MANIFOLD Was 6911993 - A
2Артикул: 6911973, EXHAUST MANIFOLD JOINT
3Артикул: 7022465, SCREW Was 93408.3 - A
Подробнее >
УСТАНОВКА СИСТЕМЫ ОХЛАЖДЕНИЯ (СЕРИЙНЫЙ НОМЕР A8FR11001 - A8FR12119, A8G311001 - A8G312093)

УСТАНОВКА СИСТЕМЫ ОХЛАЖДЕНИЯ (СЕРИЙНЫЙ НОМЕР A8FR11001 - A8FR12119, A8G311001 - A8G312093)

1Артикул: 000350-02V, WASHER
2Артикул: 6624289, STRAP, TIE
3Артикул: 01590.9, Screw
Подробнее >
КРЫШКА ГОЛОВКИ ЦИЛИНДРА

КРЫШКА ГОЛОВКИ ЦИЛИНДРА

1Артикул: 6912017, CYLINDER HEAD COVER ASSY W/Ref. 2-13 - Was 6924343 - B
2Артикул: COVER,, COVER, CYLINDER HEAD NAP - Order Ref. 1
3Артикул: 6911968, ROCKER COVER JOINT
Подробнее >
УСТАНОВКА СИСТЕМЫ ОХЛАЖДЕНИЯ (СЕРИЙНЫЙ НОМЕР A8FR12120 И ВЫШЕ, A8G312094 И ВЫШЕ)

УСТАНОВКА СИСТЕМЫ ОХЛАЖДЕНИЯ (СЕРИЙНЫЙ НОМЕР A8FR12120 И ВЫШЕ, A8G312094 И ВЫШЕ)

1Артикул: 000350-02V, WASHER
2Артикул: 6624289, STRAP, TIE
3Артикул: 01590.9, Screw
Подробнее >
БЛОК ПРОКЛАДОК ДВИГАТЕЛЯ

БЛОК ПРОКЛАДОК ДВИГАТЕЛЯ

1Артикул: 6912020, TOP JOINT AND GASKET KIT top
2Артикул: 6912019, BOTTOM JOINT AND GASKET KIT bottom
Подробнее >
ФИЛЬТР ПРЕДВАРИТЕЛЬНОЙ ОЧИСТКИ ТОПЛИВА

ФИЛЬТР ПРЕДВАРИТЕЛЬНОЙ ОЧИСТКИ ТОПЛИВА

1Артикул: 1CM820, BOLT Was 01596.6 - B
2Артикул: 4CM1030, BOLT Was 01606.3 - B
3Артикул: 01697.2, Washer
Подробнее >
МАСЛЯНЫЙ РАДИАТОР И ФИЛЬТР

МАСЛЯНЫЙ РАДИАТОР И ФИЛЬТР

1Артикул: 6924912, OIL COOLER W/Ref. 2-9
2Артикул: 6911896, OIL COOLER
3Артикул: 6911977, SEAL
Подробнее >
ПОДАЧА ТОПЛИВА

ПОДАЧА ТОПЛИВА

1Артикул: 6912158, PUMP, LIFT W/Ref. 2-7
2Артикул: PUMP,, PUMP, LIFT NAP - Order Ref. 1
3Артикул: 6911907, FUEL FILTER ELEMENT KIT W/ O-ring - W/Ref. 4-5
Подробнее >
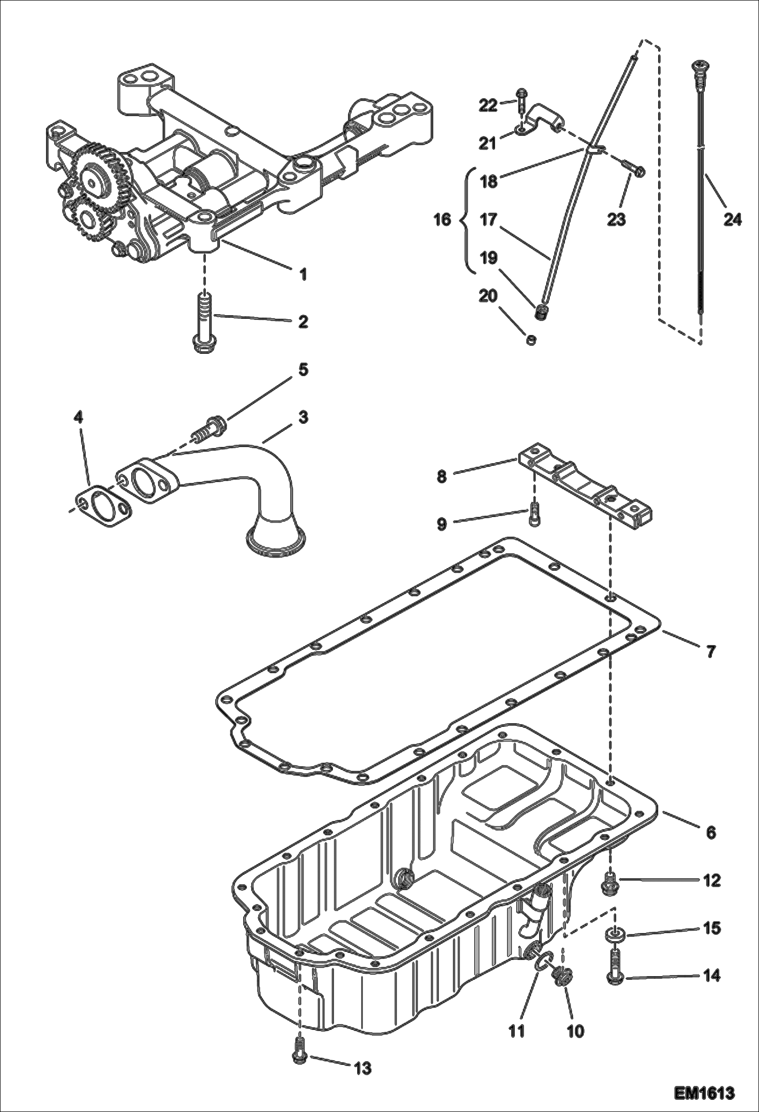
МАСЛЯНЫЙ ПОДДОН - МАСЛЯНЫЙ НАСОС

МАСЛЯНЫЙ ПОДДОН - МАСЛЯНЫЙ НАСОС

1Артикул: 6912010, OIL PUMP Was 7017252 - A
2Артикул: 6912056, SCREW
3Артикул: 6911956, SUCTION PIPE
Подробнее >
ОБОРУДОВАНИЕ СИСТЕМЫ ВПРЫСКА ТОПЛИВА

ОБОРУДОВАНИЕ СИСТЕМЫ ВПРЫСКА ТОПЛИВА

1Артикул: 6924349, FUEL INJECTION PUMP W/Ref. 2-6
2Артикул: PUMP,, PUMP, FUEL INJECTION NAP - Order Ref. 1
3Артикул: 7022462, O-RING Was 93191.5 - A
Подробнее >
СХЕМА ВЕНТИЛЯТОРА ОХЛАЖДЕНИЯ (СЕРИЙНЫЙ НОМЕР A8FR11001 - A8FR14999, A8G311001 - A8G314999)

СХЕМА ВЕНТИЛЯТОРА ОХЛАЖДЕНИЯ (СЕРИЙНЫЙ НОМЕР A8FR11001 - A8FR14999, A8G311001 - A8G314999)

1Артикул: 01598.2, SCREW
2Артикул: 56028.4, Plug
3Артикул: 01681.6, Nut Was 51851.4 - B
Подробнее >
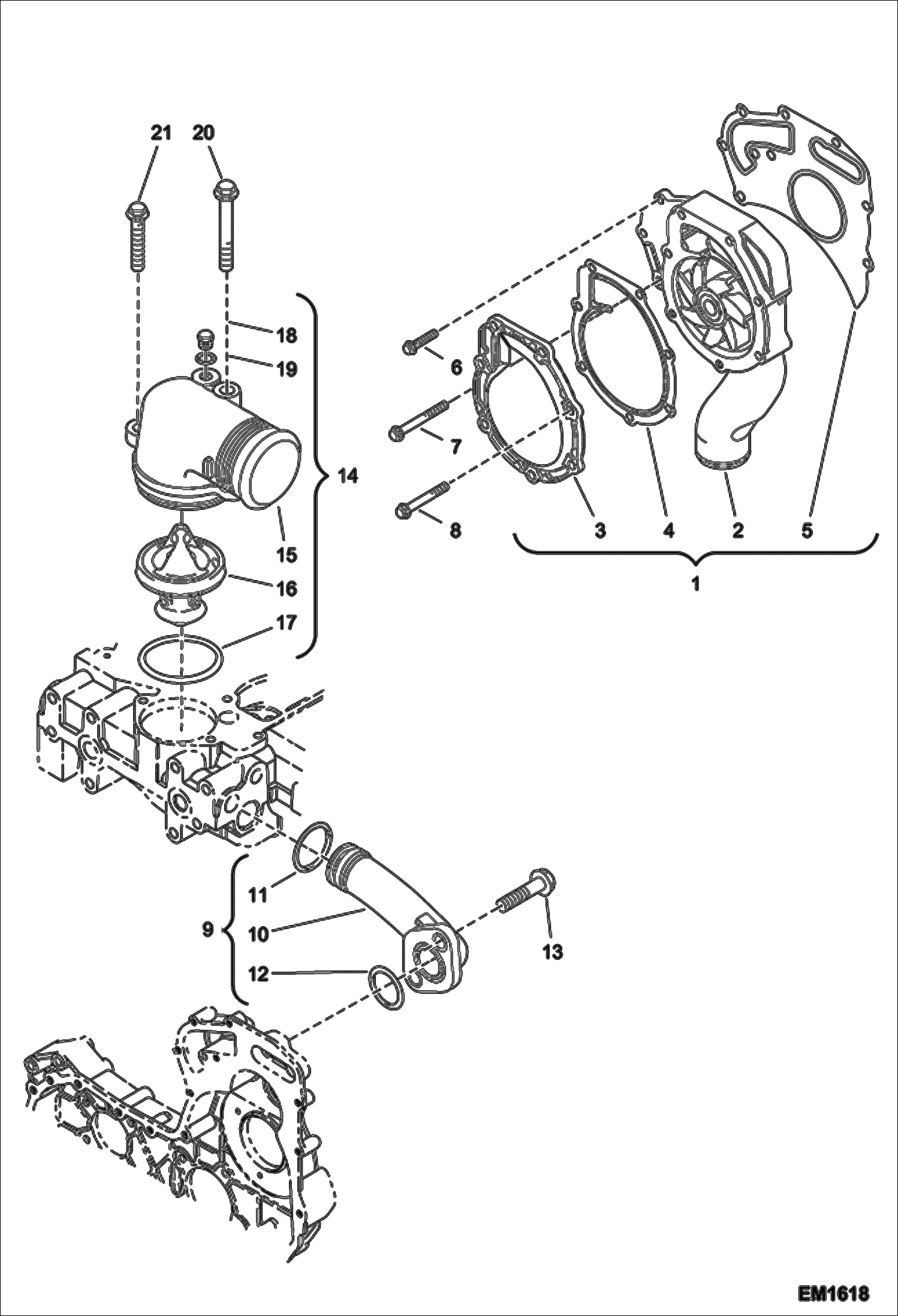
ВОДЯНАЯ ПОМПА И ТЕРМОСТАТ

ВОДЯНАЯ ПОМПА И ТЕРМОСТАТ

1Артикул: 7012333, WATER PUMP KIT W/Ref. 2-5 - Was 6924950 - A
2Артикул: PUMP,, PUMP, WATER NAP - Order Ref. 1
3Артикул: COVER, COVER NAP - Order Ref. 1
Подробнее >
ГОЛОВКА ЦИЛИНДРА В СБОРЕ

ГОЛОВКА ЦИЛИНДРА В СБОРЕ

1Артикул: 7010583, CYLINDER HEAD ASSY W/Ref. 2-21
2Артикул: CYLINDER, CYLINDER HEAD NAP - Order Ref. 1
3Артикул: 6924947, VALVE GUIDE
Подробнее >
УСТАНОВКА ГОЛОВКИ ЦИЛИНДРА

УСТАНОВКА ГОЛОВКИ ЦИЛИНДРА

1Артикул: 7010583, CYLINDER HEAD ASSY See Illustration CYLINDER HEAD ASSY/ EM1610
2Артикул: 6911969, CYLINDER HEAD GASKET Was 6924900 - B
3Артикул: 6911933, SCREW Was 7017239 - A
Подробнее >
МАХОВИК И ПРИВОДНОЙ ШКИВ

МАХОВИК И ПРИВОДНОЙ ШКИВ

1Артикул: 7022459, FLYWHEEL, ASSY W/Ref. 2-3 - Was 81038.2 - A
2Артикул: FLYWHEEL, FLYWHEEL NAP - Order Ref. 1
3Артикул: 6515771, RING GEAR Was 55698.5 - A
Подробнее >
ШЕСТЕРНЯ РАСПРЕДЕЛИТЕЛЬНОГО ВАЛА

ШЕСТЕРНЯ РАСПРЕДЕЛИТЕЛЬНОГО ВАЛА

1Артикул: 6924943, TIMING CASE
2Артикул: 6924902, GASKET - TIMING CASE
3Артикул: 6924348, SEAL OIL FRONT
Подробнее >
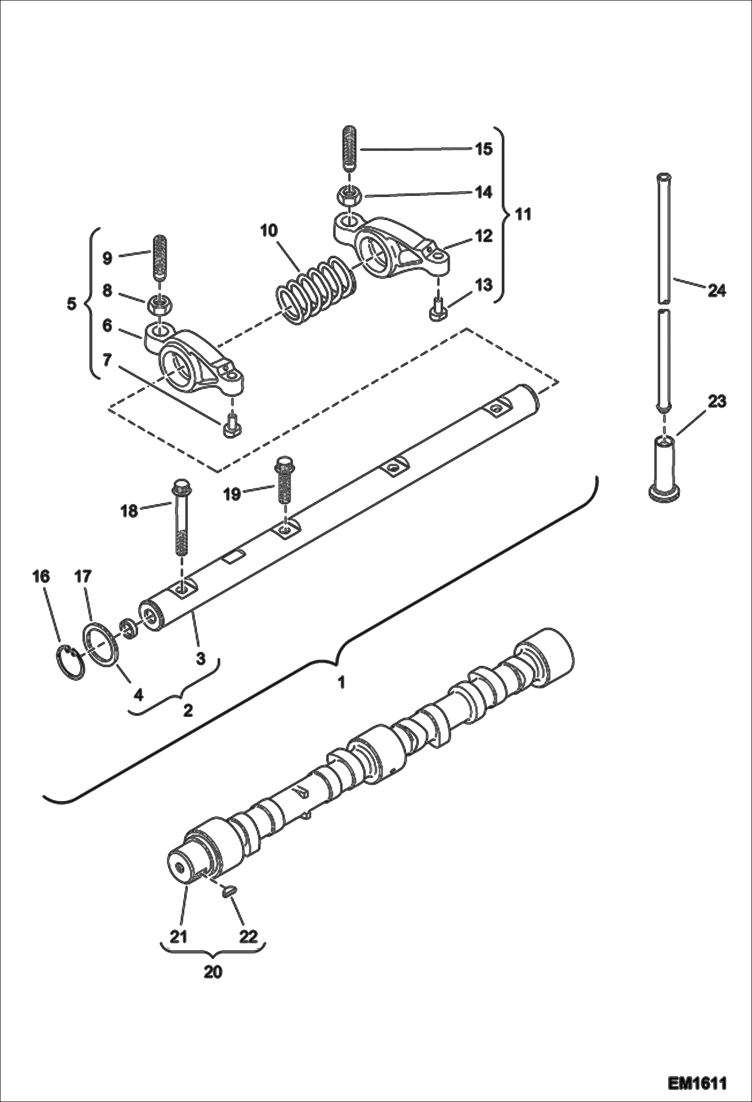
ОСЬ КЛАПАННОГО КОРОМЫСЛА

ОСЬ КЛАПАННОГО КОРОМЫСЛА

1Артикул: 6924932, ROCKER SHAFT ASSEMBLY W/Ref. 2-19
2Артикул: 6912005, ROCKER SHAFT ASSY W/Ref. 3-4
3Артикул: SPINDLE, SPINDLE NAP - Order Ref. 2
Подробнее >
БЛОК ЦИЛИНДРОВ

БЛОК ЦИЛИНДРОВ

1Артикул: 6924941, SHORT ENGINE - ASSEMBLY W/Ref. 2-24
2Артикул: CYLINDER, CYLINDER BLOCK NAP - Order Ref. 1
3Артикул: CAP,, CAP, BEARING NAP - Order Ref. 1
Подробнее >
СИСТЕМА ВЫПУСКА

СИСТЕМА ВЫПУСКА

1Артикул: 1CM1025, BOLT Was 01605.5 - B
2Артикул: 1EM100, WASHER Was 01698.0 - B
3Артикул: 7167620, SEAL Was 7017270 - A
Подробнее >
КАРТЕР МАХОВИКА И СТАРТЕР

КАРТЕР МАХОВИКА И СТАРТЕР

1Артикул: 81041.6, Housing
2Артикул: 64648.9, SEAL
3Артикул: 6924344, DOWEL Was 7017245 - A
Подробнее >