ЗАПЧАСТИ ДВИГАТЕЛЯ в Алматы
КРЫШКА КОРОБКИ ПЕРЕДАЧ И БАЗОВОЕ МАСЛО
1Артикул: 6518845, OIL DIPSTICK
2Артикул: 6518844, TUBE oil fill
3Артикул: 6518842, GASKET
ТОПЛИВНАЯ СИСТЕМА
1Артикул: 85G805, SCREW
2Артикул: 17E8, WASHER
3Артикул: LEVER, LEVER NLA - throttle - Was 6519491 - A
ВОЗДУШНЫЙ ФИЛЬТР
1Артикул: 6518266, WING NUT
2Артикул: 6518269, DUST CAP
3Артикул: ELBOW, ELBOW NLA - Use Ref. 5
НАПРАВЛЯЮЩИЕ РОЛИКИ ПРИВОДА
1Артикул: 6509989, SHEAVE 4--(101.6mm) OD - Drive Hyd. Pump
2Артикул: 6509990, SHEAVE 5--(127.0mm) OD
3Артикул: 6509992, SHEAVE 7--(177.8mm) OD
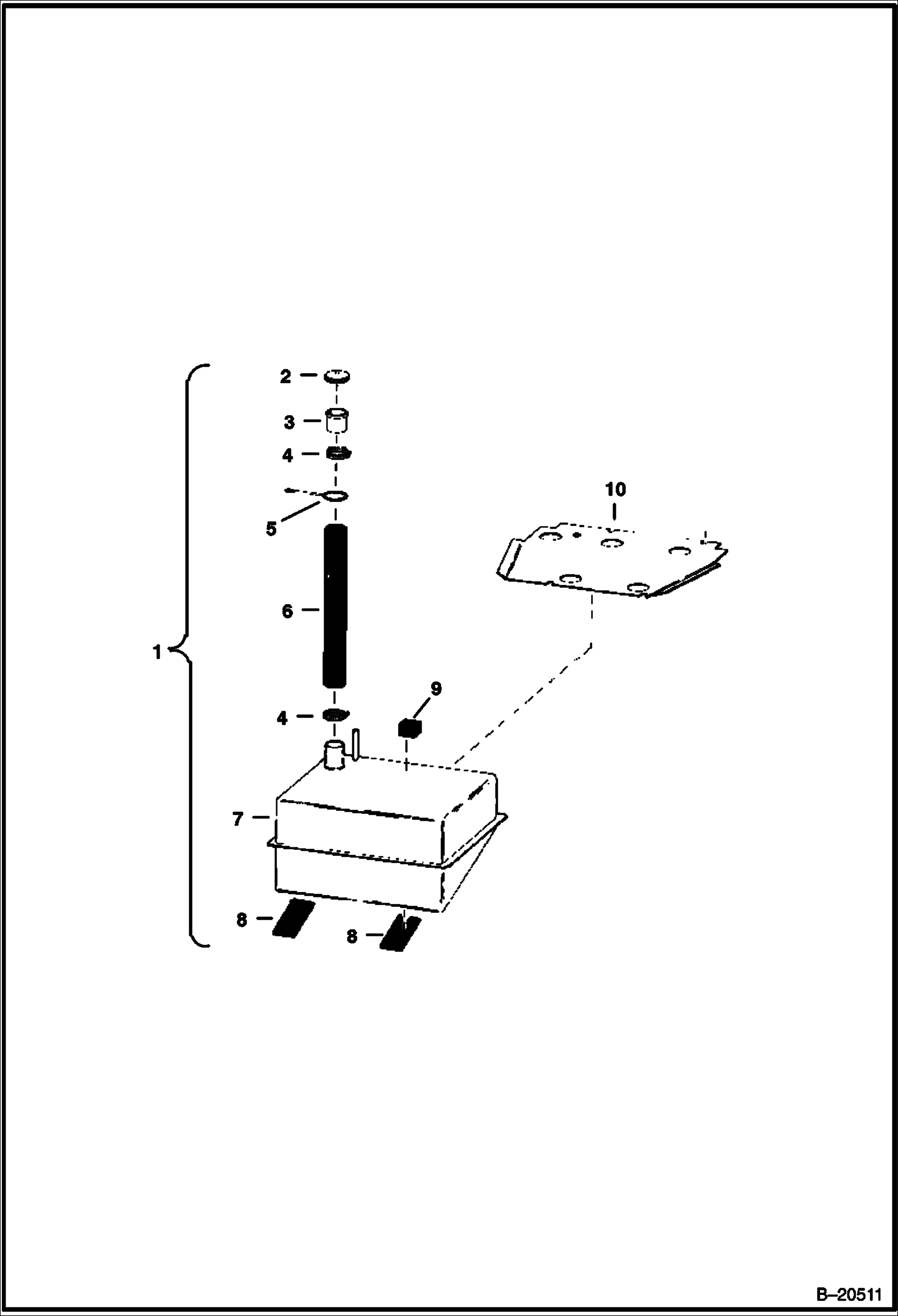
ТОПЛИВНЫЙ БАК В СБОРЕ
1Артикул: TANK, TANK ASSY. NLA
2Артикул: 6515567, CAP gasoline - Was 941101B - A
3Артикул: TUBE, TUBE NLA - filler tube - Was 6515569 - A
ДРОССЕЛЬНАЯ ЗАСЛОНКА И ВОЗДУШНАЯ ЗАСЛОНКА
1Артикул: 61D5, NUT
2Артикул: 4E5, WASHER
3Артикул: 7C524, SCREW carriage
ДВИГАТЕЛЬ
1Артикул: ENGINE, ENGINE NLA - gasoline, complete with starter, carbureator, charging system, alternator, air cleaner, spark plug, fuel pump (Does not include muffler, manifold & air- cleaner) Kohler Model K-321S Spec. No. 60134D - Was 6500304REM - A
2Артикул: MINI-BLOCK, MINI-BLOCK NLA - Suffix A & B - When ordering Mini-Block 6519685 for engine suffix A, B or C, also Order Cylinder Head 6519553
3Артикул: 6519685, MINI-BLOCK Suffix C, D and Above - W/Cam- shaft, intake & exhaust valves, oil pump, rod, piston, rings & oil seal, less crankshaft
ВОЗДУШНАЯ ЗАСЛОНКА И ДРОССЕЛЬНАЯ ЗАСЛОНКА
1Артикул: 6555549, ROD
2Артикул: 6519479, CLIP
3Артикул: 6552769, ARM
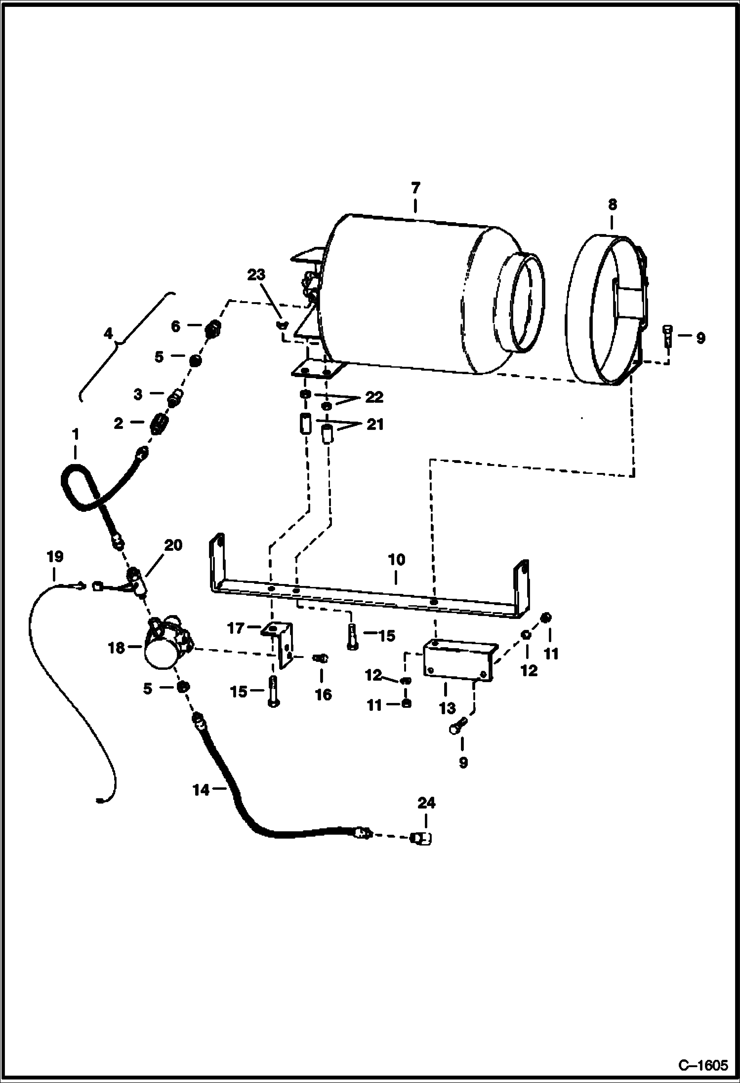
БАК СЖИЖЕННОГО УГЛЕВОДОРОДНОГО ГАЗА (СУГ) И КРЕПЕЖНЫЕ ДЕТАЛИ
1Артикул: 1564096, HOSE
2Артикул: 715976, COUPLER male half
3Артикул: 715977, COUPLER female half
РЕГУЛЯТОР ОБОРОТОВ
1Артикул: 6518840, WASHER thrust
2Артикул: 6599801, GEAR governor assembly - Was 6518841 - A
3Артикул: 6518951, WASHER
ВОЗДУШНАЯ КОРОБКА В СБОРЕ
1Артикул: 6518860, BAFFLE head
2Артикул: 5C408, BOLT
3Артикул: 6518909, BAFFLE side air
ДВИГАТЕЛЬ И КРЕПЕЖНЫЕ ДЕТАЛИ
1Артикул: AIR, AIR CLEANER See Illustration AIR CLEANER/ B1308
2Артикул: 42HS04, CLAMP, HOSE Was 6515575 - A
3Артикул: 6500849, HOSE fuel line
БЛОК ЦИЛИНДРОВ
1Артикул: 17C624, BOLT 5
2Артикул: 214765, WASHER flat
3Артикул: 6518839, HEAD cylinder - Suffix A or B
КАРБЮРАТОР
1Артикул: 6518858, CARBURETOR W/Ref. 2-13
2Артикул: 6518989, NEEDLE main fuel adjusting
3Артикул: 6518934, SPRING
СИСТЕМА ЗАЖИГАНИЯ
1Артикул: 6660301, SPARK PLUG Was 6598848 - A
2Артикул: 6511016, CABLE spark plug
3Артикул: 2503976, IGN COIL ignition