+7 (701) 588 50 05 Телефон для связи
RU

WhatsApp

Позвонить

ЗАПЧАСТИ ДВИГАТЕЛЯ в Алматы

РЕГУЛЯТОР ОБОРОТОВ

РЕГУЛЯТОР ОБОРОТОВ

1Артикул: 6512209, LEVER throttle
2Артикул: WASHER, WASHER NLA - Was 6512266 - A
3Артикул: BOLT, BOLT NLA - Shoulder - Was 6512264 - A
Подробнее >
КОЛЛЕКТОР И КАРБЮРАТОР

КОЛЛЕКТОР И КАРБЮРАТОР

1Артикул: MANIFOLD, MANIFOLD NLA - Was 6512197 - A
2Артикул: GASKET, GASKET NLA - Was 6512198 - A
3Артикул: GASKET, GASKET NLA - Was 6512199 - A
Подробнее >
ДВИГАТЕЛЬ

ДВИГАТЕЛЬ

1Артикул: ENGINE, ENGINE NLA - Order 6561723 & Ref. 3
2Артикул: NLA, NLA - W/starter & carburator - Order 6561723REM engine - Was 6561723 - A
3Артикул: 6561723REM, ENGINE Remanufactured
Подробнее >
БЛОК ЦИЛИНДРОВ

БЛОК ЦИЛИНДРОВ

1Артикул: 17C620, BOLT
2Артикул: 6512182, PLATE enclosure
3Артикул: BEARING, BEARING NLA - Was 6512237 - A
Подробнее >
ВОЗДУШНЫЙ ФИЛЬТР

ВОЗДУШНЫЙ ФИЛЬТР

1Артикул: 6512160, AIR CLEANER
2Артикул: HOUSING, HOUSING NLA
3Артикул: 6646494, CARTRIDGE Was 889098B - A
Подробнее >
ДРОССЕЛЬНАЯ ЗАСЛОНКА И ВОЗДУШНАЯ ЗАСЛОНКА

ДРОССЕЛЬНАЯ ЗАСЛОНКА И ВОЗДУШНАЯ ЗАСЛОНКА

1Артикул: 6553556, ROD
2Артикул: 6519484, GROMMET
3Артикул: 6519552, KNOB
Подробнее >
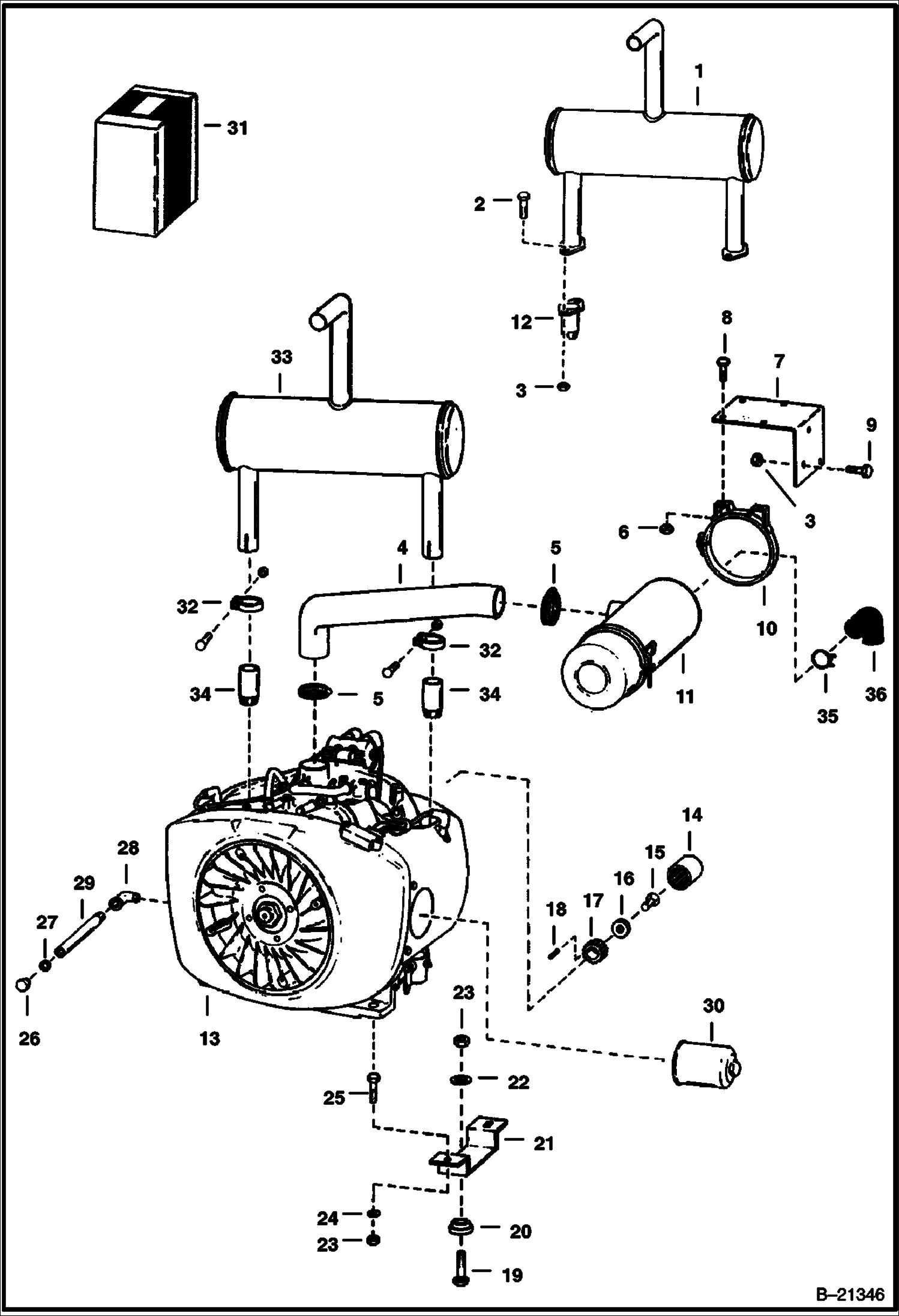
ДВИГАТЕЛЬ И КРЕПЕЖНЫЕ ДЕТАЛИ

ДВИГАТЕЛЬ И КРЕПЕЖНЫЕ ДЕТАЛИ

1Артикул: MUFFLER, MUFFLER See BTI120 NLA
2Артикул: 6559713, BOLT
3Артикул: 61D6, NUT 5
Подробнее >
МАСЛЯНЫЙ ПОДДОН

МАСЛЯНЫЙ ПОДДОН

1Артикул: 6512191, DIPSTICK
2Артикул: 6512190, TUBE
3Артикул: 6512213, GASKET oil pan
Подробнее >
БАНДАЖИРОВАНИЕ

БАНДАЖИРОВАНИЕ

1Артикул: HEAT, HEAT SHIELD NLA - Order Ref. 13
2Артикул: 6561948, HEAT SHIELD
3Артикул: SHIELD, SHIELD NLA - Was 6512166 - A
Подробнее >
КОЛЕНЧАТЫЙ ВАЛ, РАСПРЕДЕЛИТЕЛЬНЫЙ ВАЛ, КЛАПАНЫ И ПОРШЕНЬ

КОЛЕНЧАТЫЙ ВАЛ, РАСПРЕДЕЛИТЕЛЬНЫЙ ВАЛ, КЛАПАНЫ И ПОРШЕНЬ

1Артикул: 992753, SNAP RING
2Артикул: CRANKSHAFT, CRANKSHAFT NLA - Was 6512285 - A
3Артикул: 6J808, KEY, WOODRUFF
Подробнее >