+7 (701) 588 50 05 Телефон для связи
RU

WhatsApp

Позвонить

ЗАПЧАСТИ ДВИГАТЕЛЯ в Алматы

ПРИВОД ВЕНТИЛЯТОРА ОХЛАЖДЕНИЯ В СБОРЕ

ПРИВОД ВЕНТИЛЯТОРА ОХЛАЖДЕНИЯ В СБОРЕ

1Артикул: 6734105, HOUSING ASSY
Подробнее >
СИСТЕМА ВПРЫСКА ТОПЛИВА

СИСТЕМА ВПРЫСКА ТОПЛИВА

1Артикул: 6677830, PUMP W/Ref. 2 - Was 6666522 - A
2Артикул: 6688197, O-RING Was 6666420 - A
3Артикул: 6688182, BOLT Was 6673159 - A
Подробнее >
ПЕРЕДНЯЯ КРЫШКА

ПЕРЕДНЯЯ КРЫШКА

1Артикул: 6666748, COVER, FRONT front
2Артикул: 6666749, BREATHER vent - W/Ref. 40
3Артикул: 6666695, BOLT
Подробнее >
ГОЛОВКА ЦИЛИНДРА И КРЫШКА

ГОЛОВКА ЦИЛИНДРА И КРЫШКА

1Артикул: 6672770, COVER
2Артикул: 6672489, GASKET, COVER HEAD CYL
3Артикул: 6666450, NUT
Подробнее >
КОЛЛЕКТОР

КОЛЛЕКТОР

1Артикул: 6690619, MANIFOLD intake - Was 6670316 - A
2Артикул: 6670313, BOLT
3Артикул: 6670315, GASKET
Подробнее >
ДВИГАТЕЛЬ, ЕГО ЧАСТИ

ДВИГАТЕЛЬ, ЕГО ЧАСТИ

1Артикул: ENGINE, ENGINE See Illustration ENGINE & GASKET KITS/ B16399
2Артикул: 6713893, MOUNT
3Артикул: MOUNT, MOUNT NLA - 90 amp alt - Order Ref. 47 & (2) each of Ref. 48 & 49 - Was 6725429 - A
Подробнее >
ПОРШНИ И КОЛЕНВАЛ

ПОРШНИ И КОЛЕНВАЛ

1Артикул: 6672896, RING, PISTON
2Артикул: 6666404, RING, SNAP
3Артикул: 6666470, PIN
Подробнее >
РАСПРЕДВАЛ

РАСПРЕДВАЛ

1Артикул: 6666490, SEAL lip - rear main
2Артикул: 6666412, BOLT
3Артикул: 6688307, COVER REAR rear - Use W/Ref. 39 - Was 6666491 - A
Подробнее >
МАСЛЯНЫЙ НАСОС

МАСЛЯНЫЙ НАСОС

1Артикул: 6669530, PUMP oil - W/ .55-- (14 mm) dipstick hole ID - W/Ref. 2 & 3
2Артикул: 6668936, SET SCREW
3Артикул: 1DM6, NUT
Подробнее >
ВОЗДУШНЫЙ ФИЛЬТР

ВОЗДУШНЫЙ ФИЛЬТР

1Артикул: 6674837, AIR CLEANER
2Артикул: TANK, TANK NSS - Order Ref. 1
3Артикул: 6666375, FILTER, AIR OUTER outer
Подробнее >
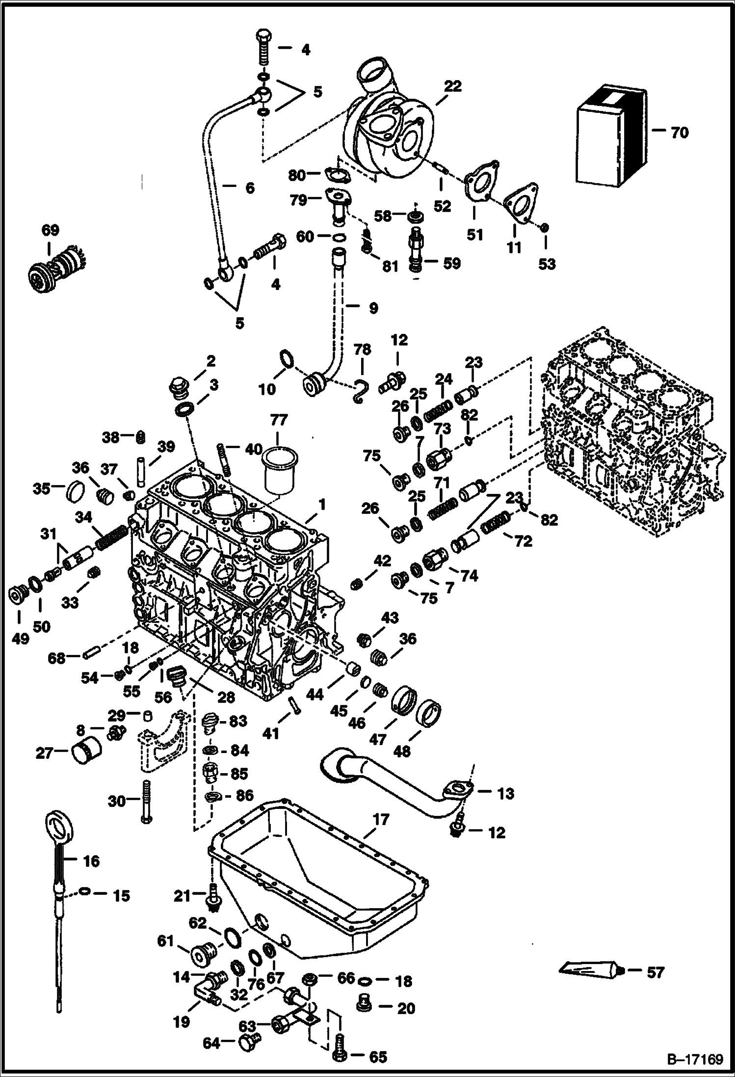
КРИВОШИПНАЯ КОРОБКА И ПОДДОН КАРТЕРА

КРИВОШИПНАЯ КОРОБКА И ПОДДОН КАРТЕРА

1Артикул: BLOCK, BLOCK See Illustration ENGINE & GASKET KITS/ B16399 - NLA - Order complete engine - Was 6672880 - A
2Артикул: 6666690, PLUG
3Артикул: 6666393, SEAL RING
Подробнее >
СИСТЕМА ОХЛАЖДЕНИЯ

СИСТЕМА ОХЛАЖДЕНИЯ

1Артикул: 6710791, COOLER oil
2Артикул: 6719206, TUBE
3Артикул: 6719207, TUBE
Подробнее >
КОМПЛЕКТЫ ПРОКЛАДОК ДВИГАТЕЛЯ

КОМПЛЕКТЫ ПРОКЛАДОК ДВИГАТЕЛЯ

1Артикул: ENGINE, ENGINE See BTI326 See BTI352 - NLA - Also includes fuel shut off harness (6686716) - Does not include starter, alternator, flywheel, or flywheel housing - Order 6686497 engine (Tier II) - A
2Артикул: 6672128REM, ENG, DEUTZ BF4M1011F NEW TURBO AND FUEL includes turbo - does not include starter, alternator, flywheel or pump mount
3Артикул: 6679134, GASKET KIT upper - Ref. 4-9 - does not include head gasket - Was 6668898 - B,D
Подробнее >
ДРОССЕЛЬНАЯ ЗАСЛОНКА

ДРОССЕЛЬНАЯ ЗАСЛОНКА

1Артикул: 6564452, GRIP
2Артикул: 6705452, LEVER
3Артикул: 38C610, BOLT shoulder
Подробнее >