+7 (701) 588 50 05 Телефон для связи
RU

WhatsApp

Позвонить

ЗАПЧАСТИ ДВИГАТЕЛЯ в Алматы

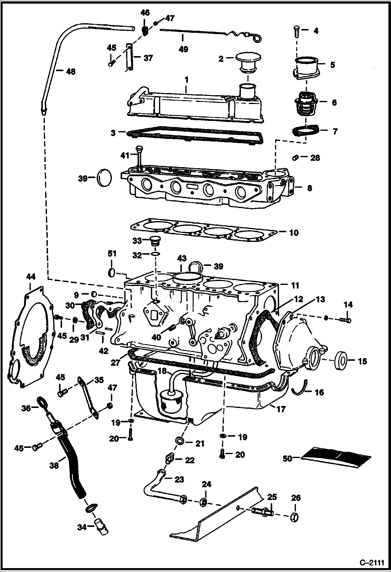
КОЛЕНЧАТЫЙ ВАЛ И ПОРШЕНЬ

КОЛЕНЧАТЫЙ ВАЛ И ПОРШЕНЬ

1Артикул: BOLT, BOLT NLA - Was 6512607 - A
2Артикул: 6512453, RING GEAR
3Артикул: FLYWHEEL, FLYWHEEL NLA - W/Ref. 2 - Was 6512452 - A
Подробнее >
КЛАПАННЫЙ МЕХАНИЗМ

КЛАПАННЫЙ МЕХАНИЗМ

1Артикул: 6512605, SCREW rocker arm adjusting
2Артикул: ROCKER, ROCKER ARM NLA - R.H. - Was 6512471 - A
3Артикул: ROCKER, ROCKER ARM NLA - LH - Was 6512472 - A
Подробнее >
РЕГУЛЯТОРА ОБОРОТОВ (PIERCE)

РЕГУЛЯТОРА ОБОРОТОВ (PIERCE)

1Артикул: GOVERNOR, GOVERNOR See Illustration GOVERNOR/ D1491 NLA - ORDER 6599757 GOVERNOR
2Артикул: 6513579, BOLT
3Артикул: 25E10, WASHER
Подробнее >
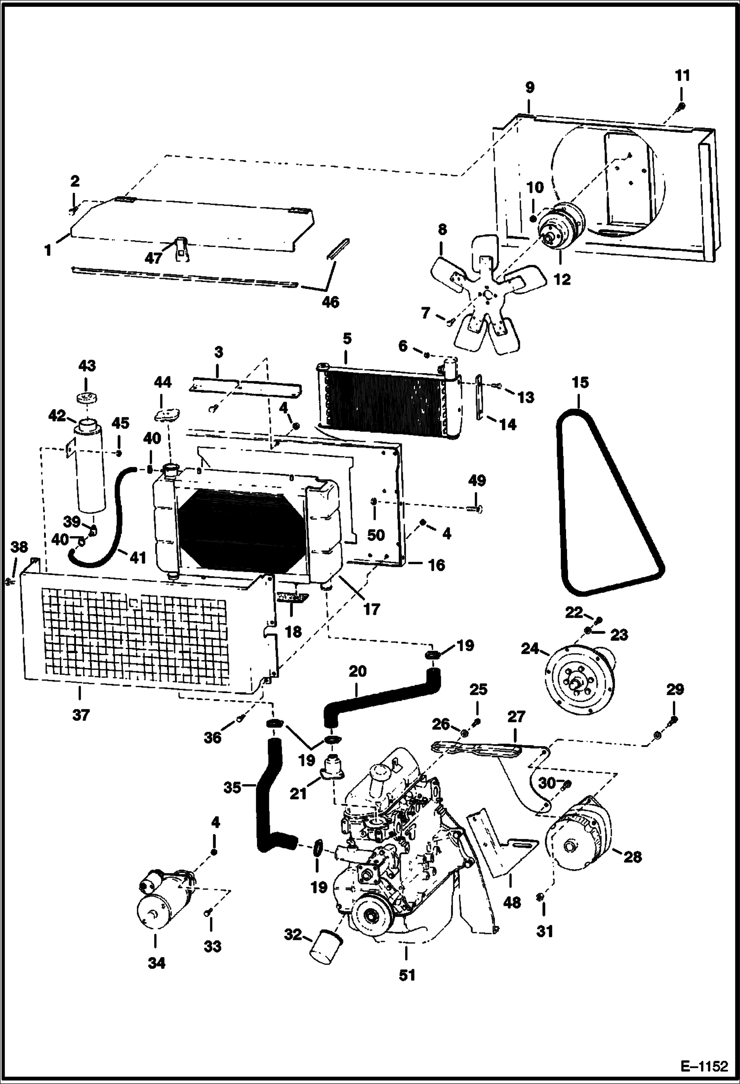
ДВИГАТЕЛЬ

ДВИГАТЕЛЬ

1Артикул: ENGINE, ENGINE See BTI146 NLA - INCLUDES INTAKE MANIFOLD,EXHAUST MANIFOLD, FUEL PUMP, OIL FILTER & WATER PUMP - DOES NOT INCLUDE STARTER, ALTERNATOR, FLYWHEEL, AIR CLEANER, CRANKSHAFT PULLEY, GOVERNOR & CARBURETOR - ORDER 6565295REM ENGINE - WAS 6565295 - A
2Артикул: 6565295REM, ENGINE Remanufactured - Includes fuel pump, oil pump, water pump, distributor, plugs, wires and thermostat. Does Not Include manifolds, carb., thermostat housing, starter, flywheel or governor
3Артикул: SHORT, SHORT BLOCK NLA - Order 6565295 REM- Was 6512397 - A
Подробнее >
СИСТЕМА ЗАЖИГАНИЯ

СИСТЕМА ЗАЖИГАНИЯ

1Артикул: DISTRIBUTOR, DISTRIBUTOR NLA - Black Cap - Order 6630396 Distributor
2Артикул: DISTRIBUTOR, DISTRIBUTOR NLA - Black Cap - Reman. - Order 6630396 Distr. - Was 6659914 - A
3Артикул: DISTRIBUTOR, DISTRIBUTOR NLA - Brown Cap - Was 6630396 - A
Подробнее >
ВОЗДУШНЫЙ ФИЛЬТР

ВОЗДУШНЫЙ ФИЛЬТР

1Артикул: 6555271, AIR CLEANER
2Артикул: TANK, TANK NLA
3Артикул: 6646494, CARTRIDGE Was 889098B - A
Подробнее >
КАРБЮРАТОР

КАРБЮРАТОР

1Артикул: CARBURETOR, CARBURETOR See BTI180 NLA - Zenith 13805
2Артикул: 6598372, CARBURETOR Zenith 0-13805-A (less solenoid)
3Артикул: SCREW, SCREW NSS
Подробнее >
МАСЛЯНЫЙ НАСОС

МАСЛЯНЫЙ НАСОС

1Артикул: OIL, OIL PUMP NLA - Less Ref. 2-4 - Was 6512479 - A
2Артикул: 17C516, BOLT
3Артикул: 6513601, ELEMENT oil filter
Подробнее >
ВОДЯНАЯ ПОМПА

ВОДЯНАЯ ПОМПА

1Артикул: 6640686, WATER PUMP water - W/Ref. 5 - Was 6512496 - A
2Артикул: 4CM810, BOLT
3Артикул: 6512498, PULLEY
Подробнее >
ДРОССЕЛЬНАЯ ЗАСЛОНКА И ВОЗДУШНАЯ ЗАСЛОНКА

ДРОССЕЛЬНАЯ ЗАСЛОНКА И ВОЗДУШНАЯ ЗАСЛОНКА

1Артикул: 6555289, BRACKET
2Артикул: 6519484, GROMMET
3Артикул: 6555291, LEVER
Подробнее >
КАРДАННАЯ ПЕРЕДАЧА

КАРДАННАЯ ПЕРЕДАЧА

1Артикул: 6598347, U-JOINT Ref. 7-10 & 17
2Артикул: 18C512, BOLT
3Артикул: WASHER, WASHER NLA
Подробнее >
БЛОК ЦИЛИНДРОВ

БЛОК ЦИЛИНДРОВ

1Артикул: COVER, COVER NLA - Was 6512476 - A
2Артикул: 6512494, CAP
3Артикул: 6512477, GASKET
Подробнее >
РЕГУЛЯТОРА ОБОРОТОВ (КРЮК)

РЕГУЛЯТОРА ОБОРОТОВ (КРЮК)

1Артикул: 6599757, GOVERNOR Hoof
2Артикул: 45G1212, BOLT
3Артикул: 6513934, WASHER
Подробнее >
ДВИГАТЕЛЬ И КРЕПЕЖНЫЕ ДЕТАЛИ

ДВИГАТЕЛЬ И КРЕПЕЖНЫЕ ДЕТАЛИ

1Артикул: 6555296, COVER
2Артикул: 6554745, BOLT
3Артикул: 6555302, ANGLE
Подробнее >