+7 (701) 588 50 05 Телефон для связи
RU

WhatsApp

Позвонить

ЗАПЧАСТИ ДВИГАТЕЛЯ в Алматы

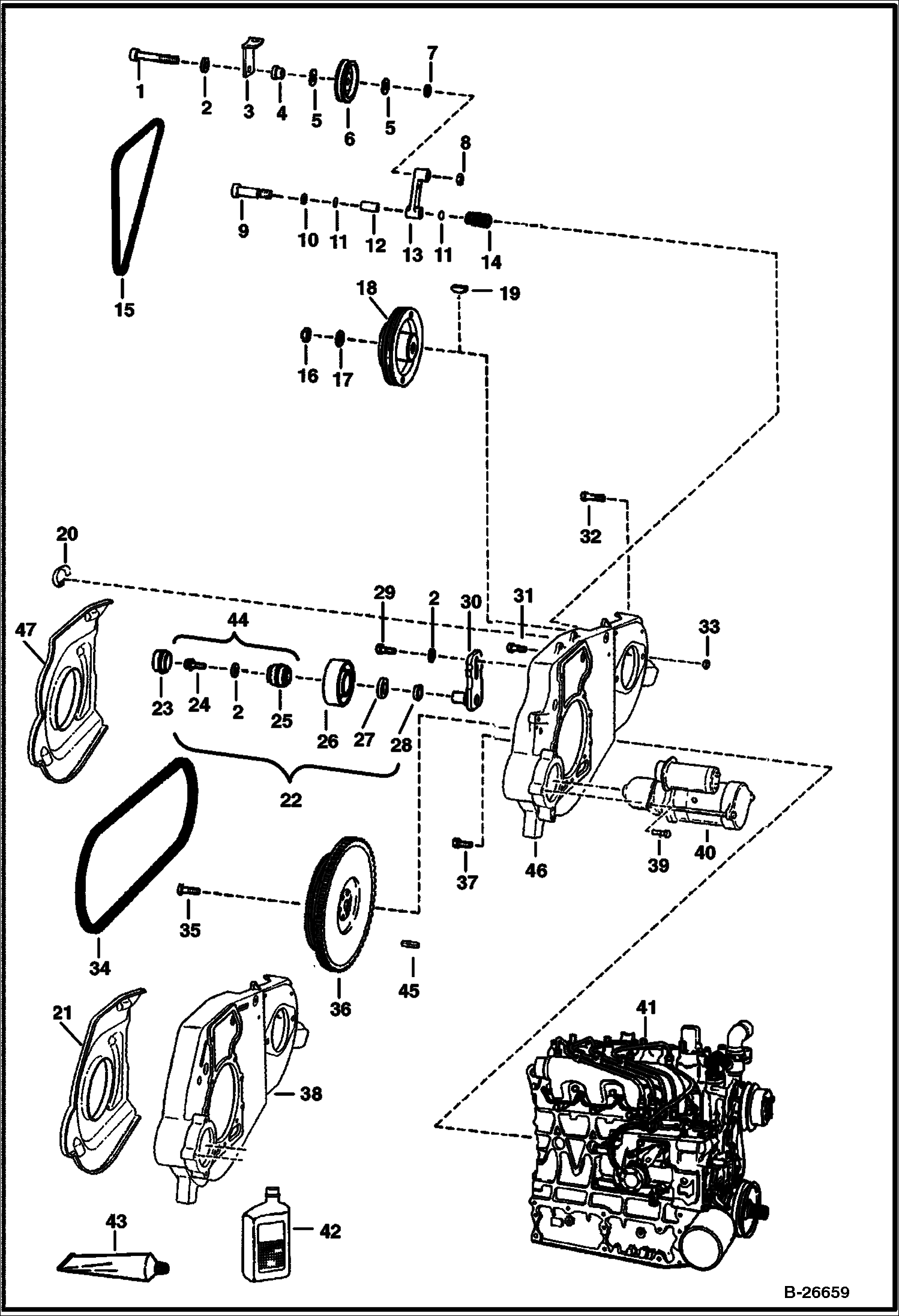
ДВИГАТЕЛЬ И КОМПЛЕКТ ПРОКЛАДОК (KUBOTA - V2203)

ДВИГАТЕЛЬ И КОМПЛЕКТ ПРОКЛАДОК (KUBOTA - V2203)

1Артикул: ENGINE, ENGINE See Illustration ENGINE & GASKET KITS/ B24687 See BTI388ldr NLA - Does not include starter, alternator, flywheel & flywheel housing - for new engine order 6685981 Engine - Was 6704441 - A
2Артикул: SHORT, SHORT BLOCK NLA
3Артикул: 6704441REM, ENGINE, KUBOTA V2203
Подробнее >
КРЫШКА КОРОМЫСЛА КЛАПАНА

КРЫШКА КОРОМЫСЛА КЛАПАНА

1Артикул: 3974924, PLATE element
2Артикул: 3974925, PLATE element
3Артикул: 3974926, BREATHER breather
Подробнее >
ГОЛОВКА БЛОКА ЦИЛИНДРОВ

ГОЛОВКА БЛОКА ЦИЛИНДРОВ

1Артикул: 6655152, HOOK engine
2Артикул: 6655160, PLUG
3Артикул: 1CM816, BOLT Was 4CM816 - A
Подробнее >
ВОДЯНАЯ ПОМПА

ВОДЯНАЯ ПОМПА

1Артикул: 6684225, WATER PUMP Ref. 2-6 - Was 6653941 - A
2Артикул: BODY, BODY NLA
3Артикул: 3974991, BEARING
Подробнее >
КАРТЕР ДВИГАТЕЛЯ

КАРТЕР ДВИГАТЕЛЯ

1Артикул: CRANKCASE, CRANKCASE NLA - assy - W/Ref. 2-15 - Order (1) each of 6689503, 6685483, 6685484, 6685486, 6655166, 6655184, 6685485, 6693412 and (2) each of 6685488 & 6685489, (4) of 6685487 - Was 6655149 - A
2Артикул: 3974871, CONNECTOR
3Артикул: 6652574, PLUG
Подробнее >
ДВИГАТЕЛЬ И КРЕПЕЖНЫЕ ДЕТАЛИ (ВОЗДУХООЧИСТИТЕЛЬ, ГЛУШИТЕЛЬ И ОКОННАЯ РЕШЕТКА)

ДВИГАТЕЛЬ И КРЕПЕЖНЫЕ ДЕТАЛИ (ВОЗДУХООЧИСТИТЕЛЬ, ГЛУШИТЕЛЬ И ОКОННАЯ РЕШЕТКА)

1Артикул: 6703868, HOOD steel
2Артикул: 84G3112, BOLT 5
3Артикул: MOULDING, MOULDING NLA - Order Ref. 8 - 14.65 in. (372,1 mm) long
Подробнее >
ДРОССЕЛЬНАЯ ЗАСЛОНКА

ДРОССЕЛЬНАЯ ЗАСЛОНКА

1Артикул: 6705452, LEVER
2Артикул: 6564452, GRIP
3Артикул: 38C610, BOLT shoulder
Подробнее >
ФОРСУНКИ

ФОРСУНКИ

1Артикул: HOLDER, HOLDER KIT See Illustration INJECTOR HOLDER/ B13154 - nozzle - W/Ref. 2 & 16 - Was 6722147
2Артикул: 6655218, GASKET
3Артикул: 6655219, PIPE injection (1)
Подробнее >
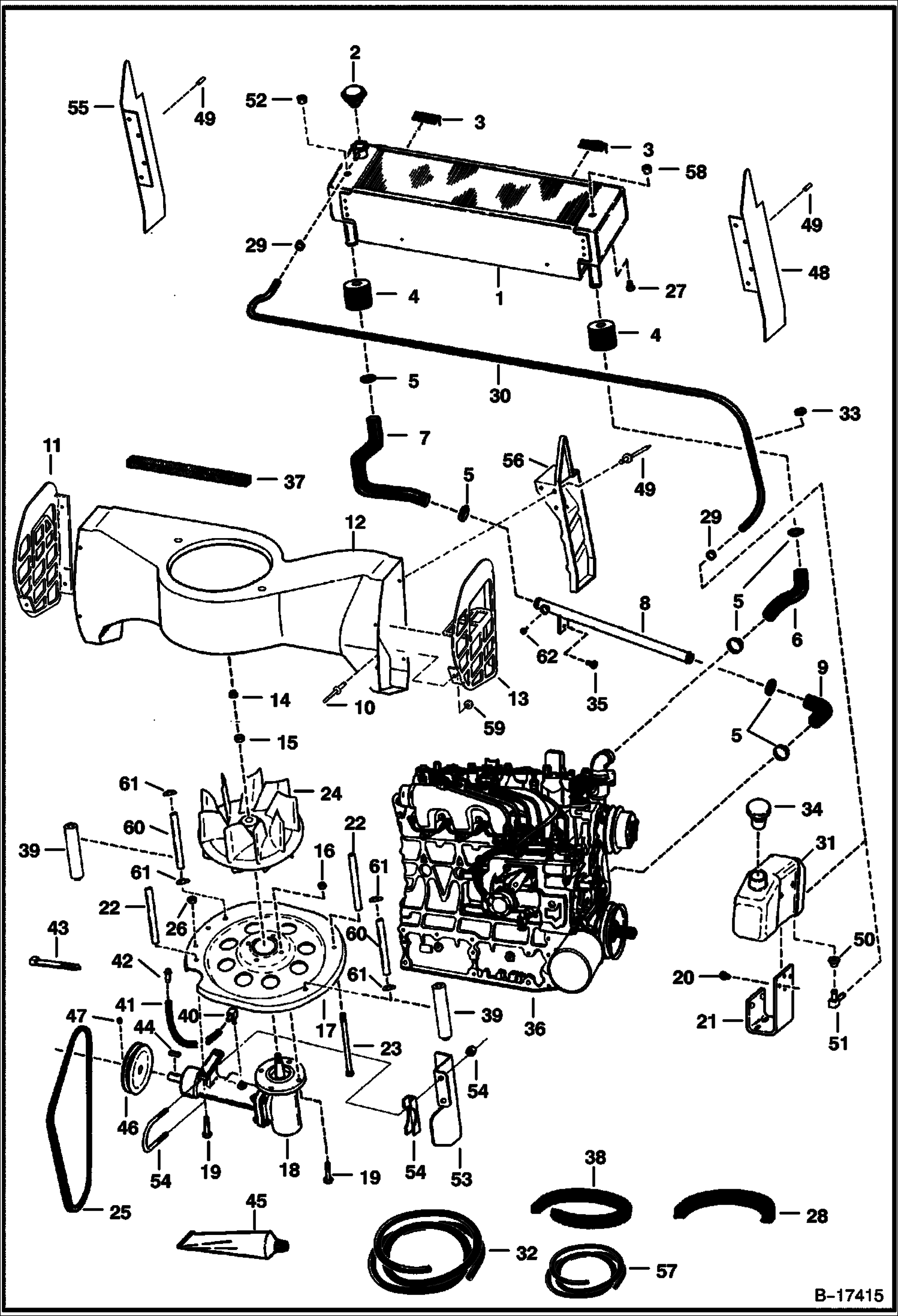
СИСТЕМА ОХЛАЖДЕНИЯ

СИСТЕМА ОХЛАЖДЕНИЯ

1Артикул: RADIATOR, RADIATOR NLA - Order 6666384 Radiator & Ref. 58 - Was 6666539 - A
2Артикул: 6666384, EXCHANGER, WATER RADIATOR
3Артикул: 6646678, CAP 14 PSI
Подробнее >
РЫЧАГ ОСТАНОВА ДВИГАТЕЛЯ

РЫЧАГ ОСТАНОВА ДВИГАТЕЛЯ

1Артикул: 3974975, IDLER assy., idle - W/Ref. 2-6
2Артикул: 6653906, BOLT ASSY. adjusting
3Артикул: 2DM8, NUT adjusting
Подробнее >
ПРИВОД ВЕНТИЛЯТОРА ОХЛАЖДЕНИЯ В СБОРЕ

ПРИВОД ВЕНТИЛЯТОРА ОХЛАЖДЕНИЯ В СБОРЕ

1Артикул: 6734104, HOUSING ASSY. no service parts available
2Артикул: 6692357, SPEEDI SLEEVE for .780-- - .784-- (18,81 mm - 19,91 mm) dia. shaft
Подробнее >
КОЛЛЕКТОР

КОЛЛЕКТОР

1Артикул: 6651482, MANIFOLD, EXHAUST exhaust
2Артикул: GASKET, GASKET NLA - Order Ref. 10 & 11 - Was 3974915B - A
3Артикул: 6652670, STUD
Подробнее >
ДВИГАТЕЛЬ И КРЕПЕЖНЫЕ ДЕТАЛИ (СИСТЕМА РЕМНЕЙ ПРИВОДА - С НЕПОДВИЖНЫМ НАТЯЖНЫМ КОЛЕСО)

ДВИГАТЕЛЬ И КРЕПЕЖНЫЕ ДЕТАЛИ (СИСТЕМА РЕМНЕЙ ПРИВОДА - С НЕПОДВИЖНЫМ НАТЯЖНЫМ КОЛЕСО)

1Артикул: 73G656, SCREW
2Артикул: 6704484, WASHER thrust
3Артикул: 6702474, RETAINER fan drive idler belt
Подробнее >
ФОРСУНКОДЕРЖАТЕЛЬ

ФОРСУНКОДЕРЖАТЕЛЬ

1Артикул: 7023120, INJECTOR, FUEL ASSY nozzle - Ref. 2-12 - Was 6722147 - A
2Артикул: 6722147REM, NOZZLE, FUEL INJ. KUBOTA V2203 nozzle - Ref. 2-12
3Артикул: 6657460, NUT
Подробнее >
ДВИГАТЕЛЬ И КРЕПЕЖНЫЕ ДЕТАЛИ (ПОДРЕССОРЕННЫЙ ЛЕНИВЕЦ)

ДВИГАТЕЛЬ И КРЕПЕЖНЫЕ ДЕТАЛИ (ПОДРЕССОРЕННЫЙ ЛЕНИВЕЦ)

1Артикул: 6735884, IDLER ASSY. Ref. 2-18 - When converting from a fixed idler to a spring loaded idler assy. - Also Order Ref. 21 - Was 6711698 - A
2Артикул: 6714212, PULLEY ASSY. Ref. 4 - 12
3Артикул: 6735883, BRACKET Was 6708767 - A
Подробнее >
ТОПЛИВНАЯ СИСТЕМА И НАСОС ВПРЫСКА

ТОПЛИВНАЯ СИСТЕМА И НАСОС ВПРЫСКА

1Артикул: 6655199, PUMP injection
2Артикул: PUMP, PUMP NLA - injection - Order 7023148 pump, 6513707 banjo fitting, 7019023 eye bolt & (2) 7019024 gaskets - Was 6667996 - A
3Артикул: 6667996REM, PUMP, FUEL INJ. KUBOTA V2203
Подробнее >
МАСЛЯНЫЙ ПОДДОН

МАСЛЯНЫЙ ПОДДОН

1Артикул: 6655151, PAN, OIL
2Артикул: 6666817, GASKET oil pan - Was 3975449B - A
3Артикул: 6653798, BOLT
Подробнее >
РЕДУКТОР

РЕДУКТОР

1Артикул: CASE, CASE ASSY. NLA - W/Ref. 3-7 & 29 - Order 6688640 & Ref. 4-7 & 29 - Was 6674164 - A
2Артикул: 6688640, HOUSING GEAR W/Ref. 3
3Артикул: 6675517, FILTER, OIL ENG 12 Was 3974896B - A
Подробнее >
ТОПЛИВНЫЙ РАСПРЕДЕЛИТЕЛЬНЫЙ ВАЛ

ТОПЛИВНЫЙ РАСПРЕДЕЛИТЕЛЬНЫЙ ВАЛ

1Артикул: 6655211, CAMSHAFT assy. - Ref. 2-14
2Артикул: CAMSHAFT, CAMSHAFT NLA - fuel - Order Ref. 1 - Was 6655875 - A
3Артикул: 851242, BEARING
Подробнее >
РАСПРЕДВАЛ

РАСПРЕДВАЛ

1Артикул: 7015269, TAPPET Was 6667428 - A
2Артикул: 6655176, PUSHROD
3Артикул: 6655427, CAMSHAFT assy. - Ref. 4-8
Подробнее >
РЕГУЛЯТОР ОБОРОТОВ

РЕГУЛЯТОР ОБОРОТОВ

1Артикул: 6598174, LEVER governor
2Артикул: 6655227, SPRING
3Артикул: 6655876, LEVER fork - W/Ref. 4-7
Подробнее >
ДВИГАТЕЛЬ, ЕГО ЧАСТИ

ДВИГАТЕЛЬ, ЕГО ЧАСТИ

1Артикул: 85D8, NUT, 5
2Артикул: 6700541, MOUNT
3Артикул: STARTER, STARTER See Illustration STARTER/ D2119
Подробнее >
ПЛЕЧО КОРОМЫСЛА КЛАПАНА

ПЛЕЧО КОРОМЫСЛА КЛАПАНА

1Артикул: 6655173, VALVE inlet
2Артикул: 6655174, VALVE exhaust
3Артикул: 3974514, SPRING 5 valve
Подробнее >
ТАБЛИЧКА РЕГУЛЯТОРА СКОРОСТИ

ТАБЛИЧКА РЕГУЛЯТОРА СКОРОСТИ

1Артикул: 3974970, BOLT adjusting
2Артикул: 3974971, NUT
3Артикул: 3974972, GASKET
Подробнее >
ВОЗДУШНЫЙ ФИЛЬТР

ВОЗДУШНЫЙ ФИЛЬТР

1Артикул: AIR, AIR CLEANER NLA - W/ 1.5 in. EVACUATOR VALVE - Ref. 4-10, 13, 14 & 18 - Order Ref. 2 W/ 1.5 in. Evacuator Valve
2Артикул: 6700711, AIR CLEANER W/ 1.5 in. Evacuator Valve - Ref. 4, 7, 8, 10 & 13 - 18 - Was 6661400 - A
3Артикул: AIR, AIR CLEANER NLA - W/ 2 in. Evacuator Valve - Ref. 4 - 8 & 11 - 14 - Order 6661400 Air Cleaner - Was 6653506 - A
Подробнее >
ВОДЯНОЙ ФЛАНЕЦ И ТЕРМОСТАТ

ВОДЯНОЙ ФЛАНЕЦ И ТЕРМОСТАТ

1Артикул: 6655880, PIPE water return
2Артикул: 3974988, PIPE water return
3Артикул: 3974679, BAND pipe
Подробнее >
ПОРШНИ И КОЛЕНВАЛ

ПОРШНИ И КОЛЕНВАЛ

1Артикул: PISTON, PISTON NLA - Std. - Order 6689595 piston and 2 of 6686997 cir-clip - Was 6655177 - A
2Артикул: PISTON, PISTON NLA - (0,5 mm - .0197) - Order 6689744 piston and 2 of 6686997 cir-clip - Was 6657695 - A
3Артикул: 6678075, RINGS piston - Std. - Was 6655178 - A
Подробнее >