ЗАПЧАСТИ ДВИГАТЕЛЯ в Алматы
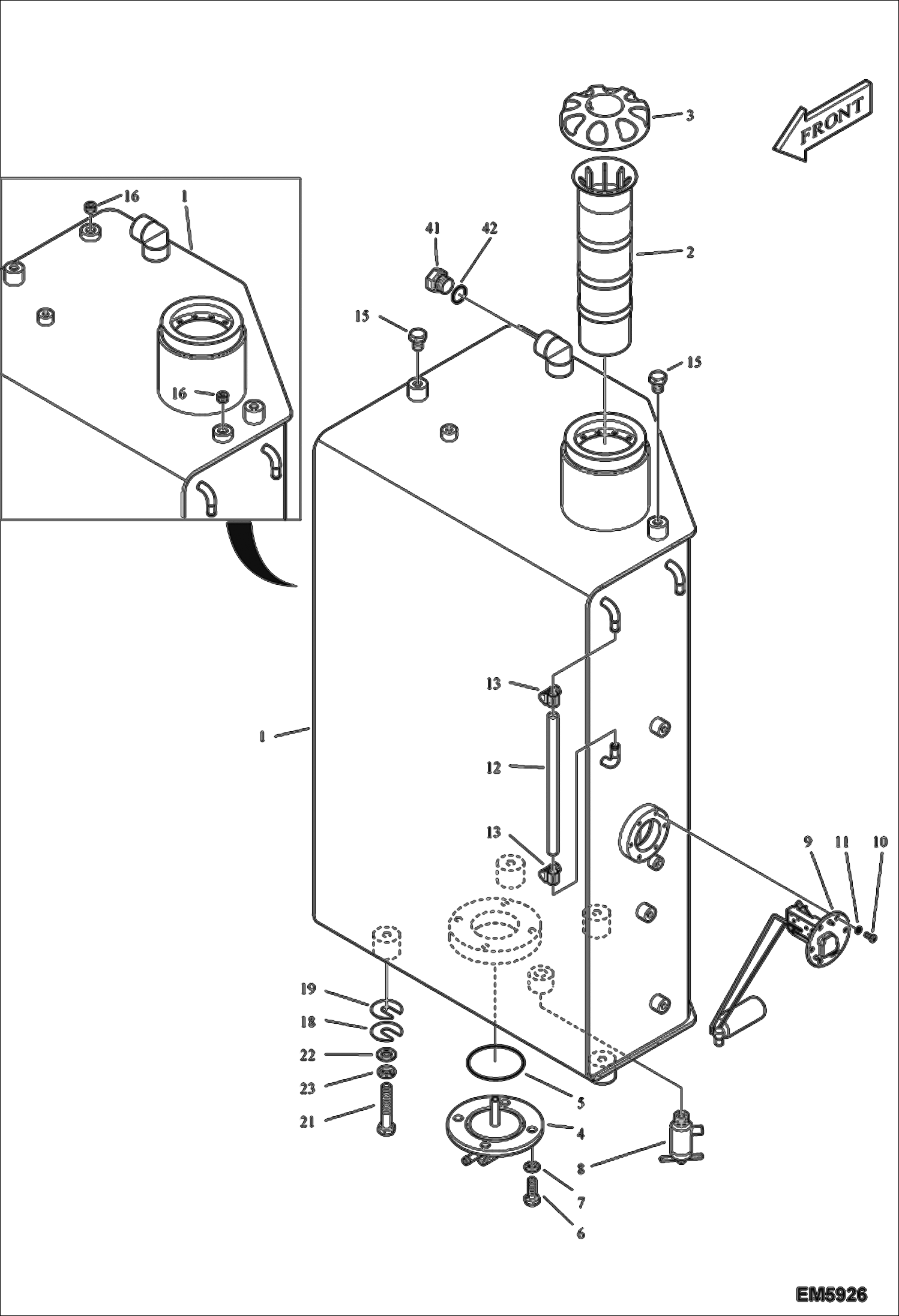
СИСТЕМА ПОДАЧИ ТОПЛИВА (БАК)
1Артикул: TANK,FUEL, TANK,FUEL NLA - Was 7018198 - A
2Артикул: TANK,, TANK, FUEL NLA - Was 7012252
3Артикул: TANK,, TANK, FUEL NLA - Was 7023690 - A
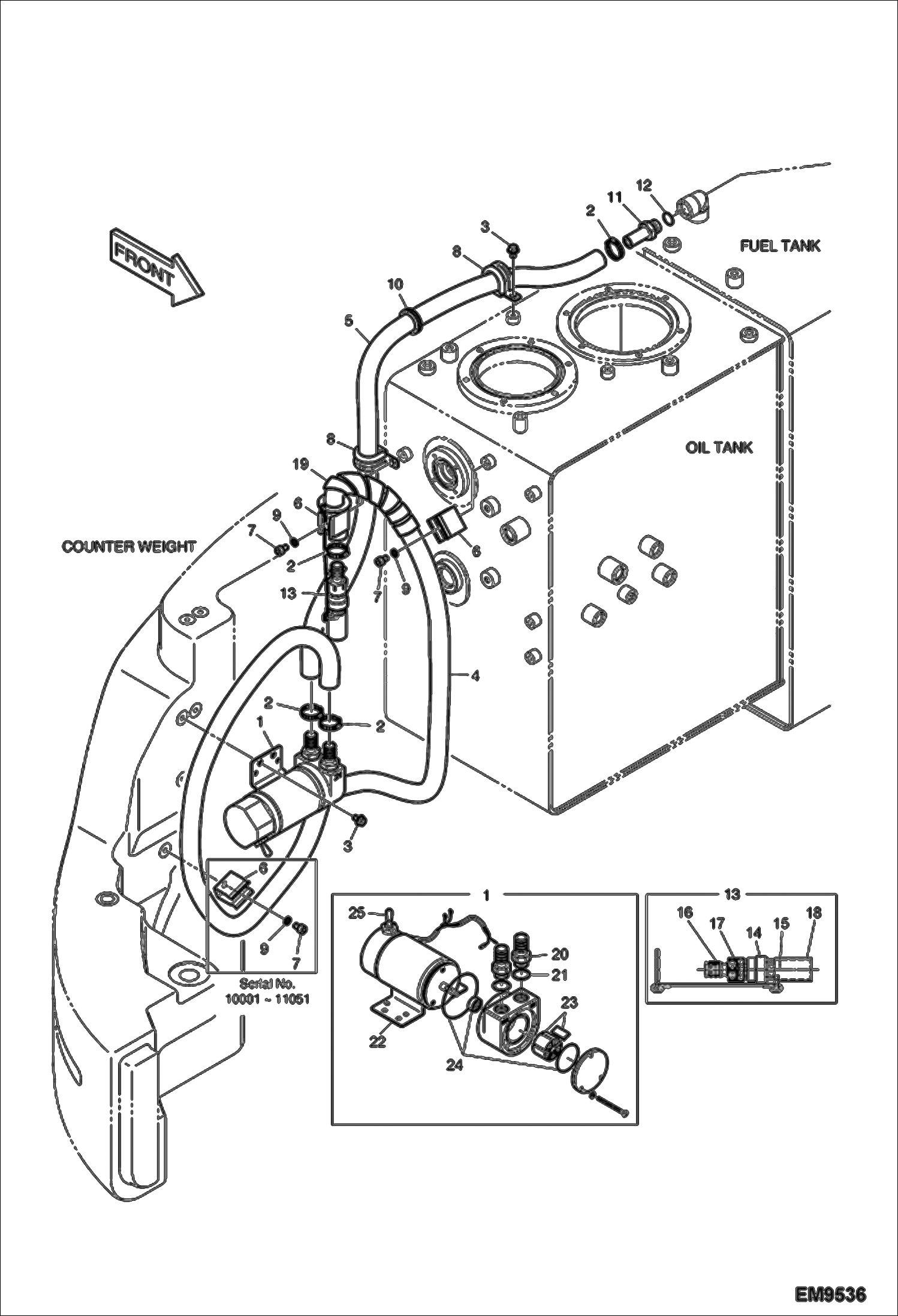
СИСТЕМА ПОДАЧИ ТОПЛИВА (ШЛАНГИ)
1Артикул: 7005528, HOSE FUEL
2Артикул: 7005535, HOSE FUEL
3Артикул: 7005537, HOSE FUEL
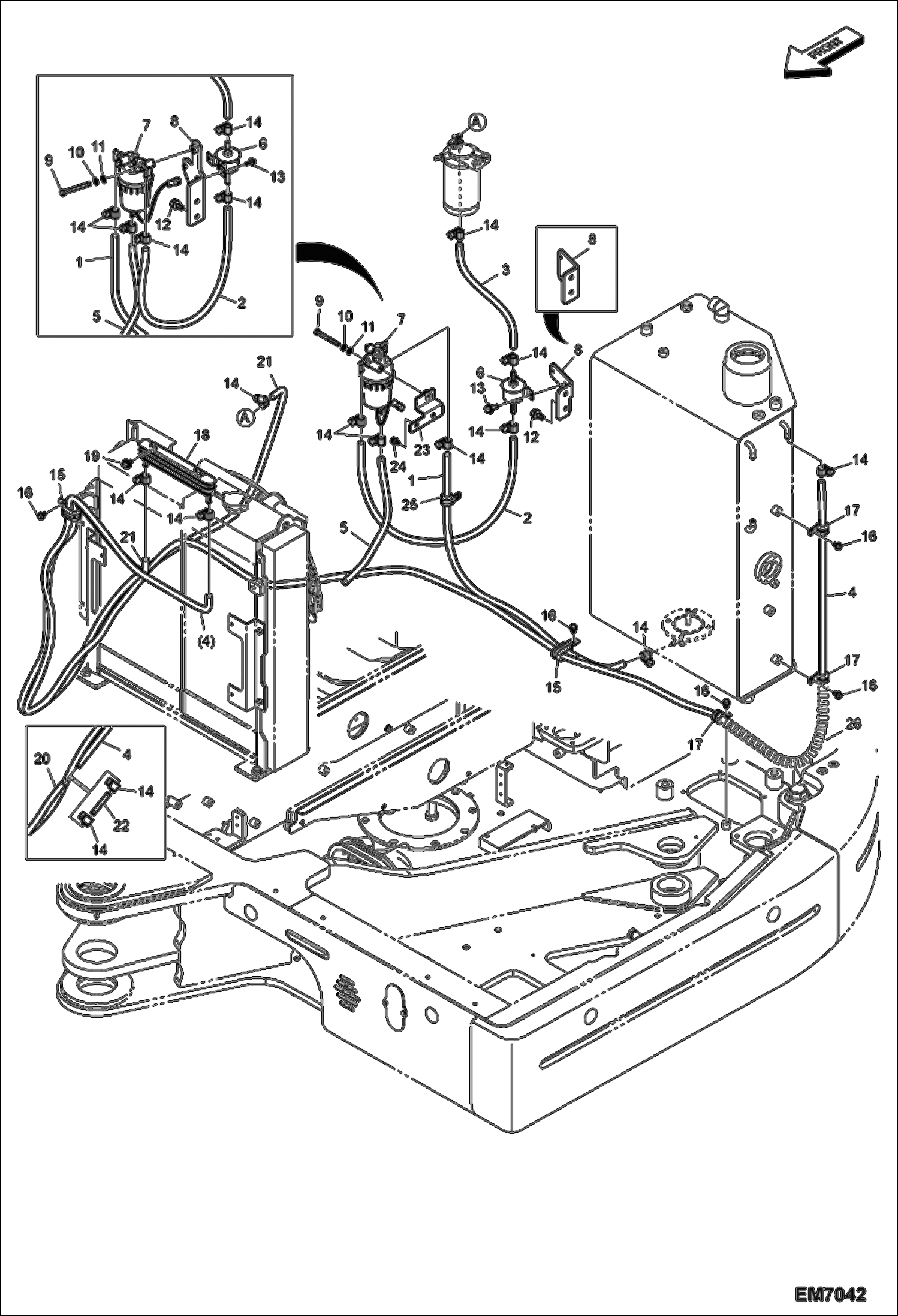
ДВИГАТЕЛЬ И КРЕПЕЖНЫЕ ДЕТАЛИ (РАДИАТОР)
1Артикул: RADIATOR, RADIATOR ASSY NLA - W/Ref. 2-14 - Was 7008220 - A
2Артикул: RADIATOR, RADIATOR ASSY NLA - W/Ref. 2-14 - Was 7012250 - A
3Артикул: COOLING, COOLING ASSY See Illustration ENGINE & ATTACHING PARTS/ E80-1120 NLA - W/Ref. 2-14 - Order 7274754 radiator water exchanger, 7256297 formed water hose, 7256298 formed water hose, 7004687 adapter, 7274755 hose & 7005175 hose - Was 7012756 - A
ДВИГАТЕЛЬ, ЕГО ЧАСТИ
1Артикул: 7006636, BRACKET ENGINE MOUNT
2Артикул: 7005820, BRACKET ENGINE MOUNT
3Артикул: 7005822, BRACKET ENGINE MOUNT
РЕДУКТОР
1Артикул: 7007851, PIN PARALLEL
2Артикул: 7007163, HOUSING GEAR
3Артикул: 7005075, PUMP OIL ASSY
ГОЛОВКА ЦИЛИНДРА, КЛАПАН И КОРОМЫСЛО КЛАПАНА И КРЫШКА
1Артикул: 7007382, LIFTER ENGINE
2Артикул: 7007385, LIFTER ENGINE
3Артикул: 7004086, BOLT PLATED M8X16
КОЛЛЕКТОР (ВЫХЛОПНОЙ КОЛЛЕКТОР)
1Артикул: 7007111, MANIFOLD EXHAUST ASSY W/Ref. 2-3
2Артикул: 7007110, MANIFOLD EXHAUST
3Артикул: 7007101, STUD BOLT M8X20
КОЛЕНЧАТЫЙ ВАЛ
1Артикул: 7005071, SHAFT CRANK ASSY W/Ref. 3-6
2Артикул: 7005070, GEAR CRANK SHAFT
3Артикул: 7005102, PIN PARALLEL
ДВИГАТЕЛЬ И КРЕПЕЖНЫЕ ДЕТАЛИ (ОПОРА НАСОСА)
1Артикул: 7006097, COVER PUMP
2Артикул: 7004963, PUMP ASSY See Illustration HYDRAULIC PUMP/ E80-4100
3Артикул: 7006098, COUPLER
КАРТЕР ДВИГАТЕЛЯ
1Артикул: 7007193, BLOCK CYLINDER ASSY W/Ref. 4-24
2Артикул: 7004296, PLUG
3Артикул: 7004292, PLUG
КОМПЛЕКТ ПРОКЛАДОК ДВИГАТЕЛЯ
1Артикул: KIT,, KIT, GASKET NLA - Ref. 2-33 - Order 7276577 kit - Was 7007197 - A
2Артикул: 7276577, KIT, GASKET Ref. 2-33
3Артикул: 7006837, GASKET CYLINDER HEAD
МАСЛЯНЫЙ ФИЛЬТР И КАМЕРА ОХЛАЖДЕНИЯ
1Артикул: 7028928, OIL COOLER
2Артикул: 7029245, O-RING
3Артикул: 7029429, STUD
ЩУП ДЛЯ ПРОВЕРКИ УРОВНЯ МАСЛА И ФИЛЬТР
1Артикул: 7004418, GUIDE OIL GAUGE
2Артикул: 7006843, DIPSTICK
3Артикул: 7005113, STUD OIL FILTER
ТАБЛИЧКА РЕГУЛЯТОРА СКОРОСТИ
1Артикул: 7007198, PUMP INJECTION ASSY W/Ref. 9-134
2Артикул: KEY, KEY NSS - Was 7007165 - D
3Артикул: STOP, STOP NSS - Was 7006912 - D
РЕГУЛЯТОР ОБОРОТОВ
1Артикул: 7006844, SEAL HOUSING
2Артикул: 7023334, ACTUATOR Ref. 4-18 & 20 - Was 7007137 - A
3Артикул: 7007136, HOUSING GOVERNOR
ТОПЛИВНЫЙ РАСПРЕДЕЛИТЕЛЬНЫЙ ВАЛ
1Артикул: 7004419, TAPPET
2Артикул: 7005069, ROD PUSH
3Артикул: 7007105, CAMSHAFT ASSY W/Ref. 4-7
ТОПЛИВНАЯ СИСТЕМА И НАСОС ВПРЫСКА И ФОРСУНКИ
1Артикул: 7007196, INJECTOR ASSYFUEL W/Ref. 2-13
2Артикул: 7004147, NUT
3Артикул: 7007129, NOZZLE HOLDER ASSY
ДВИГАТЕЛЬ И КРЕПЕЖНЫЕ ДЕТАЛИ (ОПОРНЫЙ УЗЕЛ РАДИАТОРА)
1Артикул: RADIATOR, RADIATOR ASSY See Illustration ENGINE & ATTACHING PARTS/ E80-1130 - NLA - Order 7274754 radiator water exchanger, Ref. 18 (7256297 formed water hose), Ref. 19 (7256298 formed water hose), 7004687 adapter, 7274755 hose & 7005175 hose - Was 7008220 - A
2Артикул: RADIATOR, RADIATOR ASSY See Illustration ENGINE & ATTACHING PARTS/ E80-1130 - NLA - Order 7274754 radiator water exchanger, Ref. 18 (7256297 formed water hose), Ref. 19 (7256298 formed water hose), 7004687 adapter, 7274755 hose & 7005175 hose - Was 7012250 - A
3Артикул: COOLING, COOLING ASSY See Illustration ENGINE & ATTACHING PARTS/ E80-1130 - NLA - Order 7274754 radiator water exchanger, Ref. 18 (7256297 formed water hose), Ref. 19 (7256298 formed water hose), 7004687 adapter, 7274755 hose & 7005175 hose - Was 7012756 - A
ДВИГАТЕЛЬ И КРЕПЕЖНЫЕ ДЕТАЛИ (ВОЗДУХООЧИСТИТЕЛЬ)
1Артикул: 7006196, FILTER AIR CLEANER
2Артикул: 7006132, BRACKET
3Артикул: 7003891, CLAMP
ТОПЛИВОПЕРЕКАЧИВАЮЩИЙ НАСОС И ОБРАТНЫЙ КЛАПАН (НАСОС ЗАЛИВНОЙ ГОРЛОВИНЫ)
1Артикул: 7006285, PUMP FUEL FILLER Ref. 20-25
2Артикул: 7008303, CLAMP, HOSE
3Артикул: 7005629, BOLT
СИСТЕМА ПОДАЧИ ТОПЛИВА (НАСОС И ФИЛЬТРЫ)
1Артикул: 7006897, BRACKET
2Артикул: 7010351, FILTER, FUEL Was 7029016 - D
3Артикул: 7004088, BOLT M8X30
ДВИГАТЕЛЬ И КРЕПЕЖНЫЕ ДЕТАЛИ (КРОНШТЕЙН ГЛУШИТЕЛЯ) (NA)
1Артикул: 7012732, MUFFLER
2Артикул: TUBELINE,, TUBELINE, EXHAUST NLA - Was 7015425 - A
3Артикул: 7012754, PIPE,EXHAUST Was 7022839 - A
ВОДЯНАЯ ПОМПА И ТЕРМОСТАТ
1Артикул: 7007120, PUMP WATER ASSY
2Артикул: 7004217, GASKET
3Артикул: 7004078, BOLT M6X30
ДВИГАТЕЛЬ И КРЕПЕЖНЫЕ ДЕТАЛИ (КРОНШТЕЙН ГЛУШИТЕЛЯ) (EMEA)
1Артикул: 7006335, TUBELINE WATER
2Артикул: 7006353, TUBELINE EXHAUST
3Артикул: 7008262, MAT, GLASS
КОЛЛЕКТОР (ВХОДНОЕ ОТВЕРСТИЕ)
1Артикул: 7005066, SEAL INTAKE MANIFOLD
2Артикул: 7007109, MANIFOLD INTAKE ASSY W/Ref. 3- 4
3Артикул: 7007108, MANIFOLD INTAKE
ПОДДОН КАРТЕРА И КАРТЕР МАХОВИКА
1Артикул: 7007851, PIN PARALLEL
2Артикул: 7004425, HOUSING FLYWHEEL
3Артикул: 7004421, CAP FLYWHEEL COVER