+7 (701) 588 50 05 Телефон для связи
RU

WhatsApp

Позвонить

ЗАПЧАСТИ ДВИГАТЕЛЯ в Алматы

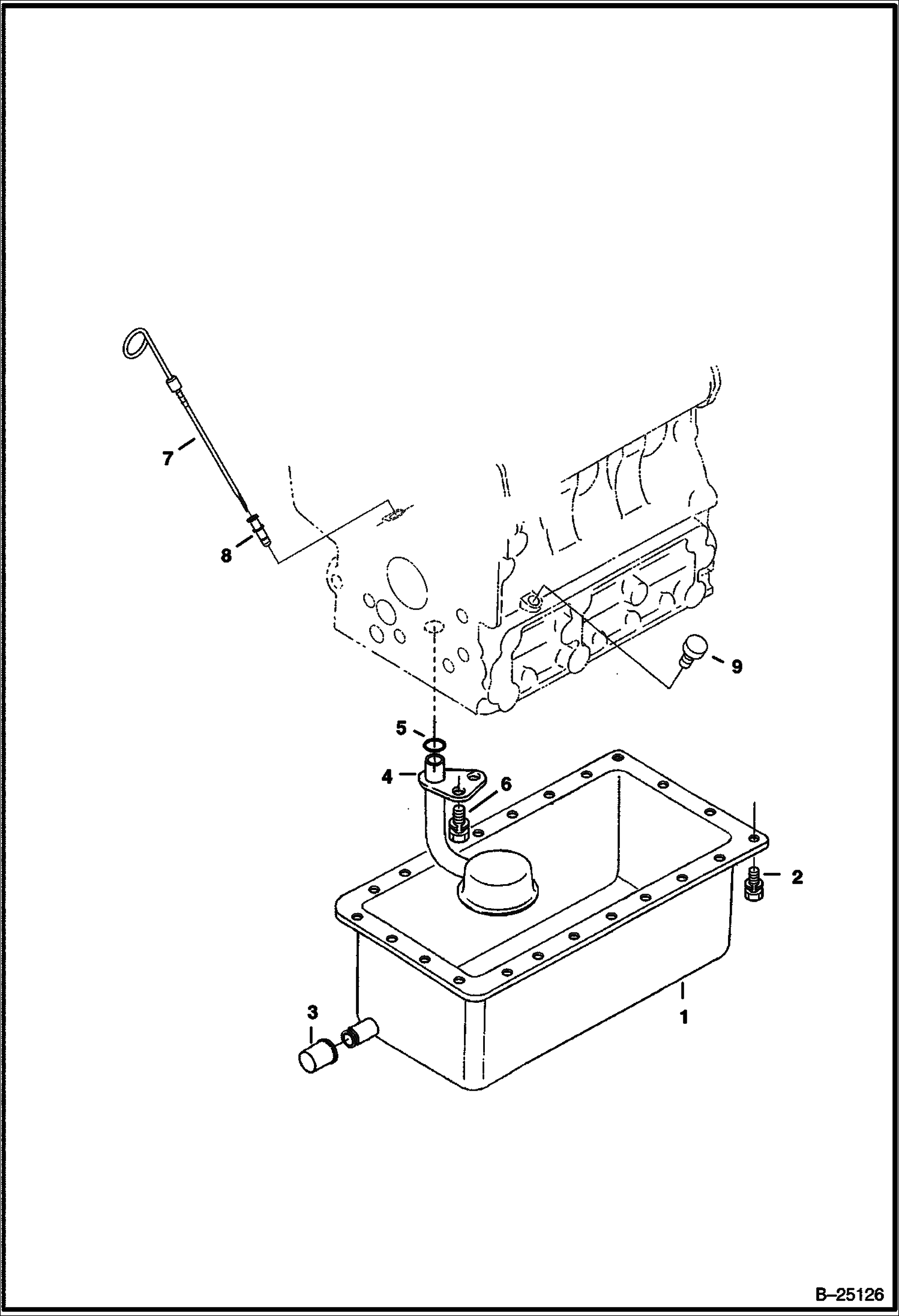
МАСЛЯНЫЙ ПОДДОН

МАСЛЯНЫЙ ПОДДОН

1Артикул: 6688056, OIL PAN
2Артикул: 1CM614, SCREW Was 4CM614 - A
3Артикул: 6687741, PLUG
Подробнее >
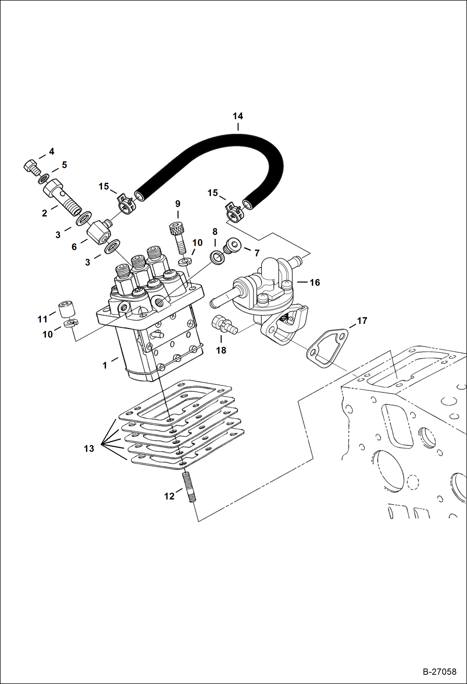
ТОПЛИВНАЯ СИСТЕМА И НАСОС ВПРЫСКА

ТОПЛИВНАЯ СИСТЕМА И НАСОС ВПРЫСКА

1Артикул: 6670432, PUMP, FUEL INJ W/Ref. 2-8
2Артикул: 6670432REM, PUMP, FUEL INJ. KUBOTA D722 W/Ref. 2-8
3Артикул: 6670444, SCREW
Подробнее >
ПОРШНИ И КОЛЕНВАЛ

ПОРШНИ И КОЛЕНВАЛ

1Артикул: 7000376, PISTON, ENG std. - piston only - (16851-2111) - Was 6670393
2Артикул: 6670394, PISTON +0.25mm
3Артикул: 6670395, RING ASSY piston - std - for 1 piston
Подробнее >
КРЕПЕЖНЫЕ ДЕТАЛИ (ВОЗДУХООЧИСТИТЕЛЬ, ГЛУШИТЕЛЬ, КРЕПЛЕНИЕ ДВИГАТЕЛЯ)

КРЕПЕЖНЫЕ ДЕТАЛИ (ВОЗДУХООЧИСТИТЕЛЬ, ГЛУШИТЕЛЬ, КРЕПЛЕНИЕ ДВИГАТЕЛЯ)

1Артикул: 872229, WASHER
2Артикул: 6505813, CONNECTOR
3Артикул: 6515007, GAUGE
Подробнее >
ДВИГАТЕЛЬ И КОМПЛЕКТ ПРОКЛАДОК

ДВИГАТЕЛЬ И КОМПЛЕКТ ПРОКЛАДОК

1Артикул: 6692565, ENGINE, D722-E3B-BC-5
2Артикул: 6692565REM, ENGINE, D722-E3B-BC-5
3Артикул: 7266047, KIT, GASKET ENG UPPER See Illustration UPPER GASKET KIT/ B27050 Was 7000504 - A
Подробнее >
ВОЗДУШНЫЙ ФИЛЬТР

ВОЗДУШНЫЙ ФИЛЬТР

1Артикул: 6675529, FILTER assy - W/Ref. 2-7
2Артикул: HOUSING, HOUSING NSS - Order Ref. 1
3Артикул: 6673753, FILTER, AIR INNER
Подробнее >
КОЛЛЕКТОР

КОЛЛЕКТОР

1Артикул: 6688062, MANIFOLD intake - W/Ref. 2 & 10
2Артикул: 6670535, GASKET
3Артикул: 3974289, STUD
Подробнее >
ГОЛОВКА БЛОКА ЦИЛИНДРОВ

ГОЛОВКА БЛОКА ЦИЛИНДРОВ

1Артикул: 6698144, HEAD, CYLINDER NLA - W/Ref. 2-8 - Order 7245959 & 7245960 - Was 6698144 - A
2Артикул: 7015472, HEAD ASSY W/Ref. 2-8 - Was 7016959 - A
3Артикул: 7245960, HEAD CYLINDER ENGINE
Подробнее >
РЕГУЛЯТОР ОБОРОТОВ

РЕГУЛЯТОР ОБОРОТОВ

1Артикул: 6698154, LEVER, GOVERNOR governor
2Артикул: 6688084, FORK W/Ref. 3-6, 8-12 & 14
3Артикул: SET, SET SCREW NLA - Order Ref. 2 - Was 7016960 - A
Подробнее >
КРЫШКА КОРОМЫСЛА КЛАПАНА

КРЫШКА КОРОМЫСЛА КЛАПАНА

1Артикул: 6688061, TUBE
2Артикул: 6687664, CLAMP
3Артикул: 6688064, COVER valve - W/Ref. 4-8
Подробнее >
ФОРСУНКИ

ФОРСУНКИ

1Артикул: 6670463, PIPE injector return
2Артикул: 6670464, HOSE overflow - W/Ref. 3
3Артикул: 6654718, CLAMP
Подробнее >
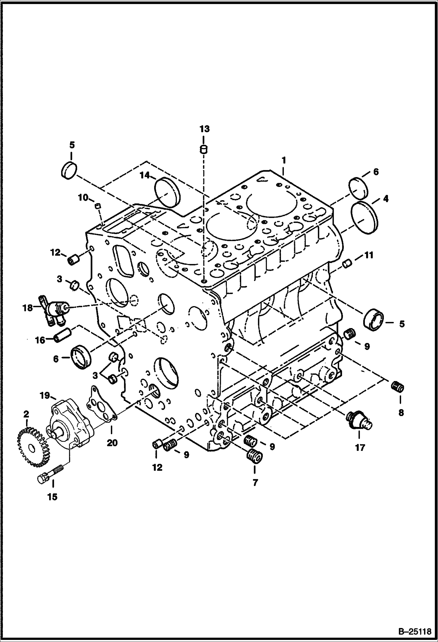
КАРТЕР ДВИГАТЕЛЯ

КАРТЕР ДВИГАТЕЛЯ

1Артикул: 7000379, BLOCK ENGINE W/Ref. 2-14
2Артикул: 7025614, BLOCK, ENG W/Ref. 2-14
3Артикул: GEAR, GEAR NSS - Order complete pump Ref. 19
Подробнее >
ДВИГАТЕЛЬ И КРЕПЕЖНЫЕ ДЕТАЛИ (ТЕПЛООБМЕННИК РАДИАТОРА)

ДВИГАТЕЛЬ И КРЕПЕЖНЫЕ ДЕТАЛИ (ТЕПЛООБМЕННИК РАДИАТОРА)

1Артикул: 6513679, VALVE
2Артикул: 6557831, WASHER
3Артикул: ALTERNATOR,, ALTERNATOR, 40 AMP See Illustration ALTERNATOR/ C3456
Подробнее >
РЕГУЛЯТОР СКОРОСТИ И СТОПОРНАЯ РУКОЯТКА

РЕГУЛЯТОР СКОРОСТИ И СТОПОРНАЯ РУКОЯТКА

1Артикул: 6670424, IDLE ASSY Ref. 2-7
2Артикул: BOLT, BOLT NSS
3Артикул: SPRING, SPRING NSS
Подробнее >
ТОПЛИВНАЯ СИСТЕМА

ТОПЛИВНАЯ СИСТЕМА

1Артикул: HOSE, HOSE NLA - 31.5-- (800 mm) long - Order Ref. 40
2Артикул: 6624289, STRAP, TIE
3Артикул: 6698505, CAP, FUEL DIESEL W/plastic tether - Also Order 6665321 male & 6665322 female rivet
Подробнее >
КОМПЛЕКТ ПРОКЛАДОК ВЕРХНЕЙ ЧАСТИ

КОМПЛЕКТ ПРОКЛАДОК ВЕРХНЕЙ ЧАСТИ

1Артикул: 7000504, KIT GASKET W/Ref. 2-12 - Was 7000504 - A
2Артикул: 6688065, GASKET See Illustration ROCKER ARM & VALVES/ B25124 - valve cover
3Артикул: 6683009, O-RING See Illustration ROCKER ARM & VALVES/ B25124 - oil fill plug
Подробнее >
КОМПЛЕКТ НИЖНИХ ПРОКЛАДОК

КОМПЛЕКТ НИЖНИХ ПРОКЛАДОК

1Артикул: 7000446, KIT, GASKET ENG LOWER Ref. 2-16 & 18-21
2Артикул: 6670457, GASKET See Illustration SPEED CONTROL & STOP LEVER/ B27057 speed control plate
3Артикул: 7000382, GASKET, GEARCASE See Illustration GEARCASE/ B27075 - Was 7000394 - B,D
Подробнее >
ВОДЯНАЯ ПОМПА

ВОДЯНАЯ ПОМПА

1Артикул: 7286726, PUMP, WATER Was 7017981 - A
2Артикул: FLANGE, FLANGE NSS - Order Ref. 1 - Was 6599062 - A
3Артикул: BEARING, BEARING - A
Подробнее >
КОРОМЫСЛО КЛАПАНА И КЛАПАНЫ

КОРОМЫСЛО КЛАПАНА И КЛАПАНЫ

1Артикул: 6698162, VALVE, INLET
2Артикул: 6698163, VALVE, EXHAUST
3Артикул: 6670513, SPRING
Подробнее >
РАСПРЕДВАЛ

РАСПРЕДВАЛ

1Артикул: 6698148, CAMSHAFT W/Ref. 2-4
2Артикул: 6670386, GEAR
3Артикул: 6670387, STOPPER
Подробнее >
ВОДЯНОЙ ФЛАНЕЦ И ТЕРМОСТАТ

ВОДЯНОЙ ФЛАНЕЦ И ТЕРМОСТАТ

1Артикул: 6670499, FLANGE
2Артикул: 6670785, PIPE
3Артикул: 6670500, GASKET
Подробнее >
ТОПЛИВНЫЙ РАСПРЕДЕЛИТЕЛЬНЫЙ ВАЛ

ТОПЛИВНЫЙ РАСПРЕДЕЛИТЕЛЬНЫЙ ВАЛ

1Артикул: 6670416, CAMSHAFT, FUEL assy - W/Ref. 2, 4-7, 9, 12 & 13
2Артикул: 6670417, CAMSHAFT, FUEL camshaft only
3Артикул: 6670418, GEAR
Подробнее >
РЕДУКТОР

РЕДУКТОР

1Артикул: 7000445, HOUSING, GEAR ASSY W/Ref. 2-7
2Артикул: 6652575, PLUG
3Артикул: 6670355, PIN
Подробнее >
ДЕРЖАТЕЛЬ ФОРСУНКИ

ДЕРЖАТЕЛЬ ФОРСУНКИ

1Артикул: NOZZLE, NOZZLE HOLDER NLA - Ref. 2-11 - Order 7012004 nozzle holder & Ref. 2 - Was 6670465 - A
2Артикул: 6670465REM, NOZZLE, FUEL INJ. KUBOTA D722 Ref. 2-11
3Артикул: 6657460, NUT
Подробнее >