+7 (701) 588 50 05 Телефон для связи
RU

WhatsApp

Позвонить

ЗАПЧАСТИ ДВИГАТЕЛЯ в Алматы

ВОДЯНАЯ ПОМПА

ВОДЯНАЯ ПОМПА

1Артикул: 6680278, WATER PUMP W/Ref. 2 - 6
2Артикул: 6680279, FLANGE
3Артикул: BEARING, BEARING NSS - Order Ref. 1
Подробнее >
ТОПЛИВНЫЙ РАСПРЕДЕЛИТЕЛЬНЫЙ ВАЛ

ТОПЛИВНЫЙ РАСПРЕДЕЛИТЕЛЬНЫЙ ВАЛ

1Артикул: 6672379, CAMSHAFT fuel
2Артикул: 6686175, BEARING
3Артикул: 6686176, BEARING
Подробнее >
ДЕРЖАТЕЛЬ ФОРСУНКИ

ДЕРЖАТЕЛЬ ФОРСУНКИ

1Артикул: 6687911, HOLDER Ref. 2-13
2Артикул: NOZZLE, NOZZLE FUEL INJECTION NLA - Use 6687911 - Was 6687911REM - A
3Артикул: 6672408, NUT
Подробнее >
ДВИГАТЕЛЬ И КРЕПЕЖНЫЕ ДЕТАЛИ (ТЕПЛООБМЕННИК РАДИАТОРА)

ДВИГАТЕЛЬ И КРЕПЕЖНЫЕ ДЕТАЛИ (ТЕПЛООБМЕННИК РАДИАТОРА)

1Артикул: 6810133, GROMMET
2Артикул: 7197401, PLUG, RADIATOR
3Артикул: 5HM16, CLAMP
Подробнее >
НАСОС ВПРЫСКА И ТОПЛИВНЫЙ НАСОС

НАСОС ВПРЫСКА И ТОПЛИВНЫЙ НАСОС

1Артикул: 6672389, INJECTION PUMP
2Артикул: 6672389REM, PUMP, FUEL INJ. KUBOTA D1105
3Артикул: 6672388, TUBE
Подробнее >
ФОРСУНКИ

ФОРСУНКИ

1Артикул: 6672404, PIPE ASSY
2Артикул: 6657446, SCREW
3Артикул: 3974972, GASKET
Подробнее >
ХОЛОСТОЙ ХОД АППАРАТА И СОЛЕНОИД ОСТАНОВА

ХОЛОСТОЙ ХОД АППАРАТА И СОЛЕНОИД ОСТАНОВА

1Артикул: 6681683, ASSEMBLY IDLE W/Ref. 2-6
2Артикул: 6657608, ASSY BOLT W/Ref. 3, 12-13
3Артикул: 6657459, NUT
Подробнее >
ДВИГАТЕЛЬ И КРЕПЕЖНЫЕ ДЕТАЛИ (СИСТЕМА ПОДАЧИ ТОПЛИВА)

ДВИГАТЕЛЬ И КРЕПЕЖНЫЕ ДЕТАЛИ (СИСТЕМА ПОДАЧИ ТОПЛИВА)

1Артикул: 6578278, PAD
2Артикул: 6624289, STRAP, TIE
3Артикул: 6657734, PUMP, PRIMER HAND barbed fittings for 6,35 mm (.25--) ID hose - barbed fittings for 6,35 mm (.25--) ID hose - A
Подробнее >
ДВИГАТЕЛЬ, ЕГО ЧАСТИ

ДВИГАТЕЛЬ, ЕГО ЧАСТИ

1Артикул: STARTER, STARTER See Illustration STARTER/ D2437
2Артикул: 6670757, COUPLER
3Артикул: 6688994, MOUNT
Подробнее >
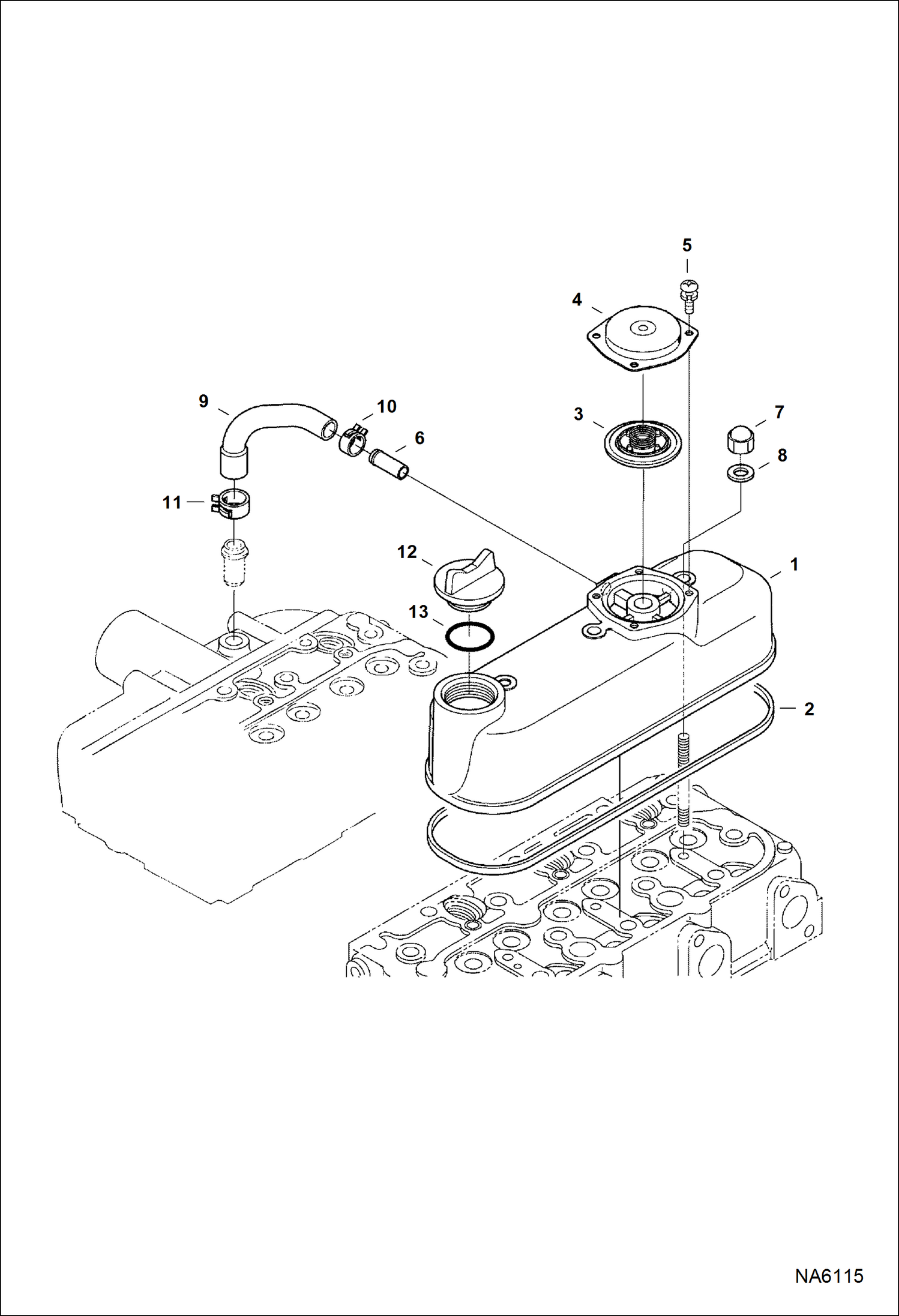
КРЫШКА КОРОМЫСЛА КЛАПАНА

КРЫШКА КОРОМЫСЛА КЛАПАНА

1Артикул: 6686166, COVER W/Ref. 2-6
2Артикул: 6672365, GASKET Was 7207541 - A
3Артикул: 6685087, VALVE
Подробнее >
ГОЛОВКА БЛОКА ЦИЛИНДРОВ

ГОЛОВКА БЛОКА ЦИЛИНДРОВ

1Артикул: 3974882, HOOK
2Артикул: 6667420, BOLT
3Артикул: 6686172, CYLINDER HEAD W/Ref. 4 -8
Подробнее >
РЕГУЛЯТОР ОБОРОТОВ

РЕГУЛЯТОР ОБОРОТОВ

1Артикул: 6672397, SPRING
2Артикул: 6691319, SPRING
3Артикул: 7022686, LEVER, FORK ASSY W/Ref. 4 - 17
Подробнее >
ВОЗДУШНЫЙ ФИЛЬТР

ВОЗДУШНЫЙ ФИЛЬТР

1Артикул: 6675529, FILTER assy - W/Ref. 2-8
2Артикул: HOUSING, HOUSING NSS - Order Ref. 1
3Артикул: 6673753, FILTER, AIR INNER
Подробнее >
КОРОМЫСЛО КЛАПАНА И КЛАПАНЫ

КОРОМЫСЛО КЛАПАНА И КЛАПАНЫ

1Артикул: 6657495, VALVE intake
2Артикул: 6657496, VALVE exhaust
3Артикул: 6657630, SPRING
Подробнее >
ДВИГАТЕЛЬ И КРЕПЕЖНЫЕ ДЕТАЛИ (ВОЗДУХООЧИСТИТЕЛЬ И ГЛУШИТЕЛЬ)

ДВИГАТЕЛЬ И КРЕПЕЖНЫЕ ДЕТАЛИ (ВОЗДУХООЧИСТИТЕЛЬ И ГЛУШИТЕЛЬ)

1Артикул: 7194159, GASKET
2Артикул: 7194194, MUFFLER, EXHAUST
3Артикул: 6661062, PLUG
Подробнее >
РЕДУКТОР

РЕДУКТОР

1Артикул: 6692540, COMP. CASE, GEAR W/Ref. 2-13
2Артикул: 6672360, PLUG
3Артикул: 6652597, ADAPTER
Подробнее >
ТАБЛИЧКА РЕГУЛЯТОРА СКОРОСТИ

ТАБЛИЧКА РЕГУЛЯТОРА СКОРОСТИ

1Артикул: 6680501, PLATE ASSY W/Ref. 2-12
2Артикул: 6657655, LEVER
3Артикул: 6657577, LEVER
Подробнее >
КОМПЛЕКТЫ ПРОКЛАДОК ДВИГАТЕЛЯ

КОМПЛЕКТЫ ПРОКЛАДОК ДВИГАТЕЛЯ

1Артикул: 6696964, ENG, D1105 20.8 HP EPA TIER 2 - EU STAGE II
2Артикул: KIT,, KIT, GASKET ENG UPPER NLA - Order individual components
3Артикул: KIT,, KIT, GASKET ENG LOWER NLA - Order individual components
Подробнее >
ПОРШНИ И КОЛЕНВАЛ

ПОРШНИ И КОЛЕНВАЛ

1Артикул: 6698613, PISTON, ENG std (16060-2111)
2Артикул: 6689940, PISTON +0,50 mm (16060-2111 OS50)
3Артикул: 6680494, RING ASSY std
Подробнее >
МАСЛЯНЫЙ ПОДДОН

МАСЛЯНЫЙ ПОДДОН

1Артикул: 7022681, PAN, OIL W/Ref. 2 & 3
2Артикул: 6680483, PLUG
3Артикул: 6691295, GASKET
Подробнее >
ВОДЯНОЙ ФЛАНЕЦ И ТЕРМОСТАТ

ВОДЯНОЙ ФЛАНЕЦ И ТЕРМОСТАТ

1Артикул: 6672482, FLANGE W/Ref. 2
2Артикул: 6670785, PIPE
3Артикул: 6657583, GASKET
Подробнее >
РАСПРЕДВАЛ

РАСПРЕДВАЛ

1Артикул: 6691307, TAPPET
2Артикул: 6657515, PUSH ROD
3Артикул: 6969896, ASSY CAMSHAFT W/Ref. 4 - 7
Подробнее >
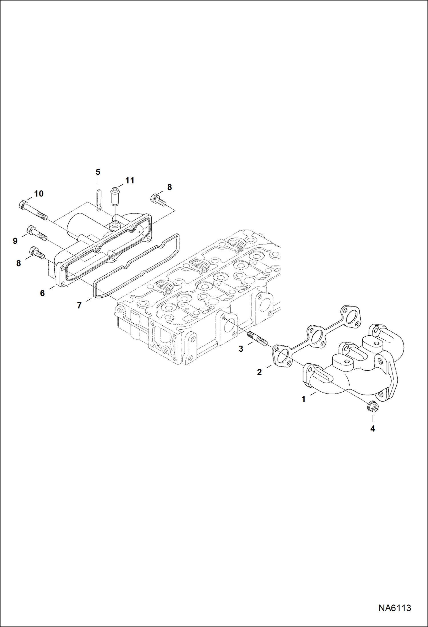
КОЛЛЕКТОР

КОЛЛЕКТОР

1Артикул: 7022689, MANIFOLD, EXHAUST exhaust
2Артикул: 6672441, GASKET
3Артикул: 6657590, STUD
Подробнее >
КАРТЕР ДВИГАТЕЛЯ

КАРТЕР ДВИГАТЕЛЯ

1Артикул: 7001441, BLOCK ENGINE W/Ref. 2 - 20
2Артикул: 6657431, CAP sealing
3Артикул: 3974433, PLUG sealing
Подробнее >