+7 (701) 588 50 05 Телефон для связи
RU

WhatsApp

Позвонить

ЗАПЧАСТИ ДВИГАТЕЛЯ в Алматы

ТОПЛИВНАЯ СИСТЕМА

ТОПЛИВНАЯ СИСТЕМА

1Артикул: 42HS04, CLAMP, HOSE Was 6515575 - A
2Артикул: HOSE, HOSE NLA - use 4.5-- of Ref. 35
3Артикул: HOSE, HOSE NLA - use 49-- of Ref. 35
Подробнее >
НАСОС ВПРЫСКА (KUBOTA - V2003T)

НАСОС ВПРЫСКА (KUBOTA - V2003T)

1Артикул: PUMP, PUMP NLA - injection - Order 7019022 pump, 7019023 bolt, 6513707 joint & (2) 7019024 gaskets - Was 6675656 - A
2Артикул: 6655207, PLATE adjust
3Артикул: 6655206, BOLT
Подробнее >
ПОДДОН КАРТЕРА (KUBOTA - V2003T)

ПОДДОН КАРТЕРА (KUBOTA - V2003T)

1Артикул: 6655151, PAN, OIL
2Артикул: 6666817, GASKET oil pan
3Артикул: 6653798, BOLT
Подробнее >
G КАРТЕР КОРОБКИ ПЕРЕДАЧ (KUBOTA - V2003T)

G КАРТЕР КОРОБКИ ПЕРЕДАЧ (KUBOTA - V2003T)

1Артикул: CASE, CASE ASSY. NLA - W/Ref. 3-7 & 29 - Order 6688640 & Ref. 4-7 & 29 - Was 6655479 - A
2Артикул: 6688640, HOUSING GEAR W/Ref. 3
3Артикул: 6675517, FILTER, OIL ENG 12
Подробнее >
ПЛЕЧО КОРОМЫСЛА КЛАПАНА (KUBOTA - V2003T)

ПЛЕЧО КОРОМЫСЛА КЛАПАНА (KUBOTA - V2003T)

1Артикул: 6655173, VALVE inlet
2Артикул: 7254420, VALVE, EXHAUST exhaust - Was 6675629 - A
3Артикул: 3974514, SPRING 5 valve
Подробнее >
ВОЗДУШНЫЙ ФИЛЬТР

ВОЗДУШНЫЙ ФИЛЬТР

1Артикул: 6676030, AIR CLEANER W/Ref. 2-7
2Артикул: TANK, TANK NLA - order Ref. 1
3Артикул: 6666375, FILTER, AIR OUTER
Подробнее >
КРЫШКА КОРОМЫСЛА КЛАПАНА (KUBOTA - V2003T)

КРЫШКА КОРОМЫСЛА КЛАПАНА (KUBOTA - V2003T)

1Артикул: 3974924, PLATE element
2Артикул: 3974925, PLATE element
3Артикул: 3974926, BREATHER breather
Подробнее >
РЕГУЛЯТОРА ОБОРОТОВ (KUBOTA - V2003T)

РЕГУЛЯТОРА ОБОРОТОВ (KUBOTA - V2003T)

1Артикул: 6598174, LEVER governor
2Артикул: 6655227, SPRING
3Артикул: 6675672, LEVER fork - W/Ref. 4-7 - Was 6675657 - A
Подробнее >
КОЛЛЕКТОРЫ (KUBOTA - V2003T)

КОЛЛЕКТОРЫ (KUBOTA - V2003T)

1Артикул: 6675674, MANIFOLD exhaust
2Артикул: GASKET, GASKET NLA - Order Ref. 10 & 11
3Артикул: 6652670, STUD
Подробнее >
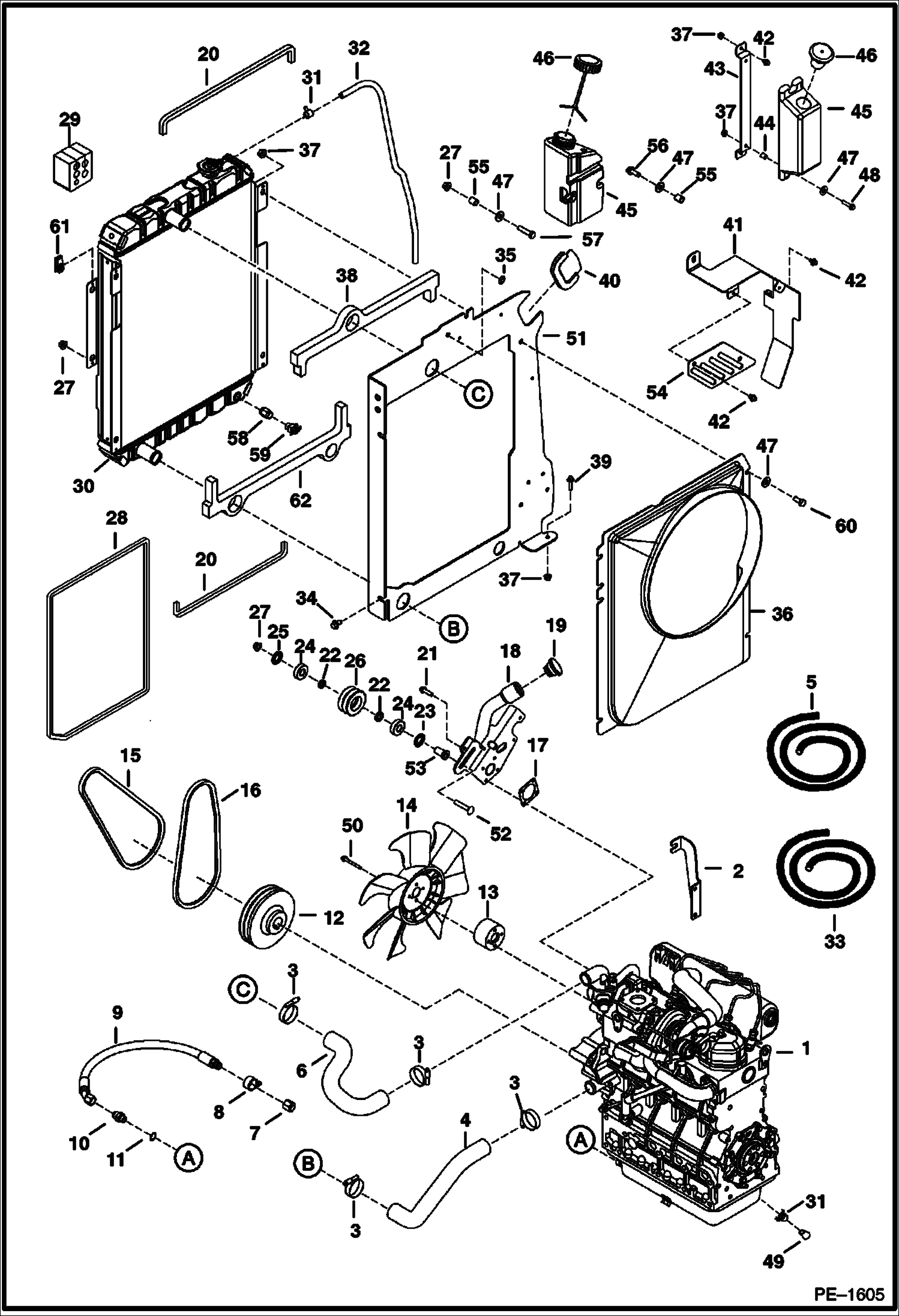
МАСЛЯНЫЙ РАДИАТОР (KUBOTA - V2003T) (СЕРИЙНЫЙ НОМЕР 2333 И НИЖЕ И 2332 И НИЖЕ)

МАСЛЯНЫЙ РАДИАТОР (KUBOTA - V2003T) (СЕРИЙНЫЙ НОМЕР 2333 И НИЖЕ И 2332 И НИЖЕ)

1Артикул: See, See Illustration OIL COOLER/ B17024 - NLA -Order 6731956 Oil Cooler Kit - Was 6675680 - A
2Артикул: 6698244, ORING Was 6657422 - B,D
3Артикул: 6675670, HOSE
Подробнее >
ГОЛОВКА ЦИЛИНДРА (KUBOTA - V2003T)

ГОЛОВКА ЦИЛИНДРА (KUBOTA - V2003T)

1Артикул: 6655152, HOOK engine
2Артикул: 6655160, PLUG
3Артикул: 1CM816, BOLT Was 4CM816 - A
Подробнее >
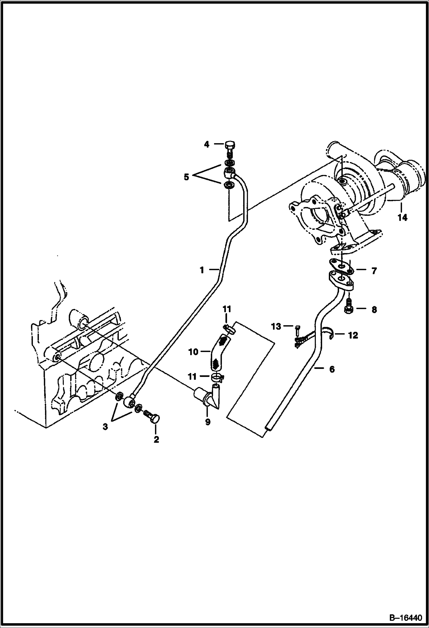
ТУРБОНАГНЕТАТЕЛЬ (KUBOTA - V2003T)

ТУРБОНАГНЕТАТЕЛЬ (KUBOTA - V2003T)

1Артикул: 6675676, TURBO
2Артикул: 6675676REM, TURBOCHARGER
3Артикул: 6675636, GASKET
Подробнее >
ТАБЛИЧКА РЕГУЛЯТОРА СКОРОСТИ (KUBOTA - V2003T)

ТАБЛИЧКА РЕГУЛЯТОРА СКОРОСТИ (KUBOTA - V2003T)

1Артикул: 3974970, BOLT adjusting
2Артикул: 3974971, NUT
3Артикул: 3974972, GASKET
Подробнее >
ПОРШЕНЬ И КОЛЕНЧАТЫЙ ВАЛ (KUBOTA - V2003T)

ПОРШЕНЬ И КОЛЕНЧАТЫЙ ВАЛ (KUBOTA - V2003T)

1Артикул: PISTON, PISTON NLA - Std. - Order 6689939 piston & (2) 6686997 cir-clip - Was 6675638 - A
2Артикул: PISTON, PISTON NLA - (0,5 mm - .0197) - Was 6676057 - A
3Артикул: 6675655, RING, PISTON Piston - Std. - A
Подробнее >
СОПЛО ФОРСУНКИ (KUBOTA - V2003T)

СОПЛО ФОРСУНКИ (KUBOTA - V2003T)

1Артикул: HOLDER, HOLDER KIT See Illustration INJECTOR HOLDER/ B13154 - nozzle - W/Ref. 2 & 16 - Was 6722147
2Артикул: 6655218, GASKET
3Артикул: 6675647, PIPE injection (1)
Подробнее >
ТОПЛИВНАЯ СИСТЕМА И НАСОС ВПРЫСКА (KUBOTA - V2003T)

ТОПЛИВНАЯ СИСТЕМА И НАСОС ВПРЫСКА (KUBOTA - V2003T)

1Артикул: PUMP, PUMP See Illustration INJECTION PUMP/ B13156
2Артикул: 3974626, SHIM 0,20 mm - injection pump
3Артикул: 6655210, SHIM 0,30 mm - injection pump
Подробнее >
ДВИГАТЕЛЬ И КРЕПЕЖНЫЕ ДЕТАЛИ

ДВИГАТЕЛЬ И КРЕПЕЖНЫЕ ДЕТАЛИ

1Артикул: ENGINE,, ENGINE, V2003-T-EB-BOBCAT-1 See Illustration ENGINE & GASKET KITS/ E1876 See BTI388ldr - does not include starter, alternator, flywheel, & flywheel housing - Was 6716828 - A
2Артикул: 6595422, BRACKET
3Артикул: 42HC200, CLAMP
Подробнее >
КРИВОШИПНАЯ КОРОБКА (KUBOTA - V2003T)

КРИВОШИПНАЯ КОРОБКА (KUBOTA - V2003T)

1Артикул: 6675654, CRANKCASE assy. - W/Ref. 2-15 - for 2.044-- (51,94 mm) crankshaft journals
2Артикул: 6686993, CRANKCASE assy - W/Ref. 2-15 - for 2.359-- (59,94 mm) crankshaft journals
3Артикул: 16F2, PLUG
Подробнее >
ВОДЯНОЙ ФЛАНЕЦ И ТЕРМОСТАТ (KUBOTA - V2003T)

ВОДЯНОЙ ФЛАНЕЦ И ТЕРМОСТАТ (KUBOTA - V2003T)

1Артикул: 6655880, PIPE water return
2Артикул: 3974988, PIPE water return
3Артикул: 3974679, BAND pipe
Подробнее >
ДВИГАТЕЛЬ И КОМПЛЕКТ ПРОКЛАДОК (KUBOTA - V2003T)

ДВИГАТЕЛЬ И КОМПЛЕКТ ПРОКЛАДОК (KUBOTA - V2003T)

1Артикул: ENGINE, ENGINE See BTI388ldr NLA - Does not include starter, alternator, flywheel, & flywheel housing - for new engine order 6685982 engine - Was 6718628 - A
2Артикул: 6685982REM, ENGINE, KUBOTA V2003T E2B TIER 2 Was 6718628REM - A
3Артикул: SHORT, SHORT BLOCK NLA
Подробнее >
РАСПРЕДЕЛИТЕЛЬНЫЙ ВАЛ (KUBOTA - V2003T)

РАСПРЕДЕЛИТЕЛЬНЫЙ ВАЛ (KUBOTA - V2003T)

1Артикул: 7015269, TAPPET Was 6667428 - A
2Артикул: 6655176, PUSHROD
3Артикул: 6675645, CAMSHAFT assy. - Ref. 4-8
Подробнее >
РЫЧАГ ОСТАНОВА ДВИГАТЕЛЯ (KUBOTA - V2003T)

РЫЧАГ ОСТАНОВА ДВИГАТЕЛЯ (KUBOTA - V2003T)

1Артикул: 3974975, IDLER assy., idle - Ref. 2-6
2Артикул: 6653906, BOLT ASSY. adjusting
3Артикул: 2DM8, NUT adjusting
Подробнее >
ФОРСУНКОДЕРЖАТЕЛЬ (KUBOTA - V2003T)

ФОРСУНКОДЕРЖАТЕЛЬ (KUBOTA - V2003T)

1Артикул: 7023120, INJECTOR, FUEL ASSY nozzle - Ref. 2-12 - Was 6722147 - A
2Артикул: 6722147REM, NOZZLE, FUEL INJ. KUBOTA V2203 nozzle - Ref. 2-12
3Артикул: 6657460, NUT
Подробнее >
МАСЛЯНАЯ ТРУБКА (KUBOTA - V2003T) (ТУРБОНАГНЕТАТЕЛЬ )

МАСЛЯНАЯ ТРУБКА (KUBOTA - V2003T) (ТУРБОНАГНЕТАТЕЛЬ )

1Артикул: 6675677, PIPE
2Артикул: 7022765, BOLT, EYE Was 7022765 - A
3Артикул: 3974095, GASKET, METAL
Подробнее >
ВОДЯНАЯ ПОМПА (KUBOTA - V2003T)

ВОДЯНАЯ ПОМПА (KUBOTA - V2003T)

1Артикул: WATER, WATER PUMP See BTIE-085 - Was 6675652 - A
2Артикул: 6681879, WATER PUMP
3Артикул: BODY, BODY NLA
Подробнее >
ТОПЛИВНЫЙ РАСПРЕДЕЛИТЕЛЬНЫЙ ВАЛ (KUBOTA - V2003T)

ТОПЛИВНЫЙ РАСПРЕДЕЛИТЕЛЬНЫЙ ВАЛ (KUBOTA - V2003T)

1Артикул: 6655211, CAMSHAFT assy. - Ref. 2-14
2Артикул: CAMSHAFT, CAMSHAFT NLA - fuel - Order Ref. 1 - Was 6655875 - A
3Артикул: 851242, BEARING
Подробнее >
МАСЛЯНЫЙ РАДИАТОР (KUBOTA - V2003T) (СЕРИЙНЫЙ НОМЕР 2333 И ВЫШЕ И 2332 И ВЫШЕ)

МАСЛЯНЫЙ РАДИАТОР (KUBOTA - V2003T) (СЕРИЙНЫЙ НОМЕР 2333 И ВЫШЕ И 2332 И ВЫШЕ)

1Артикул: OIL, OIL COOLER NLA - Order Ref. 12 - Was 6675680 - A
2Артикул: 6698244, ORING Was 6657422 - B,D
3Артикул: 6675670, HOSE
Подробнее >