+7 (701) 588 50 05 Телефон для связи
RU

WhatsApp

Позвонить

ЗАПЧАСТИ ДВИГАТЕЛЯ в Алматы

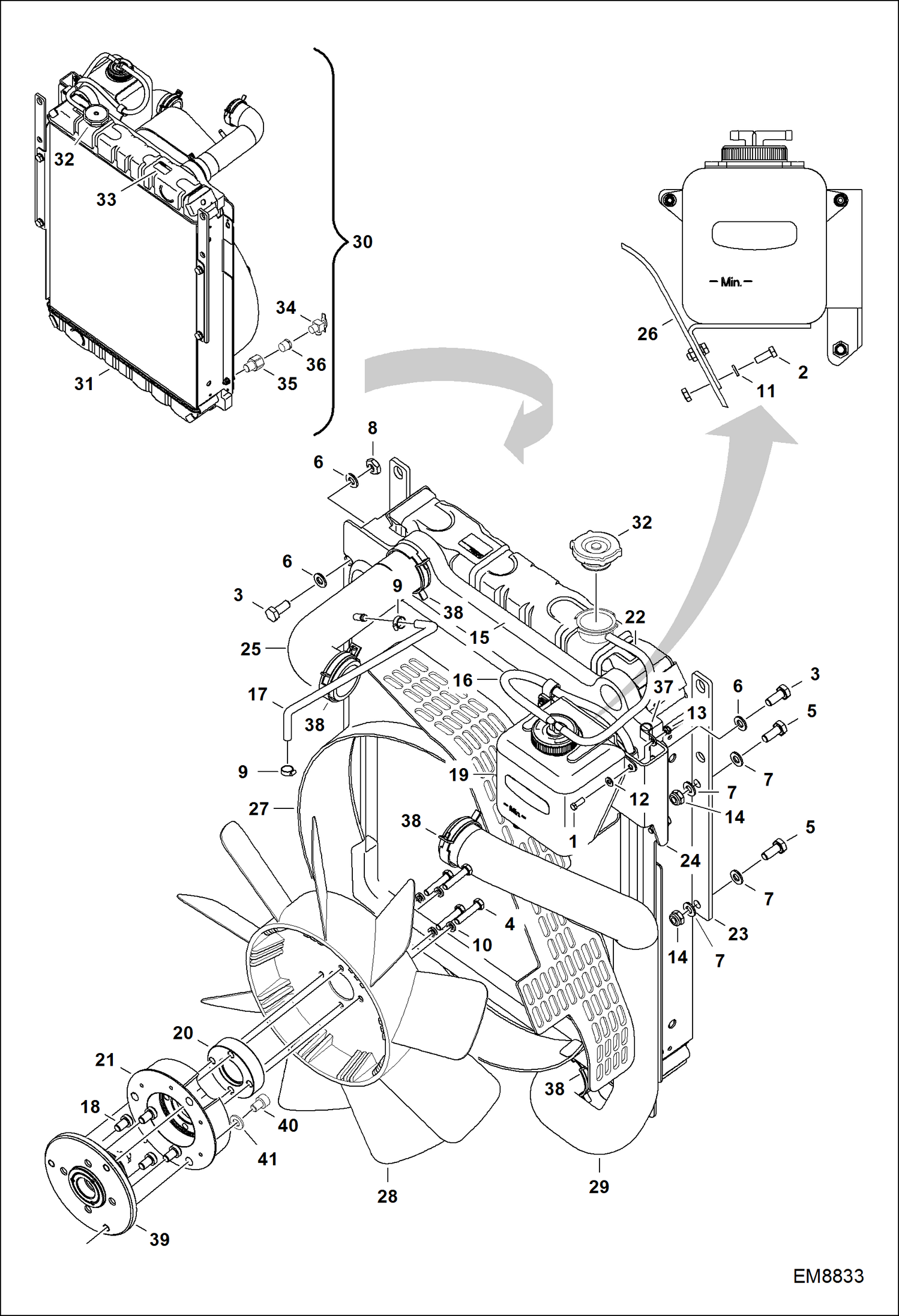
УСТАНОВКА СИСТЕМЫ ОХЛАЖДЕНИЯ

УСТАНОВКА СИСТЕМЫ ОХЛАЖДЕНИЯ

1Артикул: 01478-7, SCREW
2Артикул: 01590-9, SCREW
3Артикул: 4CM825, BOLT Was 01597-4 - B
Подробнее >
ПЕРЕДНЯЯ КРЫШКА

ПЕРЕДНЯЯ КРЫШКА

1Артикул: 6698546, HOUSING, GEAR ASSY W/Ref. 2-12
2Артикул: 6685929, RELIEF VALVE
3Артикул: 6680673, SPRING
Подробнее >
СИСТЕМА ВПРЫСКА ТОПЛИВА (ФОРСУНКИ)

СИСТЕМА ВПРЫСКА ТОПЛИВА (ФОРСУНКИ)

1Артикул: 6698542, INJECTOR, FUEL ASSY
2Артикул: 6670769, O-RING
3Артикул: 6969824, GASKET, NOZZLE INJ
Подробнее >
ГОЛОВКА БЛОКА ЦИЛИНДРОВ

ГОЛОВКА БЛОКА ЦИЛИНДРОВ

1Артикул: 6680868, SHAFT W/Ref. 2
2Артикул: 25GM8010, SCREW set
3Артикул: 6680878, BOLT
Подробнее >
СИСТЕМА ВЫПУСКА

СИСТЕМА ВЫПУСКА

1Артикул: 1EM100, WASHER Was 01698-0 - B
2Артикул: 7252655, NUT Was 100345-09A - A
3Артикул: 6965256, EXHAUST SILENCER
Подробнее >
КОМПЛЕКТ НИЖНИХ ПРОКЛАДОК

КОМПЛЕКТ НИЖНИХ ПРОКЛАДОК

1Артикул: 6698579, KIT, GASKET ENG LOWER Ref. 2-22 - Also Order Ref. 23 & 24
2Артикул: 6652751, GASKET See Illustration PISTON & CRANKSHAFT/ EM9236
3Артикул: 6684782, O-RING See Illustration CRANKCASE & OIL PAN/ EM9228
Подробнее >
КОМПЛЕКТ ПРОКЛАДОК ВЕРХНЕЙ ЧАСТИ

КОМПЛЕКТ ПРОКЛАДОК ВЕРХНЕЙ ЧАСТИ

1Артикул: 6689756, KIT, GASKET ENG UPPER Ref. 2-19 - Also Order Ref. 20-24
2Артикул: 6680690, GASKET
3Артикул: 6680691, RING,O
Подробнее >
УСТАНОВКА ДВИГАТЕЛЯ

УСТАНОВКА ДВИГАТЕЛЯ

1Артикул: 000345-96E, NUT
2Артикул: 000350-20Q, WASHER Was 000350-02V - B
3Артикул: 01532-1, SCREW
Подробнее >
НАТЯЖНОЕ КОЛЕСО В СБОРЕ

НАТЯЖНОЕ КОЛЕСО В СБОРЕ

1Артикул: 6933054, PULLEY IDLER ASSY
2Артикул: CAP,, CAP, DUST NLA - Order Ref. 1 - Was 6920622 - A
3Артикул: BEARING,, BEARING, BALL NLA - Order Ref. 1 - Was 6924057 - A
Подробнее >
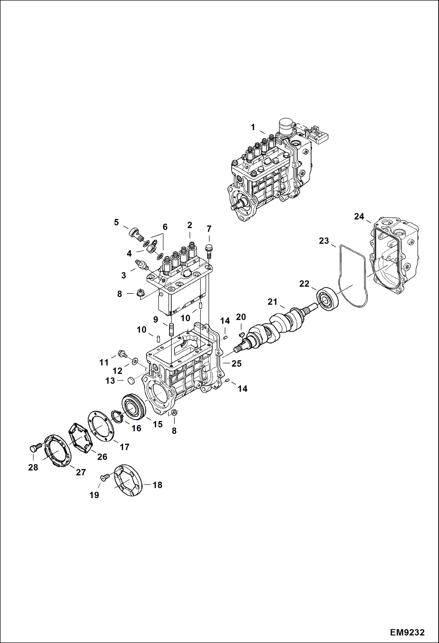
НАСОС ДЛЯ ВПРЫСКА ТОПЛИВА

НАСОС ДЛЯ ВПРЫСКА ТОПЛИВА

1Артикул: 7009356, PUMP, FUEL INJ ASSY Was 6698587 - A
2Артикул: 6698538, PUMP, FUEL INJ
3Артикул: 6680756, SCREW
Подробнее >
ДВИГАТЕЛЬ И КРЕПЕЖНЫЕ ДЕТАЛИ (СИСТЕМА ПОДАЧИ ТОПЛИВА)

ДВИГАТЕЛЬ И КРЕПЕЖНЫЕ ДЕТАЛИ (СИСТЕМА ПОДАЧИ ТОПЛИВА)

1Артикул: 000350-04X, WASHER, M12
2Артикул: 1CM816, BOLT Was 01595-8 - A
3Артикул: 1CM820, BOLT Was 01596-6 - B
Подробнее >
КЛАПАН СИСТЕМЫ РЕЦИРКУЛЯЦИИ ВЫХЛОПНЫХ ГАЗОВ

КЛАПАН СИСТЕМЫ РЕЦИРКУЛЯЦИИ ВЫХЛОПНЫХ ГАЗОВ

1Артикул: 7012295, VALVE, EGR Was 6698533 - A
2Артикул: 6698581, GASKET, EGR VALVE
3Артикул: 6698580, VALVE, LEAD
Подробнее >
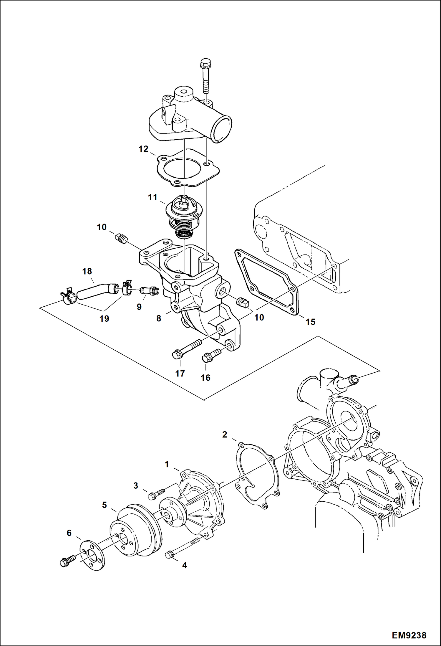
ВОДЯНАЯ ПОМПА И ТЕРМОСТАТ

ВОДЯНАЯ ПОМПА И ТЕРМОСТАТ

1Артикул: 6680852, PUMP
2Артикул: 6680853, GASKET
3Артикул: 6680706, BOLT
Подробнее >
КРИВОШИПНАЯ КОРОБКА И ПОДДОН КАРТЕРА

КРИВОШИПНАЯ КОРОБКА И ПОДДОН КАРТЕРА

1Артикул: 7020951, DIPSTICK, OIL ENG Was 6690692
2Артикул: 6680702, TUBE
3Артикул: 6698523, EXCHANGER, OIL COOLER
Подробнее >
ГОЛОВКА ЦИЛИНДРА И КРЫШКА

ГОЛОВКА ЦИЛИНДРА И КРЫШКА

1Артикул: 7020950, HEAD, CYL ENG Was 6693482 - A
2Артикул: 6698597, GASKET, HEAD CYL std/2 notch - Was 6680669 - B,D
3Артикул: 6698598, GASKET, HEAD CYL suitability/1 notch - Was 6680670 - B,D
Подробнее >
РЕГУЛЯТОР ОБОРОТОВ

РЕГУЛЯТОР ОБОРОТОВ

1Артикул: 6680757, COVER
2Артикул: 6680758, WEIGHT
3Артикул: 6680759, NUT
Подробнее >
КОЛЛЕКТОР

КОЛЛЕКТОР

1Артикул: 6698550, MANIFOLD, INTAKE
2Артикул: 6680884, GASKET
3Артикул: 6680801, BOLT
Подробнее >
ТУРБОКОМПРЕССОР

ТУРБОКОМПРЕССОР

1Артикул: 7017202, TURBOCHARGER Was 6691586 - A
2Артикул: 6691586REM, TURBOCHARGER, KUBOTA V3800
3Артикул: 7017202REM, TURBOCHARGER
Подробнее >
РЕГУЛЯТОРА ОБОРОТОВ (РЫЧАГ ДЛЯ ВИЛ И РЕГУЛИРОВОЧНЫЙ БОЛТ)

РЕГУЛЯТОРА ОБОРОТОВ (РЫЧАГ ДЛЯ ВИЛ И РЕГУЛИРОВОЧНЫЙ БОЛТ)

1Артикул: LEVER,, LEVER, FORK NAP - W/Ref. 2-5 & 31-37 - Use 7008576 (lever) & 7008575 (spring) - Was 6698569 - A
2Артикул: 7008576, LEVER Assy - W/Ref. 2-5 & 31-37
3Артикул: 6680820, WASHER
Подробнее >