+7 (701) 588 50 05 Телефон для связи
RU

WhatsApp

Позвонить

ЗАПЧАСТИ ДВИГАТЕЛЯ в Алматы

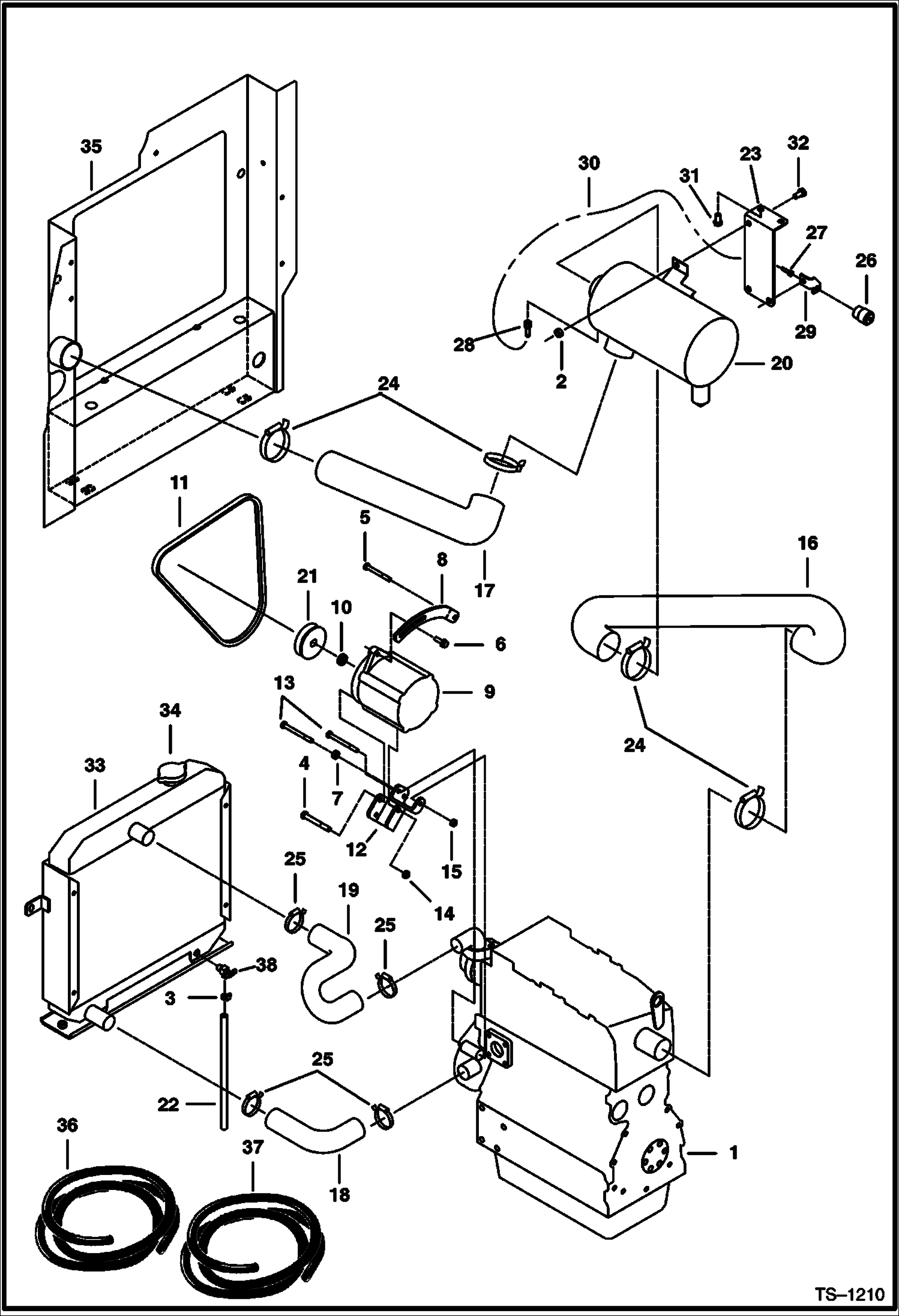
ГЕНЕРАТОР ПЕРЕМЕННОГО ТОКА, ВОЗДУХООЧИСТИТЕЛЬ И ШЛАНГИ РАДИАТОРА (СЕРИЙНЫЙ НОМЕР 512911001 - 512911999)

ГЕНЕРАТОР ПЕРЕМЕННОГО ТОКА, ВОЗДУХООЧИСТИТЕЛЬ И ШЛАНГИ РАДИАТОРА (СЕРИЙНЫЙ НОМЕР 512911001 - 512911999)

1Артикул: ENGINE, ENGINE See Illustration ENGINE & GASKET KITS/ B16450 See Illustration RADIATOR & MOUNTING/ TS1208
2Артикул: 4DM10, NUT Was 1DM00010B - B
3Артикул: 42HS04, CLAMP, HOSE Was 6515575 - A
Подробнее >
ВОЗДУХООЧИСТИТЕЛЬ (СЕРИЙНЫЙ НОМЕР 512912001 - 512912999)

ВОЗДУХООЧИСТИТЕЛЬ (СЕРИЙНЫЙ НОМЕР 512912001 - 512912999)

1Артикул: 6666647, AIR CLEANER Assy. W/Ref. 2-8
2Артикул: HOUSING, HOUSING NLA - Order Ref. 1
3Артикул: 6655938, VALVE, EVACUATOR 38 mm (1.5--) ID
Подробнее >
МАСЛЯНЫЙ ПОДДОН

МАСЛЯНЫЙ ПОДДОН

1Артикул: 6655151, PAN, OIL
2Артикул: 6666817, GASKET Oil pan - Was 3975449B - A
3Артикул: 6653798, BOLT
Подробнее >
РАСПРЕДВАЛ

РАСПРЕДВАЛ

1Артикул: 7015269, TAPPET Was 6667428 - A
2Артикул: 6655176, PUSHROD
3Артикул: 6655427, CAMSHAFT assy. - Ref. 4-8
Подробнее >
РЕГУЛЯТОР ОБОРОТОВ

РЕГУЛЯТОР ОБОРОТОВ

1Артикул: 6598174, LEVER Governor
2Артикул: 6655227, SPRING
3Артикул: 6655876, LEVER Fork - W/Ref. 4-7
Подробнее >
ВОДЯНОЙ ФЛАНЕЦ И ТЕРМОСТАТ

ВОДЯНОЙ ФЛАНЕЦ И ТЕРМОСТАТ

1Артикул: 6655880, PIPE Water return
2Артикул: 3974988, PIPE Water return
3Артикул: 3974679, BAND Pipe
Подробнее >
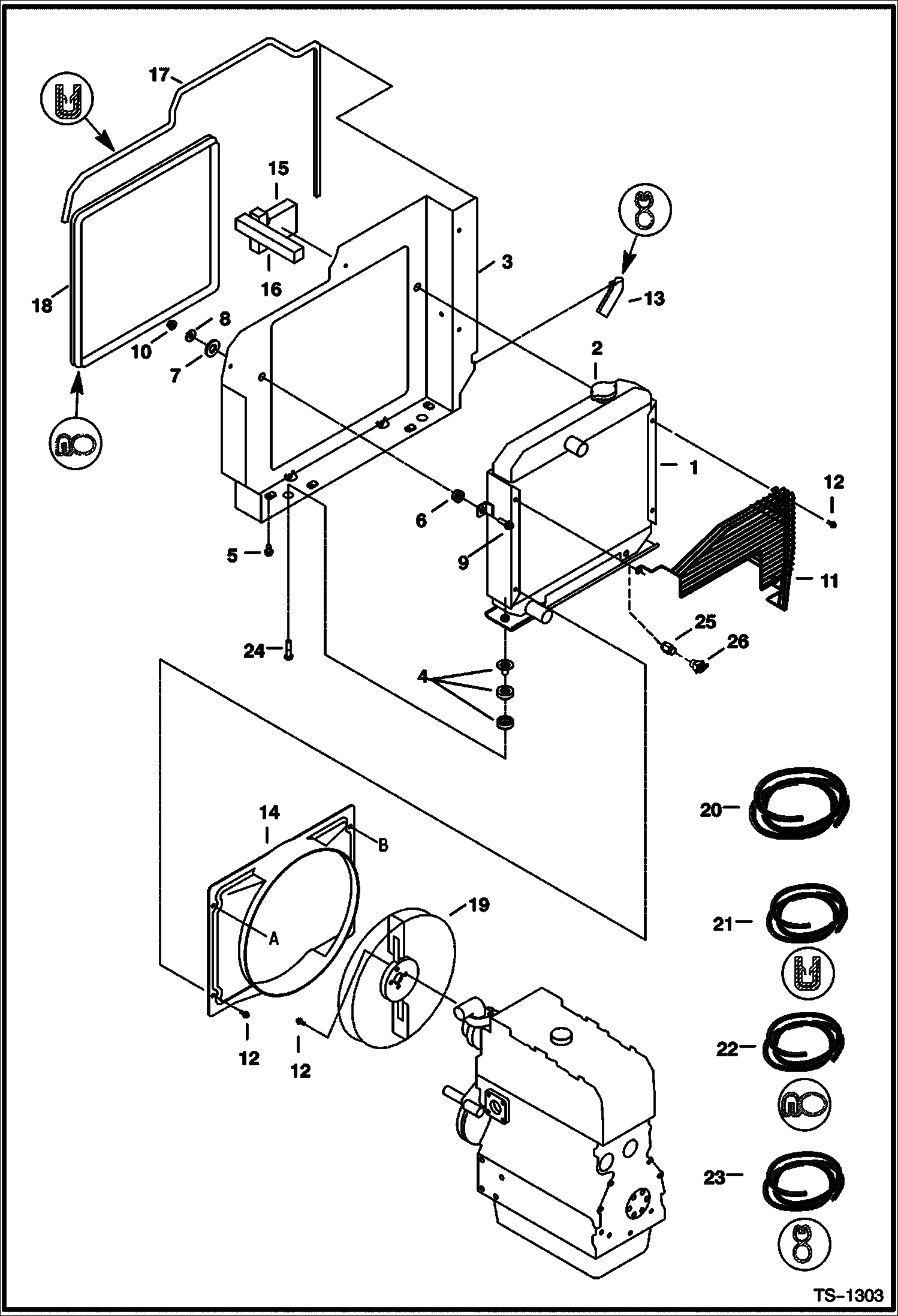
РАДИАТОР И КРОНШТЕЙН (СЕРИЙНЫЙ НОМЕР 512912001 И ВЫШЕ)

РАДИАТОР И КРОНШТЕЙН (СЕРИЙНЫЙ НОМЕР 512912001 И ВЫШЕ)

1Артикул: 6666682, RADIATOR
2Артикул: 3974310, CAP Radiator
3Артикул: 6596905, MOUNT Radiator
Подробнее >
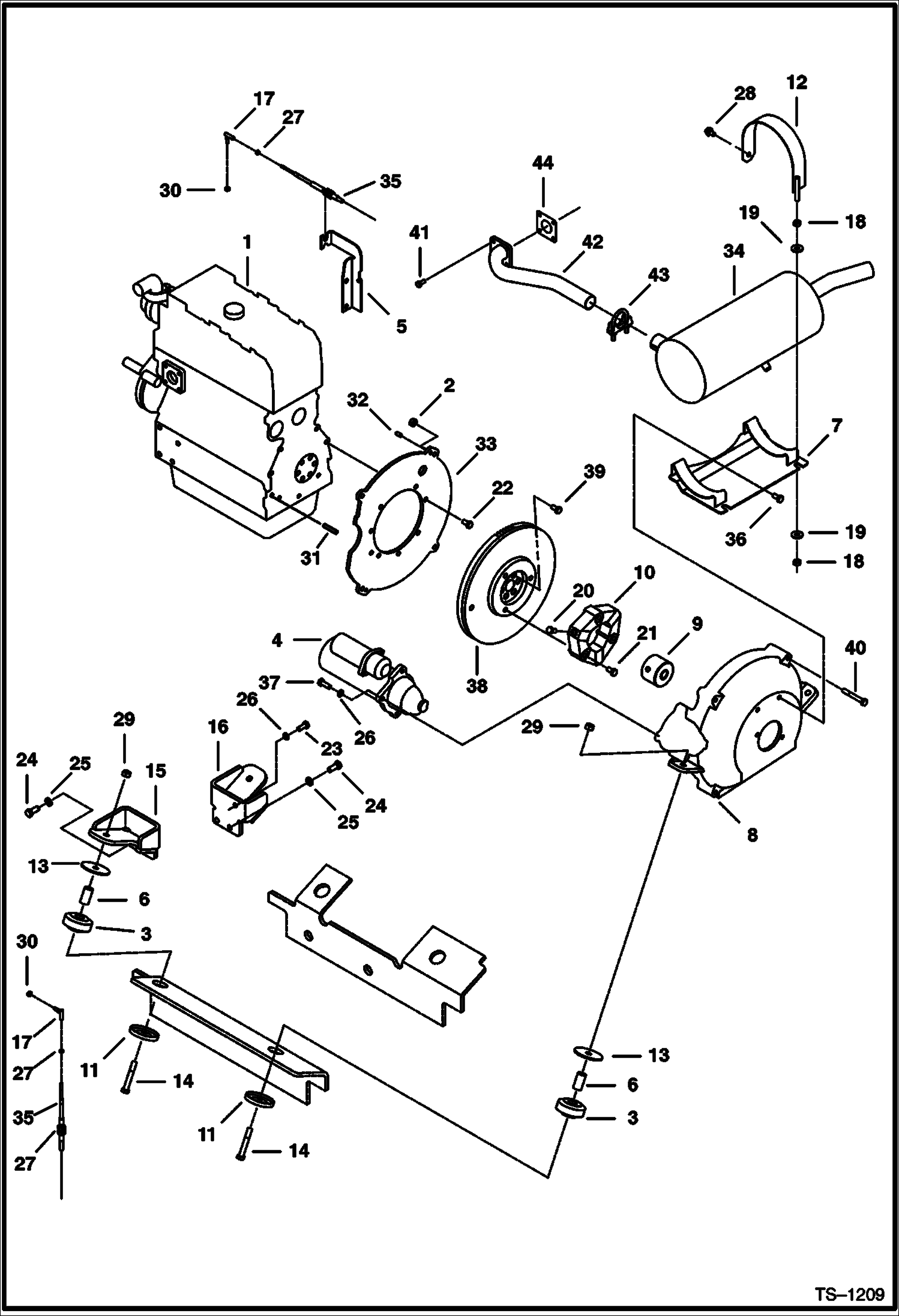
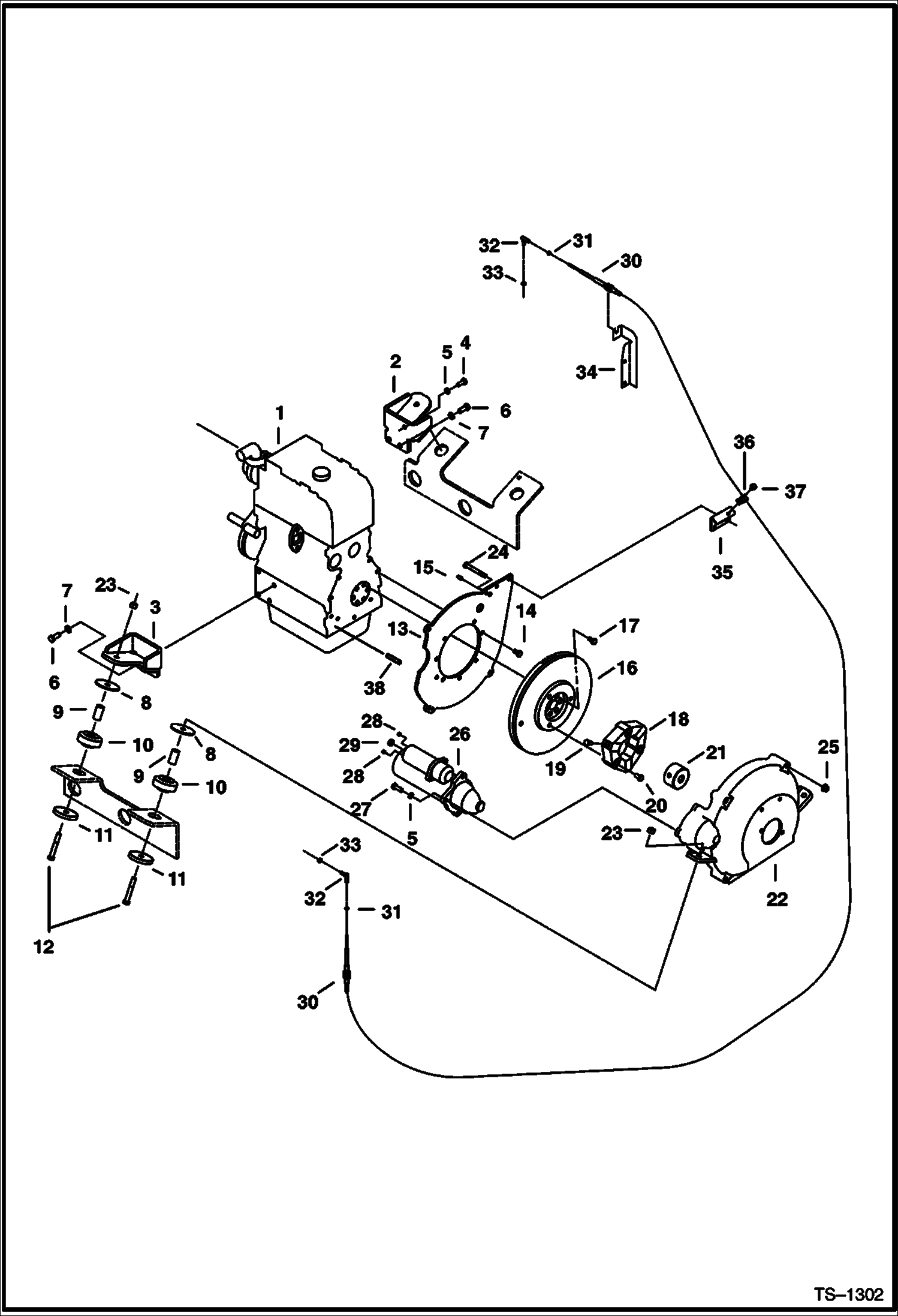
МОНТАЖ ДВИГАТЕЛЯ, МАХОВИК, СТАРТЕР И ГЛУШИТЕЛЬ (СЕРИЙНЫЙ НОМЕР 512911001 - 512911386)

МОНТАЖ ДВИГАТЕЛЯ, МАХОВИК, СТАРТЕР И ГЛУШИТЕЛЬ (СЕРИЙНЫЙ НОМЕР 512911001 - 512911386)

1Артикул: ENGINE, ENGINE See Illustration INJECTOR HOLDER/ B13154 See Illustration ELECTRICAL SYSTEMS/ B20426 See BTIE-060
2Артикул: 43DM10, NUT
3Артикул: 6661785, MOUNT, ENG
Подробнее >
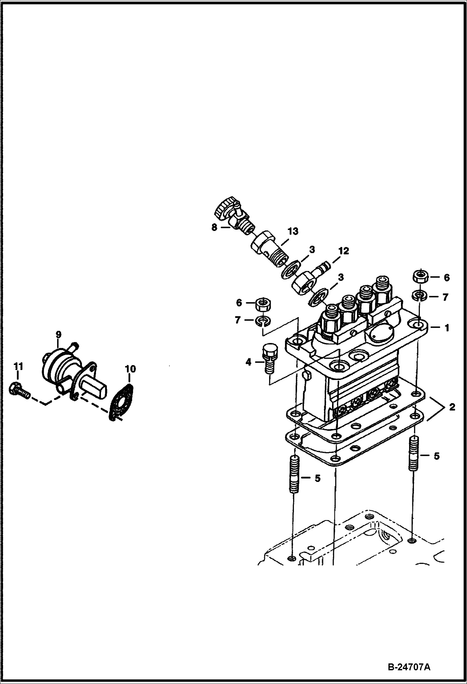
ТОПЛИВНАЯ СИСТЕМА И НАСОС ВПРЫСКА

ТОПЛИВНАЯ СИСТЕМА И НАСОС ВПРЫСКА

1Артикул: 6655199, PUMP injection
2Артикул: PUMP, PUMP NLA - injection - Order 7023148 pump, 6513707 banjo fitting, 7019023 eye bolt & (2) 7019024 gaskets - Was 6667996 - A
3Артикул: 6667996REM, PUMP, FUEL INJ. KUBOTA V2203
Подробнее >
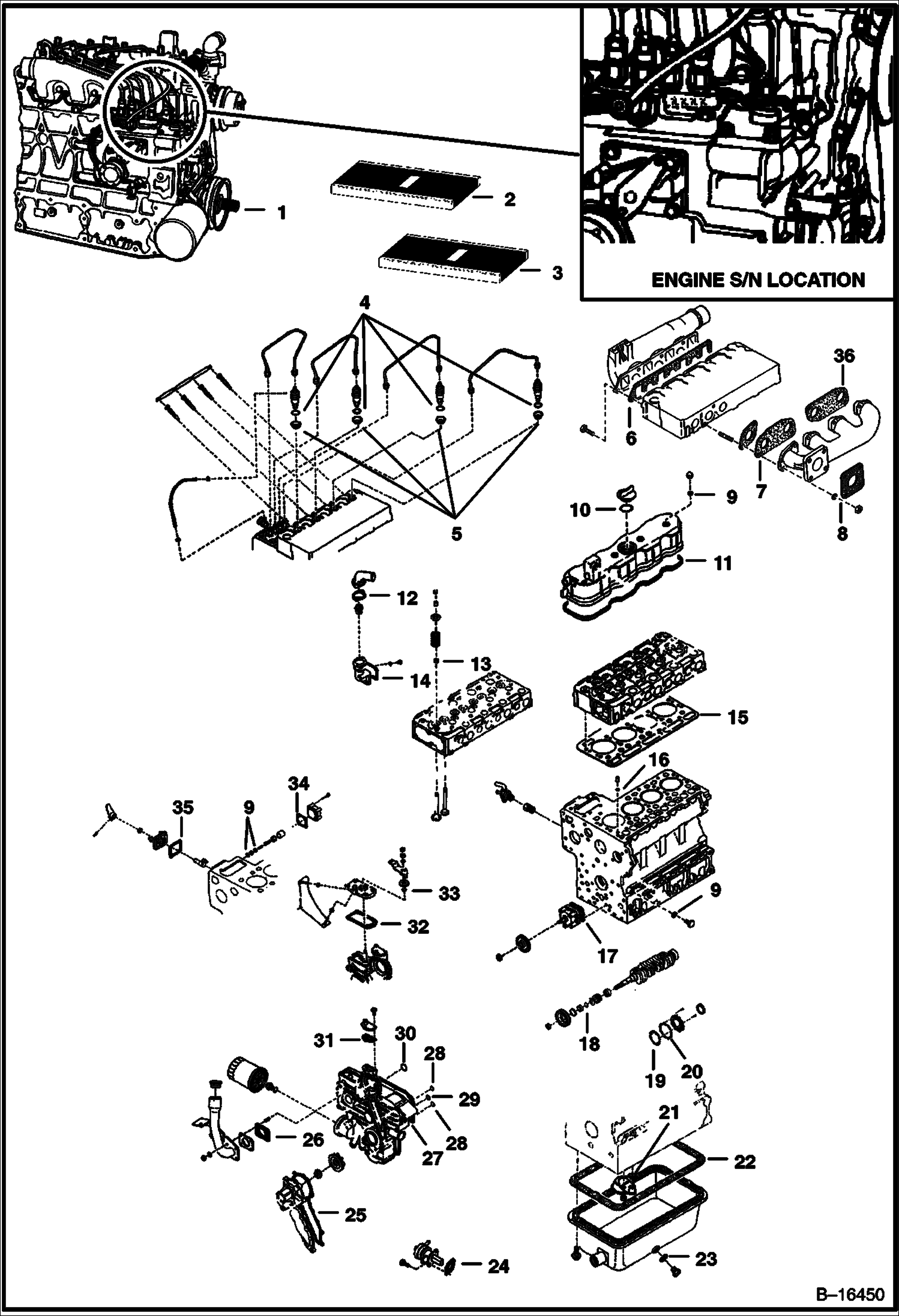
ДВИГАТЕЛЬ И КОМПЛЕКТ ПРОКЛАДОК (KUBOTA - V2203)

ДВИГАТЕЛЬ И КОМПЛЕКТ ПРОКЛАДОК (KUBOTA - V2203)

1Артикул: ENGINE, ENGINE See Illustration ENGINE & GASKET KITS/ B24687 See BTI388ldr - NLA - does not include starter, alternator, flywheel or flywheel housing - Order 6653482REM engine or 6685981 engine - Was 6653482 - A
2Артикул: 6653482REM, ENGINE, KUBOTA V2203 Was NLA - A
3Артикул: SHORT, SHORT BLOCK NLA
Подробнее >
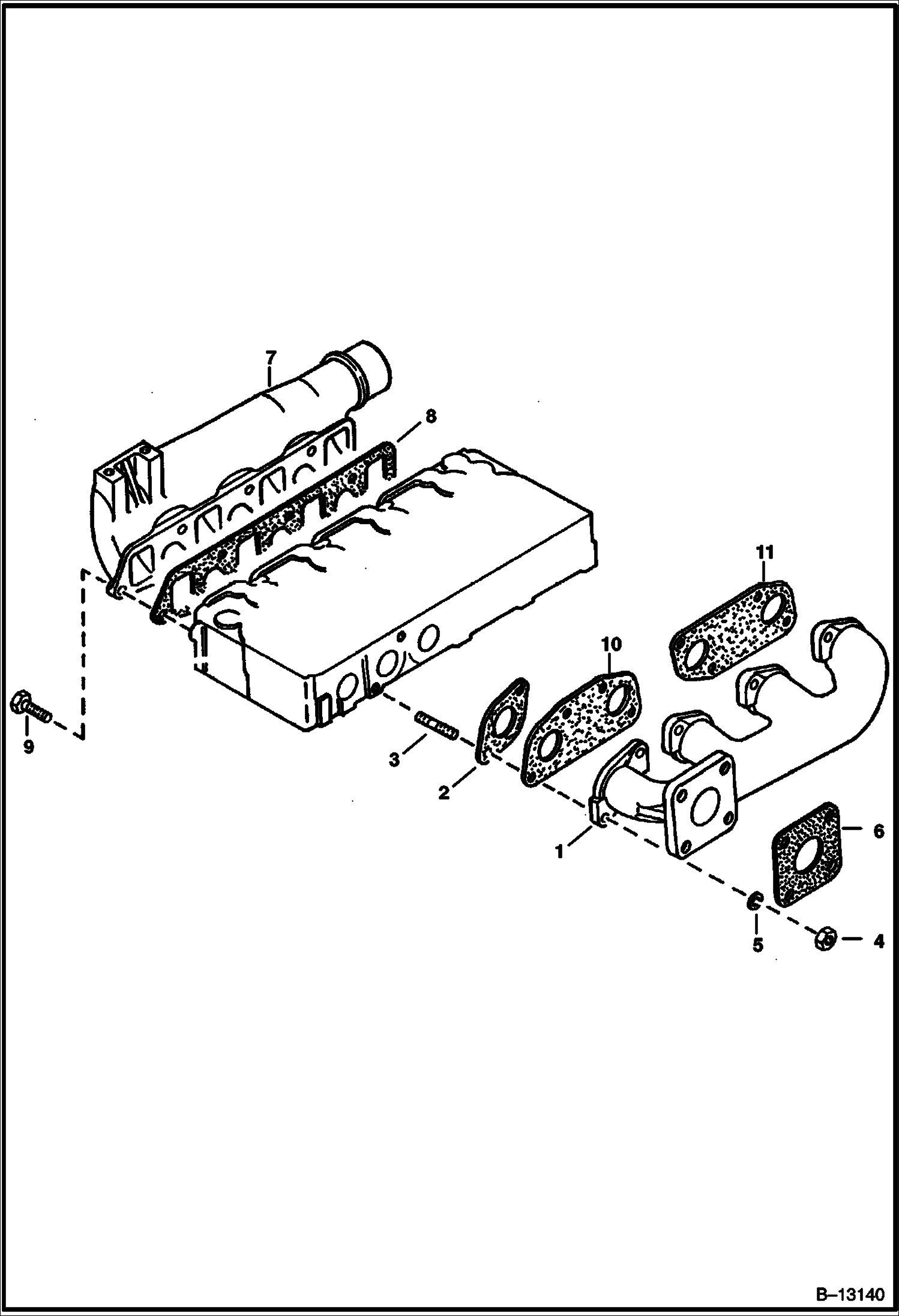
КОЛЛЕКТОР

КОЛЛЕКТОР

1Артикул: 6651482, MANIFOLD, EXHAUST Exhaust
2Артикул: GASKET, GASKET NLA - Order Ref. 10 & 11 - Was 3974915B - A
3Артикул: 6652670, STUD
Подробнее >
МОНТАЖ ДВИГАТЕЛЯ, МАХОВИК И СТАРТЕР (СЕРИЙНЫЙ НОМЕР 512911387 И ВЫШЕ)

МОНТАЖ ДВИГАТЕЛЯ, МАХОВИК И СТАРТЕР (СЕРИЙНЫЙ НОМЕР 512911387 И ВЫШЕ)

1Артикул: ENGINE, ENGINE See Illustration ENGINE MOUNTING, FLYWHEEL, STARTER & MUFFLER/ TS1209 See BTIE-060 - NLA - V2203 - for engine breakdown - Was 6653482 - A
2Артикул: 6589110, MOUNT
3Артикул: 6589107, MOUNT
Подробнее >
ПЛЕЧО КОРОМЫСЛА КЛАПАНА

ПЛЕЧО КОРОМЫСЛА КЛАПАНА

1Артикул: 6655173, VALVE Inlet
2Артикул: 6655174, VALVE Exhaust
3Артикул: 3974514, SPRING 5 Valve
Подробнее >
ТОПЛИВНЫЙ РАСПРЕДЕЛИТЕЛЬНЫЙ ВАЛ

ТОПЛИВНЫЙ РАСПРЕДЕЛИТЕЛЬНЫЙ ВАЛ

1Артикул: 6655211, CAMSHAFT Assy. - Ref. 2 - 14
2Артикул: CAMSHAFT, CAMSHAFT NLA - fuel - Order Ref. 1 - Was 6655875 - A
3Артикул: 851242, BEARING
Подробнее >
ПОРШНИ И КОЛЕНВАЛ

ПОРШНИ И КОЛЕНВАЛ

1Артикул: PISTON, PISTON NLA - Std. - Order 6689595 piston and 2 of 6686997 cir-clip - Was 6655177 - A
2Артикул: PISTON, PISTON NLA - (0,5 mm - .0197) - Order 6689744 piston and 2 of 6686997 cir-clip - Was 6657695 - A
3Артикул: 6678075, RINGS Piston - Std. - Was 6655178 - A
Подробнее >
СИСТЕМА ПОДАЧИ ТОПЛИВА И БАКИ

СИСТЕМА ПОДАЧИ ТОПЛИВА И БАКИ

1Артикул: 42HS04, CLAMP, HOSE Was 6515575 - A
2Артикул: HOSE, HOSE NLA - 60--(1530mm) long - Order Ref. 31
3Артикул: 6553411, BUSHING 0.38-- ID
Подробнее >
ГОЛОВКА БЛОКА ЦИЛИНДРОВ

ГОЛОВКА БЛОКА ЦИЛИНДРОВ

1Артикул: 6655152, HOOK Engine
2Артикул: 6655160, PLUG
3Артикул: 1CM816, BOLT Was 4CM816 - A
Подробнее >
УСТАНОВКА ГЕНЕРАТОРА ПЕРЕМЕННОГО ТОКА И ШЛАНГИ РАДИАТОРА (СЕРИЙНЫЙ НОМЕР 512912001 И ВЫШЕ)

УСТАНОВКА ГЕНЕРАТОРА ПЕРЕМЕННОГО ТОКА И ШЛАНГИ РАДИАТОРА (СЕРИЙНЫЙ НОМЕР 512912001 И ВЫШЕ)

1Артикул: ALTERNATOR, ALTERNATOR See Illustration ALTERNATOR/ B25158 See Illustration ALTERNATOR/ D1760 - Was 6661611 - B
2Артикул: 6803397, BRACKET Was 6596746 - A
3Артикул: 6596745, RETAINER
Подробнее >
РАДИАТОР И КРОНШТЕЙН (СЕРИЙНЫЙ НОМЕР 512911001 - 512911999)

РАДИАТОР И КРОНШТЕЙН (СЕРИЙНЫЙ НОМЕР 512911001 - 512911999)

1Артикул: ENGINE, ENGINE See Illustration ENGINE & GASKET KITS/ B16450 See Illustration ALTERNATOR, AIR CLEANER AND RADIATOR HOSES/ TS1210 See BTIE-060
2Артикул: 6653763, MOUNT
3Артикул: 568276, DAMPNER
Подробнее >
КРЫШКА КОРОМЫСЛА КЛАПАНА

КРЫШКА КОРОМЫСЛА КЛАПАНА

1Артикул: 3974924, PLATE Element
2Артикул: 3974925, PLATE Element
3Артикул: 3974926, BREATHER Breather
Подробнее >
РЫЧАГ ОСТАНОВА ДВИГАТЕЛЯ

РЫЧАГ ОСТАНОВА ДВИГАТЕЛЯ

1Артикул: 3974975, IDLER Assy., idle - Ref. 2-6
2Артикул: 6653906, BOLT ASSY. Adjusting
3Артикул: 2DM8, NUT Adjusting
Подробнее >
ВОДЯНАЯ ПОМПА

ВОДЯНАЯ ПОМПА

1Артикул: 6684225, WATER PUMP Ref. 2-6 - Was 6653941 - A
2Артикул: BODY, BODY NLA
3Артикул: 3974991, BEARING
Подробнее >
КАРТЕР ДВИГАТЕЛЯ

КАРТЕР ДВИГАТЕЛЯ

1Артикул: CRANKCASE, CRANKCASE NLA - assy - W/Ref. 2-15 - Order (1) each of 6689503, 6685483, 6685484, 6685486, 6655166, 6655184, 6685485, 6693412 and (2) each of 6685488 & 6685489, (4) of 6685487 - Was 6655149 - A
2Артикул: 3974871, CONNECTOR
3Артикул: 6652574, PLUG
Подробнее >
ФОРСУНКОДЕРЖАТЕЛЬ

ФОРСУНКОДЕРЖАТЕЛЬ

1Артикул: 7023120, INJECTOR, FUEL ASSY nozzle - Ref. 2-12 - Was 6722147 - A
2Артикул: 6722147REM, NOZZLE, FUEL INJ. KUBOTA V2203 nozzle - Ref. 2-12
3Артикул: 6657460, NUT
Подробнее >
ВОЗДУХООЧИСТИТЕЛЬ (СЕРИЙНЫЙ НОМЕР 512911001 - 512911999)

ВОЗДУХООЧИСТИТЕЛЬ (СЕРИЙНЫЙ НОМЕР 512911001 - 512911999)

1Артикул: 6664490, AIR CLEANER Assy. W/Ref. 2-8
2Артикул: HOUSING, HOUSING NLA - Order Ref. 1
3Артикул: 6655938, VALVE, EVACUATOR 38 mm (1.5--) ID
Подробнее >
ФОРСУНКИ

ФОРСУНКИ

1Артикул: HOLDER, HOLDER KIT See Illustration INJECTOR HOLDER/ B13154 - nozzle - W/Ref. 2 & 16 - Was 6722147
2Артикул: 6655218, GASKET
3Артикул: 6655219, PIPE Injection - 1
Подробнее >
ВОЗДУХООЧИСТИТЕЛЬ И КРОНШТЕЙН ГЛУШИТЕЛЯ (СЕРИЙНЫЙ НОМЕР 512912001 - 512912999)

ВОЗДУХООЧИСТИТЕЛЬ И КРОНШТЕЙН ГЛУШИТЕЛЯ (СЕРИЙНЫЙ НОМЕР 512912001 - 512912999)

1Артикул: 6666647, AIR CLEANER See Illustration AIR CLEANER/ B14150A See Illustration AIR CLEANER/ B14150
2Артикул: 26GM10020, BOLT
3Артикул: 6596878, HOSE
Подробнее >
ТАБЛИЧКА РЕГУЛЯТОРА СКОРОСТИ

ТАБЛИЧКА РЕГУЛЯТОРА СКОРОСТИ

1Артикул: 3974970, BOLT Adjusting
2Артикул: 3974971, NUT
3Артикул: 3974972, GASKET
Подробнее >
РЕДУКТОР

РЕДУКТОР

1Артикул: CASE, CASE ASSY. NLA - W/Ref. 3-7 & 29 - Order 6688640 & Ref. 4-7 & 29 - Was 6674164 - A
2Артикул: 6688640, HOUSING GEAR W/Ref. 3
3Артикул: 6675517, FILTER, OIL ENG 12 oil filter - 12 Pack - Was 3974896 - A
Подробнее >