+7 (701) 588 50 05 Телефон для связи
RU

WhatsApp

Позвонить

ЗАПЧАСТИ ДВИГАТЕЛЯ в Алматы

ГОЛОВКА ЦИЛИНДРА (KUBOTA D722-E2B-BC-5) (СЕРИЙНЫЙ НОМЕР 562411001 И ВЫШЕ) (KUBOTA D722-E2B-BC-1) (СЕРИЙНЫЙ НОМЕР 224511001 И ВЫШЕ)

ГОЛОВКА ЦИЛИНДРА (KUBOTA D722-E2B-BC-5) (СЕРИЙНЫЙ НОМЕР 562411001 И ВЫШЕ) (KUBOTA D722-E2B-BC-1) (СЕРИЙНЫЙ НОМЕР 224511001 И ВЫШЕ)

1Артикул: 6688058, HEAD W/Ref. 2-7
2Артикул: 6688058REM, HEAD, KUBOTA D722
3Артикул: 7016963, HEAD, CYL ENG W/Ref. 2-7
Подробнее >
СОПЛО ФОРСУНКИ (KUBOTA D722-E2B-BC-5) (СЕРИЙНЫЙ НОМЕР 562411001 И ВЫШЕ) (KUBOTA D722-E2B-BC-1) (СЕРИЙНЫЙ НОМЕР 224511001 И ВЫШЕ)

СОПЛО ФОРСУНКИ (KUBOTA D722-E2B-BC-5) (СЕРИЙНЫЙ НОМЕР 562411001 И ВЫШЕ) (KUBOTA D722-E2B-BC-1) (СЕРИЙНЫЙ НОМЕР 224511001 И ВЫШЕ)

1Артикул: 6670463, PIPE Injector Return Line
2Артикул: 6670464, HOSE Overflow - W/Ref. 13
3Артикул: NOZZLE, NOZZLE HOLDER See Illustration NOZZLE HOLDER/ B14862 - Was 6670465 - B
Подробнее >
КОЛЛЕКТОРЫ (KUBOTA D722-E2B-BC-5) (СЕРИЙНЫЙ НОМЕР 562411001 И ВЫШЕ) (KUBOTA D722-E2B-BC-1) (СЕРИЙНЫЙ НОМЕР 224511001 И ВЫШЕ)

КОЛЛЕКТОРЫ (KUBOTA D722-E2B-BC-5) (СЕРИЙНЫЙ НОМЕР 562411001 И ВЫШЕ) (KUBOTA D722-E2B-BC-1) (СЕРИЙНЫЙ НОМЕР 224511001 И ВЫШЕ)

1Артикул: 6688062, MANIFOLD intake - W/Ref. 2
2Артикул: 6670535, GASKET
3Артикул: 3974289, STUD
Подробнее >
КОМПЛЕКТ НИЖНИХ ПРОКЛАДОК (KUBOTA D722)

КОМПЛЕКТ НИЖНИХ ПРОКЛАДОК (KUBOTA D722)

1Артикул: 6689016, GASKET KIT lower - For 6686064 Engine
2Артикул: 6689015, GASKET KIT lower - W/Ref. 2-14 - For 6686738 Engine - Was 6672740 - B,D
3Артикул: 3966516, RING,O oil pick-up tube
Подробнее >
КРЕПЕЖНЫЕ ДЕТАЛИ (ВОЗДУХООЧИСТИТЕЛЬ, ГЛУШИТЕЛЬ, КРЕПЛЕНИЕ ДВИГАТЕЛЯ)

КРЕПЕЖНЫЕ ДЕТАЛИ (ВОЗДУХООЧИСТИТЕЛЬ, ГЛУШИТЕЛЬ, КРЕПЛЕНИЕ ДВИГАТЕЛЯ)

1Артикул: 872229, WASHER
2Артикул: 6505813, CONNECTOR
3Артикул: 6515007, GAUGE
Подробнее >
ПОДДОН КАРТЕРА (KUBOTA D722-E2B-BC-5) (СЕРИЙНЫЙ НОМЕР 562411001 И ВЫШЕ)

ПОДДОН КАРТЕРА (KUBOTA D722-E2B-BC-5) (СЕРИЙНЫЙ НОМЕР 562411001 И ВЫШЕ)

1Артикул: 6688056, OIL PAN W/O Adapter
2Артикул: 1CM614, SCREW Was 4CM614 - A
3Артикул: 6687741, PLUG W/6691271 seal
Подробнее >
ВОДЯНАЯ ПОМПА (KUBOTA D722-E2B-BC-5) (СЕРИЙНЫЙ НОМЕР 562411001 И ВЫШЕ) (KUBOTA D722-E2B-BC-1) (СЕРИЙНЫЙ НОМЕР 224511001 И ВЫШЕ)

ВОДЯНАЯ ПОМПА (KUBOTA D722-E2B-BC-5) (СЕРИЙНЫЙ НОМЕР 562411001 И ВЫШЕ) (KUBOTA D722-E2B-BC-1) (СЕРИЙНЫЙ НОМЕР 224511001 И ВЫШЕ)

1Артикул: 7286726, PUMP, WATER Was 7017981 - A
2Артикул: 7301988, PUMP, WATER Ref. 2-6
3Артикул: FLANGE, FLANGE NSS - Order Ref. 1 - Was 6599062 - A
Подробнее >
КОМПЛЕКТ ДЕТАЛЕЙ ВЕРХНЕГО УПЛОТНИТЕЛЬНОГО КОЛЬЦА (KUBOTA D722)

КОМПЛЕКТ ДЕТАЛЕЙ ВЕРХНЕГО УПЛОТНИТЕЛЬНОГО КОЛЬЦА (KUBOTA D722)

1Артикул: 6672739, UPPER GASKET KIT upper - W/Ref. 2 - 14 - For 6686064 Engine & 6686738 Engine
2Артикул: 7266047, KIT, GASKET ENG UPPER upper - W/Ref. 2 - 14 - For 6686064 Engine & 6686738 Engine - Was 7000504 - A
3Артикул: 6688065, GASKET See Illustration ROCKER ARM COVER/ B25046 - valve cover - Was 6670372 - B
Подробнее >
ВОЗДУШНЫЙ ФИЛЬТР

ВОЗДУШНЫЙ ФИЛЬТР

1Артикул: 6675529, FILTER assy - W/Ref. 2-7
2Артикул: HOUSING, HOUSING NSS - Order Ref. 1
3Артикул: 6673753, FILTER, AIR INNER
Подробнее >
G КАРТЕР КОРОБКИ ПЕРЕДАЧ (KUBOTA D722-E2B-BC-5) (СЕРИЙНЫЙ НОМЕР 562411001 И ВЫШЕ)

G КАРТЕР КОРОБКИ ПЕРЕДАЧ (KUBOTA D722-E2B-BC-5) (СЕРИЙНЫЙ НОМЕР 562411001 И ВЫШЕ)

1Артикул: 6688074, COVER
2Артикул: 7000445, HOUSING, GEAR ASSY
3Артикул: 6652575, PLUG Was 6598170 - A
Подробнее >
ДВИГАТЕЛЬ И КРЕПЕЖНЫЕ ДЕТАЛИ (ТЕПЛООБМЕННИК РАДИАТОРА)

ДВИГАТЕЛЬ И КРЕПЕЖНЫЕ ДЕТАЛИ (ТЕПЛООБМЕННИК РАДИАТОРА)

1Артикул: 6513679, VALVE
2Артикул: 6557831, WASHER
3Артикул: ALTERNATOR,, ALTERNATOR, 40 AMP See Illustration ALTERNATOR/ C3456
Подробнее >
ПОДДОН КАРТЕРА (KUBOTA D722-E2B-BC-1) (СЕРИЙНЫЙ НОМЕР 224511001 И ВЫШЕ)

ПОДДОН КАРТЕРА (KUBOTA D722-E2B-BC-1) (СЕРИЙНЫЙ НОМЕР 224511001 И ВЫШЕ)

1Артикул: 6685739, PAN
2Артикул: GASKET, GASKET NLA - Use Ref. 2
3Артикул: 6632823, GASKET liquid - Use between Ref. 1 & block
Подробнее >
РЕГУЛЯТОР ОБОРОТОВ (KUBOTA D722-E2B-BC-5) (СЕРИЙНЫЙ НОМЕР 562411001 И ВЫШЕ) (KUBOTA D722-E2B-BC-1) (СЕРИЙНЫЙ НОМЕР 224511001 И ВЫШЕ)

РЕГУЛЯТОР ОБОРОТОВ (KUBOTA D722-E2B-BC-5) (СЕРИЙНЫЙ НОМЕР 562411001 И ВЫШЕ) (KUBOTA D722-E2B-BC-1) (СЕРИЙНЫЙ НОМЕР 224511001 И ВЫШЕ)

1Артикул: 6670455, LEVER ASSY Governor
2Артикул: 7016964, LEVER, FORK ASSY W/Ref. 3-6, 8-12 & 14 - Was 6688084 - B,D
3Артикул: PLUG, PLUG NSS
Подробнее >
G КАРТЕР КОРОБКИ ПЕРЕДАЧ (KUBOTA D722-E2B-BC-1) (СЕРИЙНЫЙ НОМЕР 224511001 И ВЫШЕ)

G КАРТЕР КОРОБКИ ПЕРЕДАЧ (KUBOTA D722-E2B-BC-1) (СЕРИЙНЫЙ НОМЕР 224511001 И ВЫШЕ)

1Артикул: 6688530, CASE
2Артикул: 7018013, HOUSING, GEAR
3Артикул: 6667425, PLUG
Подробнее >
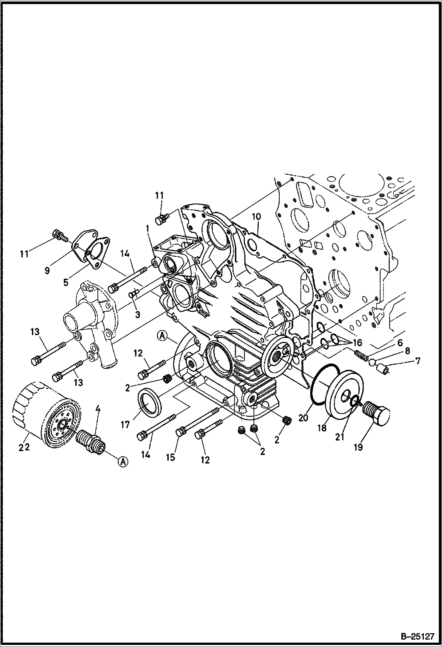
КРИВОШИПНАЯ КОРОБКА (KUBOTA D722-E2B-BC-5) (СЕРИЙНЫЙ НОМЕР 562411001 И ВЫШЕ)

КРИВОШИПНАЯ КОРОБКА (KUBOTA D722-E2B-BC-5) (СЕРИЙНЫЙ НОМЕР 562411001 И ВЫШЕ)

1Артикул: 7000379, BLOCK ENGINE W/Ref. 2-13 - Was 6688055 - B
2Артикул: GEAR, GEAR NSS - Order complete pump Ref. 19
3Артикул: 6670337, PLUG
Подробнее >
ДЕРЖАТЕЛЬ ФОРСУНКИ (KUBOTA D722-E2B-BC-5) (СЕРИЙНЫЙ НОМЕР 562411001 И ВЫШЕ) (KUBOTA D722-E2B-BC-1) (СЕРИЙНЫЙ НОМЕР 224511001 И ВЫШЕ)

ДЕРЖАТЕЛЬ ФОРСУНКИ (KUBOTA D722-E2B-BC-5) (СЕРИЙНЫЙ НОМЕР 562411001 И ВЫШЕ) (KUBOTA D722-E2B-BC-1) (СЕРИЙНЫЙ НОМЕР 224511001 И ВЫШЕ)

1Артикул: NOZZLE, NOZZLE HOLDER NLA - Ref. 2-11 - Order 7012004 nozzle holder & Ref. 2 - Was 6670465 - A
2Артикул: 6670465REM, NOZZLE, FUEL INJ. KUBOTA D722 Ref. 2-11
3Артикул: 6657460, NUT
Подробнее >
КРИВОШИПНАЯ КОРОБКА (KUBOTA D722-E2B-BC-1) (СЕРИЙНЫЙ НОМЕР 224511001 И ВЫШЕ)

КРИВОШИПНАЯ КОРОБКА (KUBOTA D722-E2B-BC-1) (СЕРИЙНЫЙ НОМЕР 224511001 И ВЫШЕ)

1Артикул: 6688365, CRANKCASE W/Ref. 2-14
2Артикул: 6599985, LINER
3Артикул: 7016962, BLOCK ENGINE W/Ref. 2-14
Подробнее >
ТОПЛИВНАЯ СИСТЕМА

ТОПЛИВНАЯ СИСТЕМА

1Артикул: HOSE, HOSE NLA - 31.5-- (800mm) long - Order Ref. 40
2Артикул: 6624289, STRAP, TIE
3Артикул: 6698505, CAP, FUEL DIESEL W/Plastic tether - Was 6661114 - A
Подробнее >