+7 (701) 588 50 05 Телефон для связи
RU

WhatsApp

Позвонить

ЗАПЧАСТИ ДВИГАТЕЛЯ в Алматы

СТОПОРНАЯ РУКОЯТКА

СТОПОРНАЯ РУКОЯТКА

1Артикул: 6599025, IDLE ASSY Ref. 2-7
2Артикул: CAP, CAP NSS
3Артикул: BOLT, BOLT NSS
Подробнее >
КРЫШКА КОРОМЫСЛА КЛАПАНА

КРЫШКА КОРОМЫСЛА КЛАПАНА

1Артикул: 6657054, COVER
2Артикул: 6599112, GASKET See Illustration UPPER GASKET KIT/ C3243 Included W/upper gasket kit
3Артикул: 6657050, CAP
Подробнее >
ТОПЛИВНЫЙ НАСОС

ТОПЛИВНЫЙ НАСОС

1Артикул: 6599007, PLATE
2Артикул: 6599073, BOLT
3Артикул: 6599100, SPRING
Подробнее >
КАРТЕР ДВИГАТЕЛЯ

КАРТЕР ДВИГАТЕЛЯ

1Артикул: 6630002, CRANKCASE W/Ref. 2-13
2Артикул: 6599985, LINER
3Артикул: 6652572, PLUG
Подробнее >
ВОДЯНОЙ ФЛАНЕЦ И ТЕРМОСТАТ

ВОДЯНОЙ ФЛАНЕЦ И ТЕРМОСТАТ

1Артикул: 6649316, FLANGE W/Ref. 9
2Артикул: 6666777, GASKET See Illustration UPPER GASKET KIT/ C3243 Included W/upper gasket kit - Was 6599110 - A
3Артикул: 1CM616, SCREW Was 4CM616 - A
Подробнее >
КОМПЛЕКТ НИЖНИХ ПРОКЛАДОК

КОМПЛЕКТ НИЖНИХ ПРОКЛАДОК

1Артикул: 6630549, GASKET KIT Lower - W/Ref. 2-22
2Артикул: 6666798, GASKET Oil Pan - Was 6599111 - A
3Артикул: 6599081, O-RING
Подробнее >
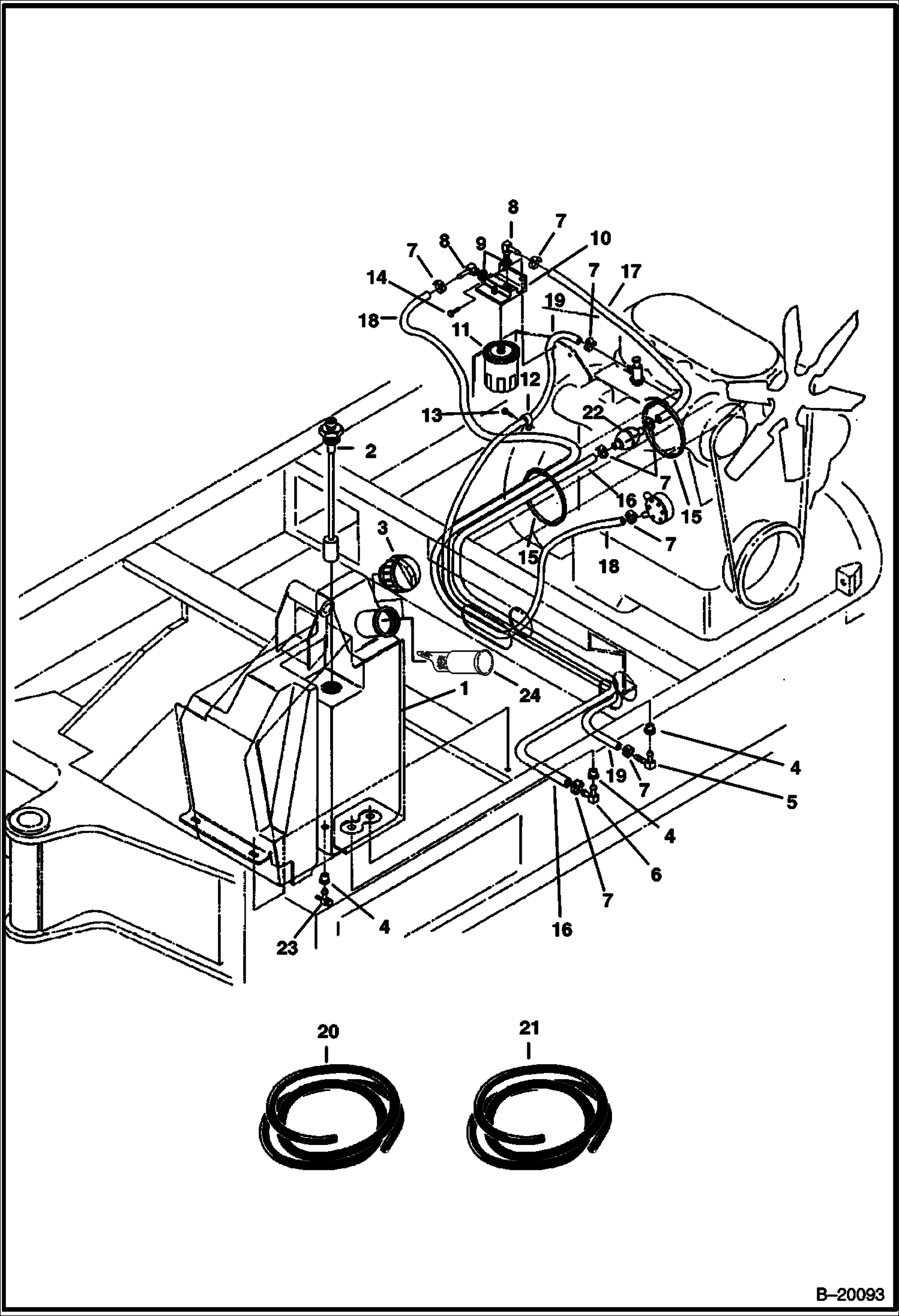
ДВИГАТЕЛЬ, ВОЗДУХООЧИСТИТЕЛЬ И МОНТАЖ МАХОВИКА

ДВИГАТЕЛЬ, ВОЗДУХООЧИСТИТЕЛЬ И МОНТАЖ МАХОВИКА

1Артикул: 6588153, BAFFLE Use On Early Machines Only
2Артикул: 6588280, HOSE
3Артикул: 872229, WASHER
Подробнее >
ОСНОВНОЙ КОРПУС ПОДШИПНИКА

ОСНОВНОЙ КОРПУС ПОДШИПНИКА

1Артикул: 6652598, CASE
2Артикул: 6652601, BOLT Use W/Ref. 3 - Was 3974097B - A
3Артикул: 6652601, BOLT Washer Head
Подробнее >
ВОДЯНАЯ ПОМПА

ВОДЯНАЯ ПОМПА

1Артикул: 6652753, PUMP ASSY. Ref. 2-6
2Артикул: BODY, BODY NSS
3Артикул: 6652756, BEARING
Подробнее >
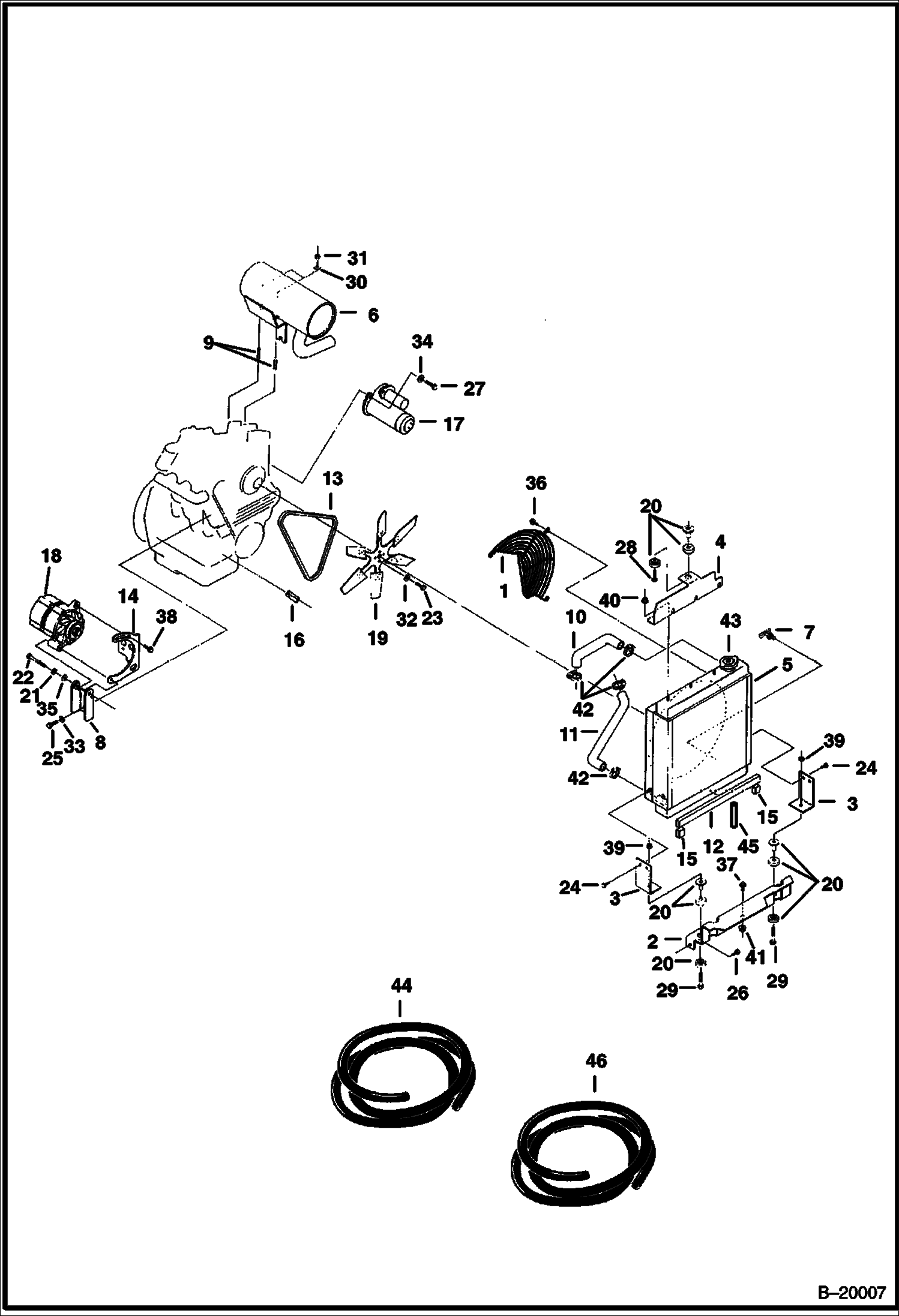
РАДИАТОР, ВОЗДУХООЧИСТИТЕЛЬ И КРОНШТЕЙН ГЛУШИТЕЛЯ

РАДИАТОР, ВОЗДУХООЧИСТИТЕЛЬ И КРОНШТЕЙН ГЛУШИТЕЛЯ

1Артикул: 6587632, GUARD Fan
2Артикул: 6588157, MOUNT Lower Radiator
3Артикул: 6588158, BRACKET
Подробнее >
ТАБЛИЧКА РЕГУЛЯТОРА СКОРОСТИ

ТАБЛИЧКА РЕГУЛЯТОРА СКОРОСТИ

1Артикул: 6599070, BOLT
2Артикул: 6599087, NUT
3Артикул: 3974972, GASKET
Подробнее >
ДЕРЖАТЕЛЬ ФОРСУНКИ

ДЕРЖАТЕЛЬ ФОРСУНКИ

1Артикул: 6652686, NOZZLE HOLDER Ref. 2-11
2Артикул: 3974322, NUT
3Артикул: 3974324, FITTING
Подробнее >
КОЛЛЕКТОР

КОЛЛЕКТОР

1Артикул: 6630009, MANIFOLD intake
2Артикул: 6666770, GASKET See Illustration UPPER GASKET KIT/ C3243 Included W/upper gasket kit - Was 3974147B - A
3Артикул: 6652614, STUD
Подробнее >
РЕДУКТОР

РЕДУКТОР

1Артикул: GEAR, GEAR CASE NLA - Was 6698330 - A
2Артикул: 6666795, GASKET See Illustration LOWER GASKET KIT/ C3244 Included W/lower gasket kit - Was 6652623 - A
3Артикул: 6599081, O-RING See Illustration LOWER GASKET KIT/ C3244 Included W/lower gasket kit
Подробнее >
ВОЗДУХООЧИСТИТЕЛЬ ДВИГАТЕЛЯ

ВОЗДУХООЧИСТИТЕЛЬ ДВИГАТЕЛЯ

1Артикул: 905282, AIR CLNR Ref. 2-8
2Артикул: TANK, TANK NSS
3Артикул: 897064, FILTER, AIR OUTER
Подробнее >
ТОПЛИВНАЯ СИСТЕМА

ТОПЛИВНАЯ СИСТЕМА

1Артикул: 6589122, TANK Fuel - Was 6588069 - A
2Артикул: 6661670, SENSOR Fuel - Includes O-Ring
3Артикул: 79K14, O RING 10 Was 25K040102B - B
Подробнее >
ТОПЛИВНЫЙ РАСПРЕДЕЛИТЕЛЬНЫЙ ВАЛ

ТОПЛИВНЫЙ РАСПРЕДЕЛИТЕЛЬНЫЙ ВАЛ

1Артикул: 5JM18, SNAP RING
2Артикул: 6598987, GEAR
3Артикул: 5JM20, CIRCLIP, EXTERNAL
Подробнее >
ФОРСУНКИ

ФОРСУНКИ

1Артикул: PIPE,, PIPE, OVER FLOW NLA - Order 6652659 - Was 3974251B - A
2Артикул: 6652659, PIPE injector return line
3Артикул: 6654718, CLAMP pipe - Was 6680795 - A
Подробнее >
ПОРШНИ И КОЛЕНВАЛ

ПОРШНИ И КОЛЕНВАЛ

1Артикул: 6599988, PISTON Std. - Only Piston
2Артикул: 6599916, PISTON .0197-- (0.5 mm Oversize) - Only Piston
3Артикул: 6599991, RING ASSY Piston, Std. - For 1 Piston
Подробнее >
РАСПРЕДВАЛ

РАСПРЕДВАЛ

1Артикул: 3974193, TAPPET
2Артикул: 6598975, PUSH ROD
3Артикул: 6598999, CAMSHAFT W/Ref. 4-8
Подробнее >
РЕГУЛЯТОР ОБОРОТОВ

РЕГУЛЯТОР ОБОРОТОВ

1Артикул: 6599026, LEVER ASSY Governor
2Артикул: 6599027, LEVER ASSY Fork - W/Ref. 3-7
3Артикул: PIN, PIN NSS
Подробнее >
КОРОМЫСЛО КЛАПАНА И КЛАПАНЫ (KUBOTA D750)

КОРОМЫСЛО КЛАПАНА И КЛАПАНЫ (KUBOTA D750)

1Артикул: 6630679, VALVE intake
2Артикул: 6630680, VALVE exhaust
3Артикул: 3974159, SPRING
Подробнее >
ТОПЛИВНАЯ СИСТЕМА И НАСОС ВПРЫСКА

ТОПЛИВНАЯ СИСТЕМА И НАСОС ВПРЫСКА

1Артикул: 6666850, PUMP, FUEL Was 6599008 - A
2Артикул: 6630183, DIAPHRAM For Fuel Pump
3Артикул: 3974502, GASKET See Illustration LOWER GASKET KIT/ C3244 Included W/lower gasket kit
Подробнее >
ДВИГАТЕЛЬ (KUBOTA D750)

ДВИГАТЕЛЬ (KUBOTA D750)

1Артикул: ENGINE, ENGINE See BTIE-052 NLA - Does not include Starter, Fan, Alternator, Flywheel & Bell Housing - Was 6654034 - A
2Артикул: SHORT, SHORT BLOCK NLA
3Артикул: 6668691, GASKET KIT See Illustration LOWER GASKET KIT/ C3244 Upper - Was 6630548 - A
Подробнее >
КОМПЛЕКТ ПРОКЛАДОК ВЕРХНЕЙ ЧАСТИ

КОМПЛЕКТ ПРОКЛАДОК ВЕРХНЕЙ ЧАСТИ

1Артикул: 6668691, GASKET KIT Upper - W/Ref. 2-14 - Was 6630548 - A
2Артикул: 3974038, RING,O
3Артикул: 6599994, GASKET Head
Подробнее >