+7 (701) 588 50 05 Телефон для связи
RU

WhatsApp

Позвонить

ЗАПЧАСТИ ДВИГАТЕЛЯ в Алматы

ГОЛОВКА ЦИЛИНДРА (FE400 ДВИГАТЕЛЬ)

ГОЛОВКА ЦИЛИНДРА (FE400 ДВИГАТЕЛЬ)

1Артикул: 102753401CC, CASE rocker - Was 1016442CC - A
2Артикул: 1016436CC, GASKET rocker case
3Артикул: 1016583CC, BOLT
Подробнее >
ВПУСКНОЙ КАНАЛ, ВОЗДУШНАЯ ЗАСЛОНКА И УЗЕЛ ВОЗДУШНОЙ КОРОБКИ (2100S)

ВПУСКНОЙ КАНАЛ, ВОЗДУШНАЯ ЗАСЛОНКА И УЗЕЛ ВОЗДУШНОЙ КОРОБКИ (2100S)

1Артикул: 101804301CC, SCREW
2Артикул: 101881701CC, WASHER
3Артикул: 101925701CC, LATCH
Подробнее >
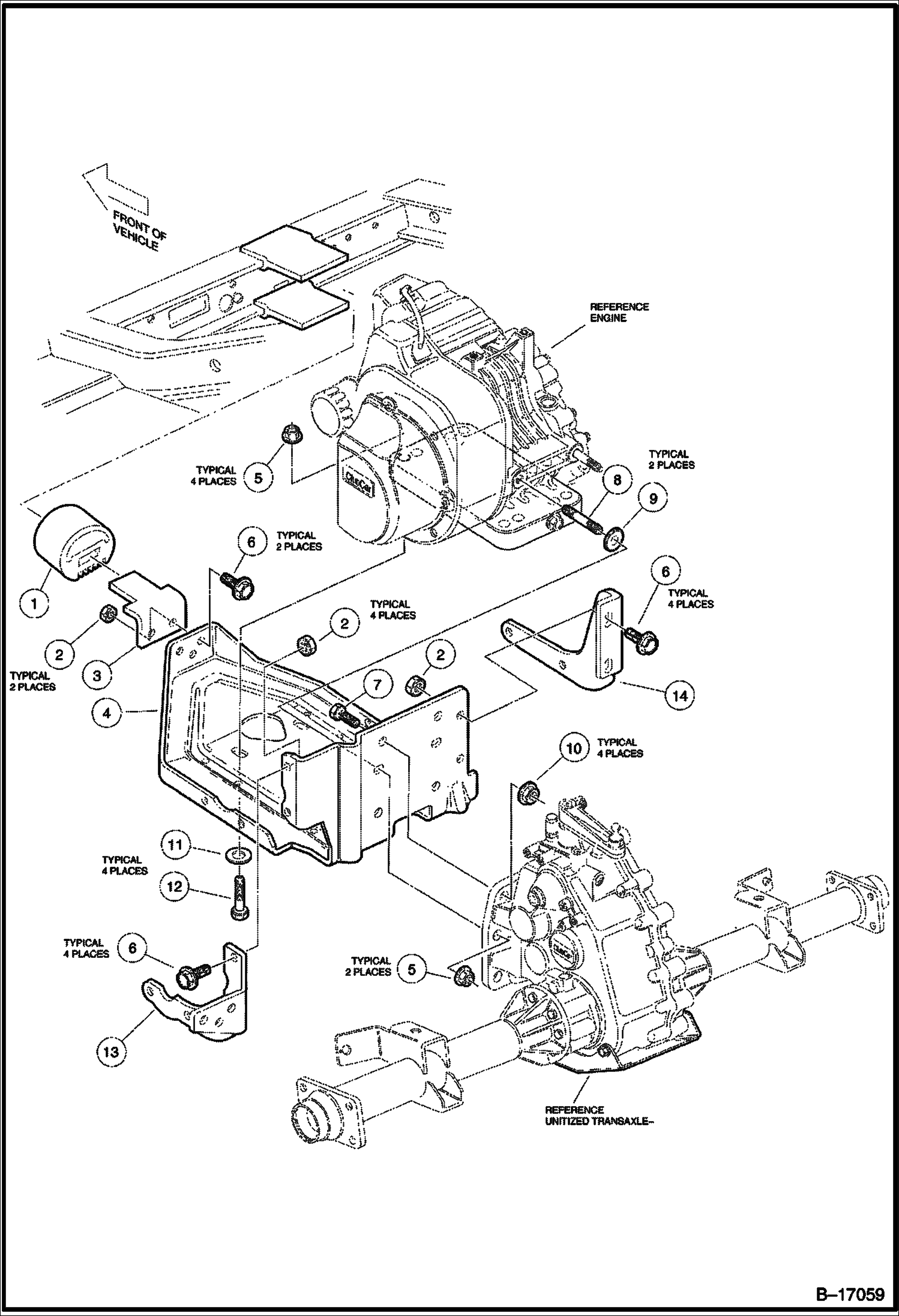
МОНТАЖ ДВИГАТЕЛЯ

МОНТАЖ ДВИГАТЕЛЯ

1Артикул: 1012164CC, SNUBBER
2Артикул: 1013924CC, NUT
3Артикул: 101834601CC, BRACKET snubber
Подробнее >
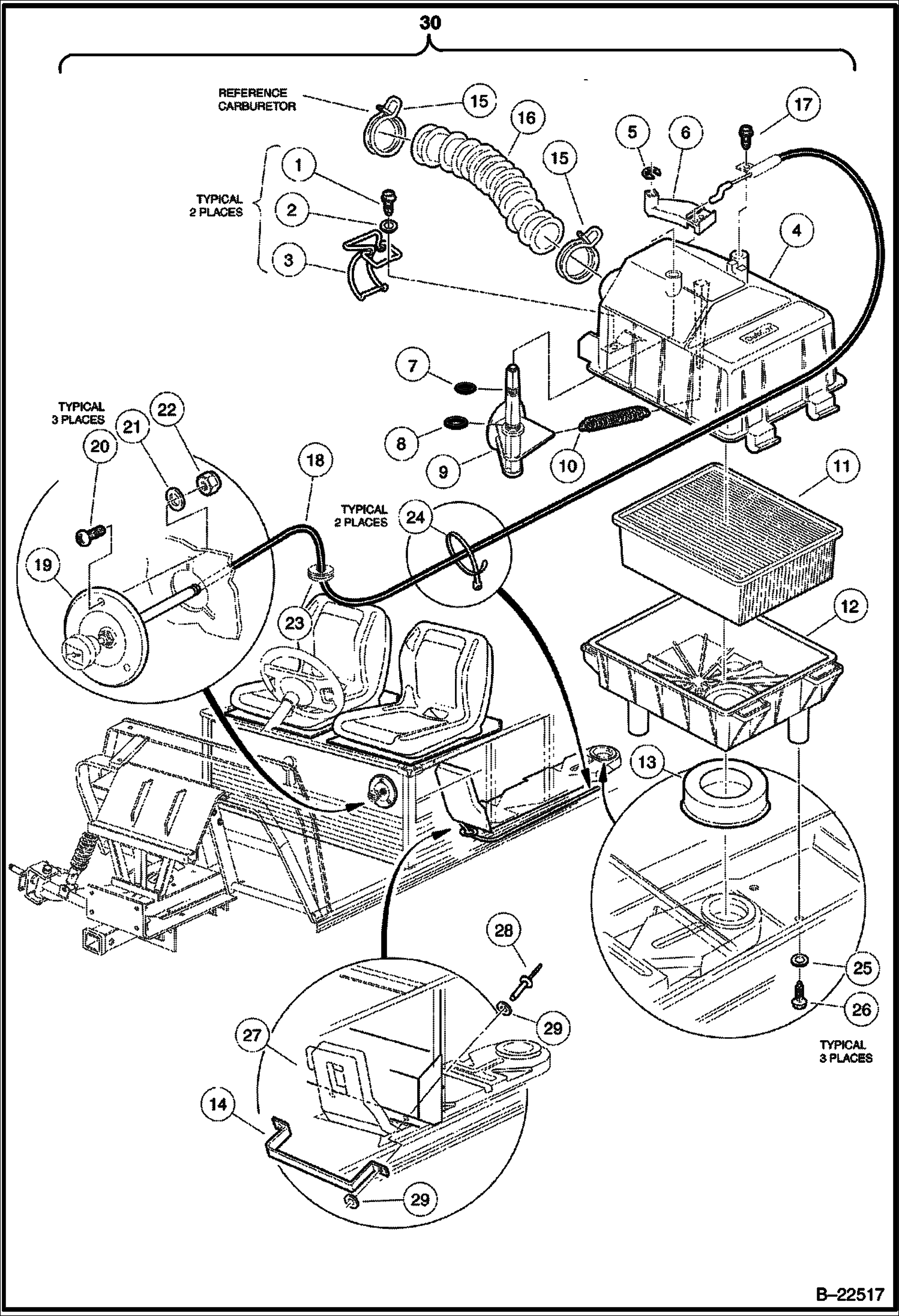
ВПУСКНОЙ КАНАЛ, ВОЗДУШНАЯ ЗАСЛОНКА И УЗЕЛ ВОЗДУШНОЙ КОРОБКИ

ВПУСКНОЙ КАНАЛ, ВОЗДУШНАЯ ЗАСЛОНКА И УЗЕЛ ВОЗДУШНОЙ КОРОБКИ

1Артикул: 101804301CC, SCREW
2Артикул: 101881701CC, WASHER
3Артикул: 101925701CC, LATCH
Подробнее >
ДЕТАЛИ ЗАМКА ЗАЖИГАНИЯ И МАХОВИК (FE400 ДВИГАТЕЛЬ)

ДЕТАЛИ ЗАМКА ЗАЖИГАНИЯ И МАХОВИК (FE400 ДВИГАТЕЛЬ)

1Артикул: 101916201CC, FLYWHEEL
2Артикул: 101916301CC, FAN flywheel
3Артикул: 1017448CC, SCREW
Подробнее >
КРИВОШИПНАЯ КОРОБКА, РАСПРЕДЕЛИТЕЛЬНЫЙ ВАЛ И ДАТЧИК ДАВЛЕНИЯ МАСЛА (FE400 ДВИГАТЕЛЬ)

КРИВОШИПНАЯ КОРОБКА, РАСПРЕДЕЛИТЕЛЬНЫЙ ВАЛ И ДАТЧИК ДАВЛЕНИЯ МАСЛА (FE400 ДВИГАТЕЛЬ)

1Артикул: 1016538CC, O-RING
2Артикул: 1017508CC, PLUG
3Артикул: 1016535CC, CONNECTOR oil sensor
Подробнее >
КОЖУХИ И КРОНШТЕЙНЫ (FE400 ДВИГАТЕЛЬ)

КОЖУХИ И КРОНШТЕЙНЫ (FE400 ДВИГАТЕЛЬ)

1Артикул: 1016507CC, BOLT
2Артикул: 1EM60, WASHER 6 mm
3Артикул: 1017474CC, SHROUD cylinder head
Подробнее >
ЦИРКУЛЯЦИЯ МАСЛА (FE400 ДВИГАТЕЛЬ)

ЦИРКУЛЯЦИЯ МАСЛА (FE400 ДВИГАТЕЛЬ)

1Артикул: 103887901CC, FILTER, OIL ENG Was 1016467CC - A
2Артикул: 1016502CC, BRACKET oil filter
3Артикул: 1016457CC, BOLT
Подробнее >
КРИВОШИПНАЯ КОРОБКА И КОЛЕНЧАТЫЙ ВАЛ (FE400 ДВИГАТЕЛЬ)

КРИВОШИПНАЯ КОРОБКА И КОЛЕНЧАТЫЙ ВАЛ (FE400 ДВИГАТЕЛЬ)

1Артикул: 1017503CC, OIL SEAL
2Артикул: 102271501CC, CRANKCASE
3Артикул: 1017502CC, SNAP RING
Подробнее >