+7 (701) 588 50 05 Телефон для связи
RU

WhatsApp

Позвонить

ЗАПЧАСТИ ДВИГАТЕЛЯ в Алматы

ТАБЛИЧКА РЕГУЛЯТОРА СКОРОСТИ TIER II 2353 11569 И ВЫШЕ

ТАБЛИЧКА РЕГУЛЯТОРА СКОРОСТИ TIER II 2353 11569 И ВЫШЕ

1Артикул: 6670457, GASKET Was 102634501CC - A
2Артикул: 102635201CC, BOLT NLA - Was 102635201CC - A
3Артикул: 3974972, GASKET Was 102635301CC - A
Подробнее >
КОМПОНЕНТЫ РЕГУЛЯТОРА ОБОРОТОВ ДИЗЕЛЬ 2353 11568 И НИЖЕ

КОМПОНЕНТЫ РЕГУЛЯТОРА ОБОРОТОВ ДИЗЕЛЬ 2353 11568 И НИЖЕ

1Артикул: 6670447, SPRING Was 102634901CC - A
2Артикул: 102635101CC, SPRING
3Артикул: 102636301CC, BOLT NLA - Was 102636301CC - A
Подробнее >
КАРТЕР КОРОБКИ ПЕРЕДАЧ TIER II 2353 11569 И ВЫШЕ

КАРТЕР КОРОБКИ ПЕРЕДАЧ TIER II 2353 11569 И ВЫШЕ

1Артикул: 6677915, SEAL Was 102601801CC - A
2Артикул: 6670359, SPRING Was 102601901CC - A
3Артикул: 6670361, BALL Was 102602001CC - A
Подробнее >
НАСОС ВПРЫСКА ДИЗЕЛЬ 2353 11568 И НИЖЕ

НАСОС ВПРЫСКА ДИЗЕЛЬ 2353 11568 И НИЖЕ

1Артикул: 102637301CC, INJECTION PUMP W/Ref. 2-4
2Артикул: SCREW, SCREW N/A
3Артикул: PUMP, PUMP N/A - Order Ref. 1
Подробнее >
ХОЛОСТОЙ ХОД АППАРАТА TIER II 2353 11569 И ВЫШЕ

ХОЛОСТОЙ ХОД АППАРАТА TIER II 2353 11569 И ВЫШЕ

1Артикул: 3974972, GASKET Was 102635301CC - A
2Артикул: 6670427, CAP, SECURITY Was 102635701CC - A
3Артикул: 6680272, NUT Was 102637001CC - A
Подробнее >
ЦИРКУЛЯЦИЯ МАСЛА HONDA ДВИГАТЕЛЕ

ЦИРКУЛЯЦИЯ МАСЛА HONDA ДВИГАТЕЛЕ

1Артикул: 102658001CC, GASKET
2Артикул: 102658101CC, COVER ASSY CRANKCASE
3Артикул: 102658801CC, GOVERNOR ASSY NLA - Was 102658801CC - A
Подробнее >
СОЛЕНОИД ОСТАНОВА TIER II 2353 11569 И ВЫШЕ

СОЛЕНОИД ОСТАНОВА TIER II 2353 11569 И ВЫШЕ

1Артикул: 102729101CC, BOLT NLA - Was 102729101CC - A
2Артикул: 102799601CC, SOLENOID,STOP
3Артикул: 102799701CC, STAY
Подробнее >
ПОРШЕНЬ И КОЛЕНЧАТЫЙ ВАЛ TIER II 2353 11569 И ВЫШЕ

ПОРШЕНЬ И КОЛЕНЧАТЫЙ ВАЛ TIER II 2353 11569 И ВЫШЕ

1Артикул: 3974226, KEY Was 102604401CC - A
2Артикул: 6670395, RING ASSY std - Was 102607601CC - A
3Артикул: 6670396, RING ASSY +.025 - Was 102607602CC - A
Подробнее >
ВПУСКНОЙ КОЛЛЕКТОР TIER II 2353 11569 И ВЫШЕ

ВПУСКНОЙ КОЛЛЕКТОР TIER II 2353 11569 И ВЫШЕ

1Артикул: 102646101CC, BOLT NLA - Was 102646101CC - A
2Артикул: 6652580, BOLT Was 102654301CC - A
3Артикул: 102801301CC, MANIFOLD INTAKE W/Ref. 4-6
Подробнее >
ГОЛОВКА ЦИЛИНДРА TIER II 2353 11569 И ВЫШЕ

ГОЛОВКА ЦИЛИНДРА TIER II 2353 11569 И ВЫШЕ

1Артикул: 3974038, RING,O Was 102600301CC - A
2Артикул: 6670353, BOLT Was 102652801CC - A
3Артикул: 3974882, HOOK Was 102653901CC - A
Подробнее >
ДЕТАЛИ ЗАМКА ЗАЖИГАНИЯ И МАХОВИК HONDA ДВИГАТЕЛЯ

ДЕТАЛИ ЗАМКА ЗАЖИГАНИЯ И МАХОВИК HONDA ДВИГАТЕЛЯ

1Артикул: 102655301CC, STUD
2Артикул: 102661901CC, BOLT
3Артикул: 6686496, SPARK PLUG - PACK 10 Was 102662501CC - A
Подробнее >
МОНТАЖ ДВИГАТЕЛЯ HONDA ДВИГАТЕЛЯ HONDA GX620

МОНТАЖ ДВИГАТЕЛЯ HONDA ДВИГАТЕЛЯ HONDA GX620

1Артикул: 1012769CC, SCREW
2Артикул: 102370501CC, ISOLATOR
3Артикул: 102370601CC, WASHER
Подробнее >
КОМПЛЕКТ ПРОКЛАДОК ДИЗЕЛЬ

КОМПЛЕКТ ПРОКЛАДОК ДИЗЕЛЬ

1Артикул: UPPER, UPPER GASKET KIT NLA - W/Ref. 2-12 - Was 6672739 - B,D
2Артикул: 102422301CC, GASKET EXHAUST
3Артикул: 3974038, RING,O Was 102600301CC - A
Подробнее >
ПЕДАЛЬ АКСЕЛЕРАТОРА В СБОРЕ СТИЛЯ B

ПЕДАЛЬ АКСЕЛЕРАТОРА В СБОРЕ СТИЛЯ B

1Артикул: 103278101CC, ACCEL PEDAL W/Ref. 2-17 Ref. 2-17 - Was 102489901CC - A
2Артикул: PULLROD, PULLROD NLA - Order Ref. 1
3Артикул: 102442901CC, BUSHING
Подробнее >
МОНТАЖ ДВИГАТЕЛЯ ДИЗЕЛЬ KUBOTA D722

МОНТАЖ ДВИГАТЕЛЯ ДИЗЕЛЬ KUBOTA D722

1Артикул: 1012769CC, SCREW
2Артикул: 101833101CC, STUD
3Артикул: 101833201CC, STUD
Подробнее >
ХОЛОСТОЙ ХОД АППАРАТА ДИЗЕЛЬ 2353 11568 И НИЖЕ

ХОЛОСТОЙ ХОД АППАРАТА ДИЗЕЛЬ 2353 11568 И НИЖЕ

1Артикул: 102635301CC, GAKSET
2Артикул: 102635701CC, CAP
3Артикул: 102636901CC, BOLT ADJ
Подробнее >
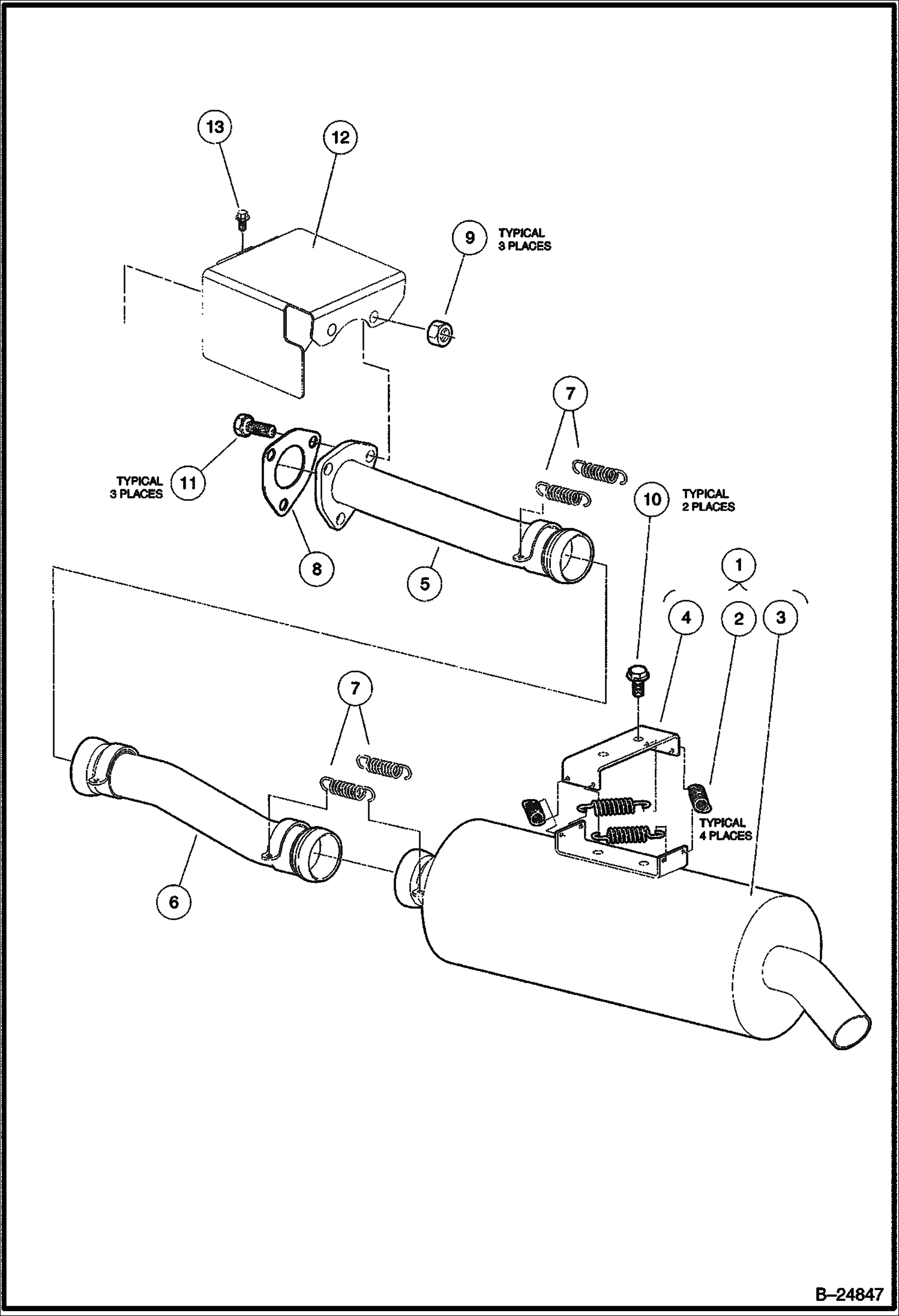
СИСТЕМА ВЫПУСКА ДИЗЕЛЬ

СИСТЕМА ВЫПУСКА ДИЗЕЛЬ

1Артикул: 102812801CC, MUFFLER ASM Was 102409201CC - A
2Артикул: SVP237002CC, MUFFLER PURIFER W/Ref. 2-4 , & 2 spacers, 2 bolts & 2 washers
3Артикул: 6659543, PLUG 1/8 -- NPT - used on SVP237002CC
Подробнее >
ГОЛОВКА ЦИЛИНДРА HONDA ДВИГАТЕЛЯ

ГОЛОВКА ЦИЛИНДРА HONDA ДВИГАТЕЛЯ

1Артикул: 102657601CC, GASKET
2Артикул: 102657701CC, MANIFOLD INTAKE NLA - Was 102657701CC - A
3Артикул: 102657801CC, BOLT NLA - Was 102657801CC - A
Подробнее >
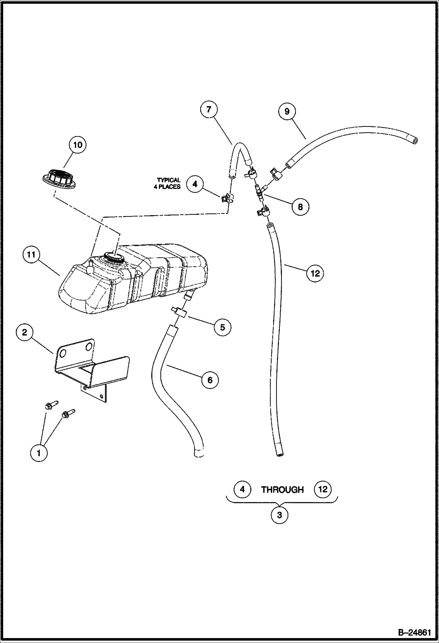
УЗЕЛ ТРУБ ТЕПЛОНОСИТЕЛЯ ДИЗЕЛЬ

УЗЕЛ ТРУБ ТЕПЛОНОСИТЕЛЯ ДИЗЕЛЬ

1Артикул: 102631701CC, BAND
2Артикул: 102631801CC, PIPE
3Артикул: 102632001CC, NUT
Подробнее >
ДЕРЖАТЕЛЬ ФОРСУНКИ И ЗАПАЛЬНАЯ СВЕЧА ДИЗЕЛЬ

ДЕРЖАТЕЛЬ ФОРСУНКИ И ЗАПАЛЬНАЯ СВЕЧА ДИЗЕЛЬ

1Артикул: 102605701CC, OVERFLOW HOSE
2Артикул: 3974972, GASKET Was 102635301CC - A
3Артикул: 6670471, WIRE Was 102642401CC - A
Подробнее >
КАРТЕР КОРОБКИ ПЕРЕДАЧ ДИЗЕЛЬ 2353 11568 И НИЖЕ

КАРТЕР КОРОБКИ ПЕРЕДАЧ ДИЗЕЛЬ 2353 11568 И НИЖЕ

1Артикул: 102601801CC, O-RING
2Артикул: 102601901CC, SPRING
3Артикул: 102602001CC, BALL
Подробнее >
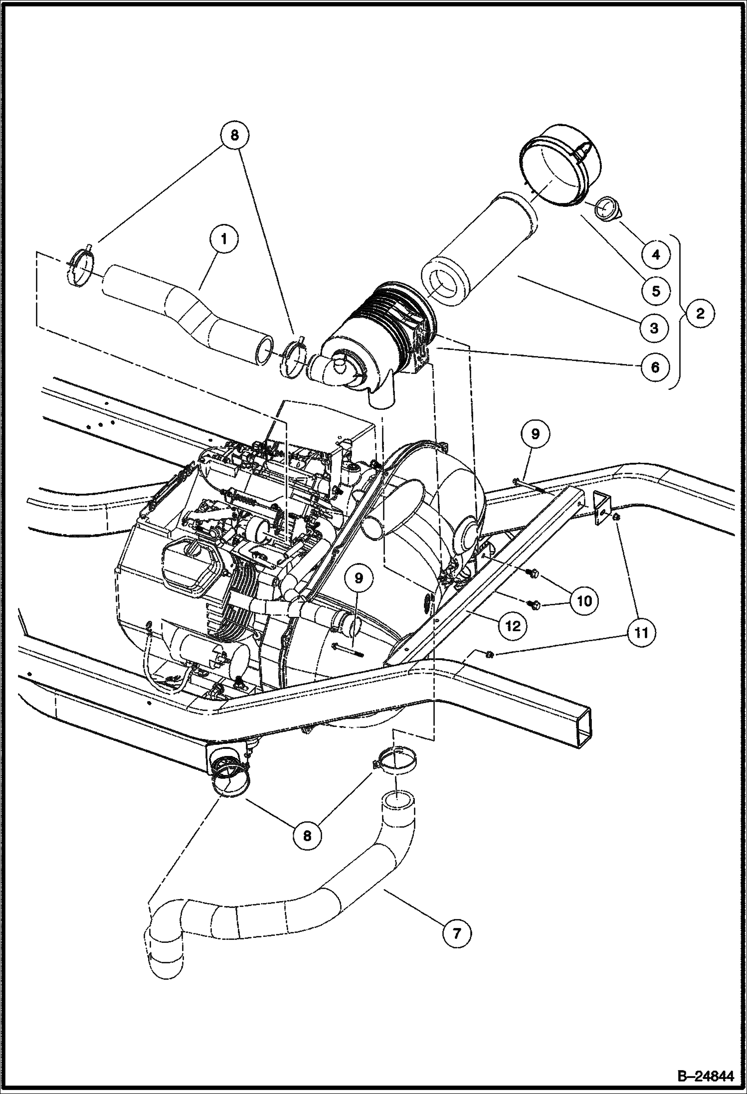
ВПУСКНОЙ КАНАЛ И УЗЕЛ ВОЗДУШНОЙ КОРОБКИ ДИЗЕЛЬ

ВПУСКНОЙ КАНАЛ И УЗЕЛ ВОЗДУШНОЙ КОРОБКИ ДИЗЕЛЬ

1Артикул: 102379001CC, HOSE INTAKE
2Артикул: 102810701CC, FILTER AIR CANISTER W/Ref. 3-6 - Was 102379301CC - A
3Артикул: 6672467, FILTER, AIR OUTER Was 102498601CC - A
Подробнее >
ВПУСКНОЙ КАНАЛ И УЗЕЛ ВОЗДУШНОЙ КОРОБКИ БЕНЗИН

ВПУСКНОЙ КАНАЛ И УЗЕЛ ВОЗДУШНОЙ КОРОБКИ БЕНЗИН

1Артикул: 102378901CC, HOSE INTAKE
2Артикул: 102810701CC, FILTER AIR CANISTER W/Ref. 3-6, - Was 102379301CC - A
3Артикул: 6672467, FILTER, AIR OUTER Was 102498601CC - A
Подробнее >
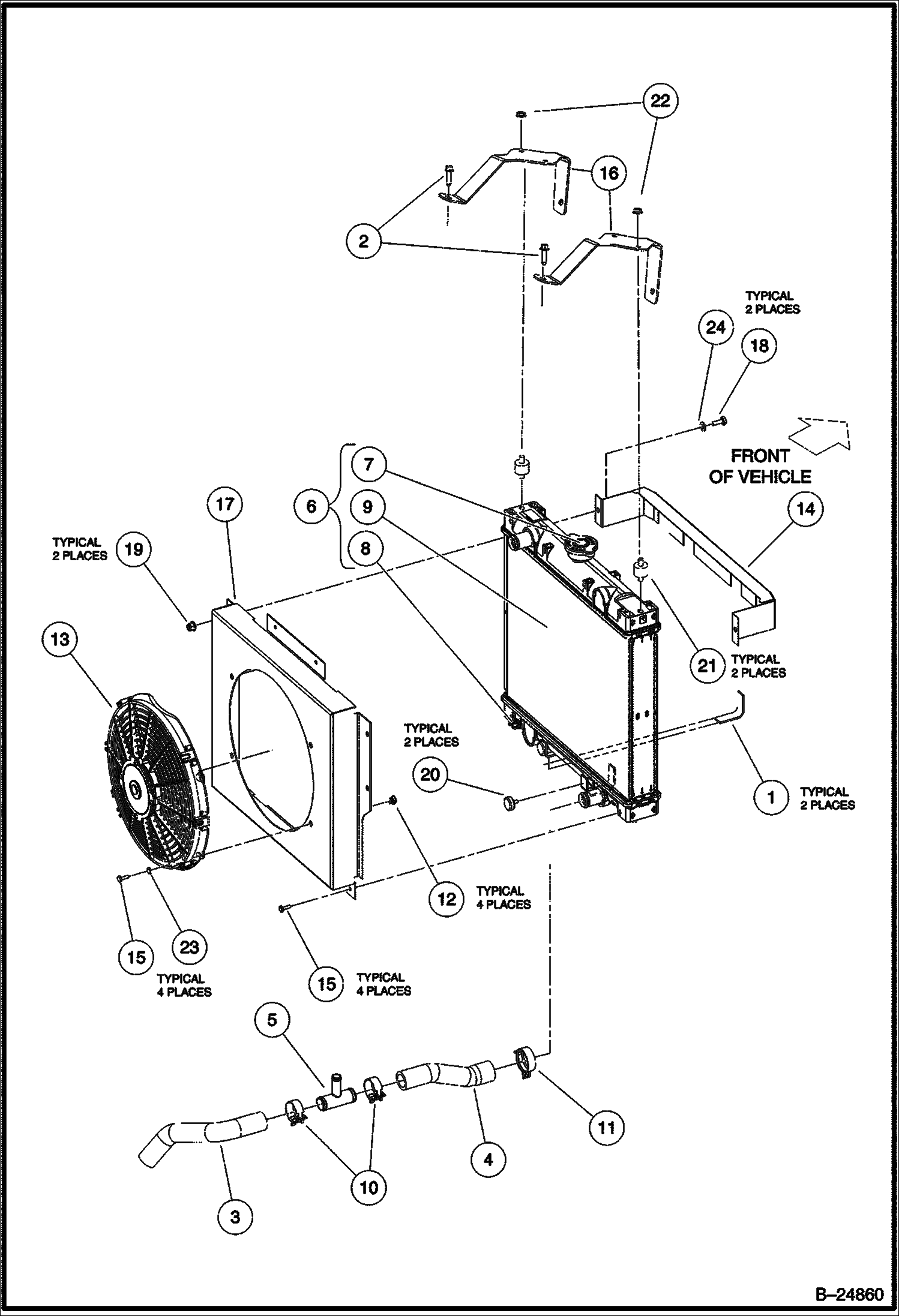
РАДИАТОР ДИЗЕЛЬ

РАДИАТОР ДИЗЕЛЬ

1Артикул: 1014471CC, INSULATION
2Артикул: 102289001CC, SCREW
3Артикул: 102377801CC, HOSE
Подробнее >
КРЫШКА ГОЛОВКИ TIER II 2353 11569 И ВЫШЕ

КРЫШКА ГОЛОВКИ TIER II 2353 11569 И ВЫШЕ

1Артикул: 6683009, O-RING Was 102644001CC - A
2Артикул: 102644101CC, PLUG OIL FILLER
3Артикул: 102798401CC, HEAD COVER W/Ref. 4-10
Подробнее >
КОЖУХИ И КРОНШТЕЙНЫ ДВИГАТЕЛЯ HONDA

КОЖУХИ И КРОНШТЕЙНЫ ДВИГАТЕЛЯ HONDA

1Артикул: 102657501CC, BOLT
2Артикул: 102666201CC, CAP ASSY
3Артикул: 102666801CC, COVER
Подробнее >
ТАБЛИЧКА РЕГУЛЯТОРА СКОРОСТИ ДИЗЕЛЬ 2353 11568 И НИЖЕ

ТАБЛИЧКА РЕГУЛЯТОРА СКОРОСТИ ДИЗЕЛЬ 2353 11568 И НИЖЕ

1Артикул: 102634501CC, GASKET
2Артикул: 102635201CC, BOLT NLA - Was 102635201CC - A
3Артикул: 102635301CC, GAKSET
Подробнее >
ОБЛАСТЬ СИСТЕМЫ ОХЛАЖДЕНИЯ ДИЗЕЛЬ

ОБЛАСТЬ СИСТЕМЫ ОХЛАЖДЕНИЯ ДИЗЕЛЬ

1Артикул: 102289001CC, SCREW
2Артикул: 102460801CC, BRACKET
3Артикул: ASM, ASM N/A
Подробнее >
КАБЕЛЬ АКСЕЛЕРАТОРА ДИЗЕЛЬ

КАБЕЛЬ АКСЕЛЕРАТОРА ДИЗЕЛЬ

1Артикул: 102475701CC, CLIP
2Артикул: 102498801CC, CABLE ACCELERATOR diesel - W/2wd - 101-- long
3Артикул: 103921901CC, CABLE, THROTTLE diesel - W/4wd - 110-- long - Was 103600901CC
Подробнее >
КОМПОНЕНТЫ РЕГУЛЯТОРА ОБОРОТОВ TIER II 2353 11569 И ВЫШЕ

КОМПОНЕНТЫ РЕГУЛЯТОРА ОБОРОТОВ TIER II 2353 11569 И ВЫШЕ

1Артикул: 102635101CC, SPRING
2Артикул: 102636301CC, BOLT NLA - Was 102636301CC - A
3Артикул: 102800201CC, SPRING
Подробнее >
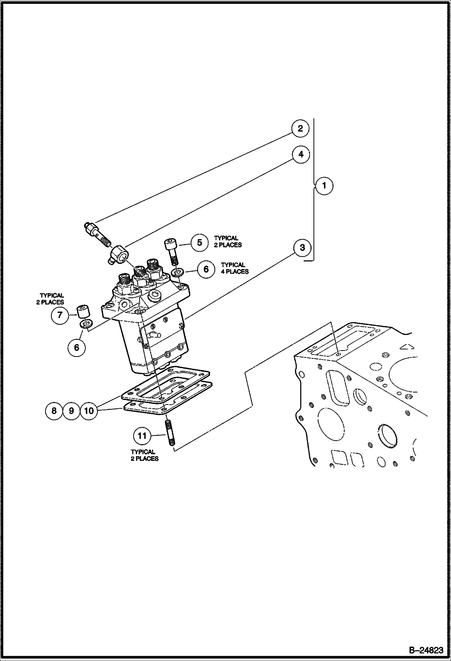
НАСОС ВПРЫСКА TIER II 2353 11569 И ВЫШЕ

НАСОС ВПРЫСКА TIER II 2353 11569 И ВЫШЕ

1Артикул: 6657417, BOLT Was 102640501CC - A
2Артикул: 6667419, WASHER Was 102640601CC - A
3Артикул: 6657461, NUT Was 102640701CC - A
Подробнее >
КЛАПАНЫ И КОРОМЫСЛО КЛАПАНАS TIER II 2353 11569 И ВЫШЕ

КЛАПАНЫ И КОРОМЫСЛО КЛАПАНАS TIER II 2353 11569 И ВЫШЕ

1Артикул: 102646401CC, BOLT NLA - Was 102646401CC - A
2Артикул: 6670520, WASHER Was 102651301CC - A
3Артикул: 6687675, WASHER, SPRING Was 6670519 - A
Подробнее >
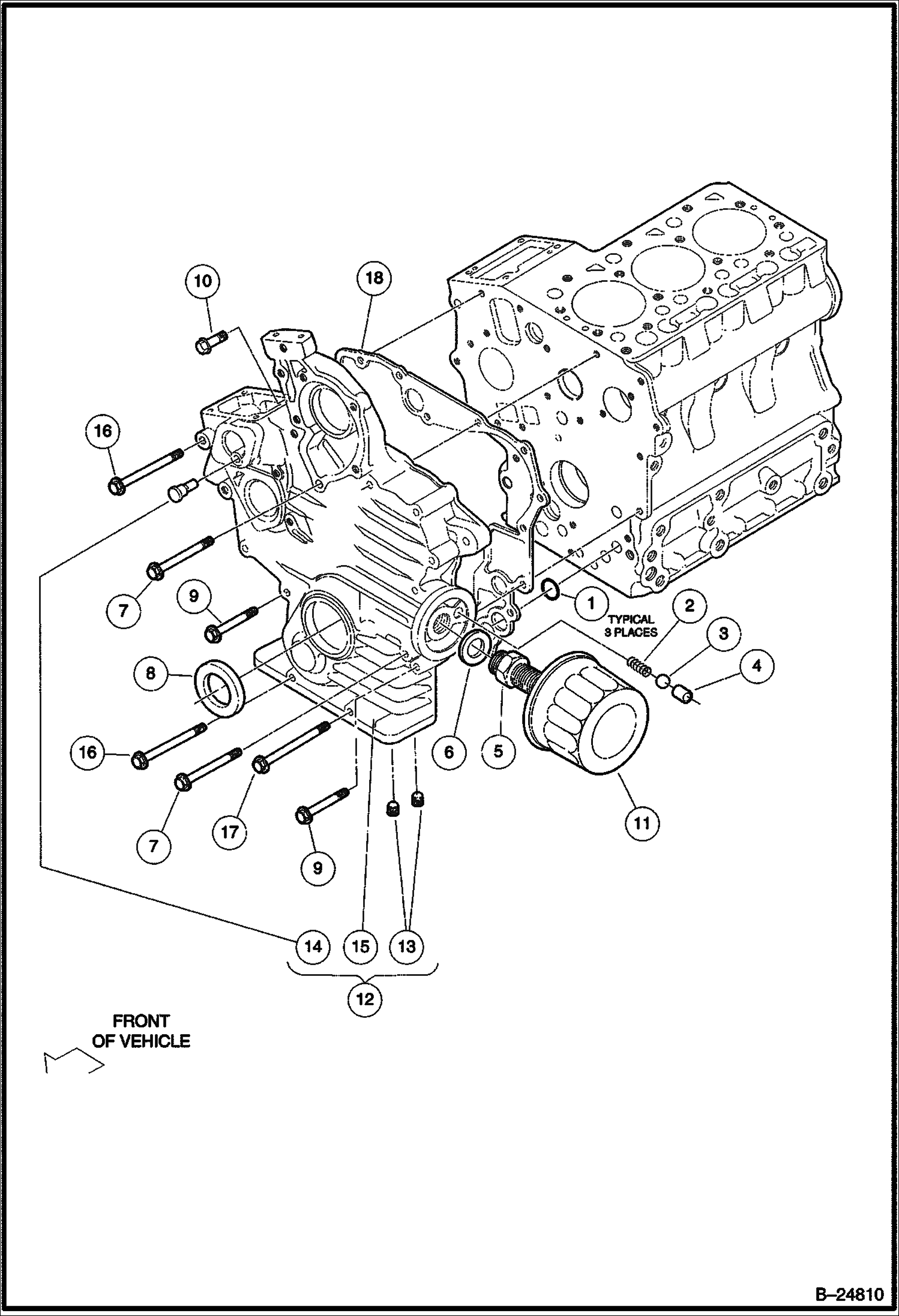
КРИВОШИПНАЯ КОРОБКА ДИЗЕЛЬ

КРИВОШИПНАЯ КОРОБКА ДИЗЕЛЬ

1Артикул: 102600001CC, CRANKCASE NLA - W/Ref. 2-16 - Was 102600001CC - A
2Артикул: 102600101CC, PIN
3Артикул: 102600201CC, PIN
Подробнее >
РАСПРЕДЕЛИТЕЛЬНЫЙ ВАЛ И ШЕСТЕРНИ НАТЯЖНОГО КОЛЕСА TIER II 2353 11569 И ВЫШЕ

РАСПРЕДЕЛИТЕЛЬНЫЙ ВАЛ И ШЕСТЕРНИ НАТЯЖНОГО КОЛЕСА TIER II 2353 11569 И ВЫШЕ

1Артикул: 1CM612, BOLT Was 4CM612 - A
2Артикул: 6670388, GEAR W/Ref. 3 & 4 - Was 102604901CC - A
3Артикул: 6670389, BUSHING Was 102603201CC - A
Подробнее >