+7 (701) 588 50 05 Телефон для связи
RU

WhatsApp

Позвонить

ЗАПЧАСТИ ДВИГАТЕЛЯ в Алматы

ТУРБОКОМПРЕССОР

ТУРБОКОМПРЕССОР

1Артикул: 7021014, TURBOCHARGER
2Артикул: 7000678, GASKET, TURBOCHARGER Was 7000679 - B,D
3Артикул: 6675617, STUD
Подробнее >
ВПРЫСКИВАЮЩИЕ ТРУБЫ

ВПРЫСКИВАЮЩИЕ ТРУБЫ

1Артикул: 7000726, PIPE, INJECTION
2Артикул: 7000727, PIPE, INJECTION
3Артикул: 7000728, PIPE, INJECTION
Подробнее >
РАСПРЕДВАЛ

РАСПРЕДВАЛ

1Артикул: 7000757, CAMSHAFT, VALVE Ref. 2-7
2Артикул: CAMSHAFT, CAMSHAFT NSS - Order Ref. 1
3Артикул: 3974546, KEY
Подробнее >
ТОПЛИВНАЯ СИСТЕМА И НАСОС ВПРЫСКА

ТОПЛИВНАЯ СИСТЕМА И НАСОС ВПРЫСКА

1Артикул: 7020982, PUMP, FUEL INJ UNIT See BTI418uwm
2Артикул: 7000711, PIPE, OIL
3Артикул: 6680900, BOLT
Подробнее >
КОЛЛЕКТОР

КОЛЛЕКТОР

1Артикул: 7000753, MANIFOLD, INTAKE W/Ref. 2 & 3
2Артикул: 6657446, SCREW
3Артикул: 3974972, GASKET
Подробнее >
КЛАПАН СИСТЕМЫ РЕЦИРКУЛЯЦИИ ВЫХЛОПНЫХ ГАЗОВ

КЛАПАН СИСТЕМЫ РЕЦИРКУЛЯЦИИ ВЫХЛОПНЫХ ГАЗОВ

1Артикул: 7021008, VALVE, EGR
2Артикул: 6698580, VALVE, LEAD
3Артикул: 7000634, GASKET, EGR VALVE
Подробнее >
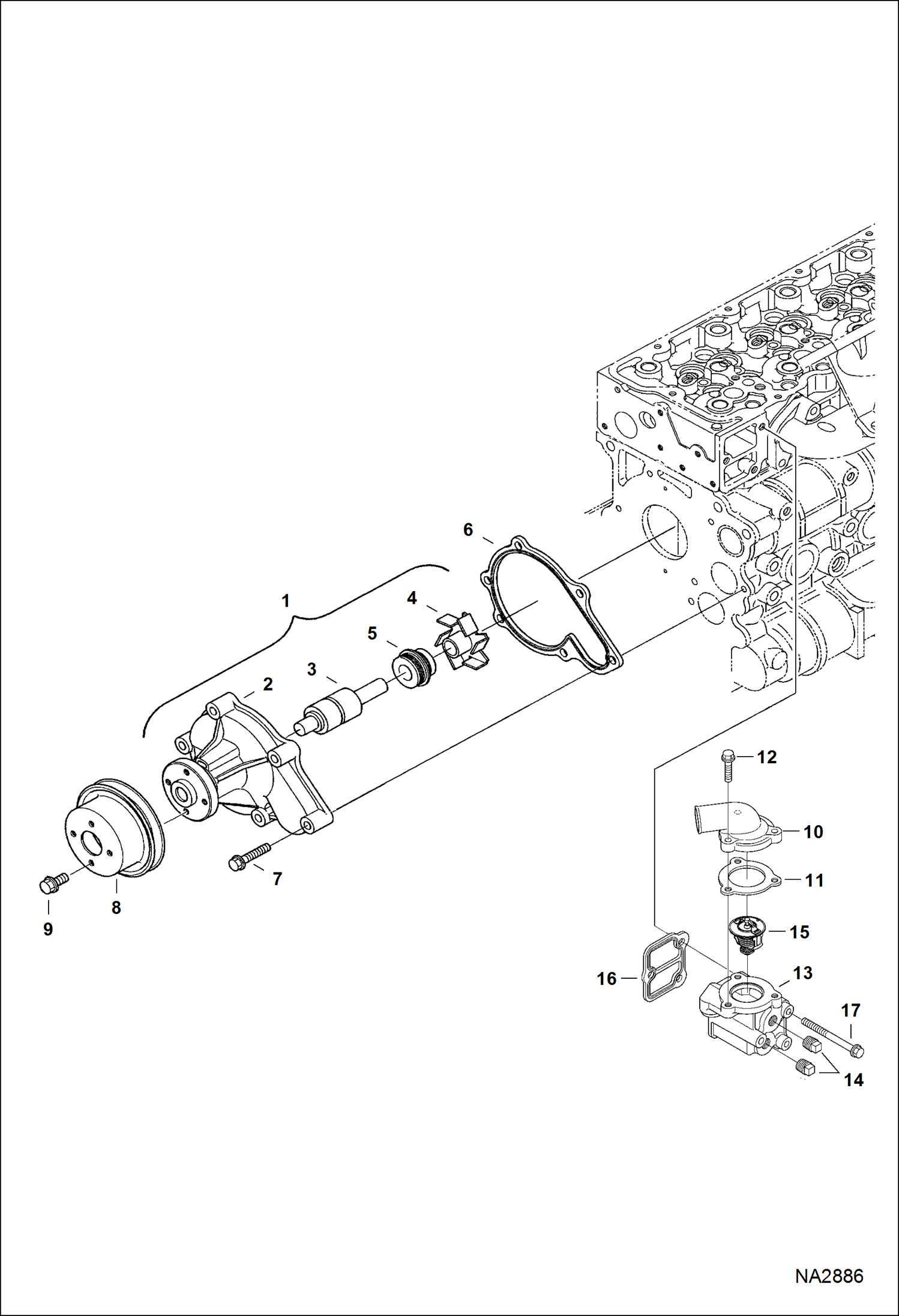
ВОДЯНАЯ ПОМПА И ТЕРМОСТАТ

ВОДЯНАЯ ПОМПА И ТЕРМОСТАТ

1Артикул: 7000743, PUMP, WATER Ref. 2-5
2Артикул: FLANGE, FLANGE NSS - Order Ref. 1
3Артикул: SHAFT, SHAFT NSS - Order Ref. 2
Подробнее >
НАСОС ВПРЫСКА (ТОПЛИВНЫЙ РАСПРЕДЕЛИТЕЛЬНЫЙ ВАЛ)

НАСОС ВПРЫСКА (ТОПЛИВНЫЙ РАСПРЕДЕЛИТЕЛЬНЫЙ ВАЛ)

1Артикул: 7000721, PUMP, INJ FUEL
2Артикул: 7001499, BOLT, EYE
3Артикул: 6698120, GASKET
Подробнее >
НАСОС ВПРЫСКА (РЕГУЛИРОВАЧНЫЕ БОЛТЫ)

НАСОС ВПРЫСКА (РЕГУЛИРОВАЧНЫЕ БОЛТЫ)

1Артикул: 7012050, BOLT, ADJUSTMENT ASSY Ref. 2-4
2Артикул: SPRING, SPRING NLA - Order Ref. 1
3Артикул: BOLT,, BOLT, ADJUSTING NLA - Order Ref. 1
Подробнее >
ВПРЫСКИВАЮЩИЕ СОПЛА

ВПРЫСКИВАЮЩИЕ СОПЛА

1Артикул: 7020613, INJECTOR, FUEL ASSY
2Артикул: 6680778, RING,O
3Артикул: 7000619, ORING
Подробнее >
ТОПЛИВНАЯ СИСТЕМА

ТОПЛИВНАЯ СИСТЕМА

1Артикул: 7116527, TANK fuel
2Артикул: 7201319, HOSE FUEL filler
3Артикул: 5HM58, CLAMP
Подробнее >
ПОРШНИ И КОЛЕНВАЛ

ПОРШНИ И КОЛЕНВАЛ

1Артикул: 7000682, PISTON, ENG (05) std (1J700-2111)
2Артикул: 7000686, PISTON, ENG OS +.25 mm (05) (1J700-2111 OS25)
3Артикул: 7000680, RING, PISTON std
Подробнее >
КАМЕРА ОХЛАЖДЕНИЯ СИСТЕМЫ РЕЦИРКУЛЯЦИИ ВЫХЛОПНЫХ ГАЗОВ

КАМЕРА ОХЛАЖДЕНИЯ СИСТЕМЫ РЕЦИРКУЛЯЦИИ ВЫХЛОПНЫХ ГАЗОВ

1Артикул: 7000736, EXCHANGER, EGR
2Артикул: 6680801, BOLT
3Артикул: 7008809, BASE, COOLER EGR
Подробнее >
РЕГУЛЯТОР ОБОРОТОВ (РЫЧАГ ДЛЯ ВИЛ)

РЕГУЛЯТОР ОБОРОТОВ (РЫЧАГ ДЛЯ ВИЛ)

1Артикул: 7000639, LEVER, FORK W/Ref. 2-12
2Артикул: BEARING, BEARING NSS - Order Ref. 1
3Артикул: SHAFT, SHAFT NSS - Order Ref. 1
Подробнее >
РЕГУЛЯТОР ОБОРОТОВ

РЕГУЛЯТОР ОБОРОТОВ

1Артикул: 6680757, COVER
2Артикул: 7000638, WEIGHT, GOVERNOR
3Артикул: 6680759, NUT
Подробнее >
ВОЗДУШНЫЙ ФИЛЬТР

ВОЗДУШНЫЙ ФИЛЬТР

1Артикул: 6698022, FILTER, AIR air filter assembly
2Артикул: 7003489, FILTER ELEMENT outer
3Артикул: 7003490, FILTER ELEMENT inner
Подробнее >